Каталог русских иллюстрированных схем электрооборудования автомобиля Дэу Эсперо. Доступен для скачивания и просмотра всем посетителям сайта Электросхемы. Представленны такие узлы автомобиля, как контрольный индикатор двигателя, осветительная лампа приборного щитка, фары и подфарники, электростеклоподъёмники Дэу Эсперо и т.д.
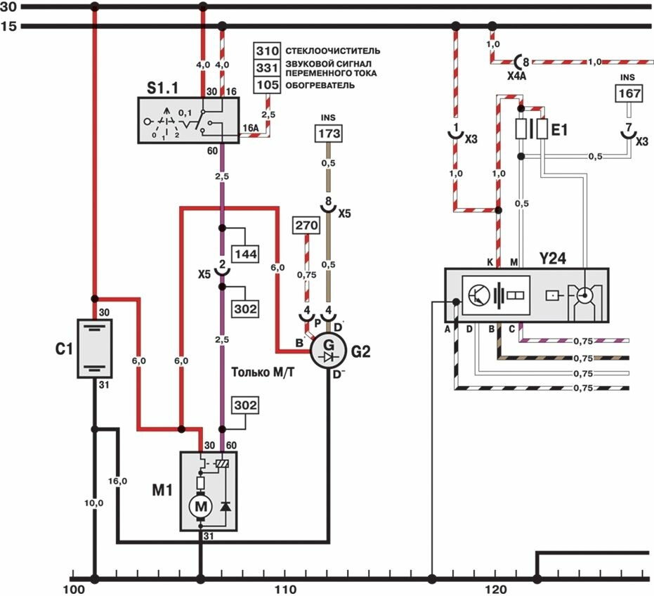
Электросхема Daewoo Espero (Дэу Эсперо) 1

F1–F18........Плавкий предохранитель – пассажирский салон
F19–F24........Плавкий предохранитель – отсек двигателя
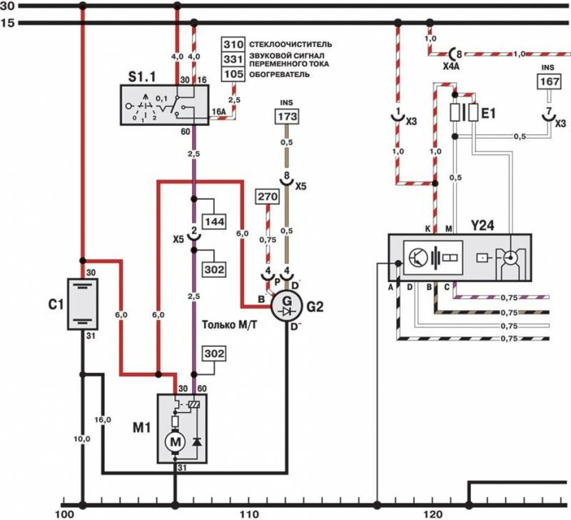
G1........Батарея Daewoo Espero
G2........Генератор переменного тока
E1........Катушка зажигания
М1........Стартер Дэу Эсперо
Y24........Прерыватель-распределитель зажигания
S1.1........Переключатель зажигания
Х1........Соединитель (3 штифта) для переднего жгута и жгута проводов TBI
Х2........Соединитель (8 штифтов) для жгутов приборного щитка и двери
Х2А........Соединитель (14 штифтов) для жгутов: дверного и передней двери (левой)
Х2В........Соединитель (14 штифтов) для жгутов: дверного и передней двери (правой)
Х4........Соединитель (18 штифтов) для жгутов приборного щитка и TBI
Х4А........Соединитель (6 штифтов) для жгутов приборного щитка и TBI
Х5........Соединитель (8 штифтов) для жгутов приборного щитка и двигателя
Х6........Соединитель (16 штифтов) для жгутов: приборного щитка и заднего
Х6А........Соединитель (4 штифта) для жгутов: приборного щитка и заднего
Х6В........Соединитель (3 штифта) для заднего жгута и отвода жгута приборного щитка
Х7........Соединитель (18 штифтов) для жгутов: приборного щитка и переднего
Х7А........Соединитель (9 штифтов) для жгутов: приборного щитка и переднего
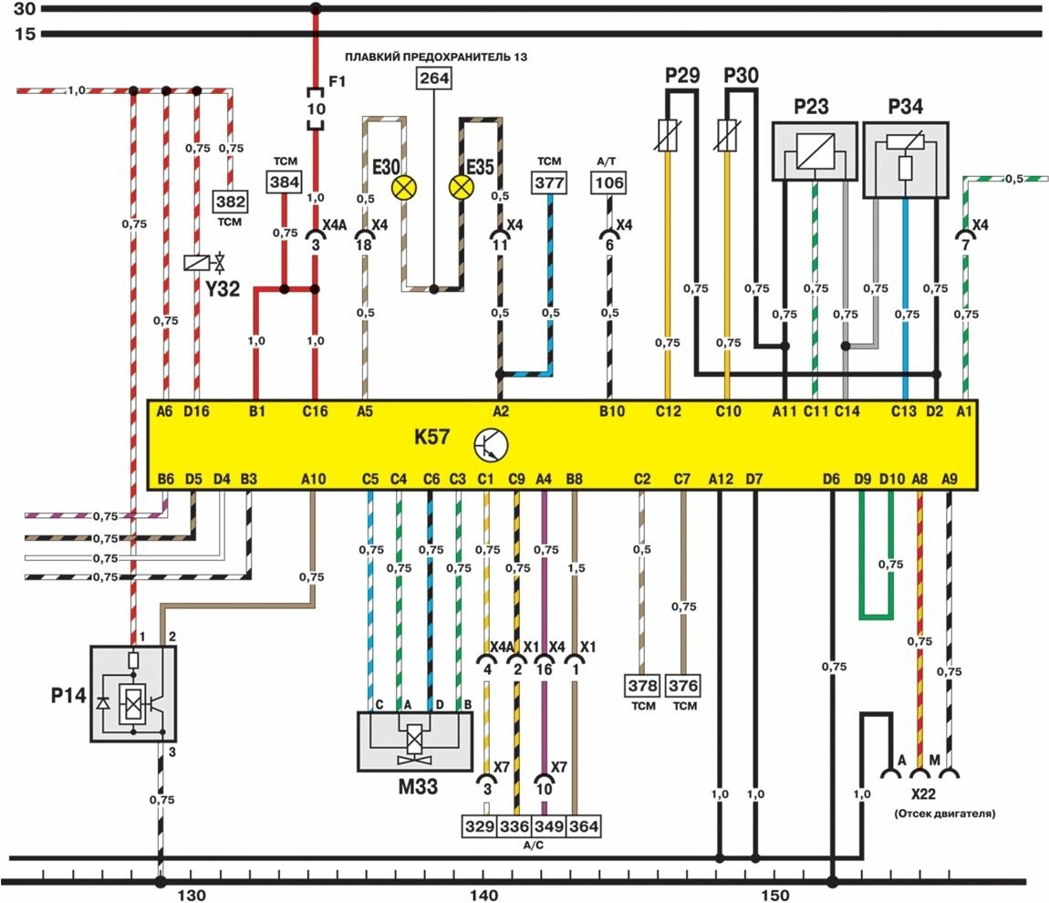
Электросхема Daewoo Espero (Дэу Эсперо) 2

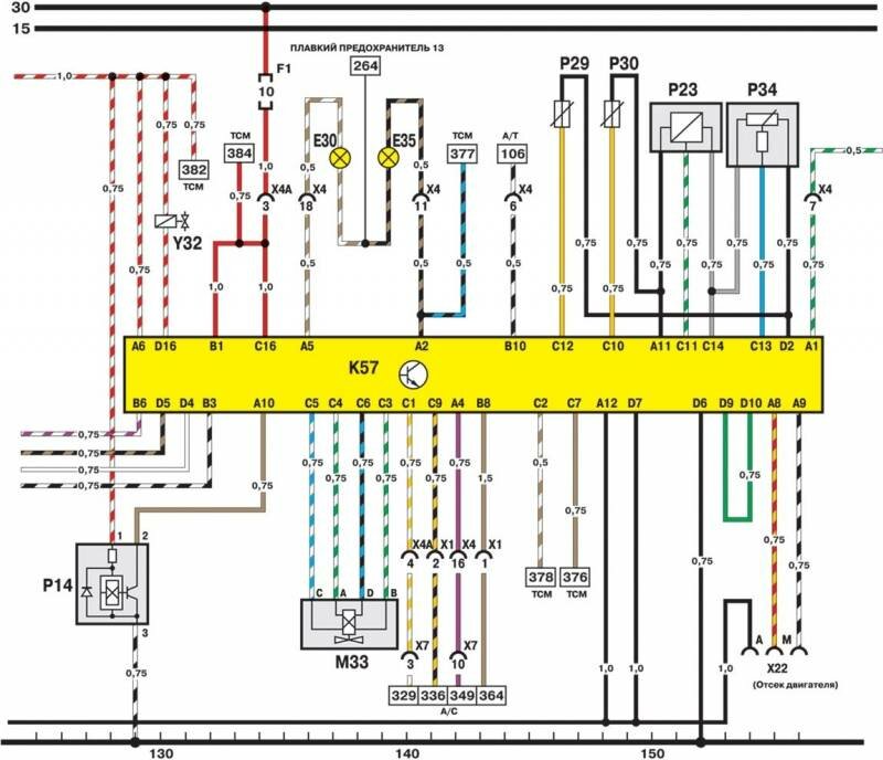
Y32........Инжекторный клапан – TBI
Y30........Контрольный индикатор двигателя
Y35........Индикатор смещения вверх
М33........Шаговый двигатель контроля воздуха на холостом ходу (IAC)
Р14........Датчик скоростей – скорость автомобиля
Р23........Вакуумный датчик – заборный патрубок
Р29........Температурный датчик – температура заборного патрубка
Р30........Температурный датчик – охлаждающая жидкость
Р34........Датчик положения дроссельного клапана
К57........Контрольный узел – TBI
Х22........Соединитель диагностической линии (ALDL)
Электросхема Daewoo Espero (Дэу Эсперо) 3

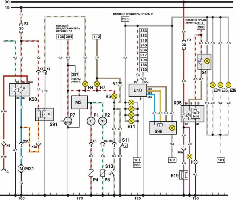
М21........Топливный насос
К58........Реле топливного насоса
S91........Переключатель давления масла – TBI
Р7........Тахометр Дэу Эсперо
F25........Регулятор напряжения
К95........Реле таймера – обогреватель заднего окна
V1........Диод Дэу Эсперо
Е11........Осветительная лампа приборного щитка
Е19........Обогреватель заднего окна
Е34–36........Контрольная лампа обогревателя
Y4........Лампа аварийной сигнализации давления масла в двигателе
Y5........Лампа аварийной сигнализации тормозной системы
Y7........Лампа аварийной сигнализации генератора переменного тока
Y33........Индикаторная лампа обогревателя заднего окна
Р1........Топливный датчик
Р2........Температурный датчик
Р4........Топливный датчик – топливный бак
Р5........Температурный датчик – охлаждающая жидкость
U10........Узел контроля освещения
S99........Переключатель контроля освещения
S4........Переключатель обогревателя заднего окна
S11........Переключатель тормозной жидкости
S13........Переключатель стояночного тормоза
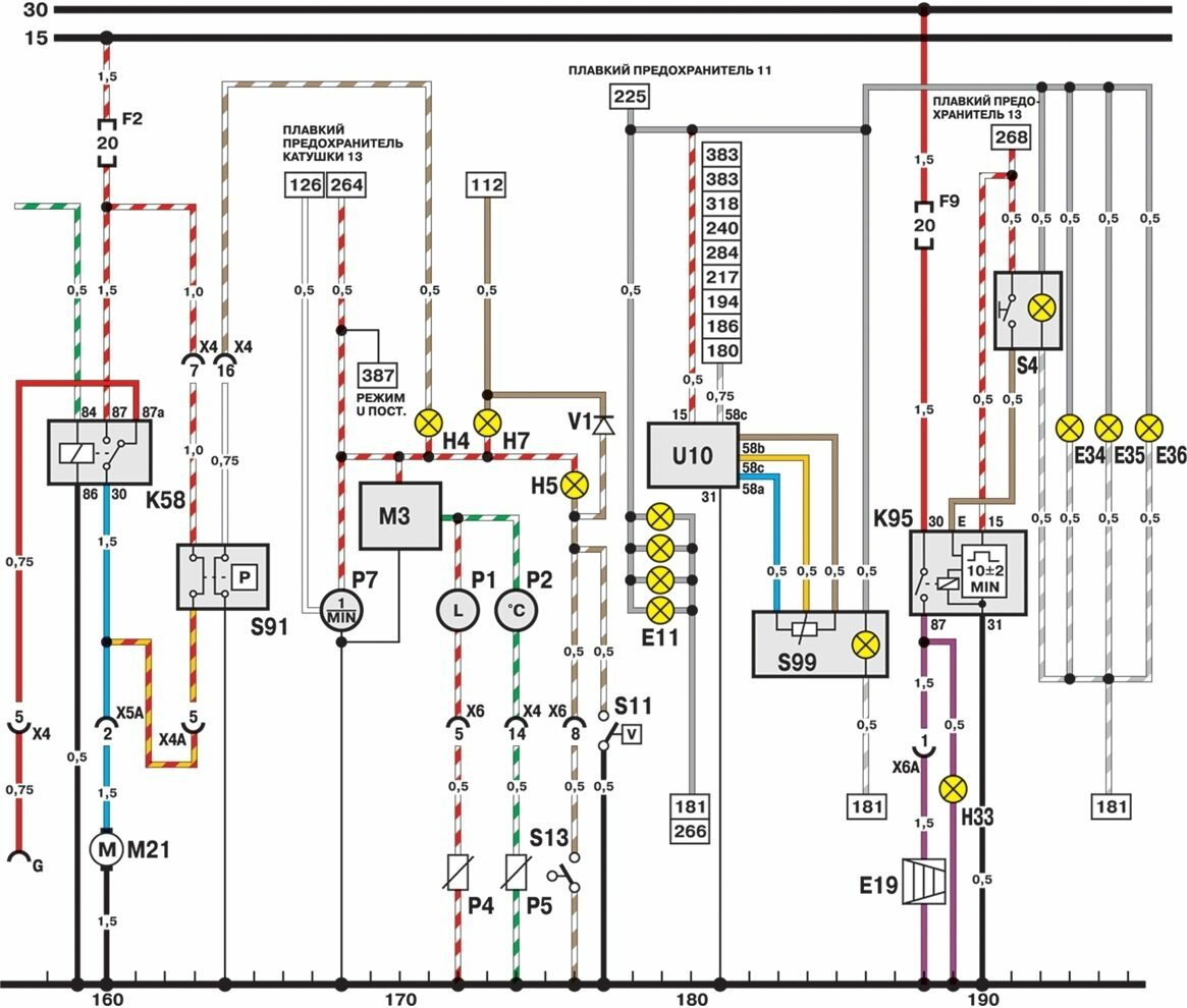
Электросхема Daewoo Espero (Дэу Эсперо) 4
М3........Мотор нагнетателя – обогреватель
S3........Переключатель-нагнетатель,
обогреватель
Е1........Стояночная фара (передняя левая)
Е2........Хвостовая фара (задняя левая)
Е3........Лампа освещения номера автомобиля
Е4........Стояночная фара (передняя правая)
Е5........Хвостовая фара (задняя правая)
Е7........Передняя фара дальнего света (левая)
Е8........Передняя фара дальнего света (правая)
Е9........Передняя фара ближнего света (левая)
Е10........Передняя фара ближнего света (правая)
Е20........Противотуманная фара (левая)
Е21........Противотуманная фара (правая)
Е38........Переключатель – противотуманная фара
Y8........Индикатор дальнего света передних фар
Y31........Лампочка сигнала поворота (передняя левая)
Y32........Лампочка сигнала поворота (передняя правая)
S2.1........Переключатель фар Daewoo Espero
S5.2........Переключатель регулятора освещенности
S21........Переключатель противотуманных фар
К5........Реле противотуманных фар
К40........Реле передних фар
К41........Реле хвостовых фар
Электросхема Daewoo Espero (Дэу Эсперо) 5

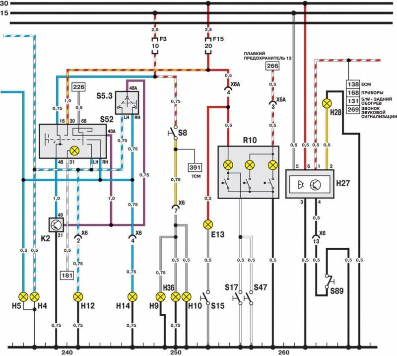
Е13........Лампа основного салона
Н4........Индикатор сигнала поворота (левый)
Н5........Индикатор сигнала поворота (правый)
Н6........Аварийный мигающий индикатор
Н9........Фара остановки (левая)
Н10........Фара остановки (правая)
Н12........Лампочка сигнала поворота (задняя левая)
Н14........Лампочка сигнала поворота (задняя правая)
Н27........Аварийный звонок звуковой сигнализации
Н28........Устройство передачи аварийных сигналов ремней безопасности
Y36........Верхняя фара остановки
S5.3........Переключатель лампочки сигнала поворота
S8........Переключатель фары остановки (М/Т)
S15........Переключатель лампы основного салона
S17........Переключатель двери (передней правой)
S47........Переключатель двери (передней левой)
S52........Переключатель мигающей аварийной сигнализации
S89........Переключатель ремней безопасности
R10........Лампа салона
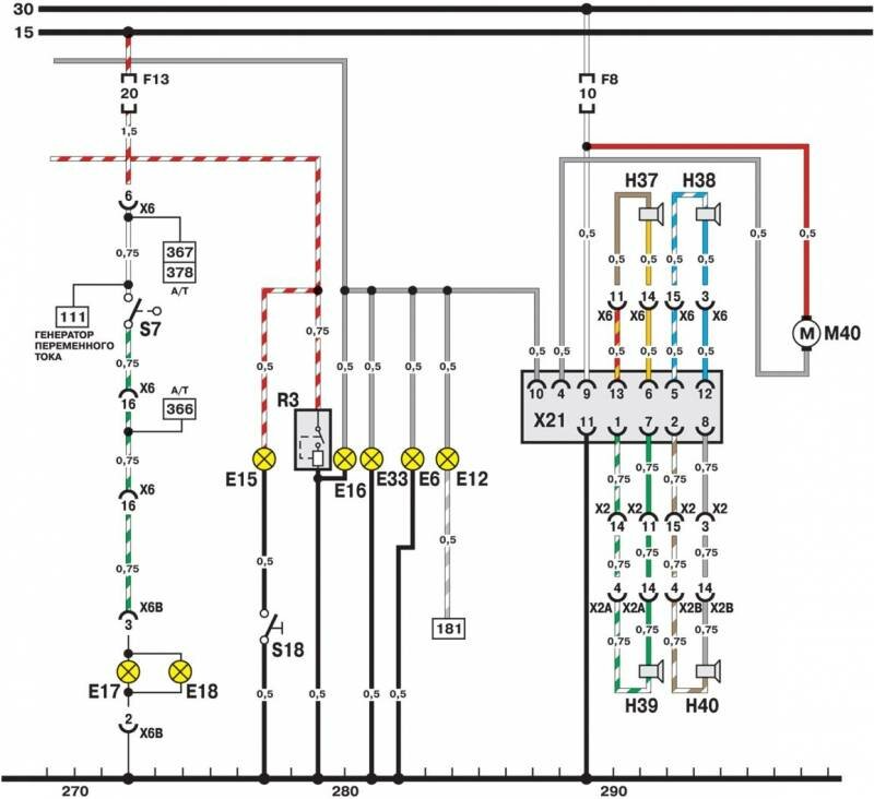
Электросхема Daewoo Espero (Дэу Эсперо) 6

Е6........Лампа отсека двигателя
Е12........Лампа рычага селектора (А/Т)
Е15........Лампа вещевого ящика
Е16........Лампочка зажигалки
Е17........Лампа реверса – левая
Е18........Лампа реверса – правая
Е33........Лампочка пепельницы
Н37........Громкоговоритель – задний левый
Н38........Громкоговоритель – задний правый
Н39........Громкоговоритель – передней двери, левый
Н40........Громкоговоритель – передней двери, правый
М40........Автоантенна
R3........Зажигалка Daewoo Espero
S7........Переключатель лампы реверса (М/Т)
S8........Переключатель вещевого ящика
Х21........Радиосоединитель (13 штифтов)
Электросхема Daewoo Espero (Дэу Эсперо) 7

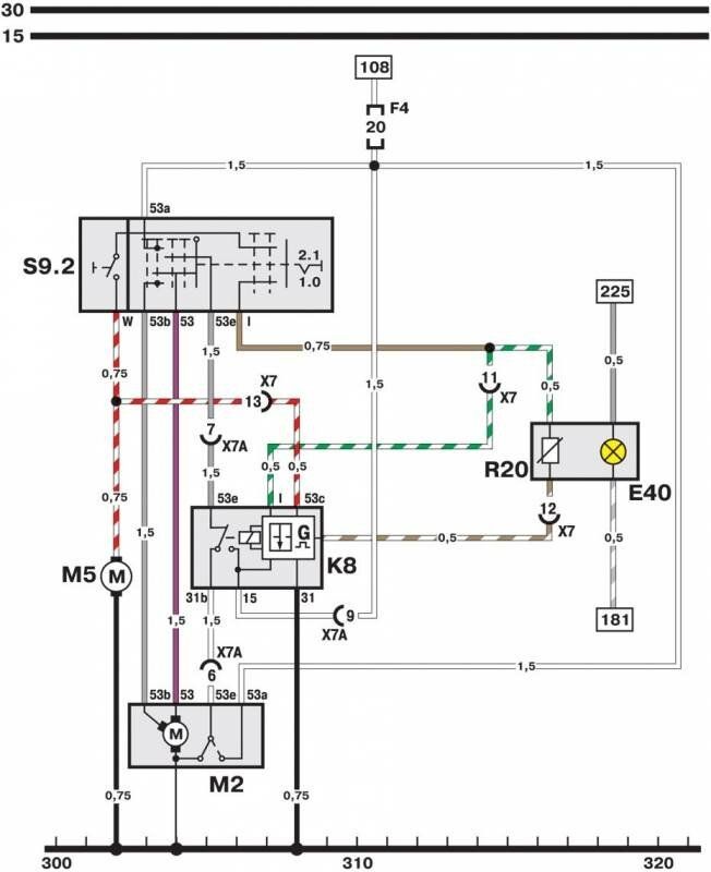
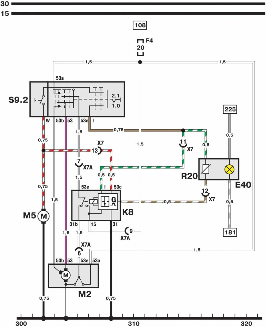
К8........Контрольное реле времени стеклоочистителя
М2........Мотор стеклоочистителя Daewoo Espero
М5........Мотор протирочно-моечного устройства
R20........Переключатель контроля времени стеклоочистителя
Е40........Лампочка переключателя контроля времени стеклоочистителя
S9.2........Переключатель стеклоочистителя
Цоколевка соединителей жгутов проводов автомобиля

РЕМОНТ АВТОЭЛЕКТРОНИКИ ЗАРЯДНЫЕ УСТРОЙСТВА ДЛЯ АКБ

|