Электрические принципиальные схемы различных частей автомобиля Dodge Stratus. Полное описание - схему соединения жгутов, управления двигателем авто и т.д. смотрите тут. Для увеличения изображения кликните на схему и увеличьте на весь экран компьютера. Все материалы предоставлены бесплатно и предназначены для самостоятельного ремонта электрооборудования Dodge Stratus. А здесь остальные модули и узлы автомобиля Додж Стратус.
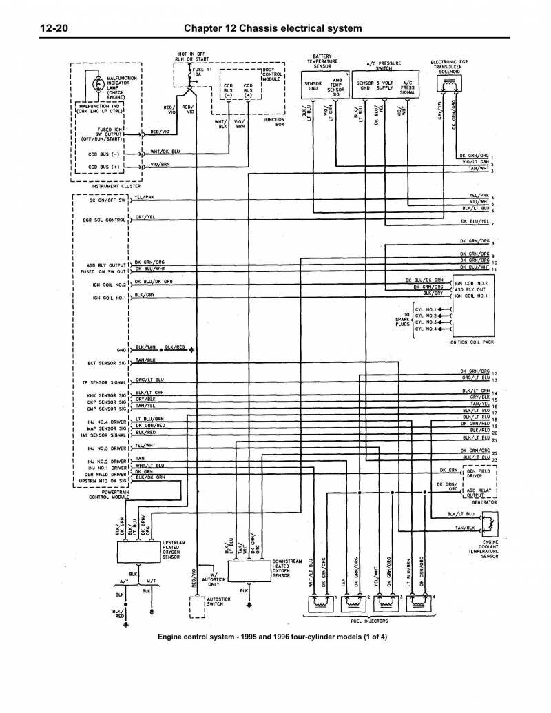
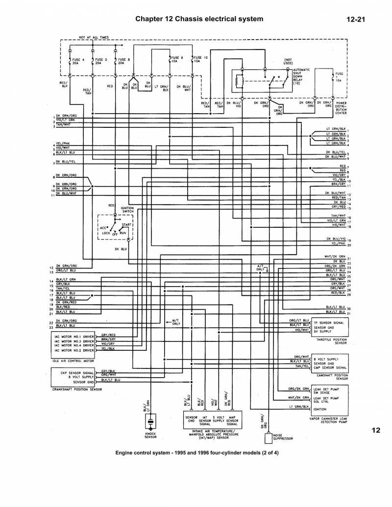
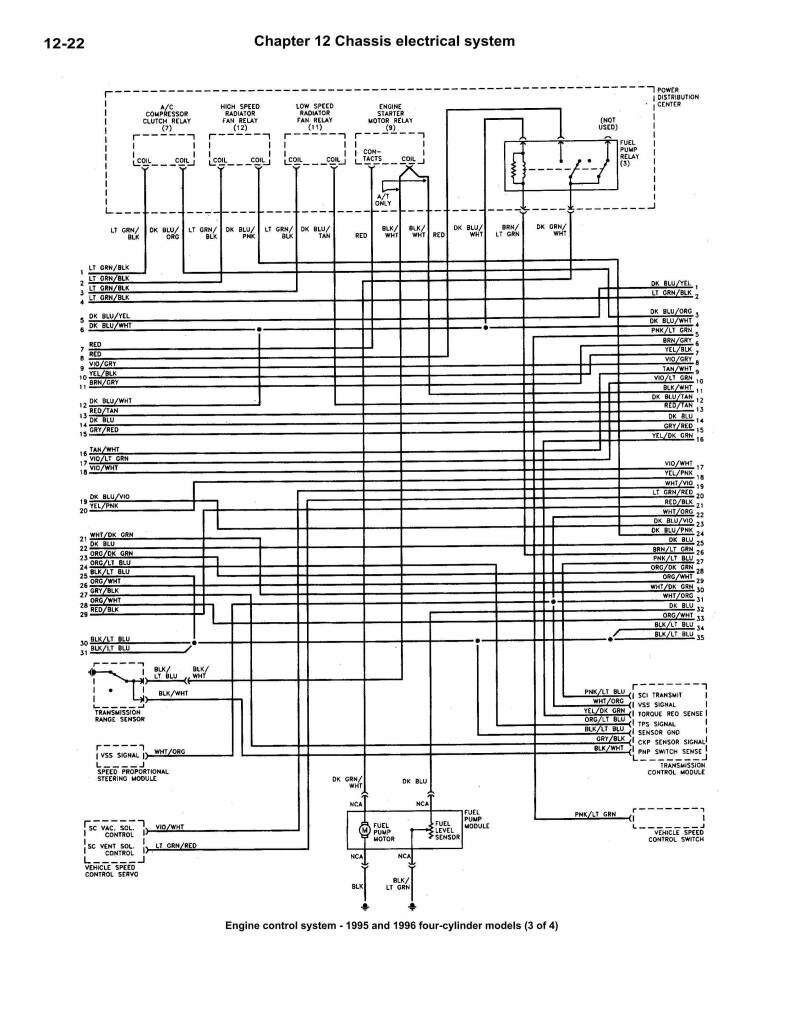
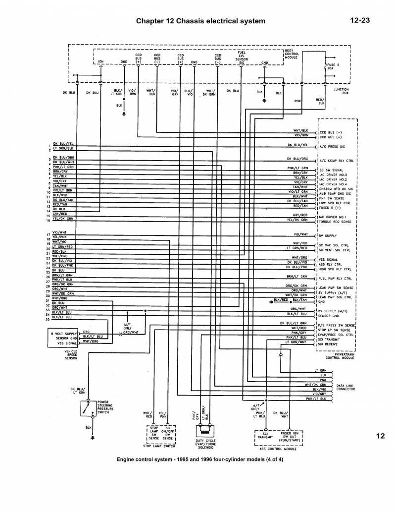
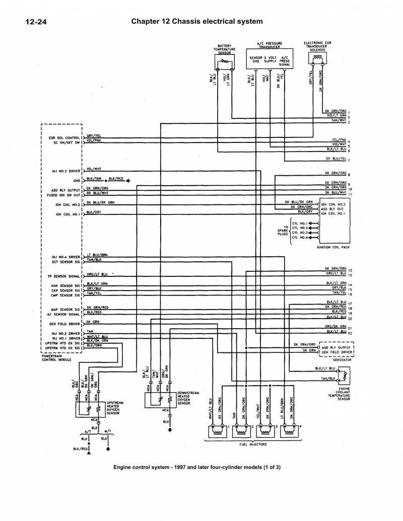
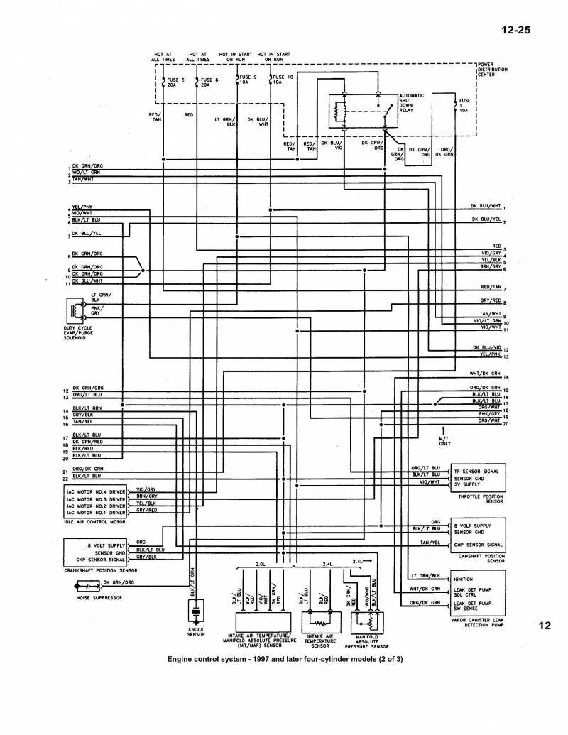
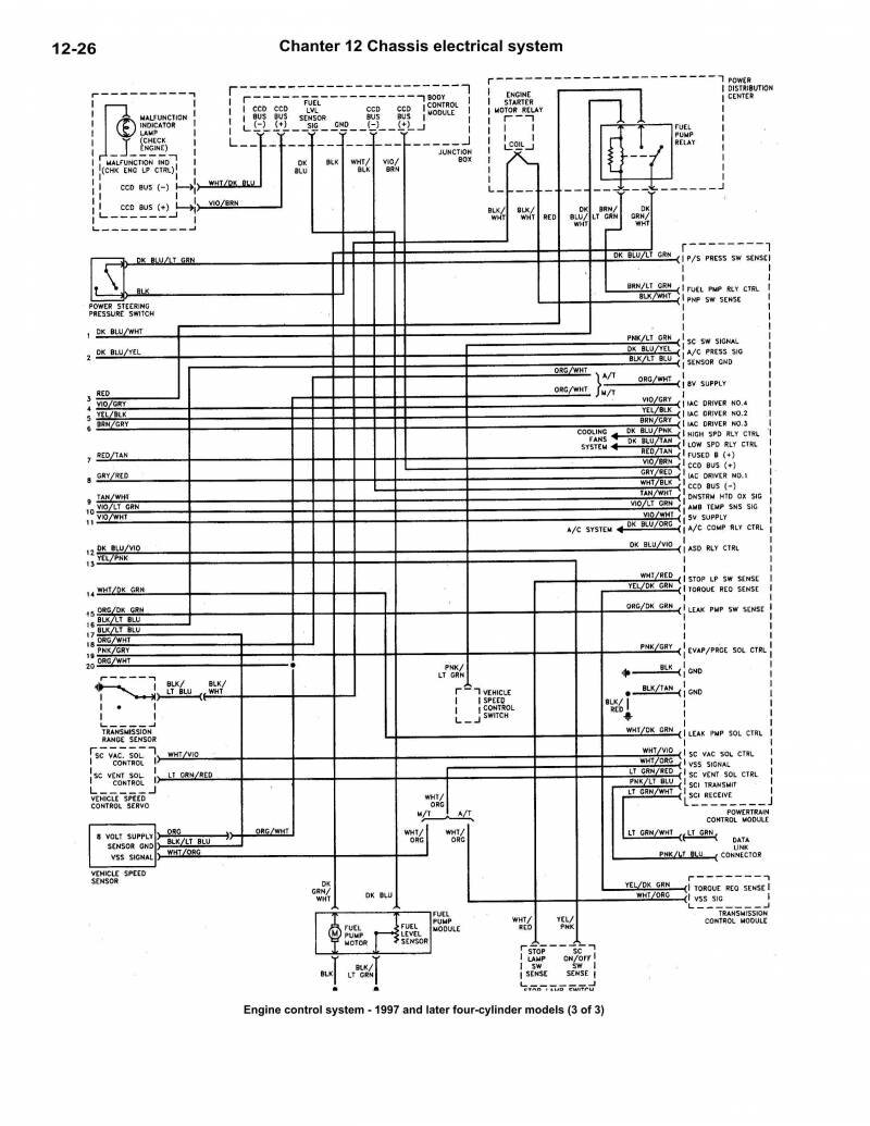
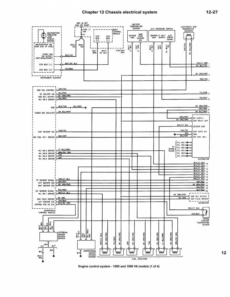
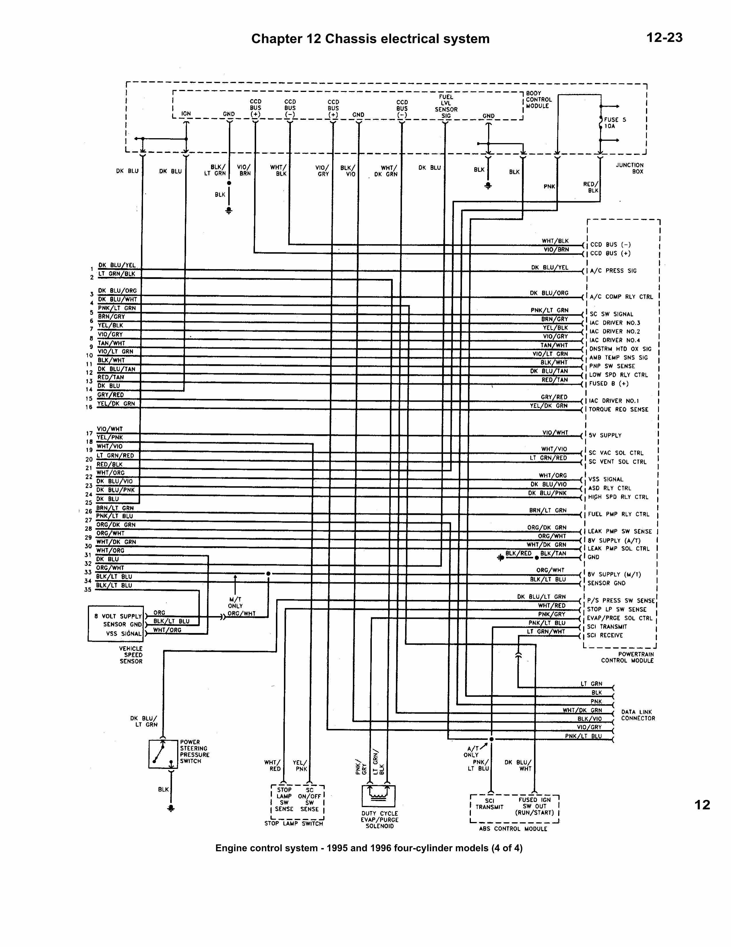
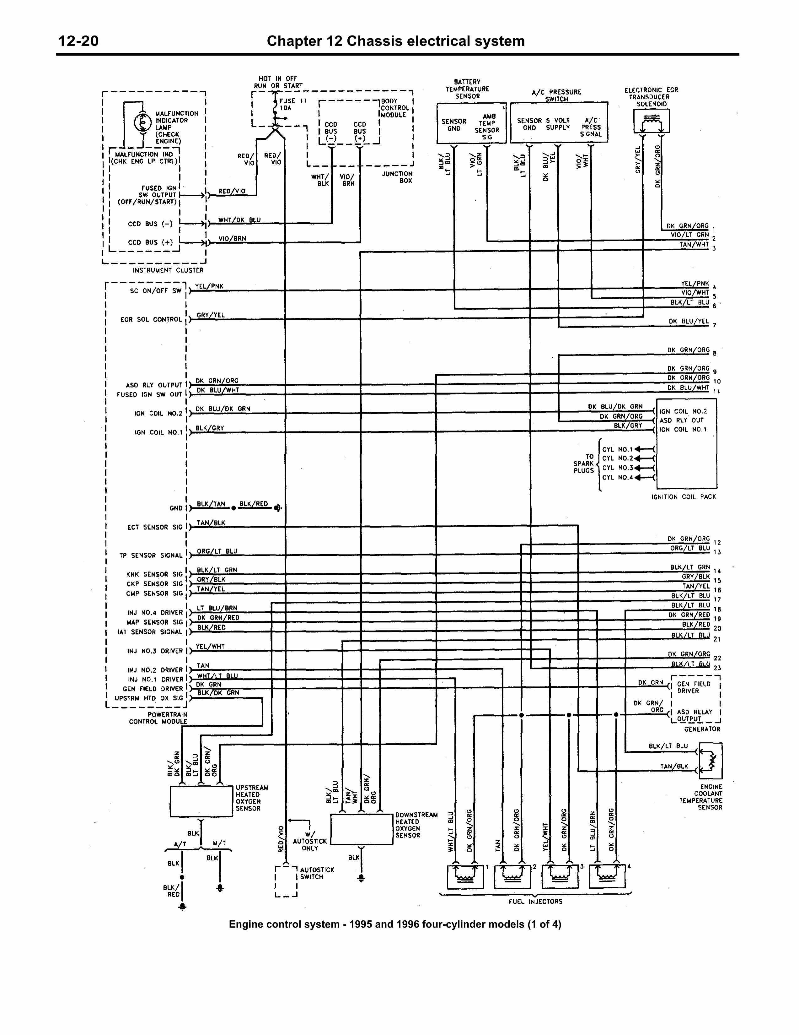
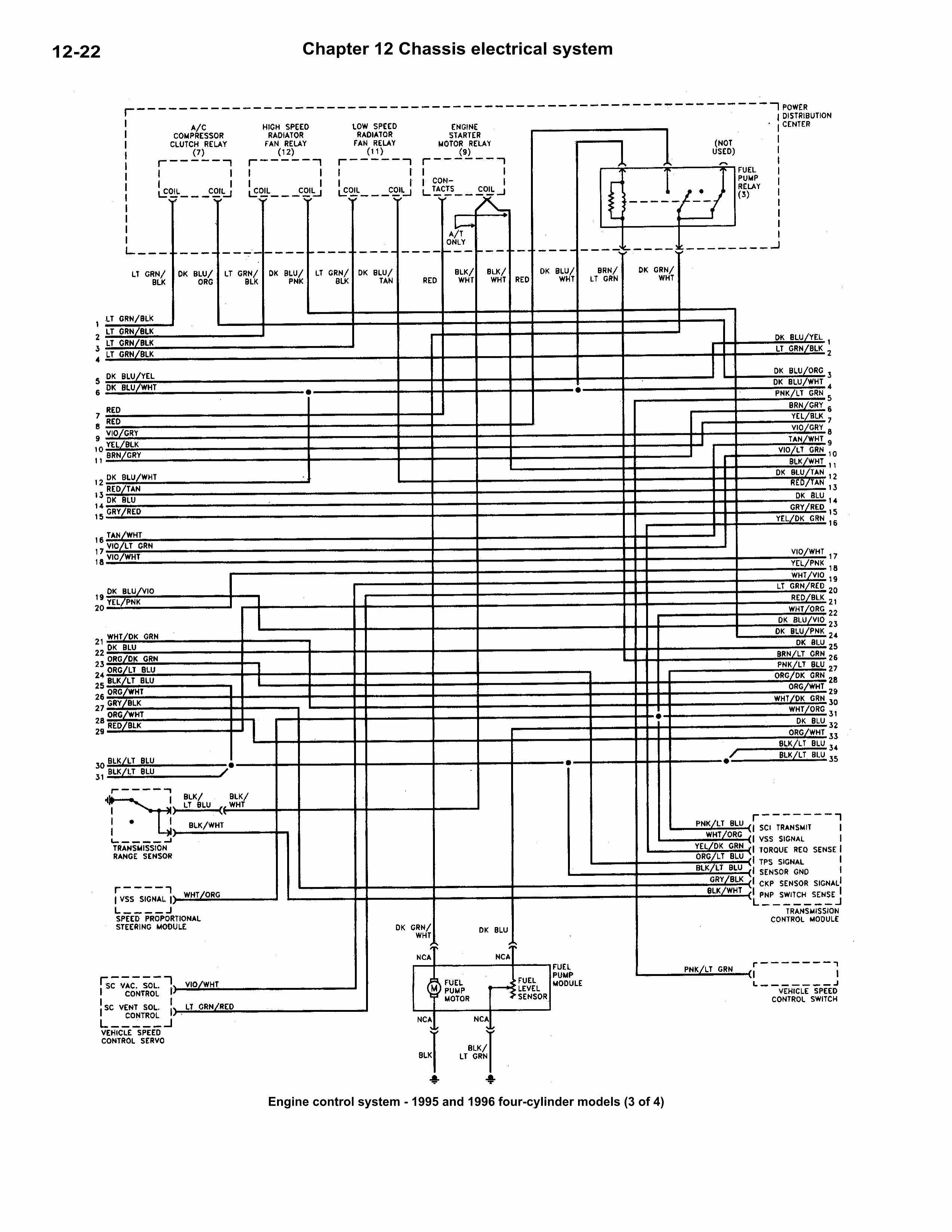
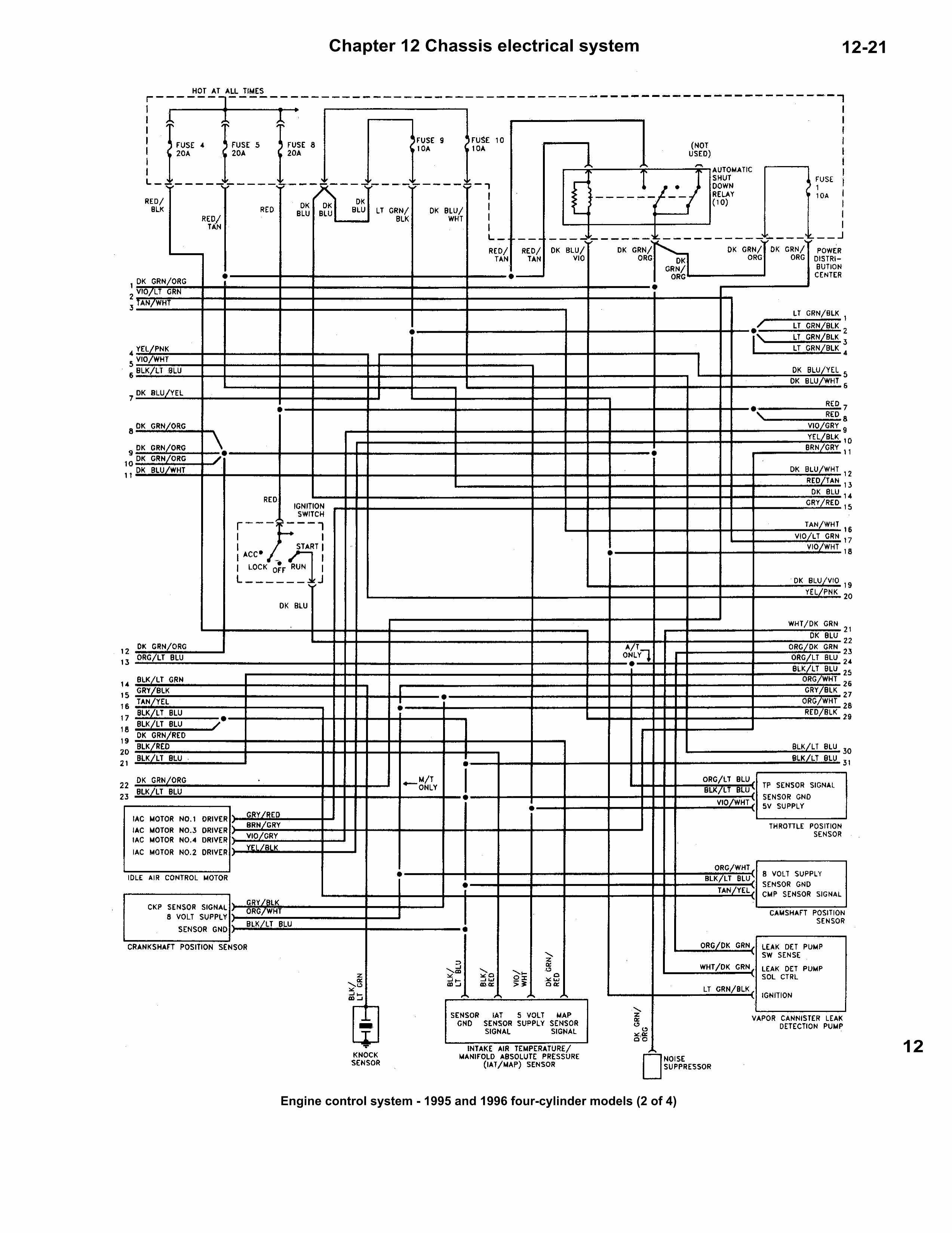
Схема контроля двигателем 4-х цилиндровым Dodge Stratus




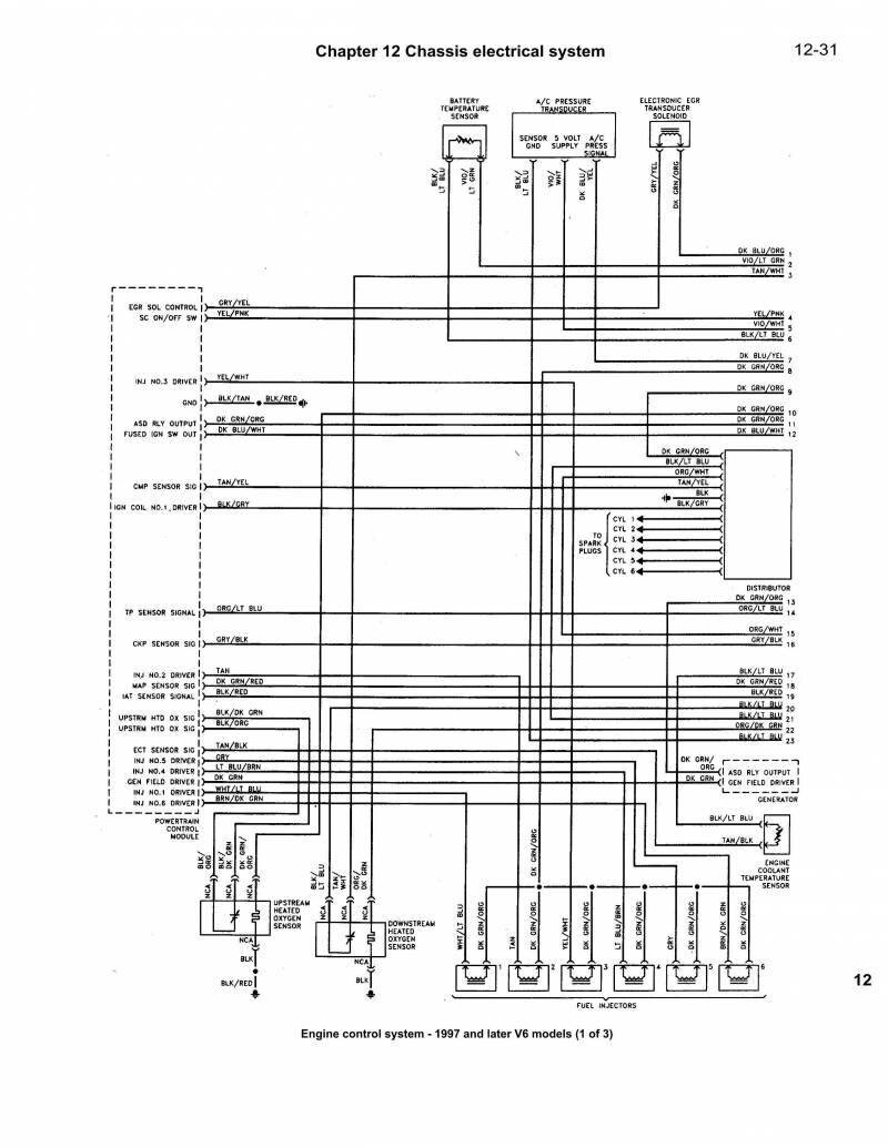
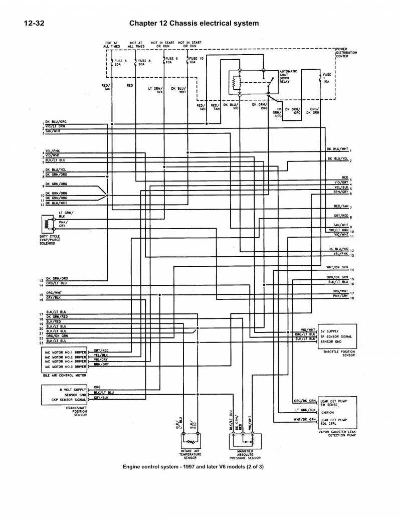
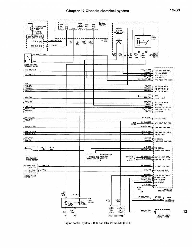
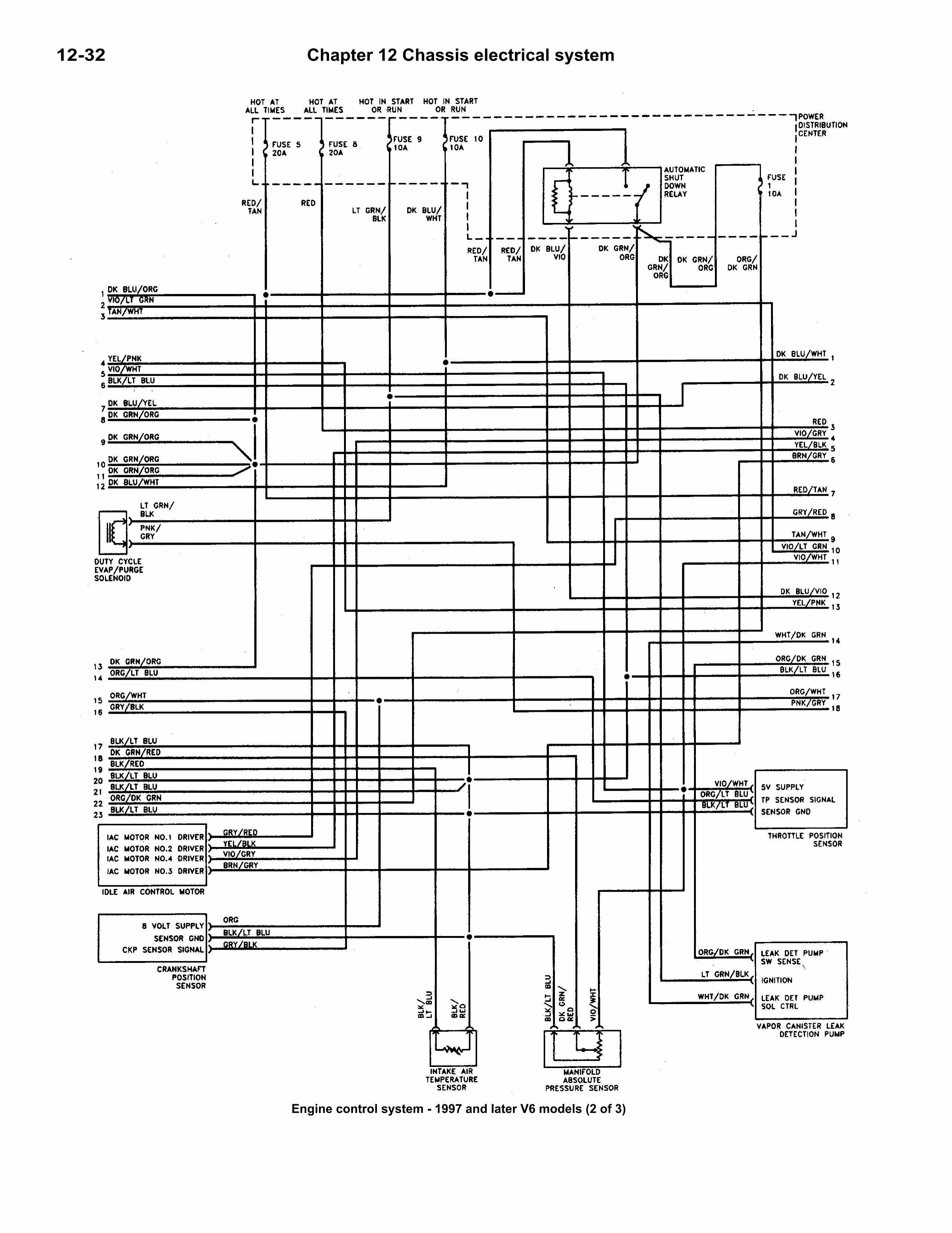
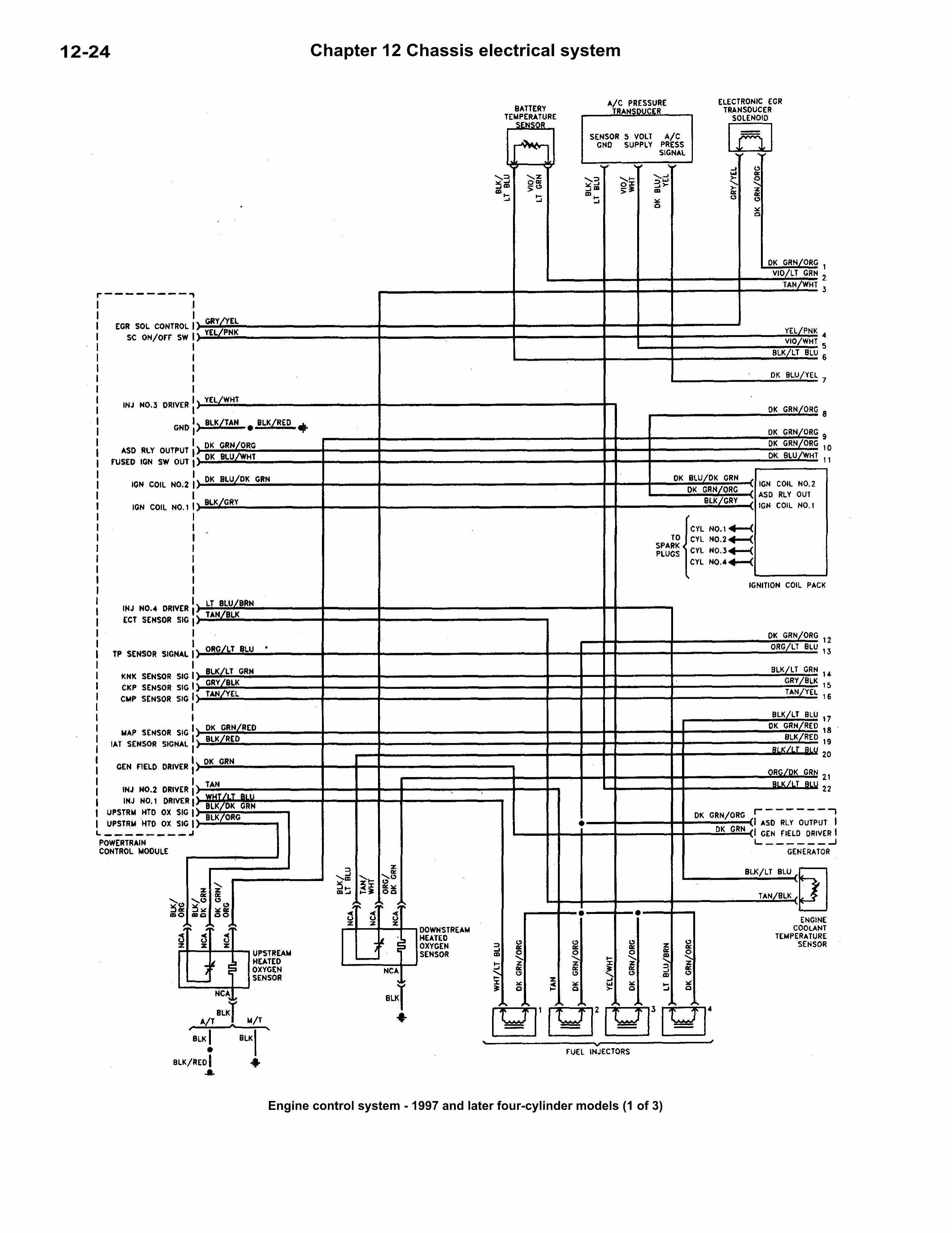
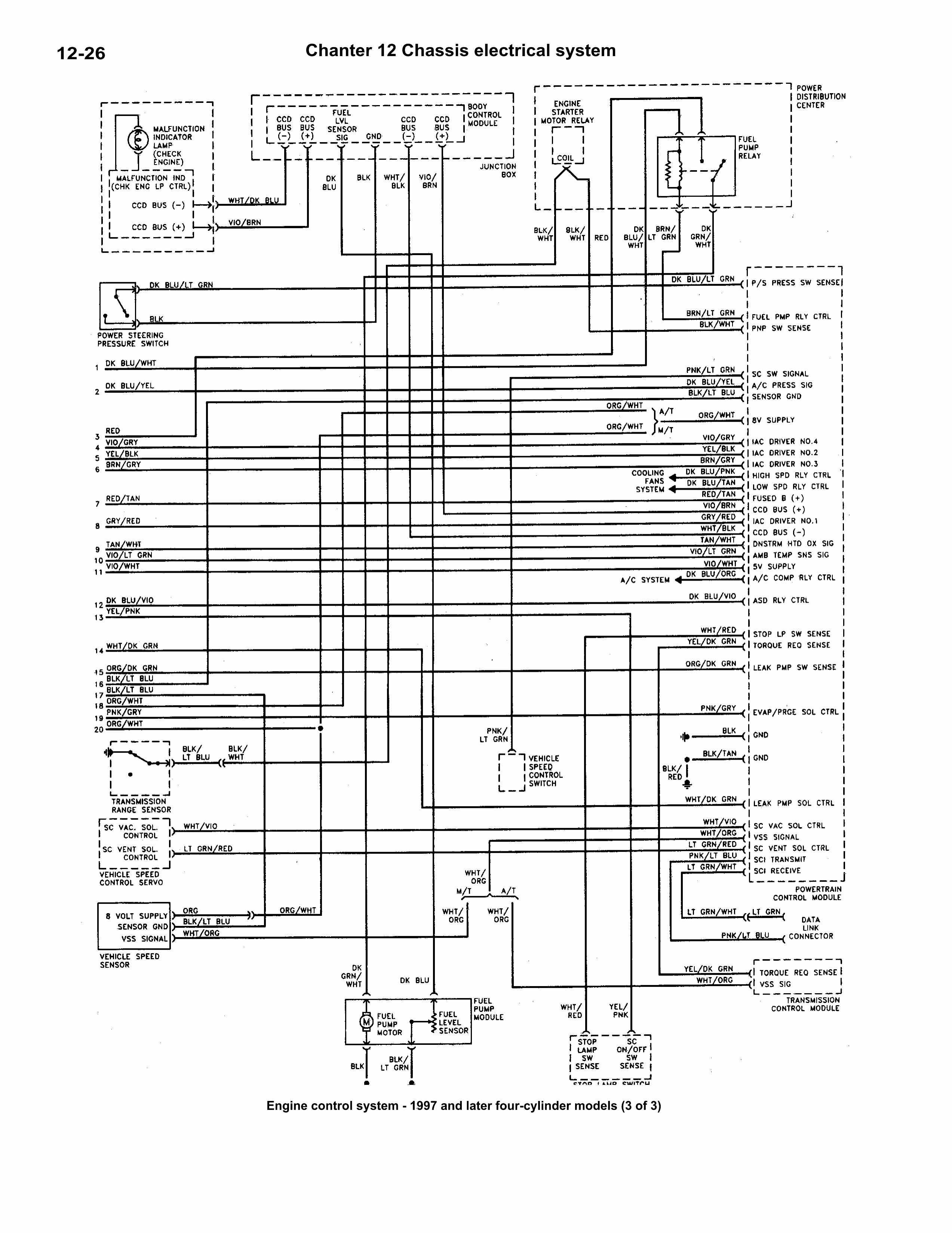
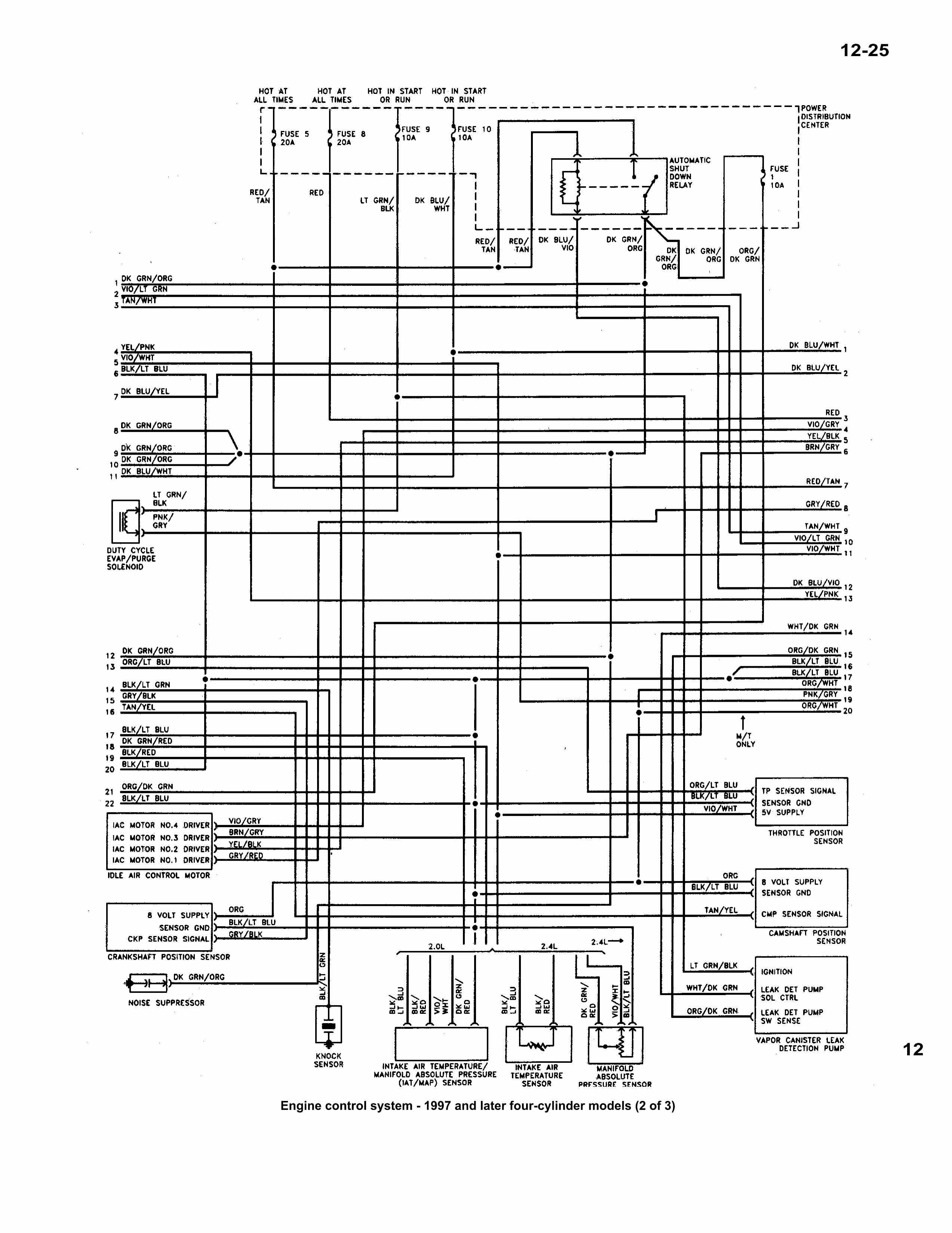
Электросхема управления двигателем для моделей позднее 1997г.



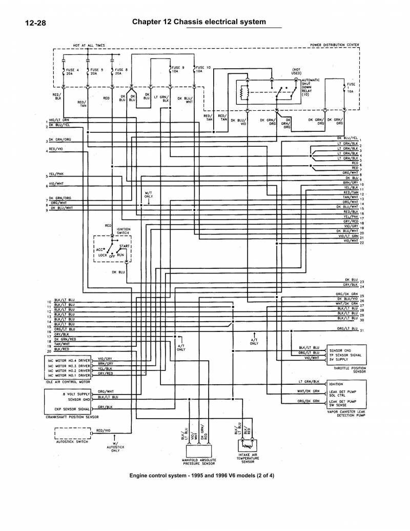
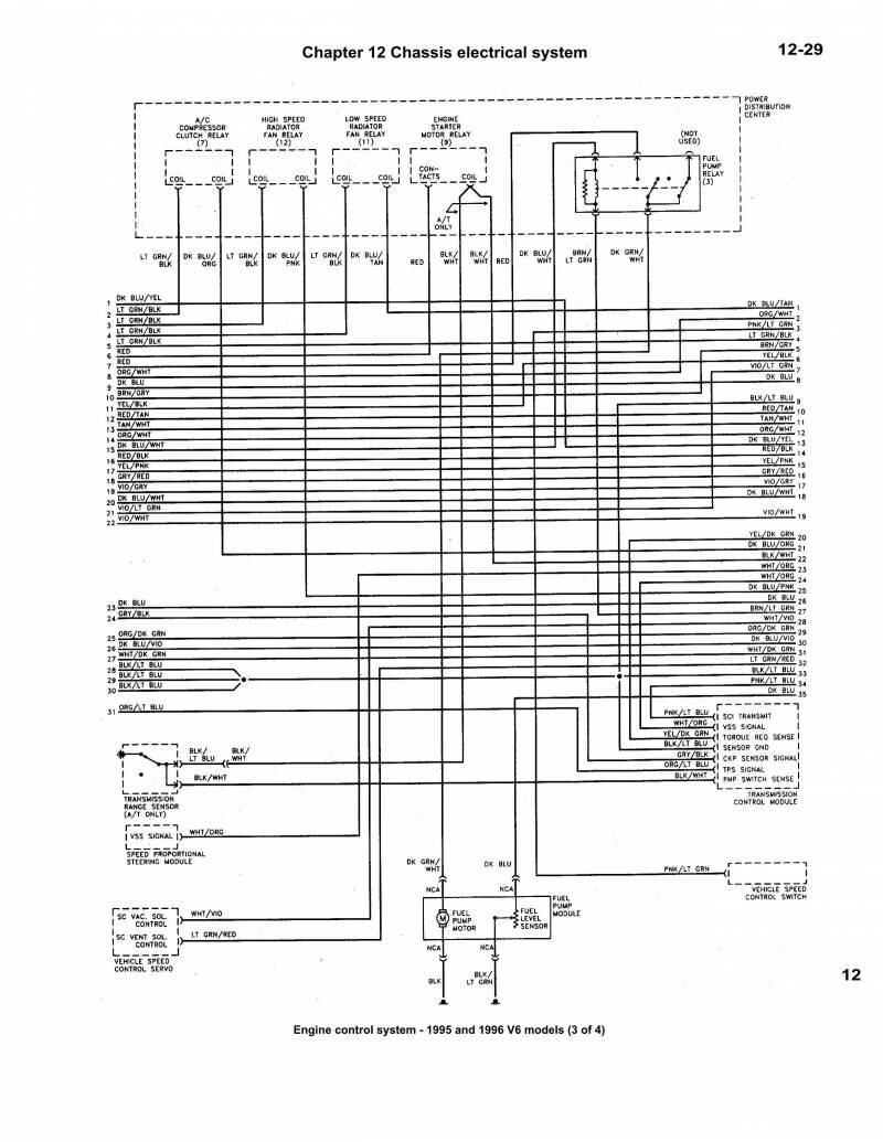
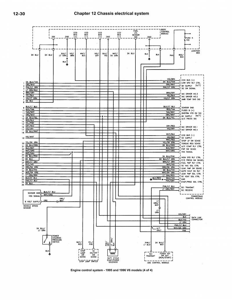
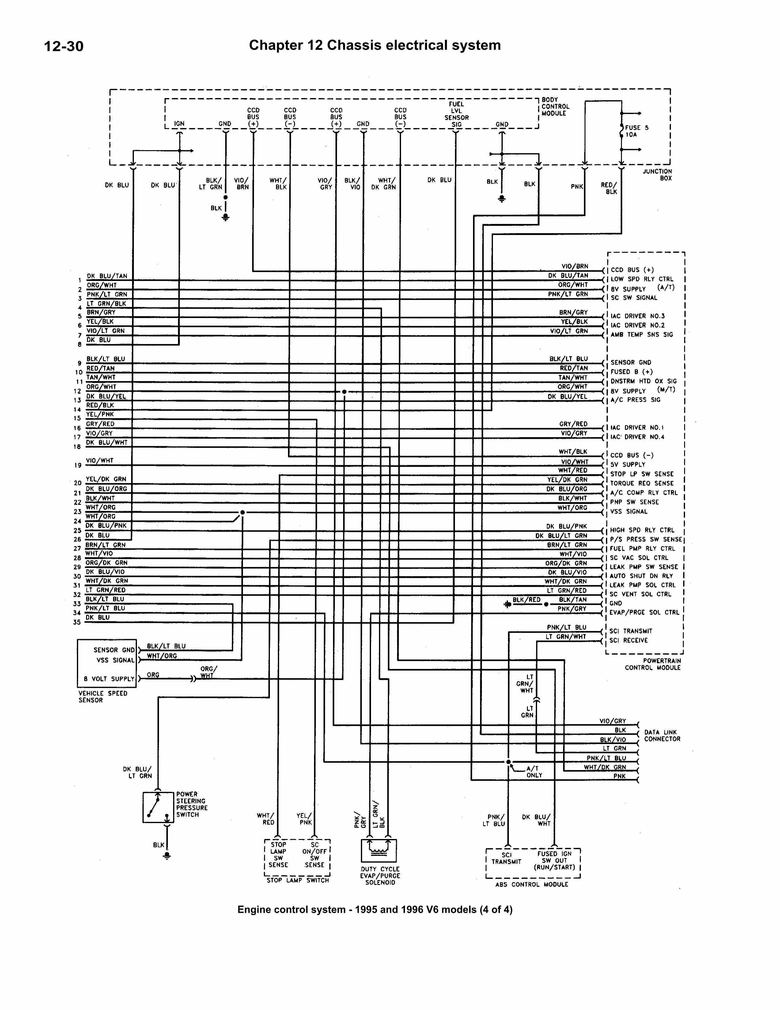
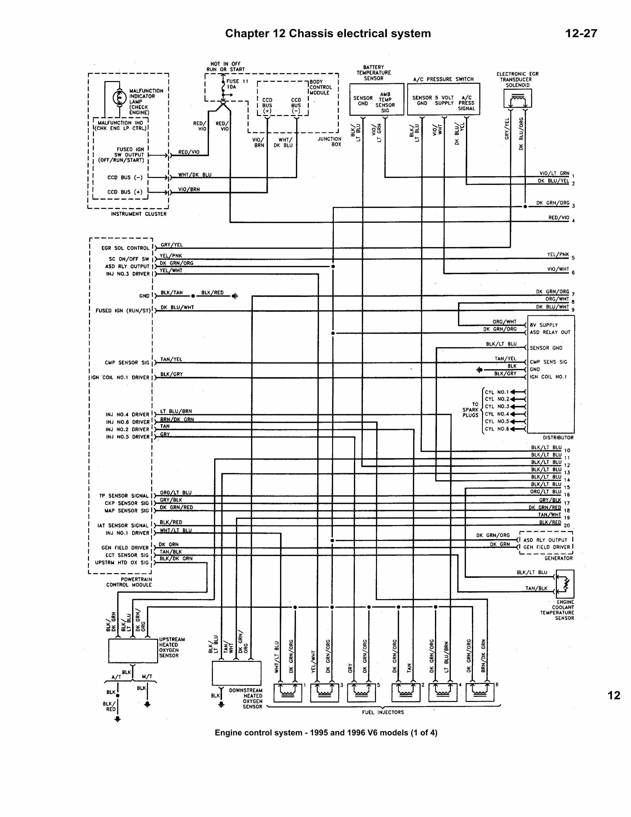
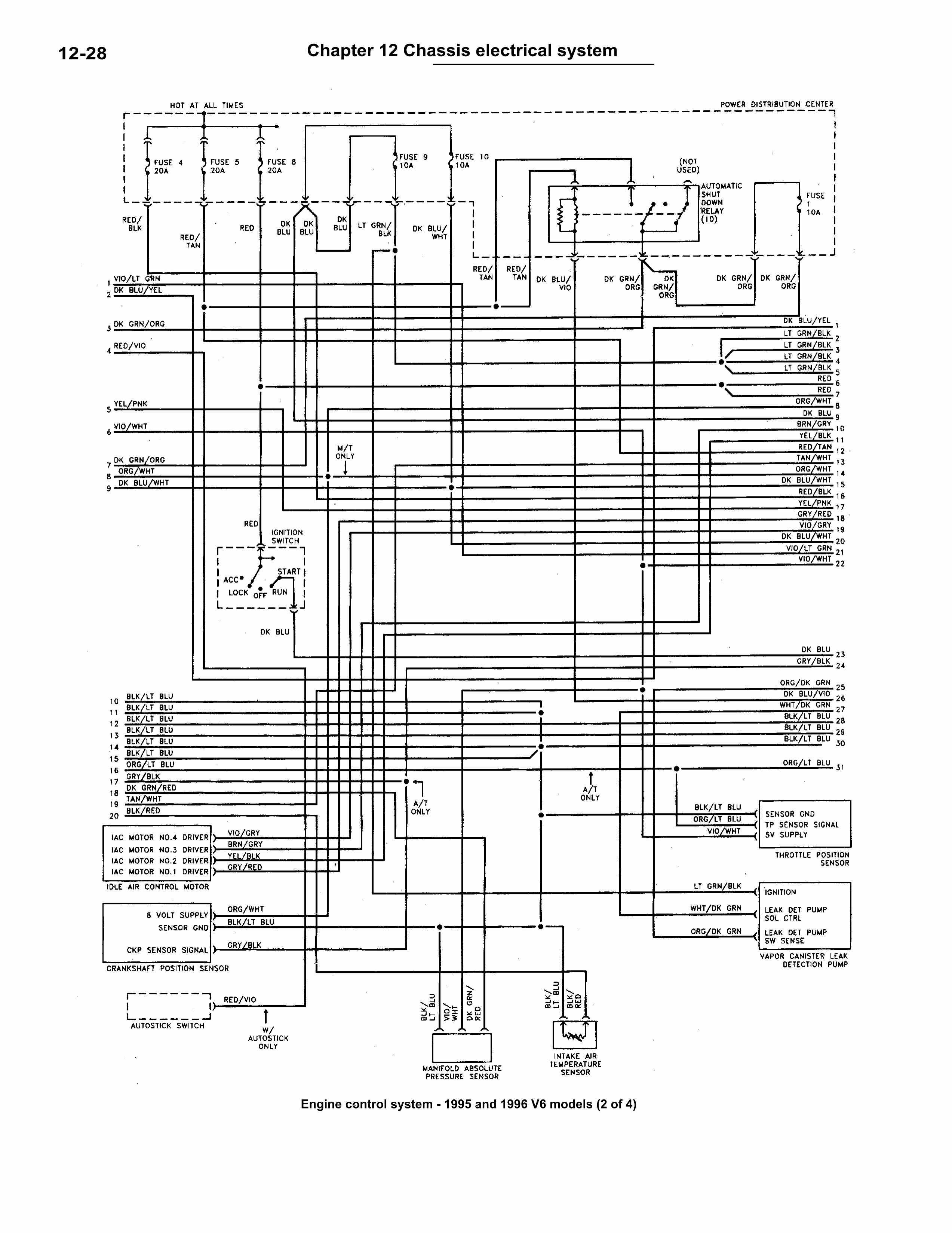
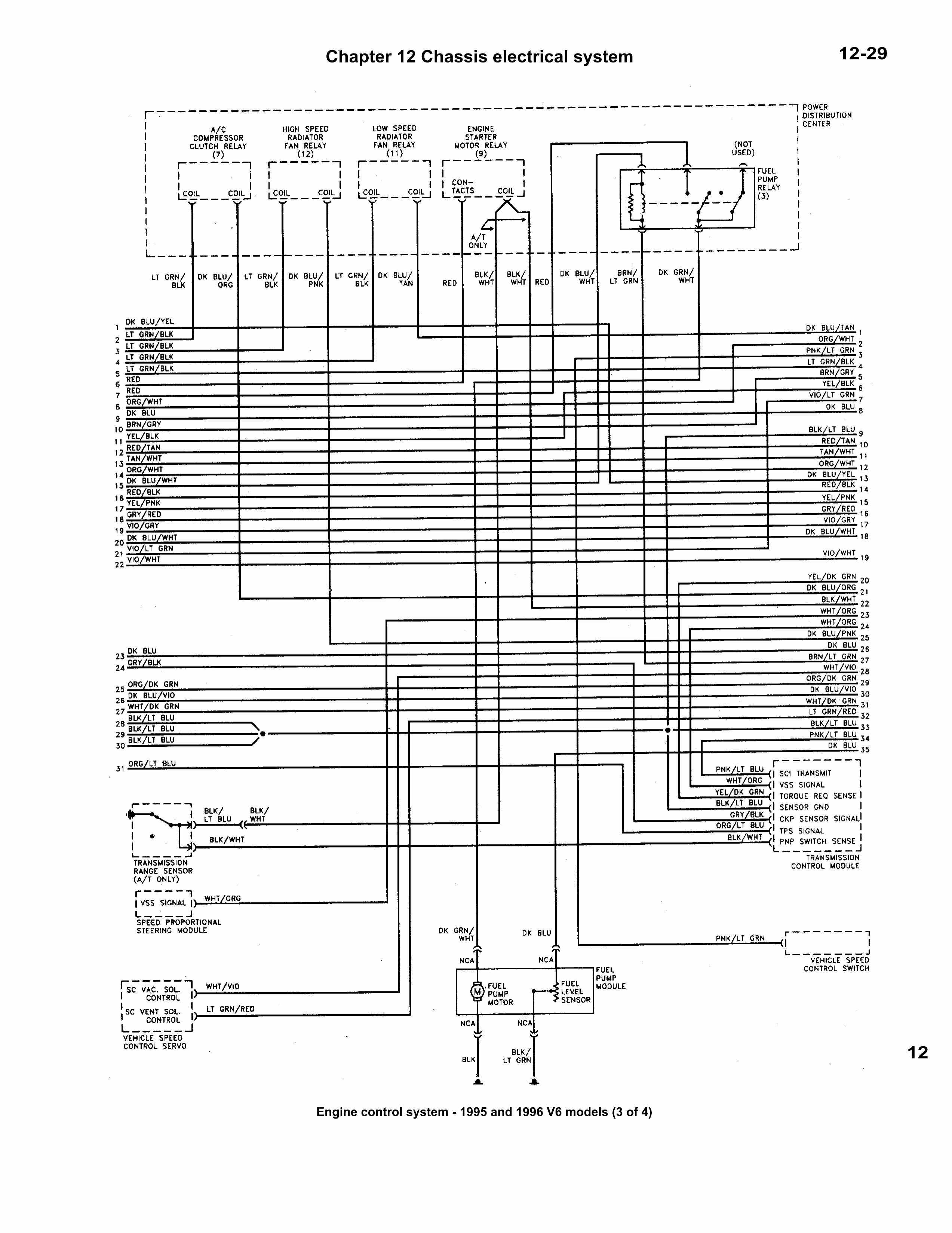
Управление двигателем для моделей V6







РЕМОНТ АВТОЭЛЕКТРОНИКИ ЗАРЯДНЫЕ УСТРОЙСТВА ДЛЯ АКБ

|