Электросхема грузового автомобиля MAN. Для удобства просмотра, схема электрооборудования разделена на модули. Приведена только половина схем, поэтому остальное - схемы распределительного устройства, блока контрольных ламп, укладку кабелей и т.д. вы можете бесплатно скачать в архивах. Дополнительная информация про схемы грузовых авто имеется здесь.
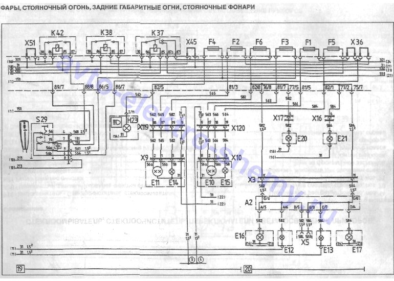
Фары, стояночный огонь, габаритные огни авто


Электросхема блокировки дифференциала, раздаточной коробки MAN


Электросхема звукового сигнала, света фар, воздухоосушителя MAN


Электросхема мигающего светосигнального устройства автомобиля MAN


Схема отопления, вентиляции, прикуривателя и внутреннего освещения авто


Схема стеклоомывателя, стеклоочистителя, переключателя света и освещения приборов МАН


Электросхема противотуманных фар грозового автомобиля MAN


РЕМОНТ АВТОЭЛЕКТРОНИКИ ЗАРЯДНЫЕ УСТРОЙСТВА ДЛЯ АКБ

|