Принципиальные схемы электрооборудования автомобиля ВОЛЬВО ХС 90 с 2002 (двигатели типов бензин 2,5, 2,9, 3,2, 4,4 л и дизель 2,4). Начало сборника схем данного авто находится здесь. А тут вы можете посмотреть схемы фар и блока предохранителей. В Volvo 90 были разработаны активные биксеноновые фары, способные следовать направлению поворота автомобиля. Такие фары значительно повышают видимость в темное время. Процессор получает данные о различных параметрах движения автомобиля, проводит их анализ и настраивает систему для оптимального освещения дороги. Фары могут поворачиваться под углом до 15 градусов в каждом направлении, таким образом, общий диапазон поворота составляет 30 градусов. Это позволяет лучше и дальше освещать дорогу. Во избежание износа системы в дневное время функция поворота фар автоматически отключается. Ещё предлагается установка камеры для облегчения парковки. Это устройство, цель которого предотвратить наезд на людей при движении задним ходом и облегчить процесс парковки. Камера с большим углом охвата показывает зону сзади автомобиля. Причем система не только позволяет водителю видеть, что происходит сзади автомобиля, но она еще показывает планируемую траекторию движения задним ходом. Изображение выводится на экран навигационной системы, размещенный поверх панели приборов. Угол поля изображения охватывает всю зону за автомобилем, при этом обеспечивается минимальное искажение изображения. На экран выводятся вспомогательные линии, которыми обозначен периметр предполагаемой парковки после завершения требуемых маневров. Эти линии изменяются в зависимости от вращения рулевого колеса, помогая водителю сделать правильный выбор. Камера полностью интегрирована с системами авто.
Схема электрическая центрального замка Вольво ХС90

Система безопастности авто SRS

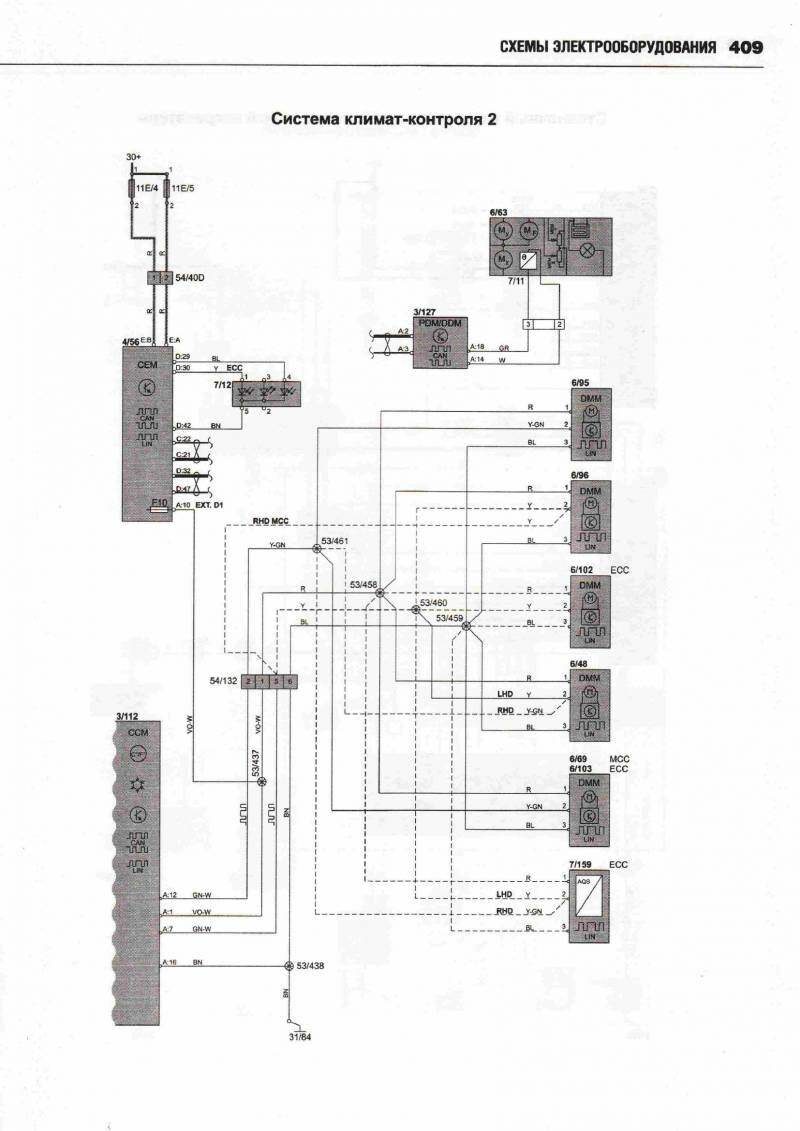
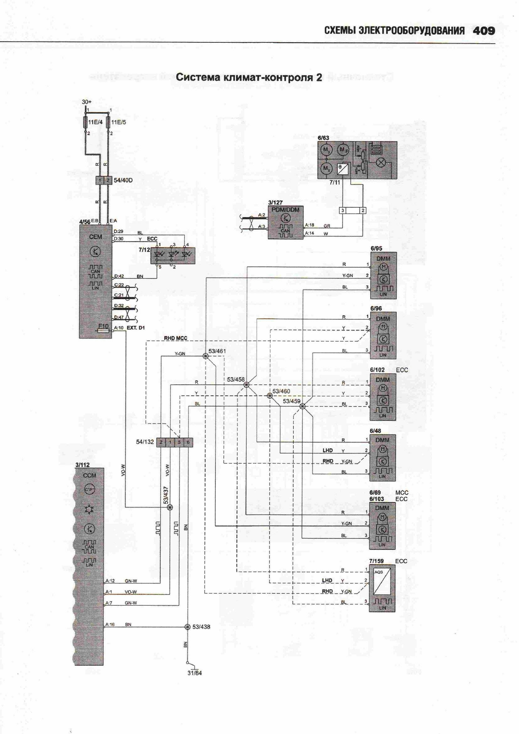
Схема блока климат-контроля


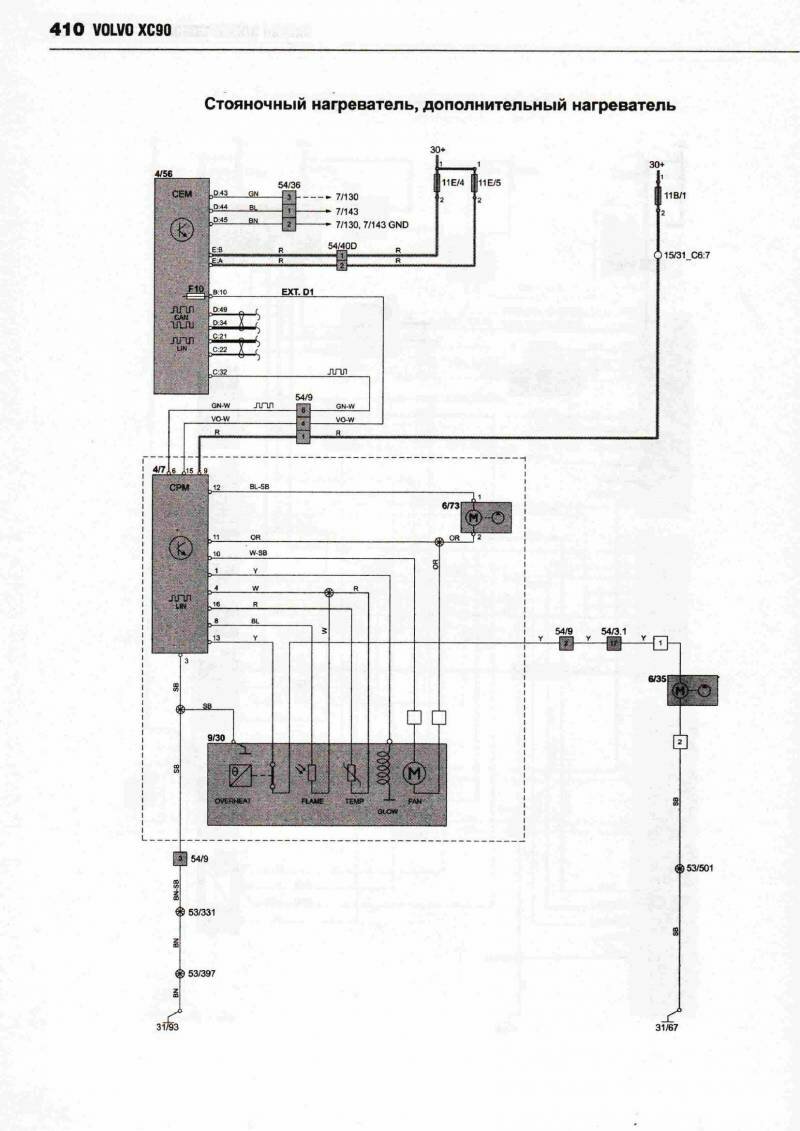
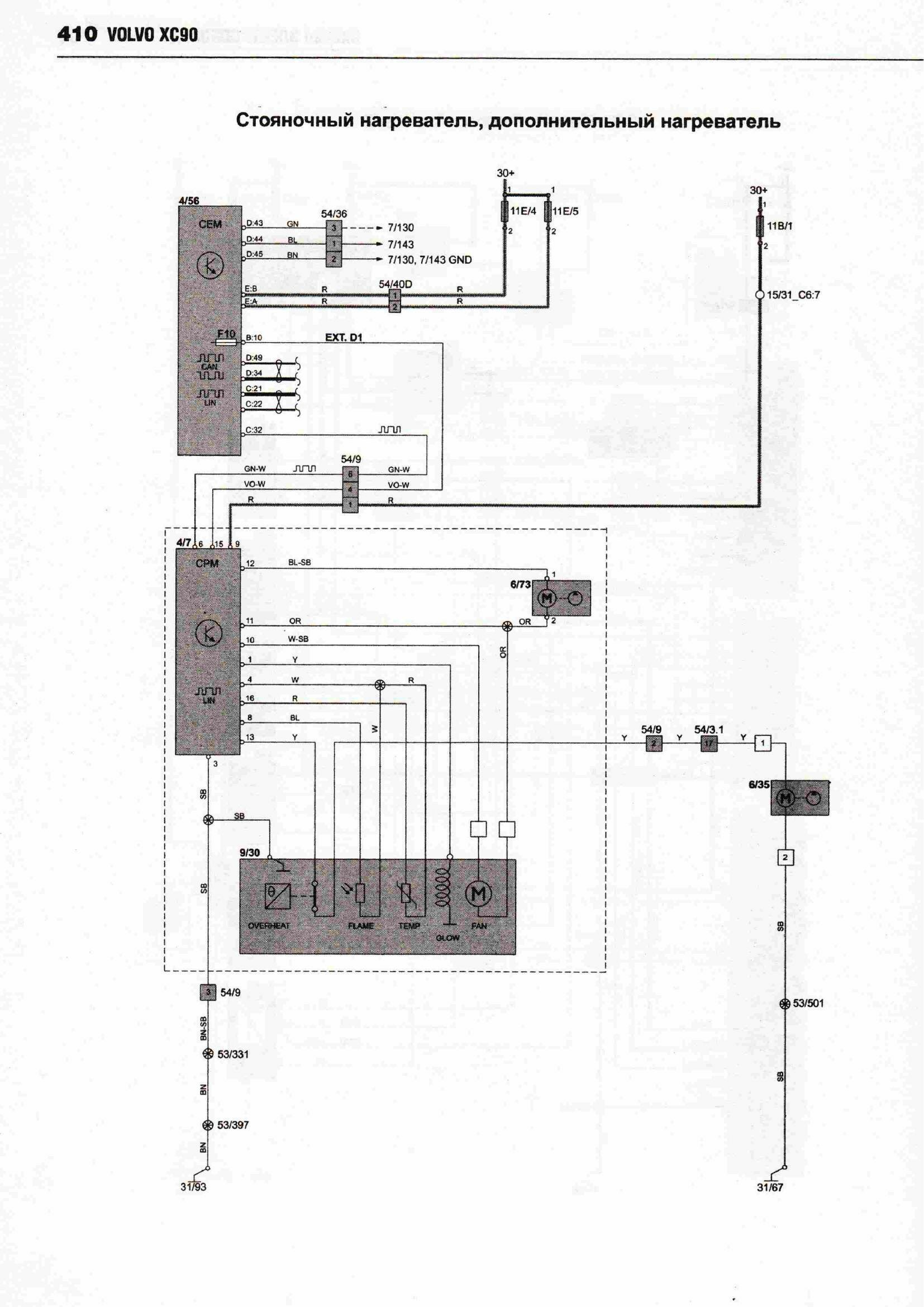
Стояночный и дополнительный нагреватель Volvo XC90

Комбинированный прибор - электросхема

Система помощи при парковке автомобиля

Схема противоугонной сигнализации Вольво 90

Эл.схема датчика дождя

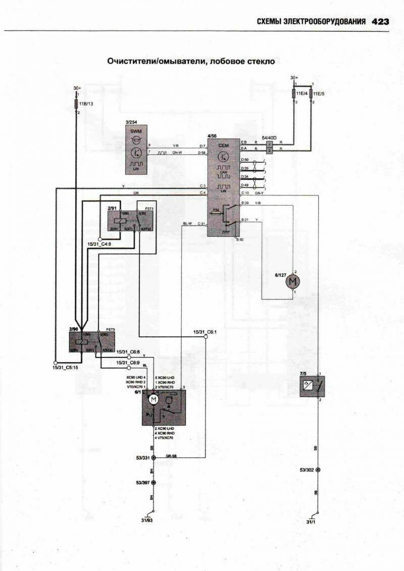
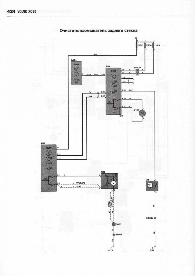
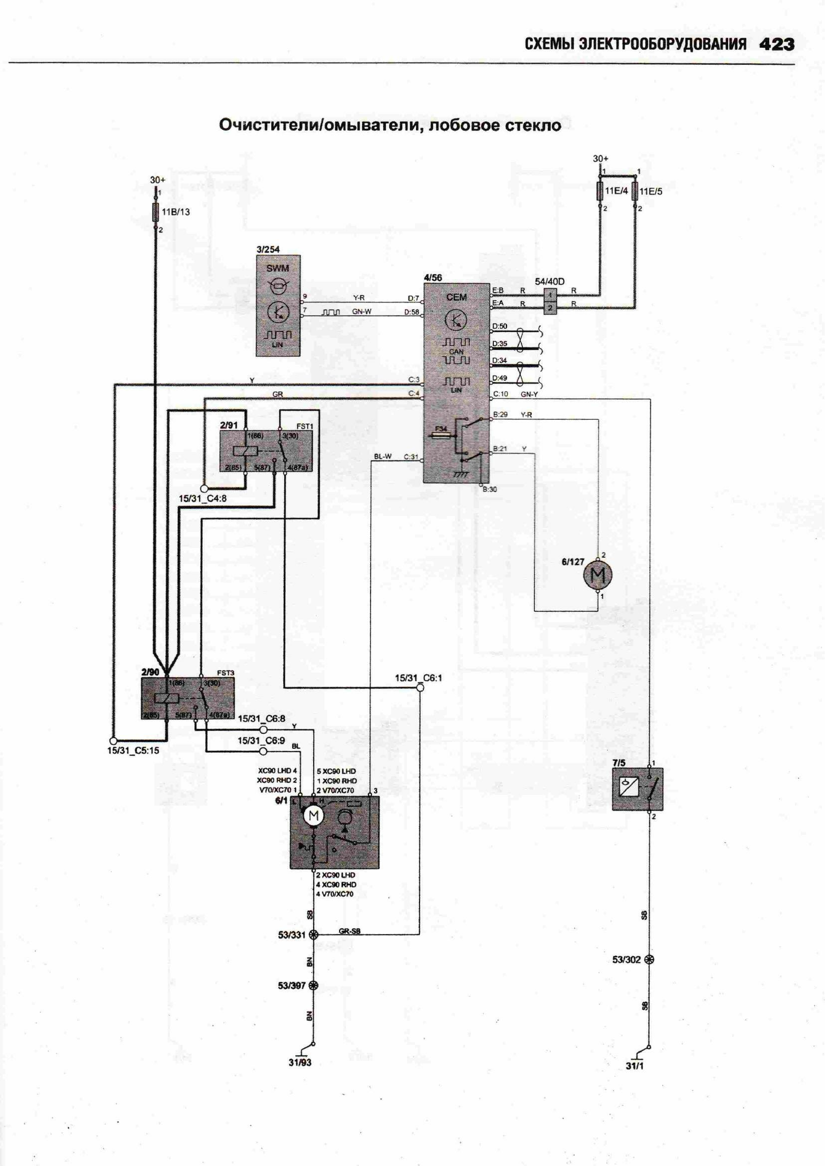
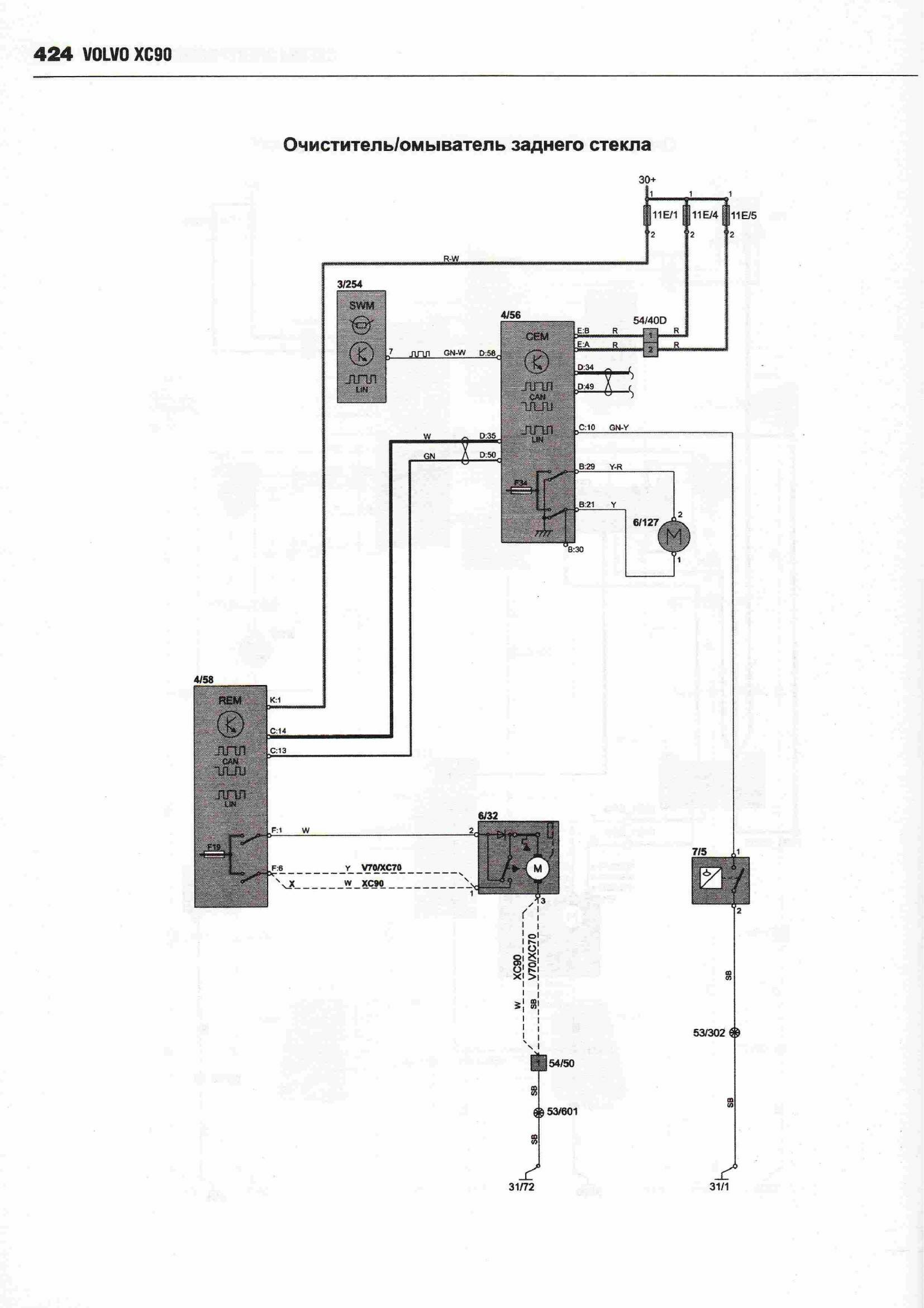
Очичтители и омыватели стёкол - подключение


Схема диагностической системы

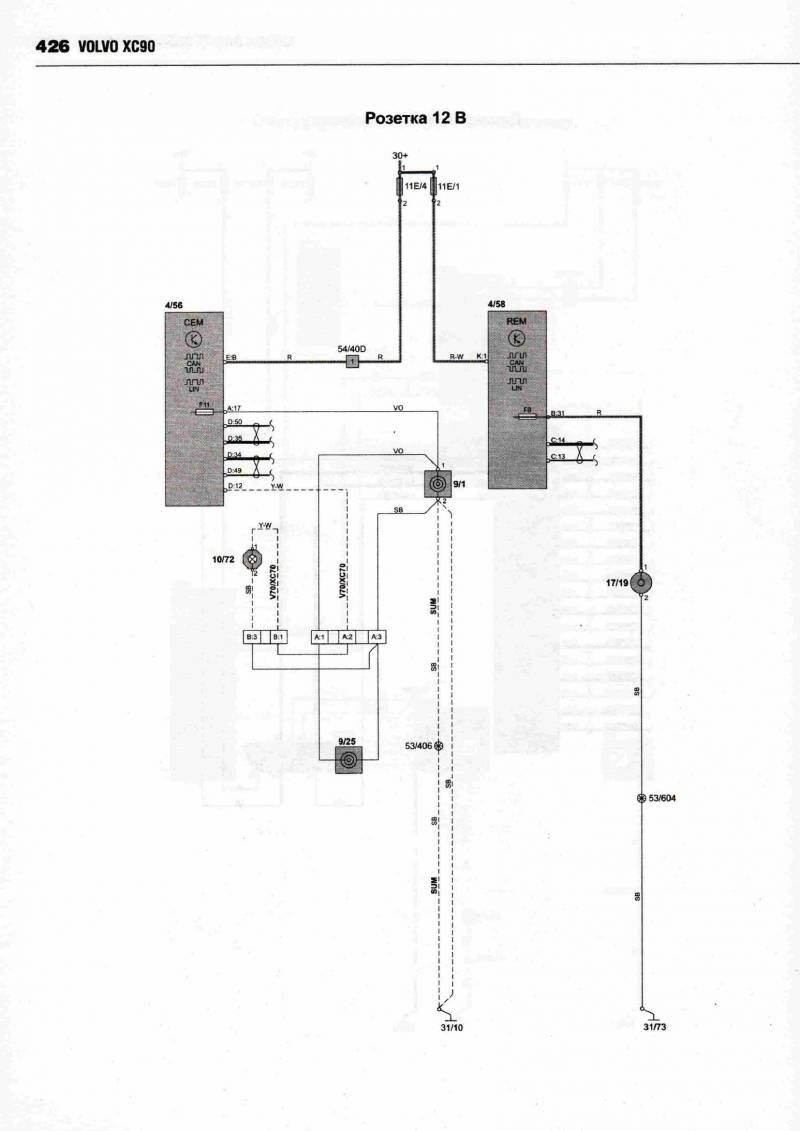
Розетка на 12 вольт

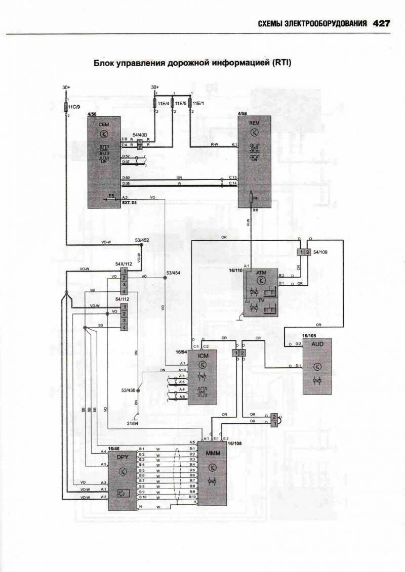
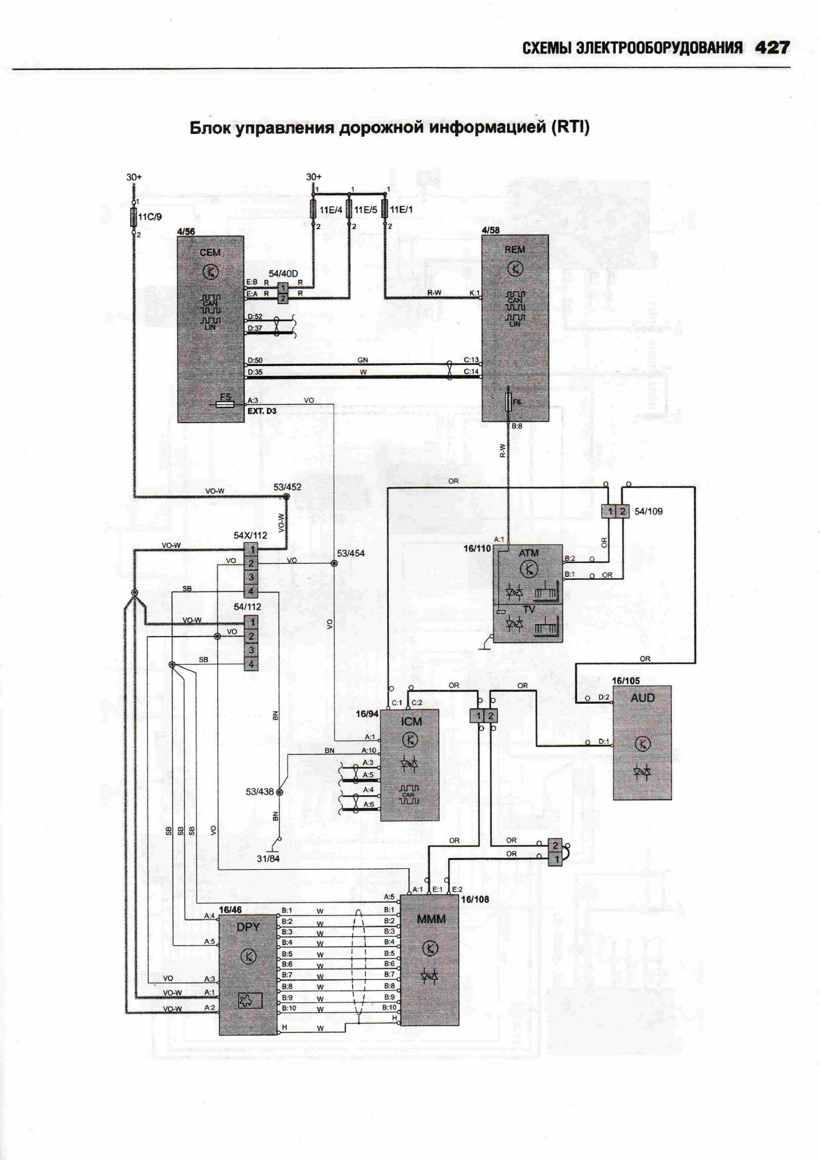
Схема блока управления дорожной информацией

Система информатики и развлечения Вольво ХС 90

Электростеклоподъёмники

Устройство люка с электроприводом

Зеркала заднего вида с электроприводом - схема электрическая


Электрообогреватель заднего стекла автомобиля

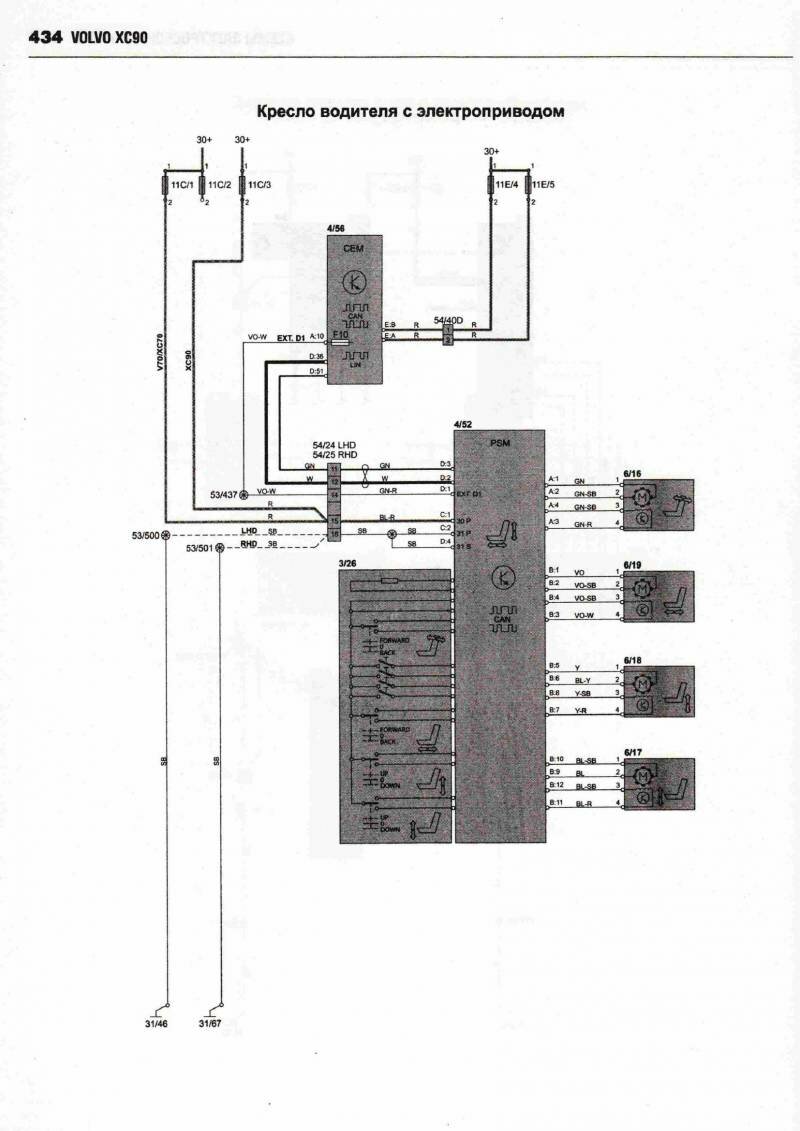
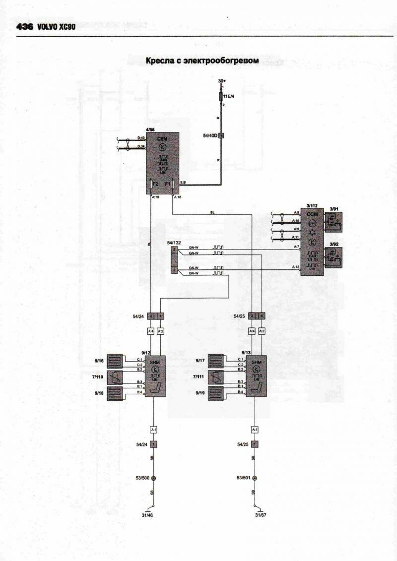
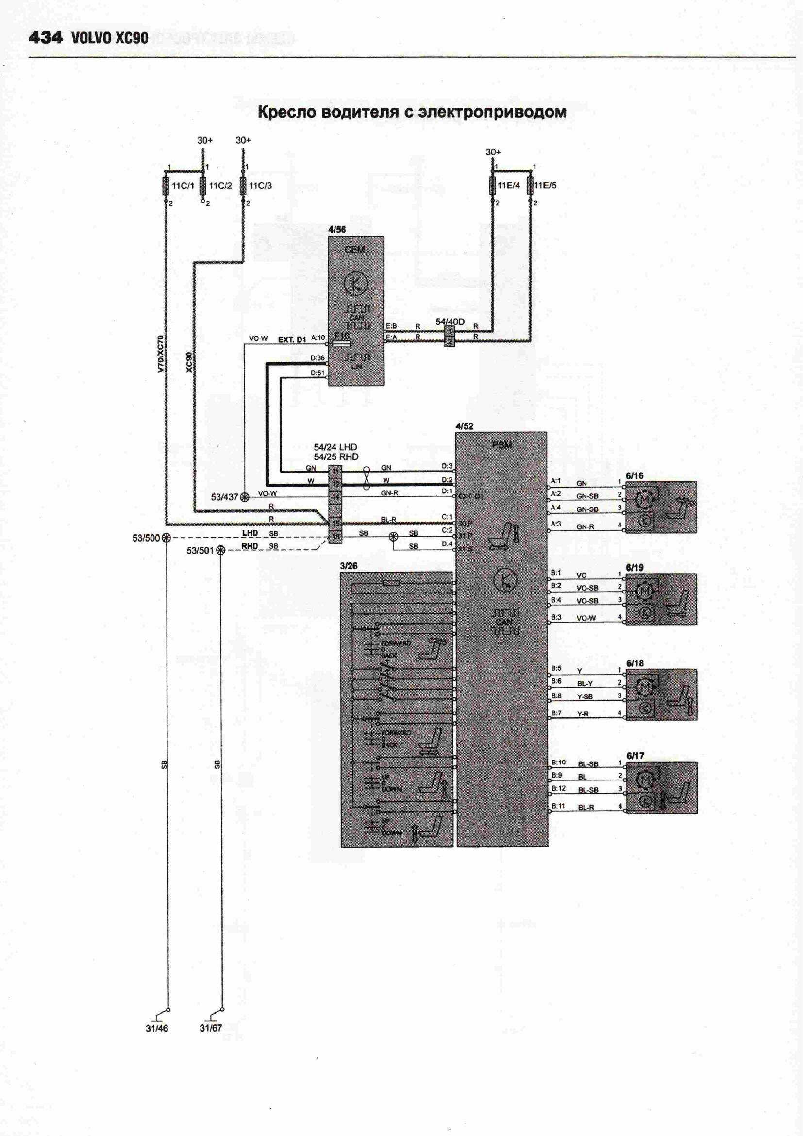
Схема кресел Вольво ХС 90 с электроприводом


РЕМОНТ АВТОЭЛЕКТРОНИКИ ЗАРЯДНЫЕ УСТРОЙСТВА ДЛЯ АКБ

|