Электросхемы автомобиля Nissan Bluebird - 2-я часть. Все принципиальные схемы в высоком качестве и на русском языке. Скачать можно кликнув на кртинке и увеличив её. Другие узлы электрооборудования Ниссан Блюберд показаны тут. Для защиты электрических цепей используются предохранители с ножевыми контактами, цвет которых соответствует току защиты предохранителя. Исправность предохранителя определяют по наличию проволочного проводника, соединяющего выходные контакты предохранителя. А здесь смотрите обозначения на схемах различных элементов, соединений и их расшифровка.
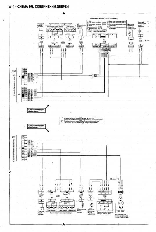
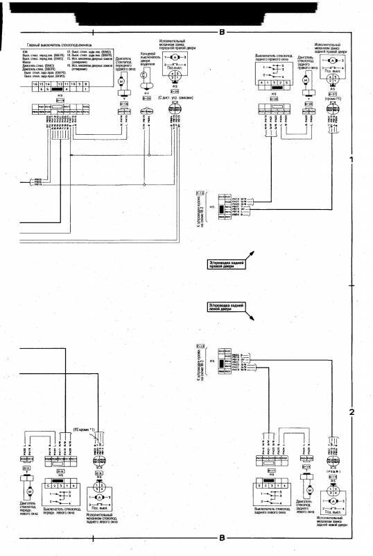
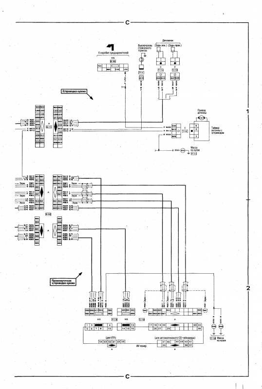
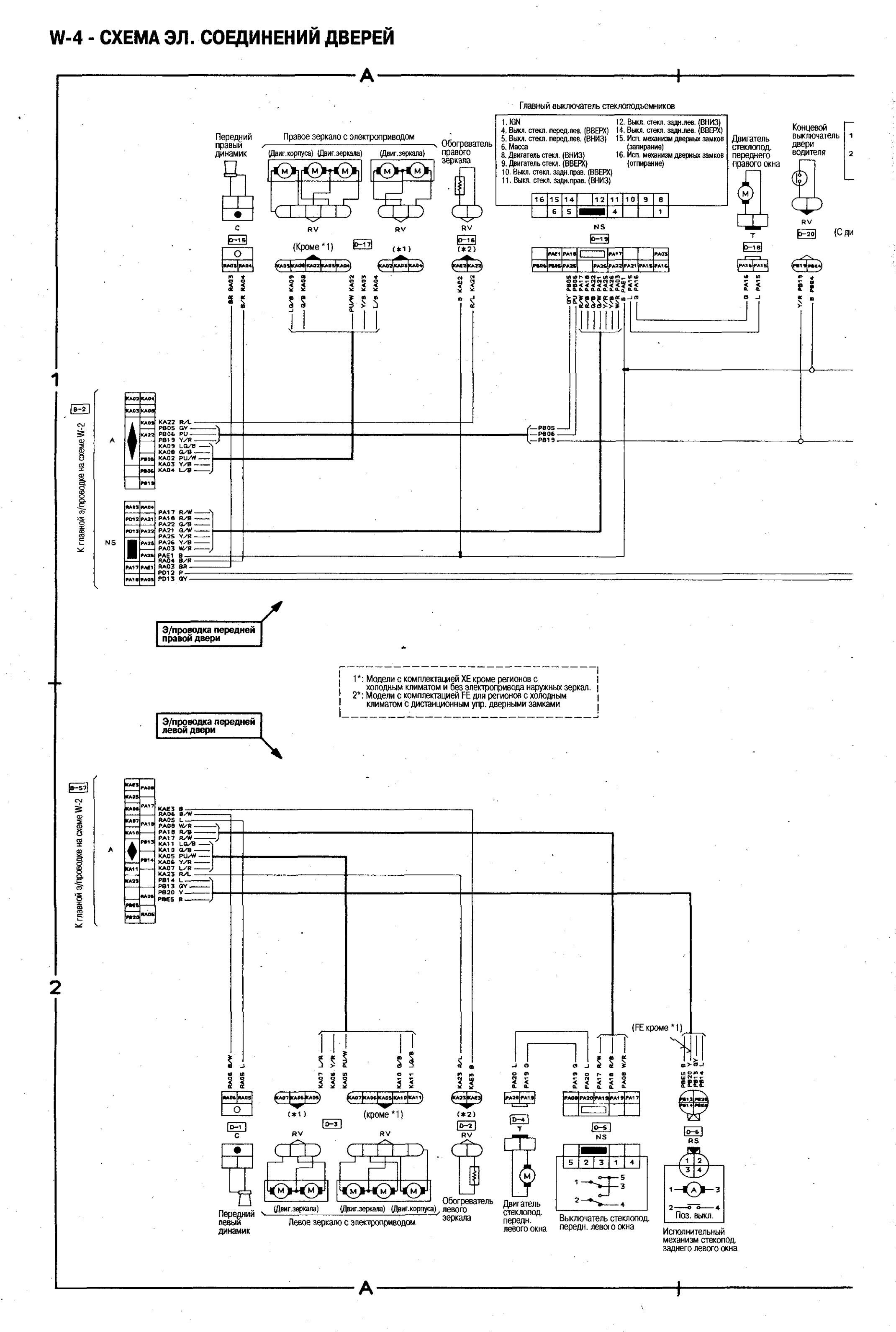
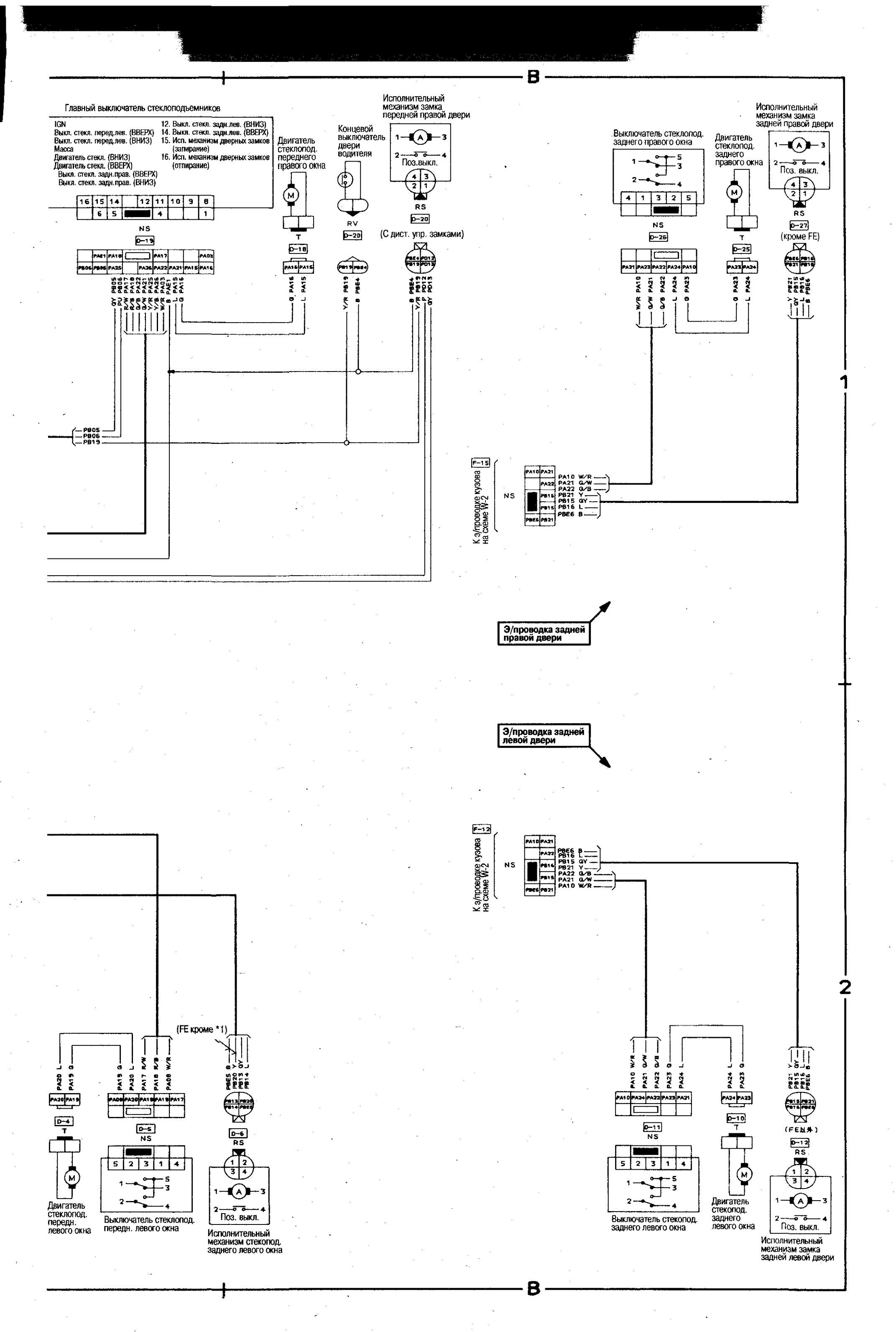
Принципиальная схема электрических соединений дверей автомобиля Ниссан Блюберд


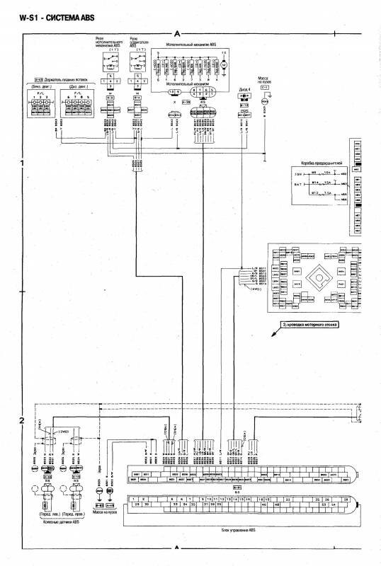
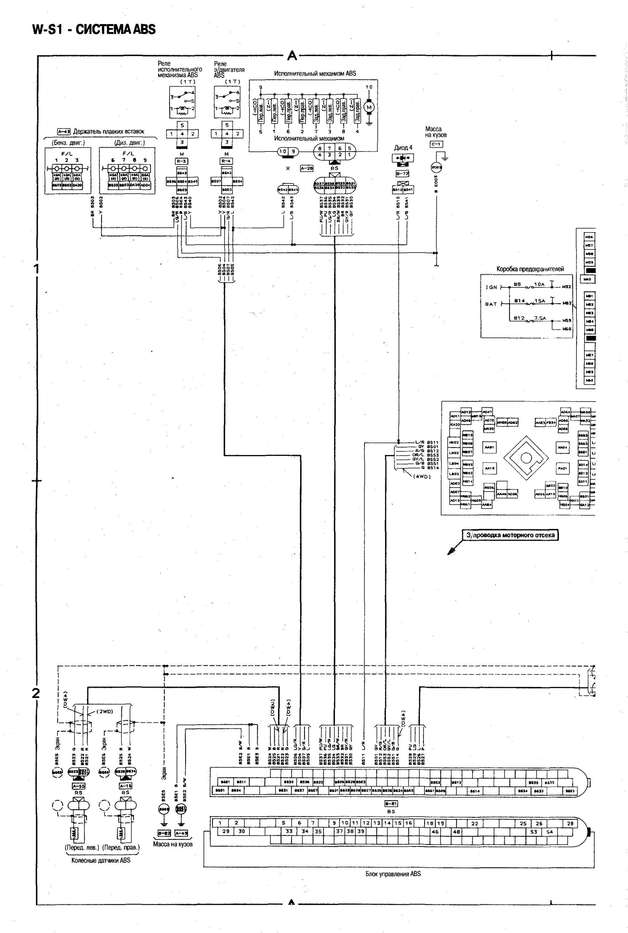
Электросхема системы ABS



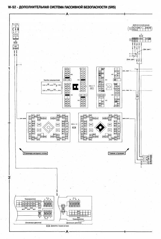
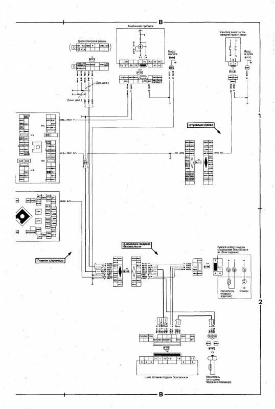
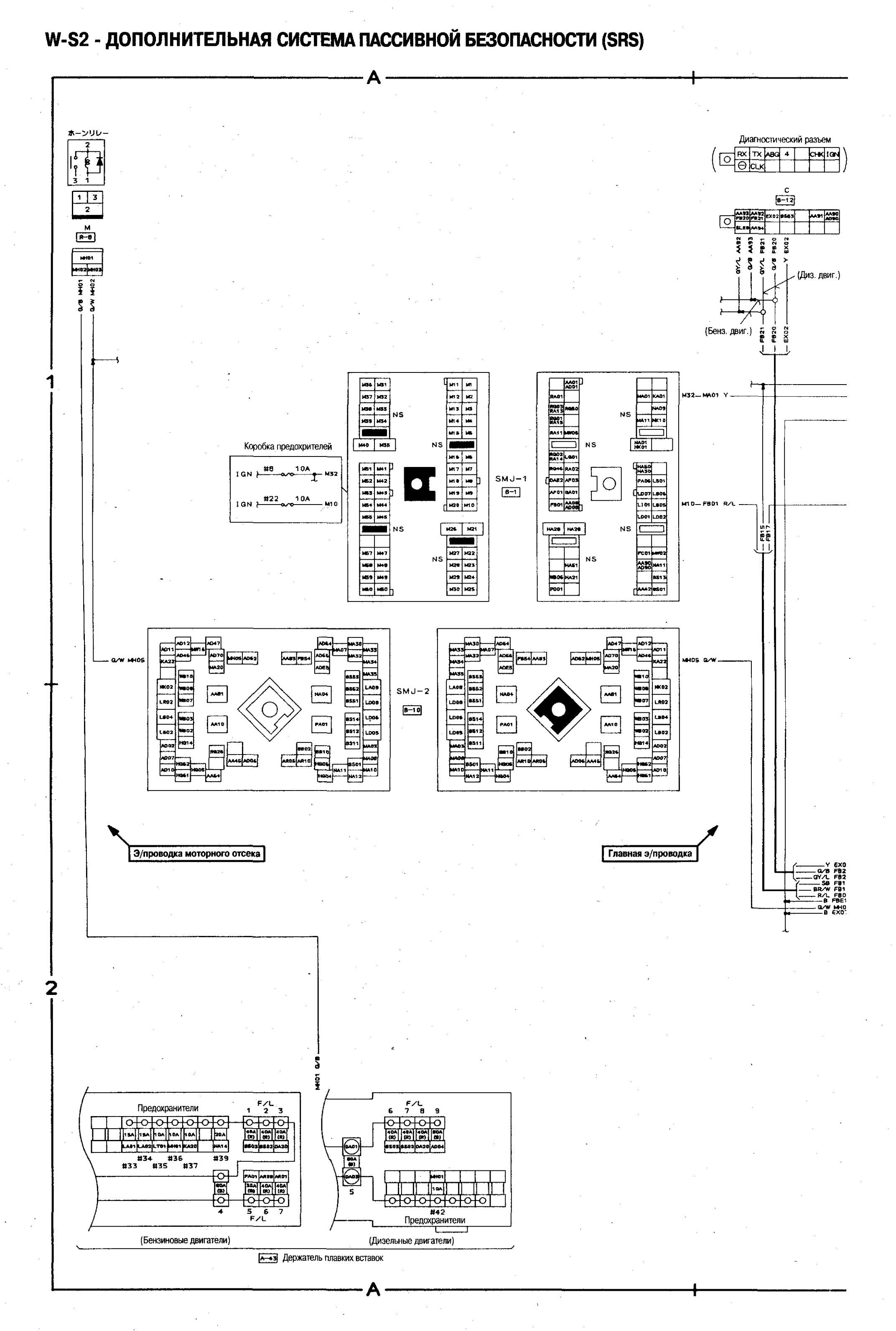
Схема дополнительной системы безопастности Ниссан Блюберд


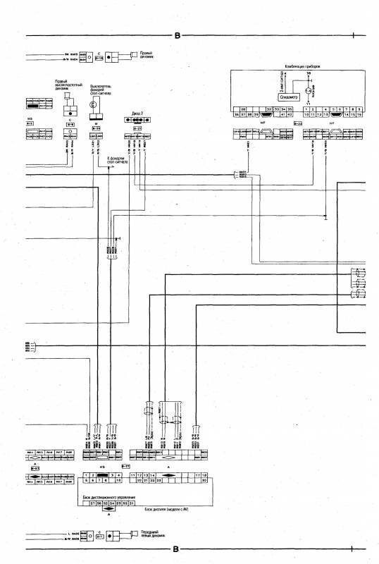
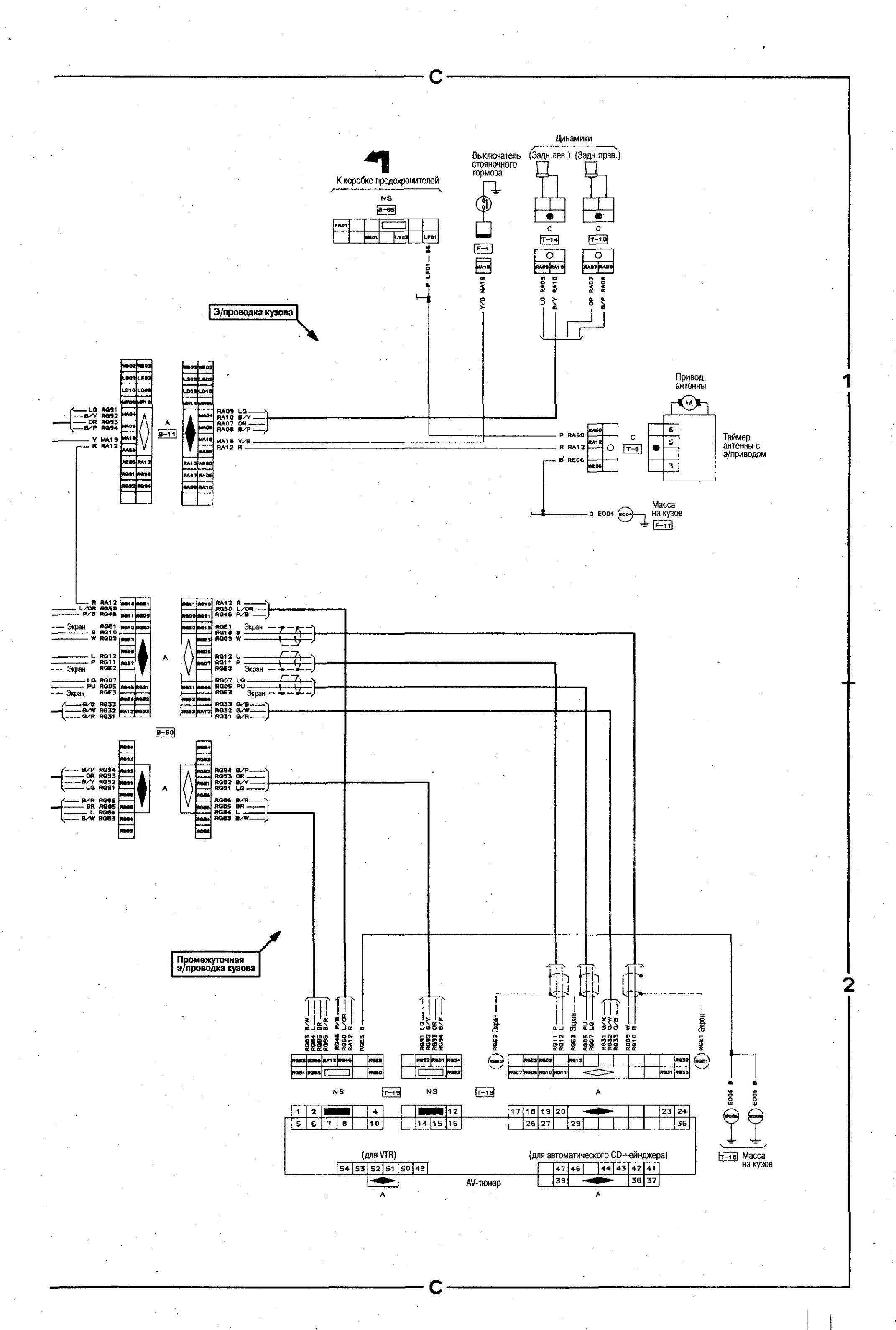
Аудио-визуальное устройство авто



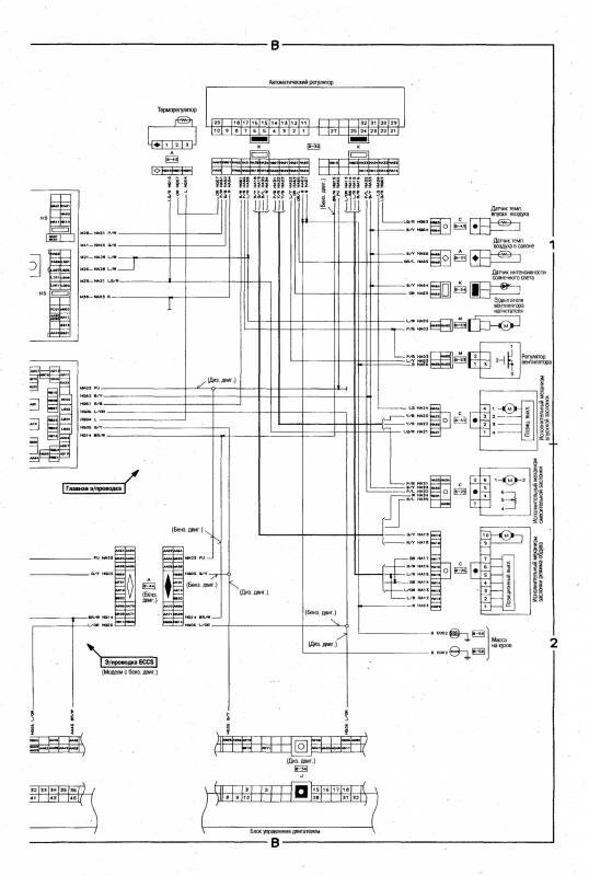
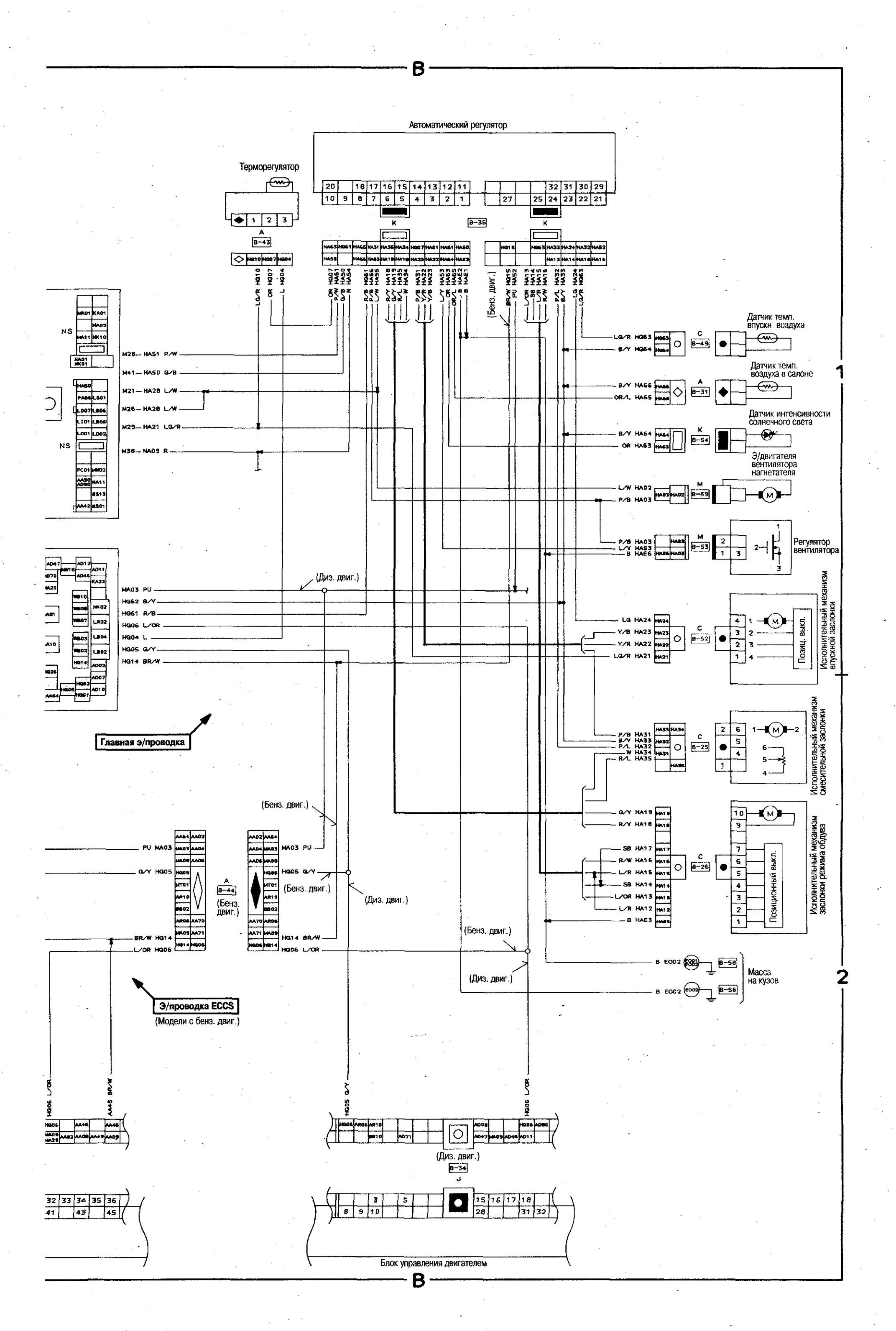
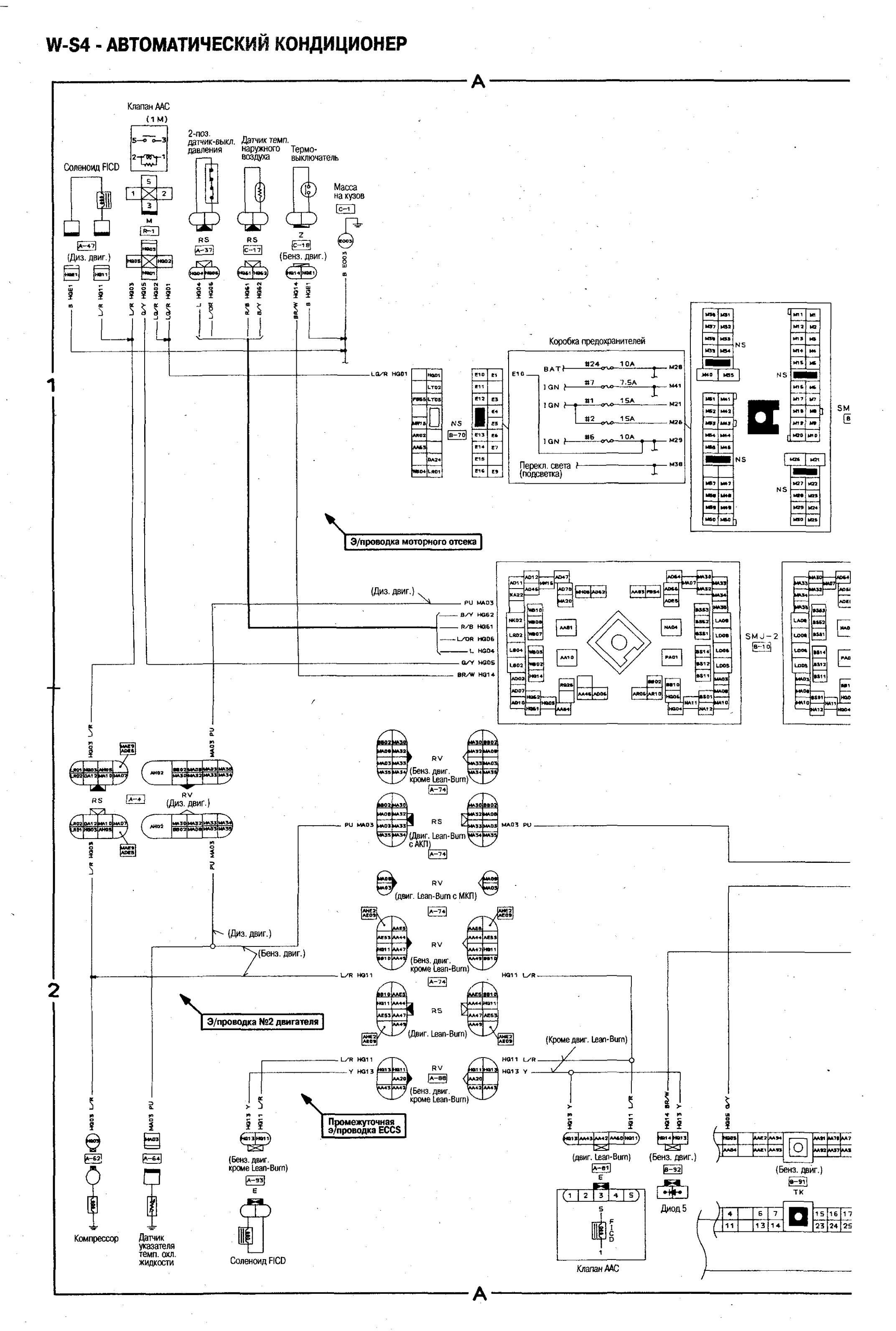
Схема кондиционера автомобиля Nissan Bluebird



РЕМОНТ АВТОЭЛЕКТРОНИКИ ЗАРЯДНЫЕ УСТРОЙСТВА ДЛЯ АКБ

|