Цветные русскоязычные схемы электрооборудования Hyundai Matrix высокого качества. Также на схемах указаны все реле и предохранители Хундай Матрикс. В этом автомобиле система электрооборудования отрицательного заземления имеет напряжение 12 вольт. Питание для поступает от свинцово–кислотного аккумулятора, который подзаряжается от генератора. При работе с любым элементом электрооборудования автомобиля провод отрицательной клеммы аккумулятора должен быть отсоединен для предотвращения короткого замыкания или возгорания. Увеличение схемы по клику на картинку. Другие модели Хундай - в этом каталоге.
Электросхема Hyundai Matrix
Цепи блока предохранителей в салоне Хундай Матрикс

Монтажный блок, реле, предохранители



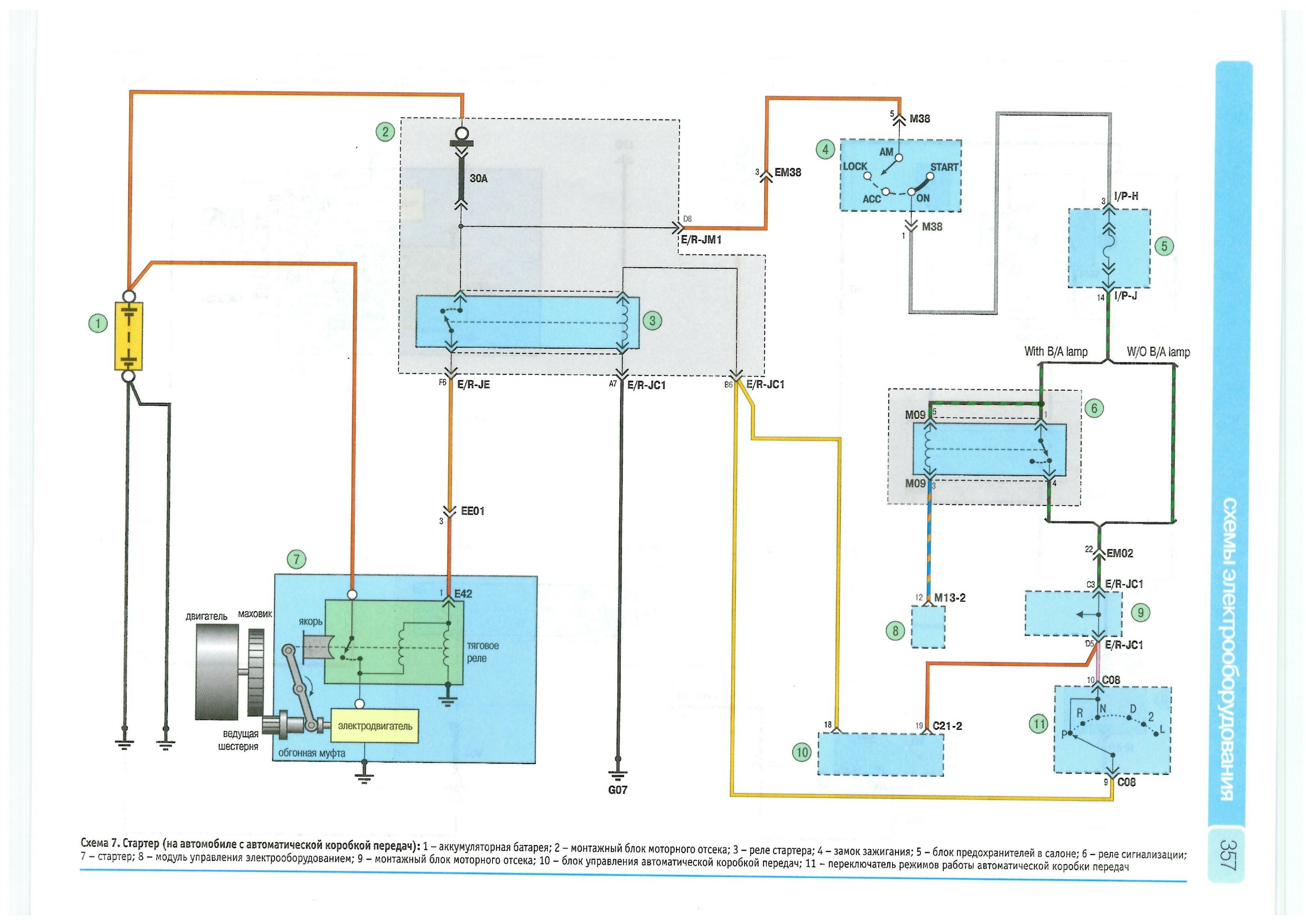
Схема подключения стартера на автомобиле с АКПП

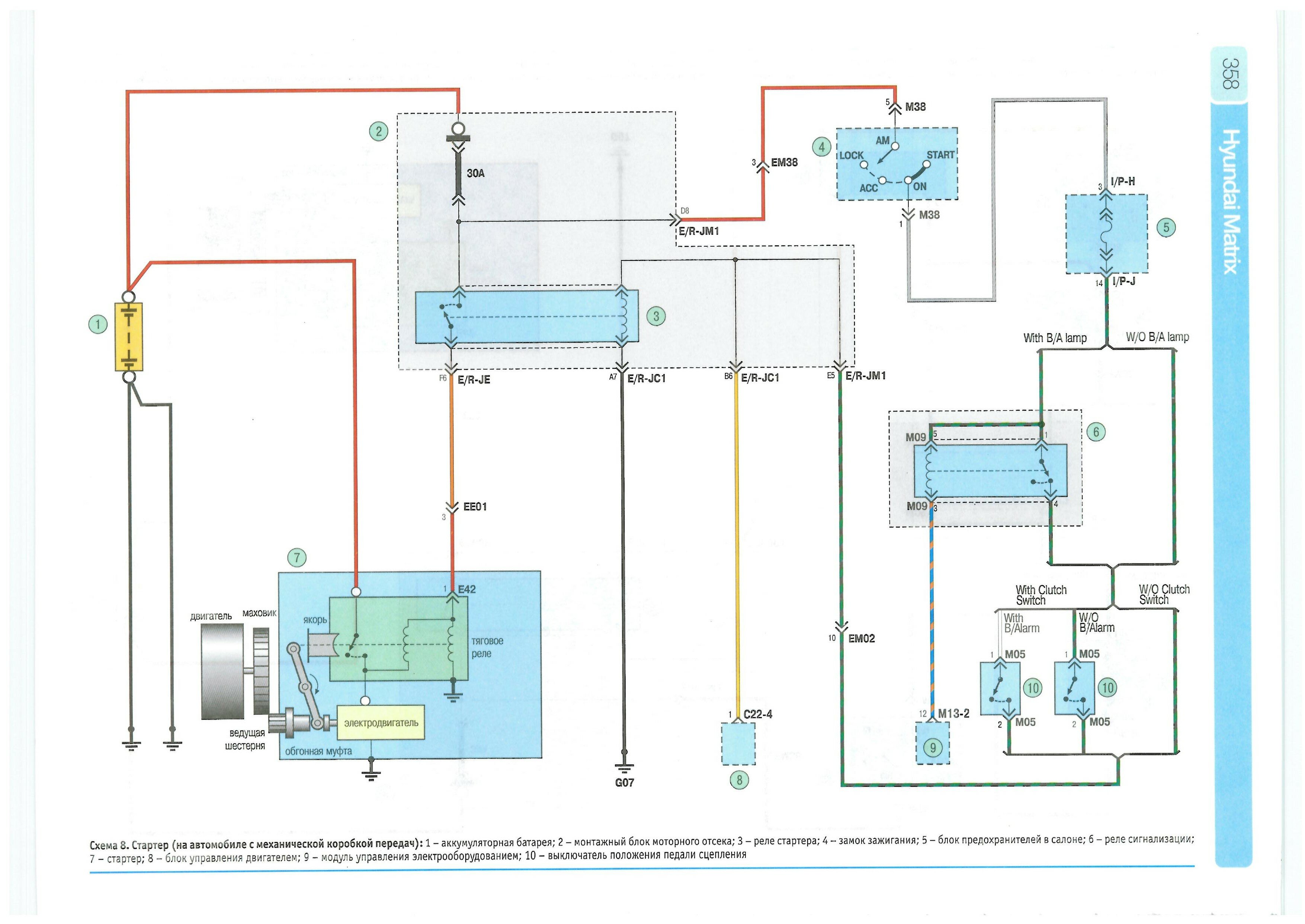
Схема стартера на автомобиле с механической коробкой передач

Генератор Хундай Матрикс - монтажный блок моторного отсека и модуль управления

Модуль управления электрооборудованием авто и переключатель режимов КП


Электрооборудование генератора и комбинация приборов Hyundai Matrix

РЕМОНТ АВТОЭЛЕКТРОНИКИ ЗАРЯДНЫЕ УСТРОЙСТВА ДЛЯ АКБ

|