Предлагаем вашему вниманию, схемы электрооборудования на известную модель Хендай Санта Фэ с 2006 г.в. и младше. Hyundai Santa Fe - в принципе вместительный, экономичный, удобная посадка, хорошая обзорность, расторопный автомат. Ну и про минусы: недостаточно жесткий кузов на скручивание, при заезде на бровку чувствуется как играет кузов. Опасная управляемость на извилистой и неровной дороге, стиральная доска вообще ужас. Ядовито - синяя подсветка музыки и климата. Климат - контроль слабоват. А в целом, вполне элегантная машина.
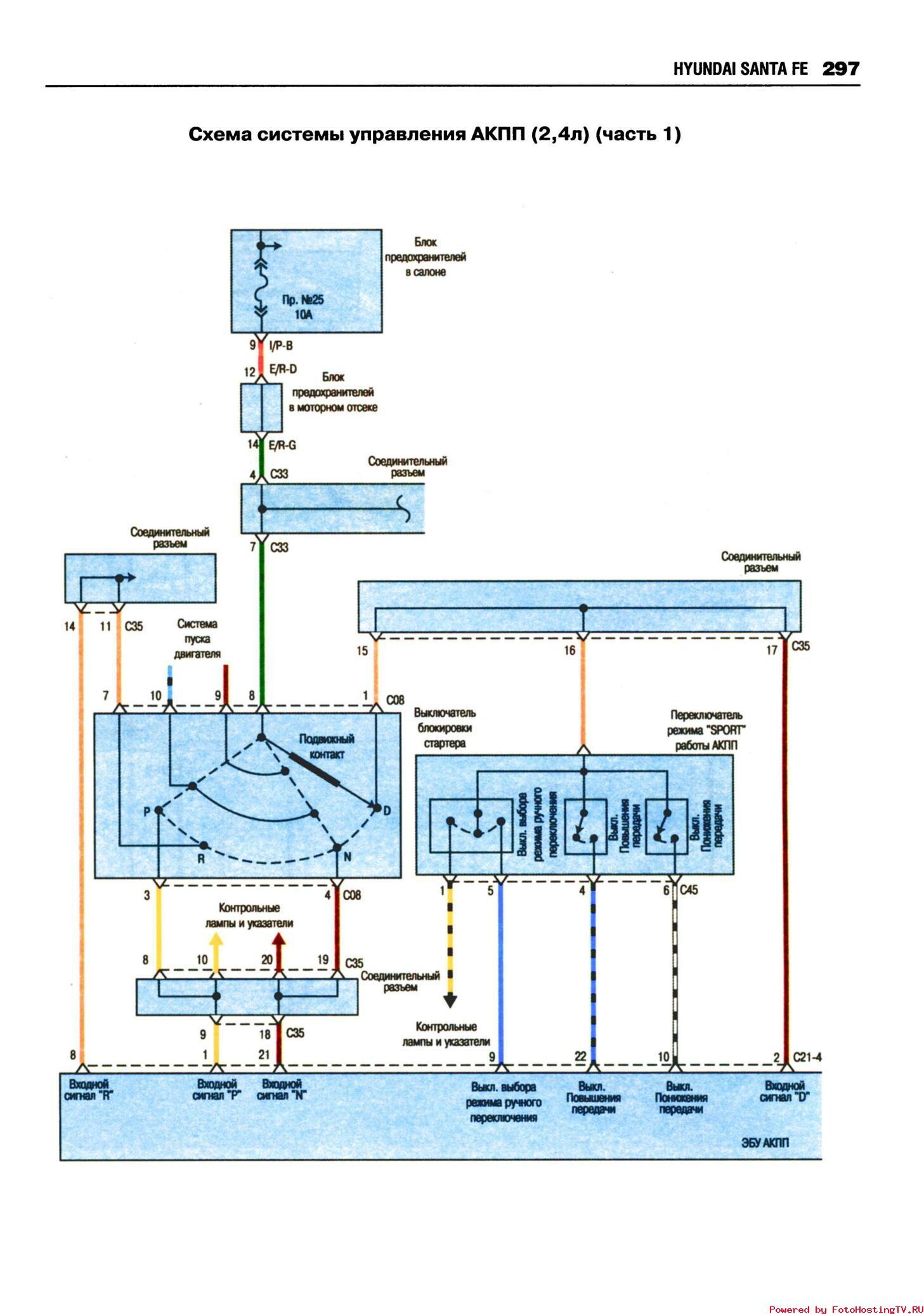
Электросхема системы управления АКПП ( 2,4 л)



Эл.схема системы управления ( 2,7 л)



РЕМОНТ АВТОЭЛЕКТРОНИКИ ЗАРЯДНЫЕ УСТРОЙСТВА ДЛЯ АКБ

|