Электросхема системы электроснабжения и пуска двигателя, центральный монтажный блок. Электронный блок дистанционного управления зажиганием автомобиля mercedes, блок управления иммобилайзером, транспондер.
Схема системы электроснабжения и пуска двигателя


A12 Центральный монтажный блок 31А
36А
44А
А25 Электронный блок дистанционного управления
зажиганием 2L
A53 Блок управления иммобилайзером, транспондер LL 3L
A54 Блок управления иммобилайзером, транспондер RL 3L
B8 Датчик (температуры воздуха) системы
предпускового подогрева 8L
D2 Реле (свечей накаливания) системы предпускового
подогрева 6A
12A
19A
F70 Предохранитель (15 А) реле (вывод <D+>) 13H
17H
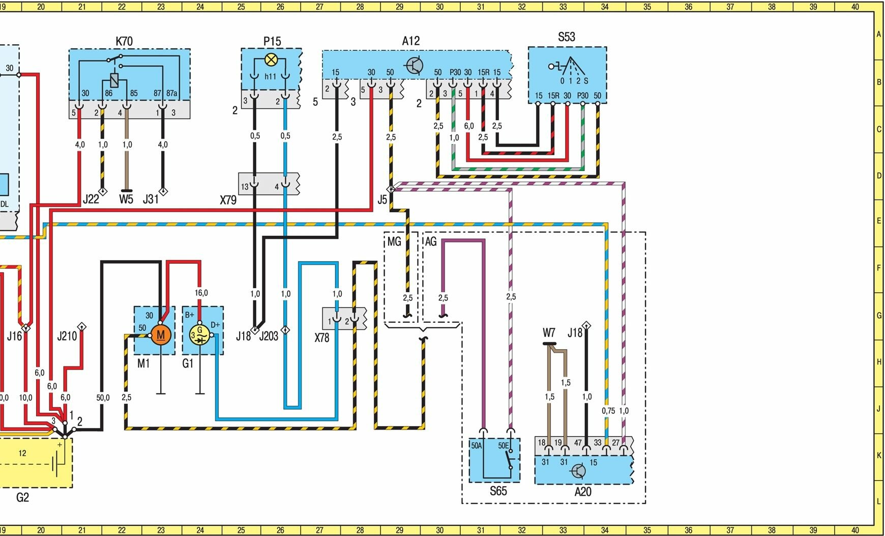
G1 Генератор 27H
G2 Аккумуляторная батарея 23L
J5 Вывод <50> 35F
J16 Вывод <30> 23H
J18 Вывод <15>, защищенный предохранителем 29H
J19 Вывод <61> 12H
18H
J22 Вывод <15>, защищенный предохранителем 25E
J31 Вывод <15>, защищенный предохранителем 26E
J89 Вывод <56b> 16H
J203 Вывод <D+> 10H
14H
29H
J312 Вывод <30>, защищенный предохранителем 34D
J327 Вывод <30> 20H
K1 Реле блокировки пуска двигателя 39L
K26 Реле вывода <D+> 12L
16L
K70 Реле вывода подключения дополнительного
оборудования 25A
M1 Стартер 26H
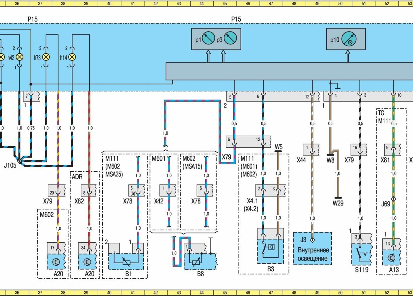
P15 Комбинация приборов 5L
29A
P15h11 Контрольная лампа зарядки аккумуляторной батареи 29A
P15h13 Контрольная лампа системы предпускового
подогрева и иммобилайзера 5K
R13 Свеча накаливания 2E
R14 Свеча накаливания 3E
R15 Свеча накаливания 3E
R16 Свеча накаливания 3E
S4 Программный переключатель автоматической
коробки передач 40L
S53 Замок зажигания 43L
S88 Выключатель блокировки пуска (Post) 41L
W4 Соединение с <массой> на перегородке моторного
отсека 22H
W5 Соединение с <массой> в блоке под сиденьем 11G
15G
18G
25E
W7 Соединение с <массой> в моторном отсеке 8H
X42 Контактный разъем датчика температуры
охлаждающей жидкости 7H
X78 Разъем жгутов проводов рамы и двигателя 31H
X79 Разъем жгутов проводов рамы и кузова 4Н, 29Е
Х153 22-котнактный разъем жгутов проводов рамы
и кузова 40Н
Системы электроснабжения и пуска двигателя mercedes - новая версия


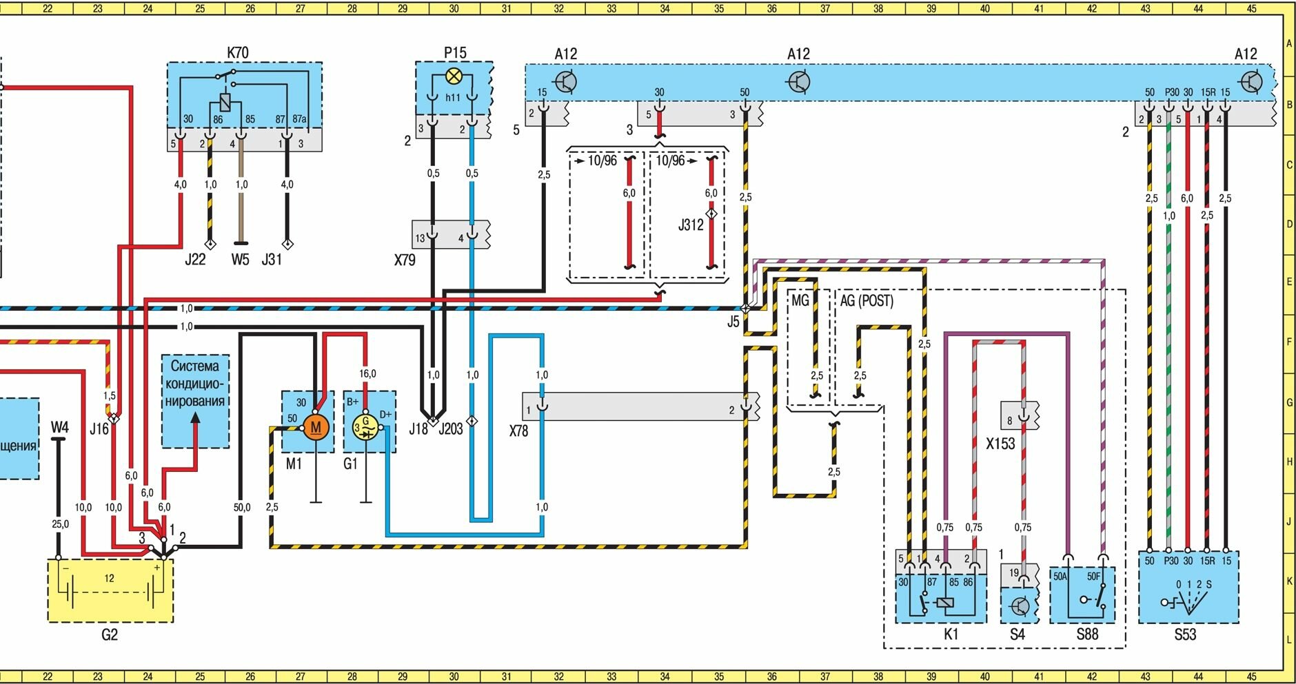
A12 Центральный монтажный блок 29А
А20 ЭБУ двигателем (MSA) 1A
33L
A53 Блок управления иммобилайзером, транспондер LL 2L
A54 Блок управления иммобилайзером, транспондер RL 2L
B1 Датчик температуры охлаждающей жидкости 8L
D3 Выходной каскад системы предпускового подогрева 12А
18А
F70 Предохранитель (15 А) реле (вывод <D+>) 12H
F95 Предохранитель 50 А 17H
G1 Генератор 24H
G2 Аккумуляторная батарея 20L
J5 Вывод <50> 28Е
J13 Вывод ЭБУ ТНВД (EVE) 3Е
J16 Вывод <30> 20H
J18 Вывод <15>, защищенный предохранителем 25H
33H
J19 Вывод <61> 13H
J22 Вывод <15>, защищенный предохранителем 22E
J31 Вывод <15>, защищенный предохранителем 23E
J89 Вывод <56b> 11H
J203 Вывод <D+> 9H
26H
J210 Вывод <30> 21Н
J271 Вывод <87" 3J
J327 Вывод <30> 15H
K26 Реле вывода <D+> 11L
K45 Реле системы предпускового подогрева 3A
K70 Реле вывода подключения дополнительного
оборудования 22A
M1 Стартер 23H
P15 Комбинация приборов 6L
16A
P15h11 Контрольная лампа зарядки аккумуляторной батареи 26В
P15h13 Контрольная лампа системы предпускового
подогрева и иммобилайзера 6K
R13 Свеча накаливания 5E
R14 Свеча накаливания 5E
R15 Свеча накаливания 6E
R16 Свеча накаливания 6E
R17 Свеча накаливания 6E
S4 Программный переключатель автоматической
коробки передач 40L
S53 Замок зажигания 33А
S65 Выключатель блокировки пуска двигателя 31L
S88 Выключатель блокировки пуска двигателя (Post) 41L
W4 Соединение с <массой> на перегородке моторного
отсека 19H
W5 Соединение с <массой> в блоке под сиденьем 10Н
13H
22Е
W7 Соединение с <массой> в моторном отсеке 8H
32Н
X78 Разъем жгутов проводов рамы и двигателя 7H
27Н
X79 Разъем жгутов проводов рамы и кузова 5Н
25Е
Х167 Разъем лебедки 17L
Механизм отбора мощности механической коробки передач


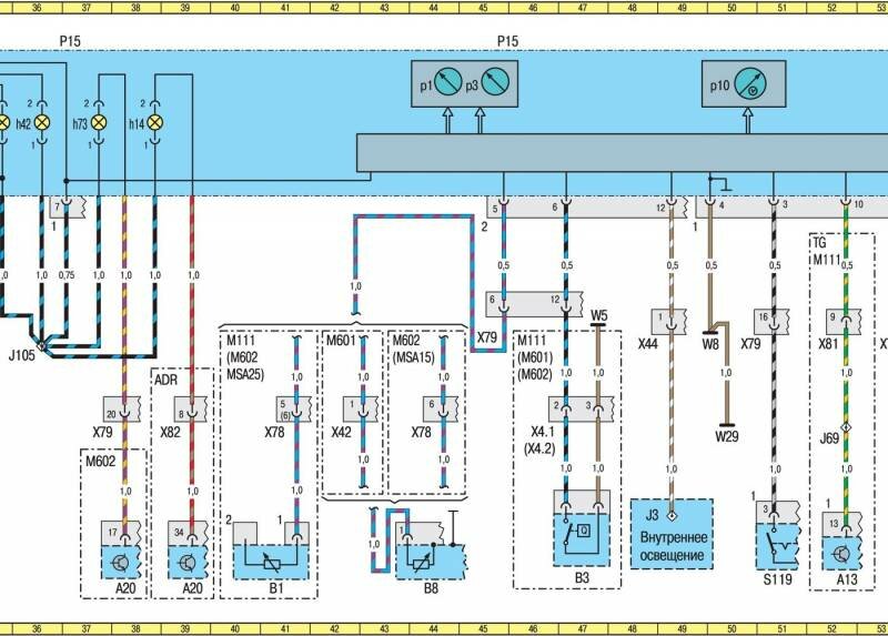
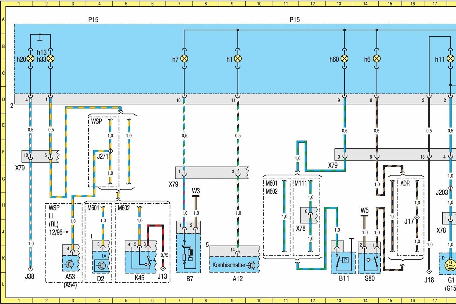
Комбинация приборов с электронным тахометром автомобиля mercedes





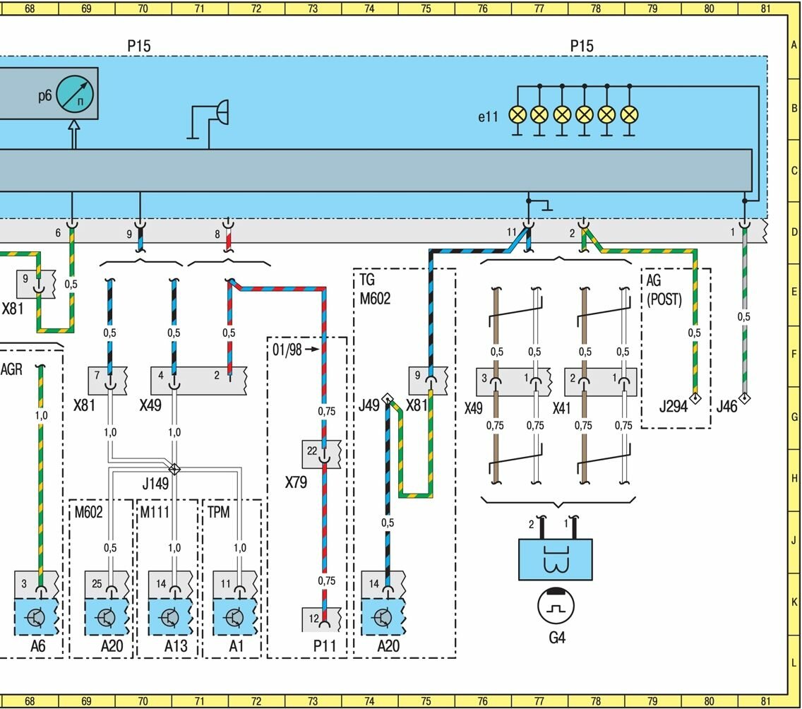
А1 ЭБУ круиз-контролем 71L
A2 Гидромодулятор с блоком управления 33L
А5 ЭБУ системой замера уровня масла 29L
A6 ЭБУ системой AGR 67L
A10 ЭБУ подушками и ремнями безопасности 31L
A12 Центральный монтажный блок 10L
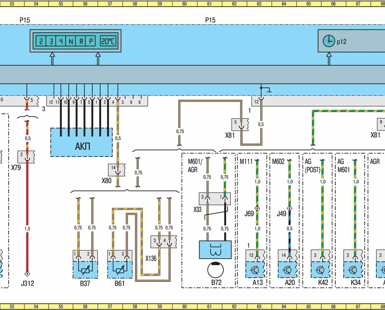
А13 ЭБУ PMS 51L
62L
69L
A20 ЭБУ двигателем (MSA) 37L
38L
63L
68L
73L
A53 Блок управления иммобилайзером, транспондер LL 3L
A54 Блок управления иммобилайзером, транспондер RL 3L
B1 Датчик температуры охлаждающей жидкости 40L
B3 Датчик уровня топлива 46L
B7 Датчик уровня охлаждающей жидкости 8L
B8 Датчик системы предпускового подогрева 43L
B9 Датчик уровня моторного масла 27L
В11 Датчик давления моторного масла 14L
В37 Датчик температуры наружного воздуха 55L
В54 Датчик уровня тормозной жидкости LL 20L
В55 Датчик уровня тормозной жидкости RL 20L
В61 Датчик температуры наружного воздуха 56L
B72 Датчик частоты вращения коленчатого вала двигателя 60L
D2 Реле системы предпускового подогрева 4L
F35 Предохранитель 10 А 29Н
G1 Генератор 24H
G4 Датчик спидометра 76L
G5 Датчик износа тормозных колодок левого
переднего колеса 21L
G6 Датчик износа тормозных колодок правого
переднего колеса 21L
G7 Датчик износа тормозных колодок левого
заднего колеса 21L
G8 Датчик износа тормозных колодок правого заднего колеса 21L
G15 Генератор 115 А 18L
J2 Вывод датчиков износа тормозных колодок 20Н
22Н
J3 Вывод системы внутреннего освещения 48К
J13 Вывод ЭБУ ТНВД (EVE) 7L
J17 Вывод цепи включения лампы стояночного тормоза 17J
J18 Вывод <15>, защищенный предохранителем 17L
J19 Вывод <61> 30H
J30 Вывод датчиков износа тормозных колодок 24H
J31 Вывод <15>, защищенный предохранителем 29F
J38 Вывод <56a> 1L
J39 Вывод соединения с <массой> датчиков износа
тормозных колодок 25Н
J46 Вывод <58> 79G
J49 Вывод датчика частоты вращения коленчатого вала 63H
73G
J69 Вывод датчика частоты вращения коленчатого вала 51Н
62Н
J105 Вывод <15> 27G
35G
J149 Вывод датчика частоты вращения коленчатого вала 69H
J163 Вывод <15R> 30G
J203 Вывод <D+> 18H
tJ271 Вывод <87> 4F
J312 Вывод <30>, защищенный предохранителем 52L
K34 Реле автоматической коробки передач с системой
автоматического перехода на пониженную передачу
kickdown 66L
K42 Реле автоматической коробки передач с системой
автоматического перехода на пониженную передачу
Kickdown (Post) 64L
K45 Реле системы предварительного подогрева 6L
P11 14-контактный диагностический разъем 72L
P15 Комбинация приборов 4A
12A
20A
27A
36A
45A
52A
60A
69A
77A
P15e11 Лампы освещения комбинации приборов 75В
P15h1 Контрольная лампа указателей поворота 9С
P15h6 Контрольная лампа включения стояночного тормоза 15С
P15h7 Контрольная лампа недостаточного уровня
охлаждающей жидкости 7С
P15h11 Контрольная лампа зарядки аккумуляторной батареи 18С
P15h12 Контрольная лампа неисправности подушки
безопасности 30С
P15h13 Контрольная лампа систем предпускового подогрева
и иммобилайзера 2В
P15h14 Сигнальная лампа системы ADR 37C
P15h20 Контрольная лампа дальнего света фар 1С
P15h25 Контрольная лампа блокировки дифференциала 27С
P15h33 Контрольная лампа иммобилайзера
(бензиновый двигатель) 2С
P15h40 Сигнальная лампа износа тормозных колодок/
недостаточного уровня тормозной жидкости 19С
P15h42 Контрольная лампа включения дополнительного привода 35С
P15h59 Сигнальная лампа недостаточного уровня
моторного масла 28С
P15h60 Сигнальная лампа низкого давления моторного масла 13С
P15h66 Контрольная лампа системы ABS 34С
P15h71 Контрольная лампа ABD 34C
P15h73 Контрольная лампа системы EDC 36C
P15p1 Указатель температуры охлаждающей жидкости 43В
P15p3 Указатель количества топлива в баке 44В
P15p6 Тахометр 67В
P15p10 Спидометр 49В
P15p12 Часы 65В
S1 Концевой выключатель дополнительного привода 32L
S80 Выключатель на рычаге стояночного тормоза 15L
S104 Выключатель блокировки дифференциала 25L
S119 Выключатель противотуманного света фар
и задних фонарей 50L
W3 Соединение с <массой> в левой фаре 8H
W4 Соединение с <массой> на перегородке
моторного отсека 21G
W5 Соединение с <массой> в блоке под сиденьем 15H
27H
46F
W6 Соединение с <массой> задних габаритных фонарей 25G
W7 Соединение с <массой> в моторном отсеке 32H
W8 Соединение с <массой> на кузове 48G
W29 Соединение с <массой> на рулевой колонке 49Н
X4.1 Контактный разъем топливного насоса/датчика
количества топлива в баке 45Н
X4.2 Контактный разъем топливного насоса/датчика
количества топлива в баке 45Н
X33 Разъем <TD> 59Н
X41 Разъем спидометра 76G
X42 Разъем датчика температуры охлаждающей жидкости 41H
X44 Разъем жгутов проводов кузова и крыши 47G
X49 Разъем спидометра 69G
75G
X78 Разъем жгутов проводов рамы и двигателя 12J
18J
40H
43H
X79 Разъем жгутов проводов рамы и кузова 1G
7G
13G
33H
37H
44F
49G
52G
72H
X80 Разъем жгутов проводов рамы и кузова 56G
X81 Разъем жгутов проводов рамы и кузова 26G
30H
51G
61F
67E
68G
74G
X82 Разъем жгутов проводов рамы и кузова 31H
38H
X136 Разъем жгутов проводов кузова 57К
Продолжение каталога электросхем для авто MERCEDES
РЕМОНТ АВТОЭЛЕКТРОНИКИ ЗАРЯДНЫЕ УСТРОЙСТВА ДЛЯ АКБ

|