Электрические схемы внедорожника Мицубиси Аутлендер - вторая часть. Схемы в высоком качестве и на русском языке. Рассмотреть нужный фрагмент можно кликнув на кртинке и увеличив её, нажав на значок над изображением. Под каждой схемой приводится цоколёвка разъёмов соединителей данного модуля. Первая часть схем электрооборудования Mitsubishi Outlander. Сборник предназначен для самостоятельного поиска и устранения неисправностей с электроникой и проводкой джипа.
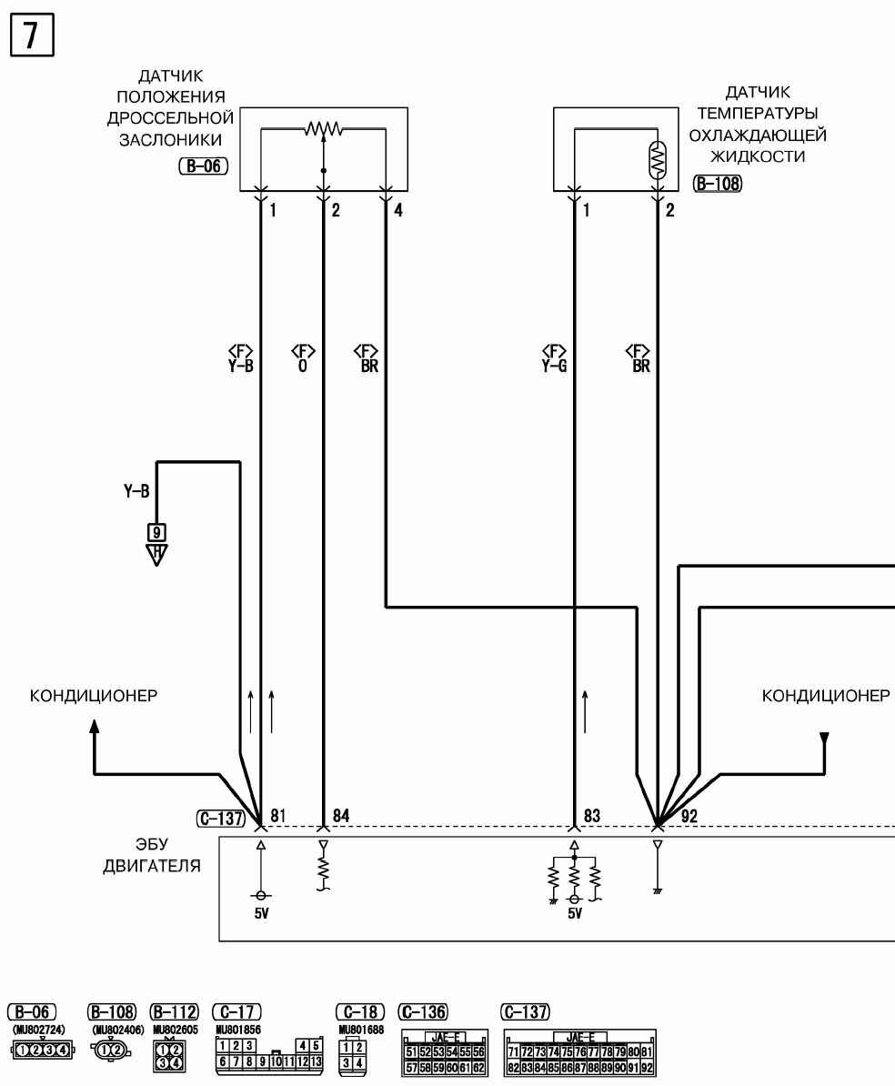
Схема датчиков дроссельной заслонки и температуры охлаждающей жидкости

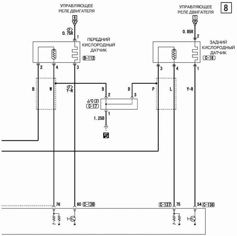
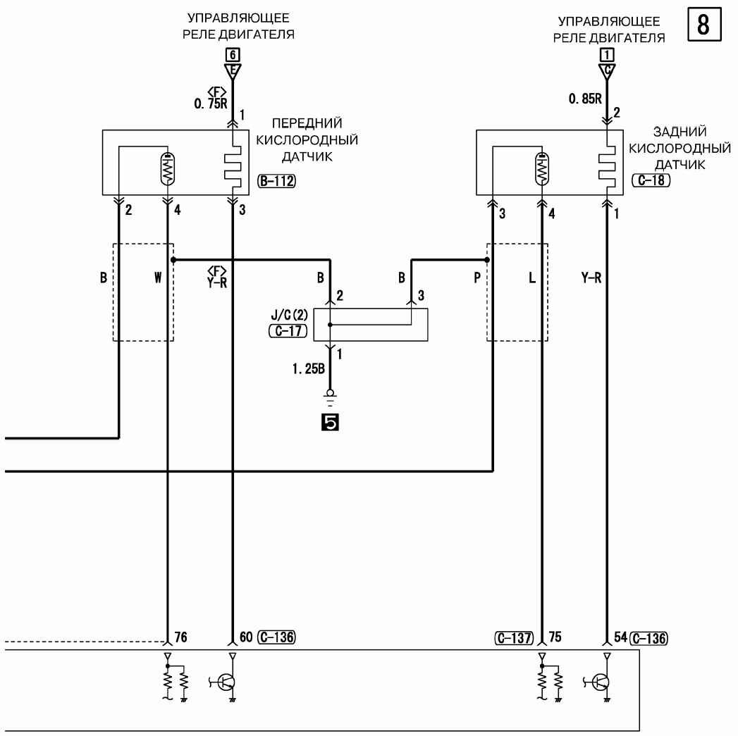
Схемы переднего и заднего кислородного датчика авто

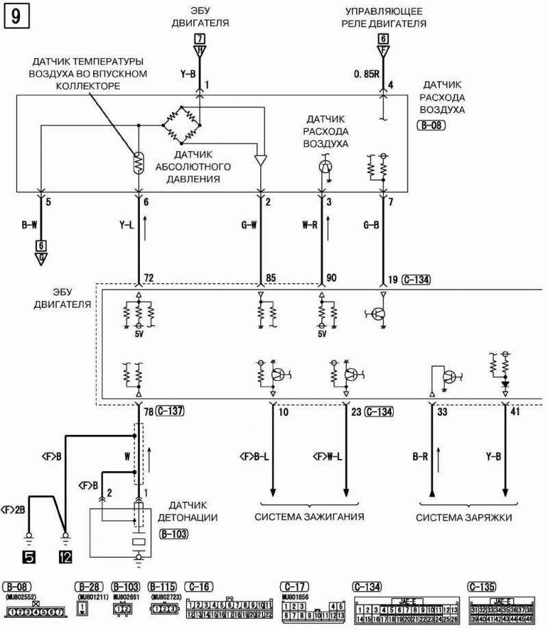
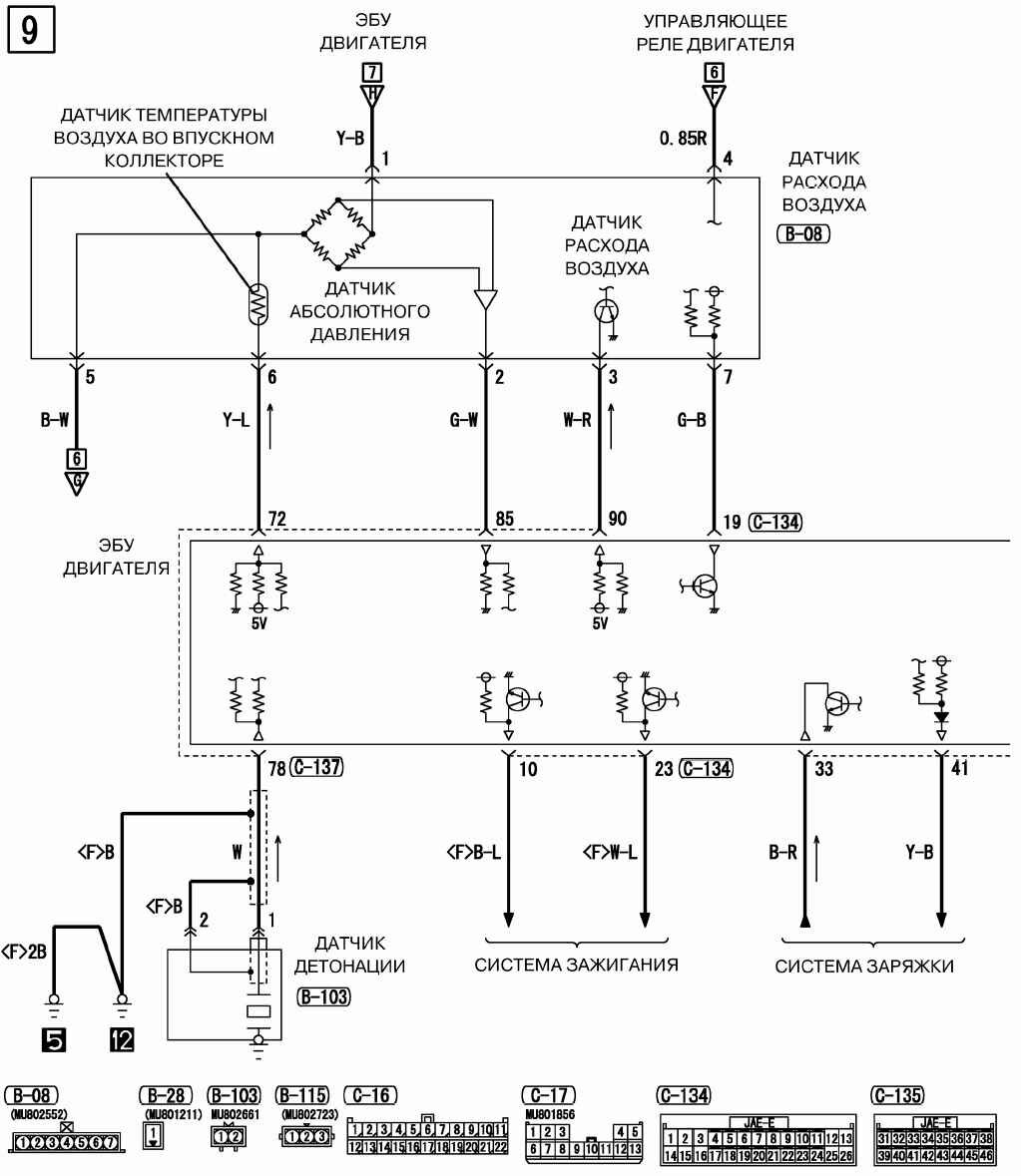
ЭБУ двигателя, датчик давления и расхода воздуха Мицубиси Аутлендер

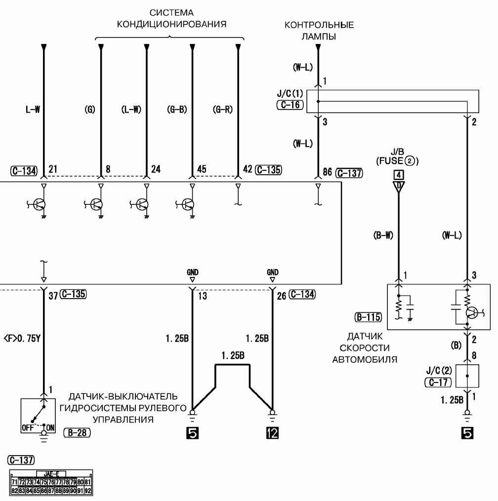
Датчик выключатель гидросистемы рулевого управления и скорости

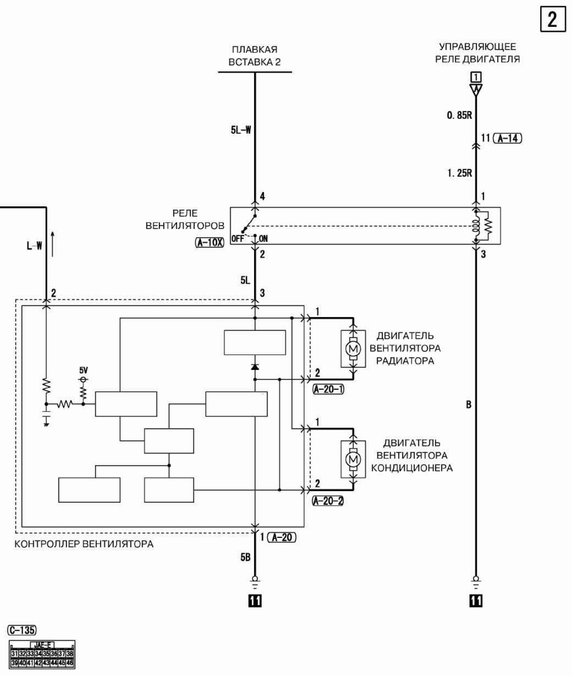
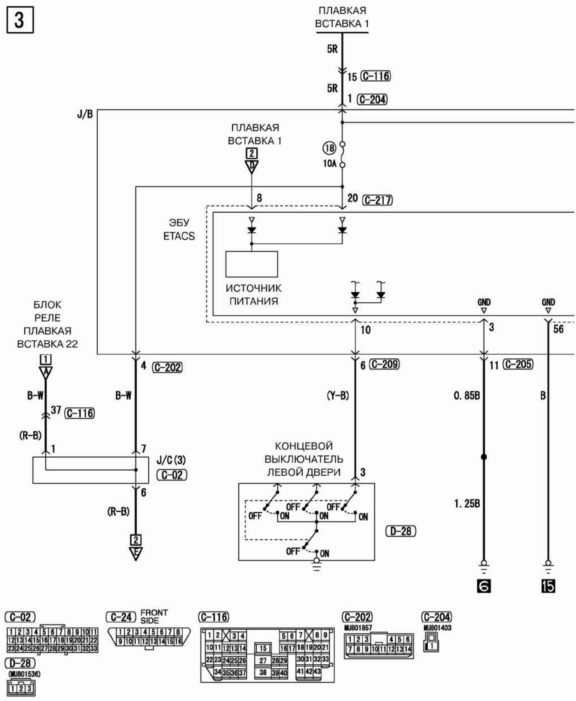
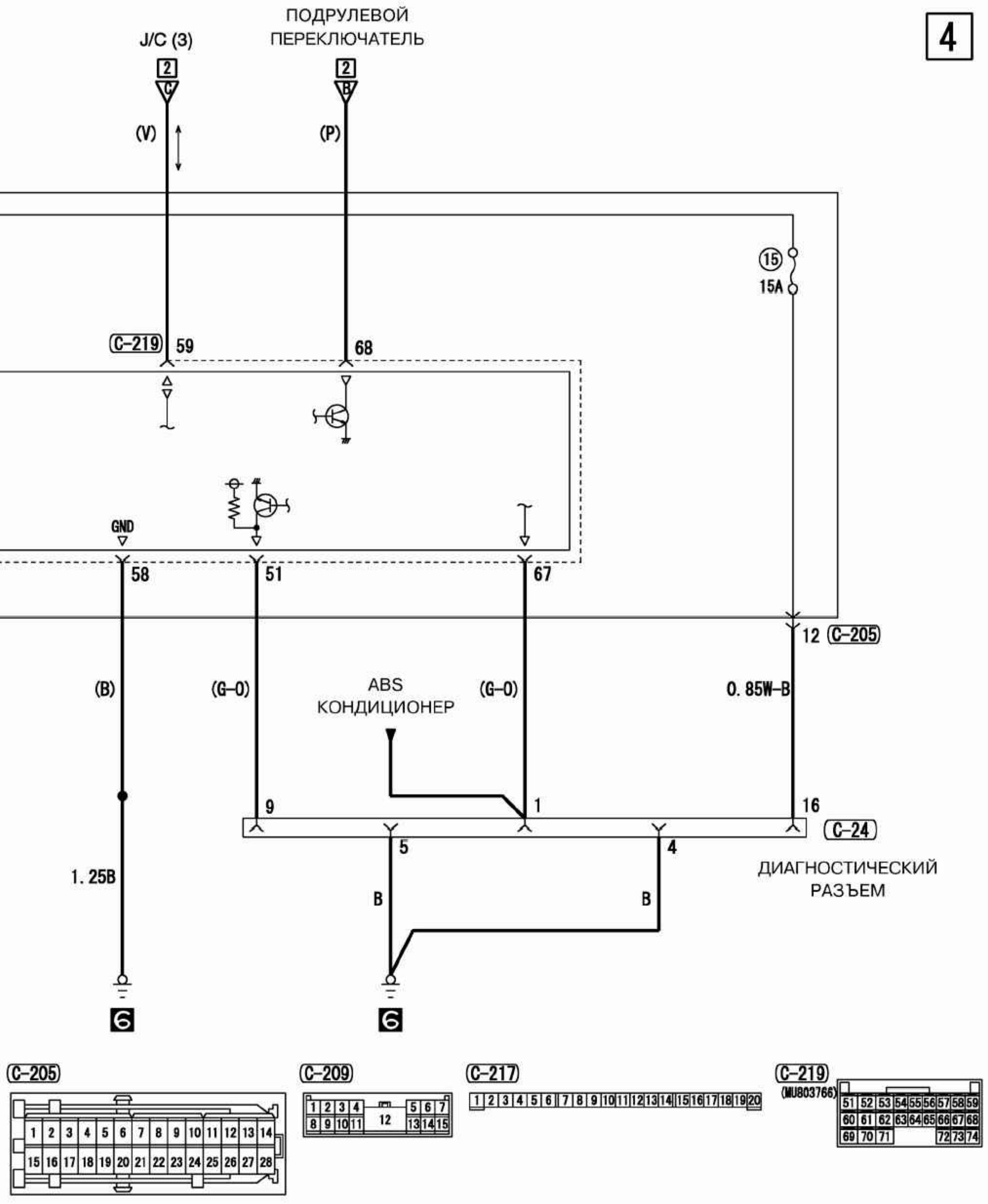
Электрооборудование Мицубиси Аутлендер - управляющая система и реле двигателя

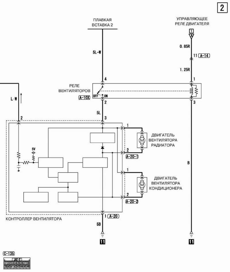
Двигатели вентилятора и кондиционера авто

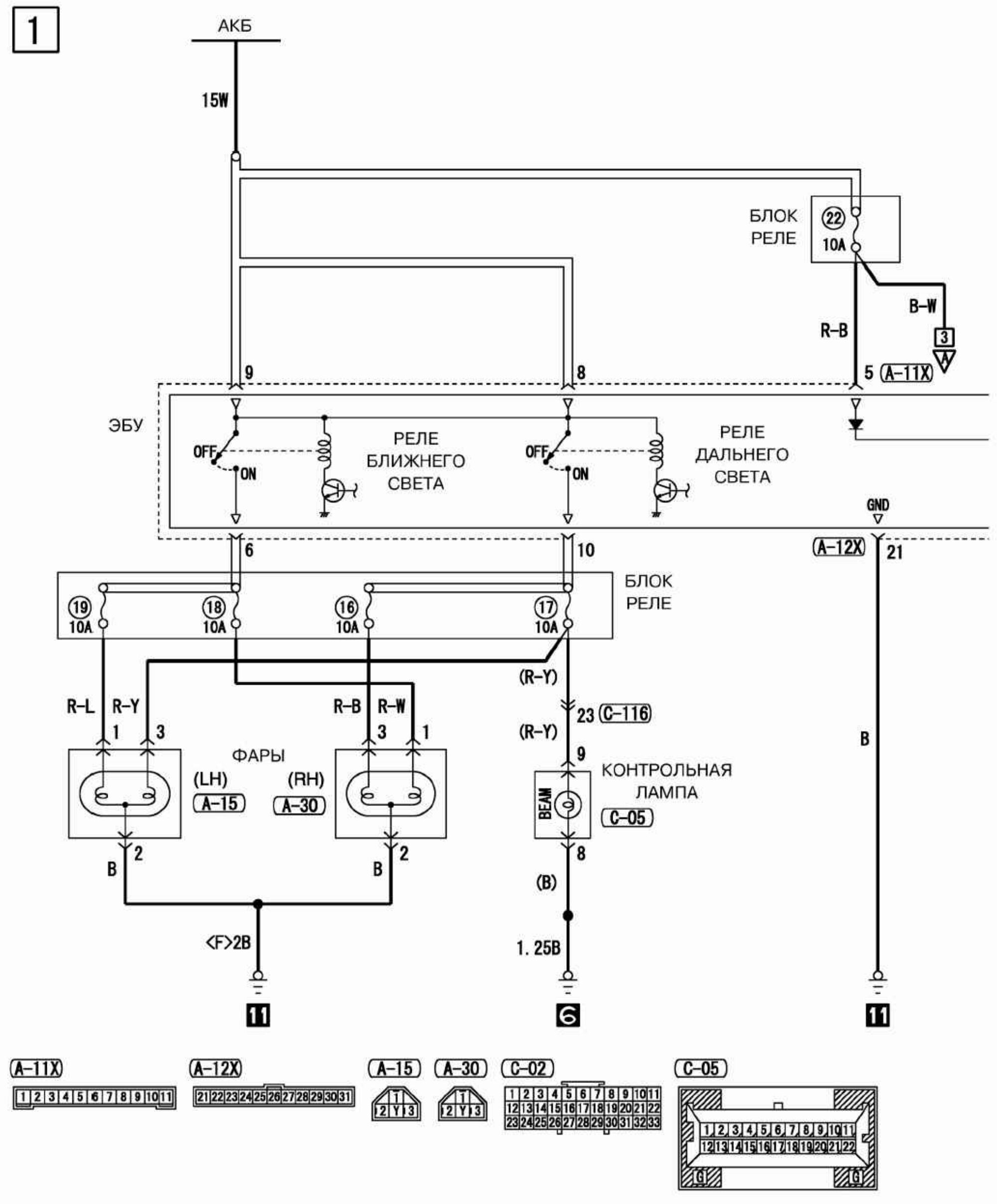
Схема подключения фар с реле дальнего и ближнего света

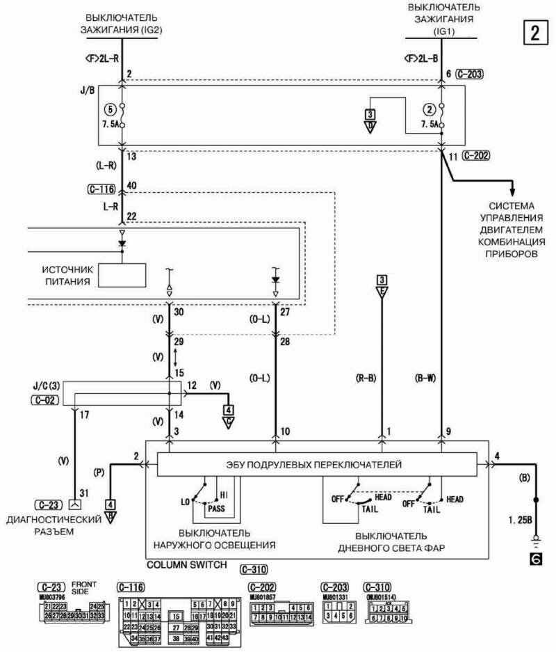
Выключатели наружного освещения и дневных фар

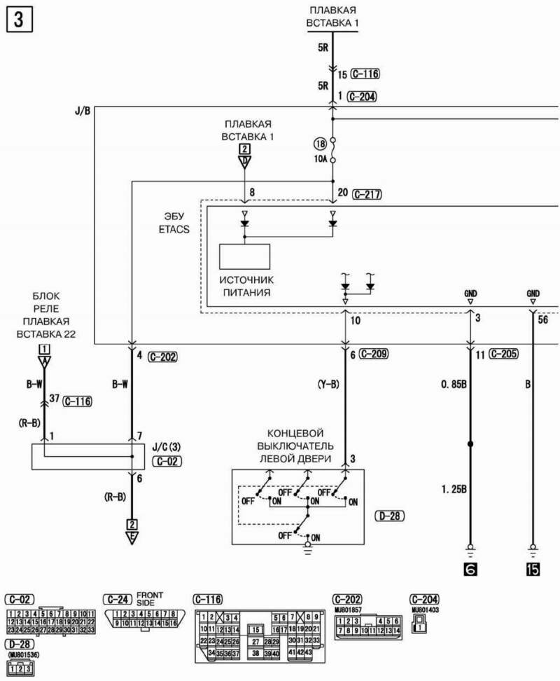
Схема концевого выключателя двери Mitsubishi Outlander


Электросхема переднего фонаря внедорожника Аутлэндер

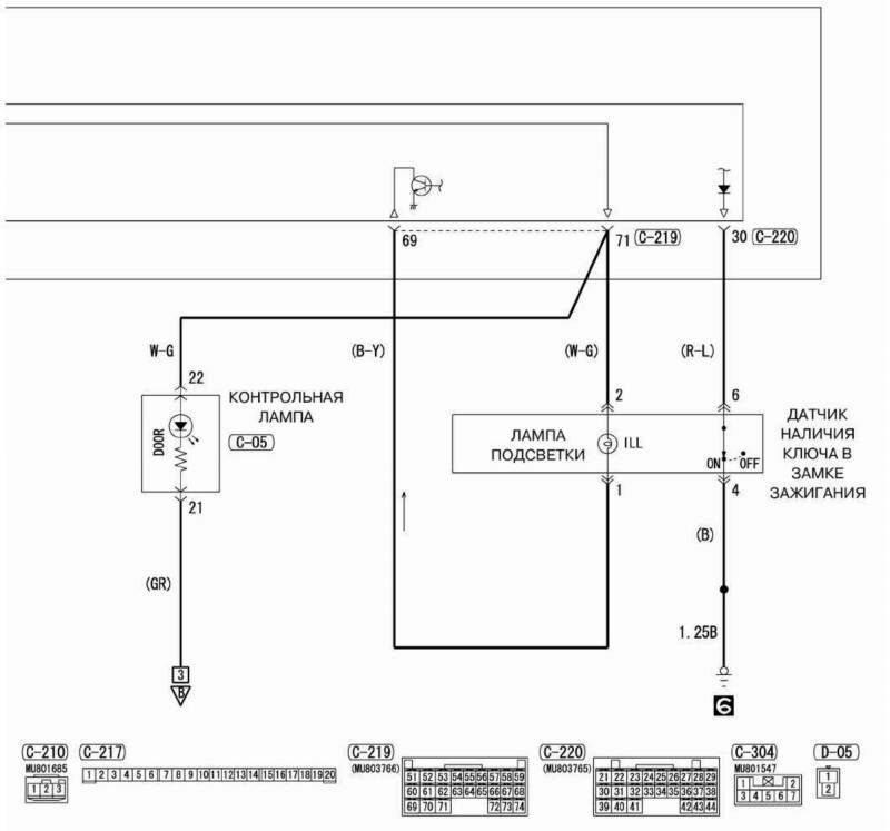
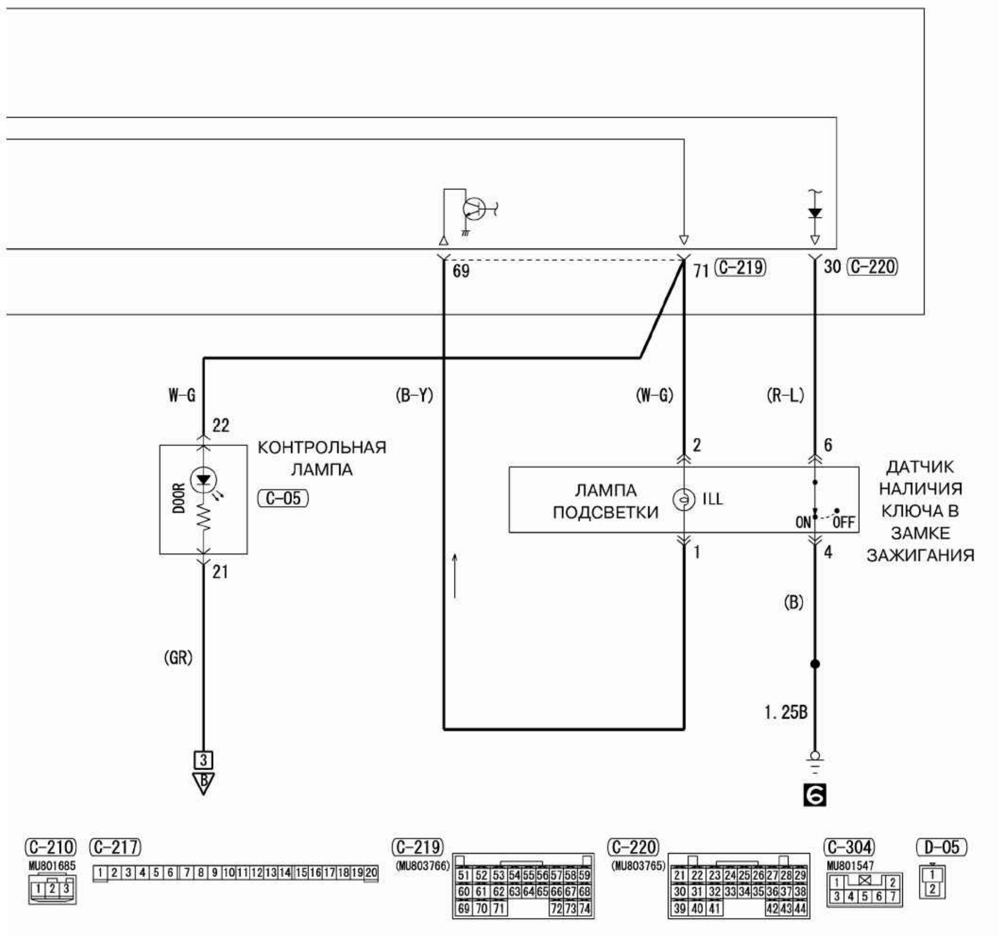
Контрольная лампа и лампа подсветки - схемы

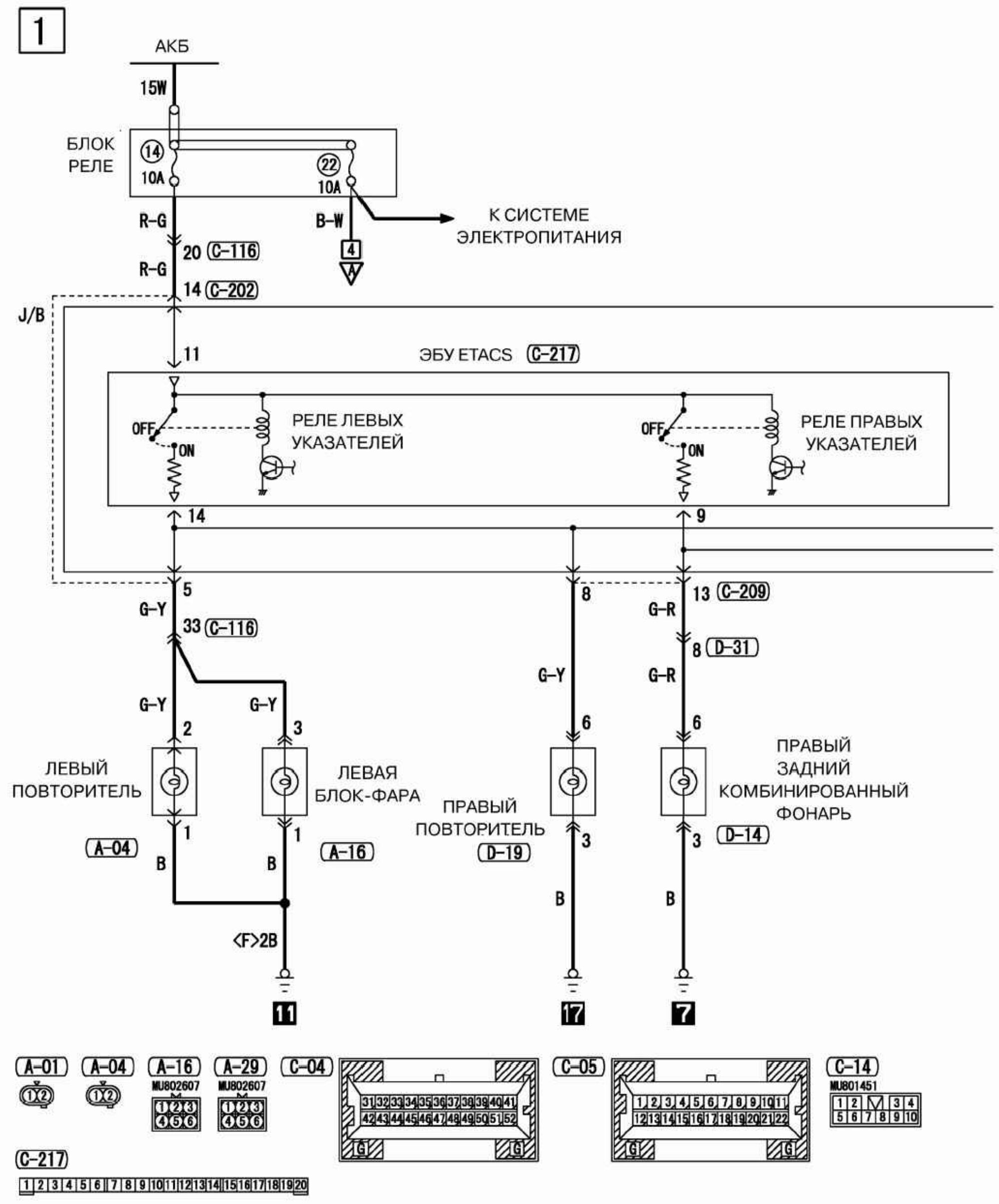
Реле указателей поворота авто

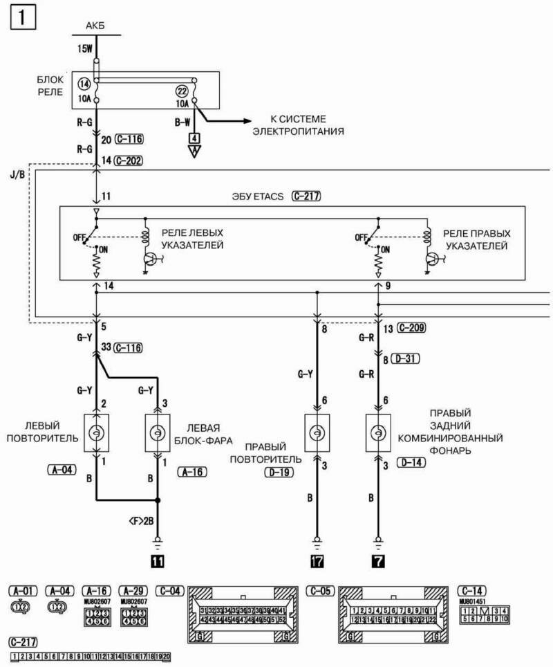
Схема подключения блок-фары, повторителя и контрольной лампы

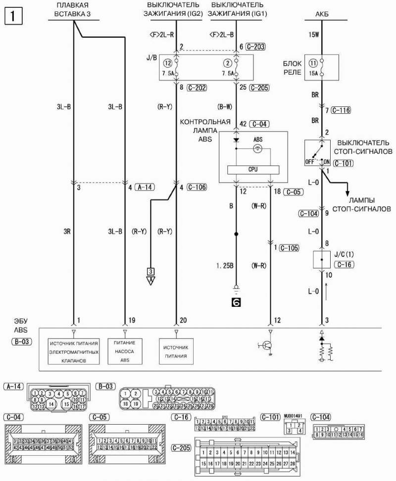
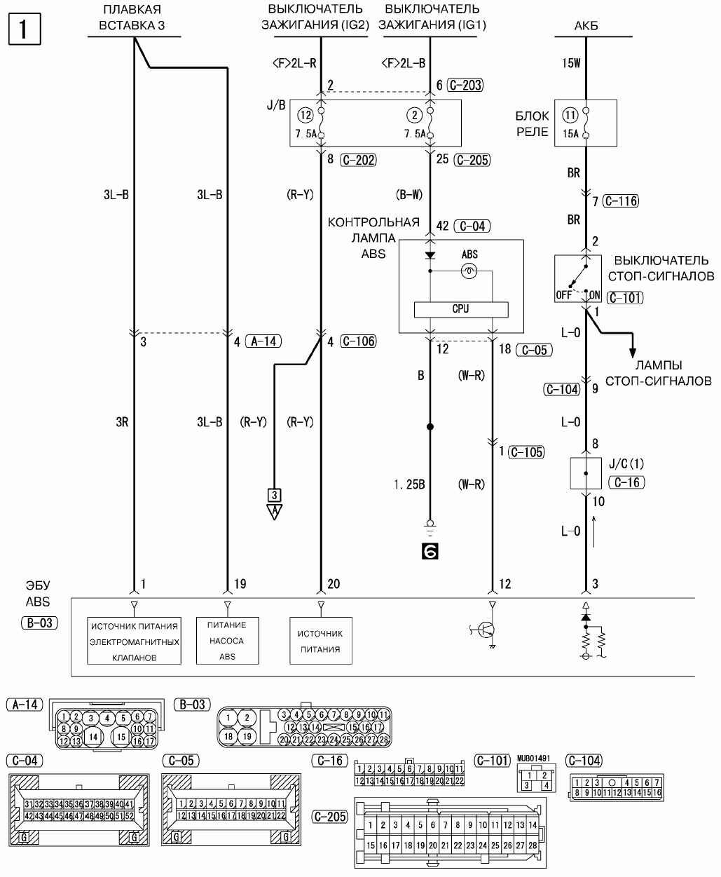
Принципиальная схема ЭБУ ABS Mitsubishi Outlander

Электромагнитные клапаны и двигатель насоса автомобиля

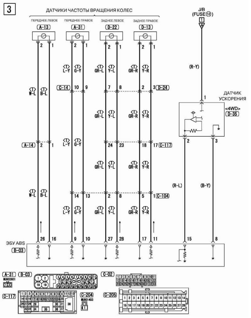
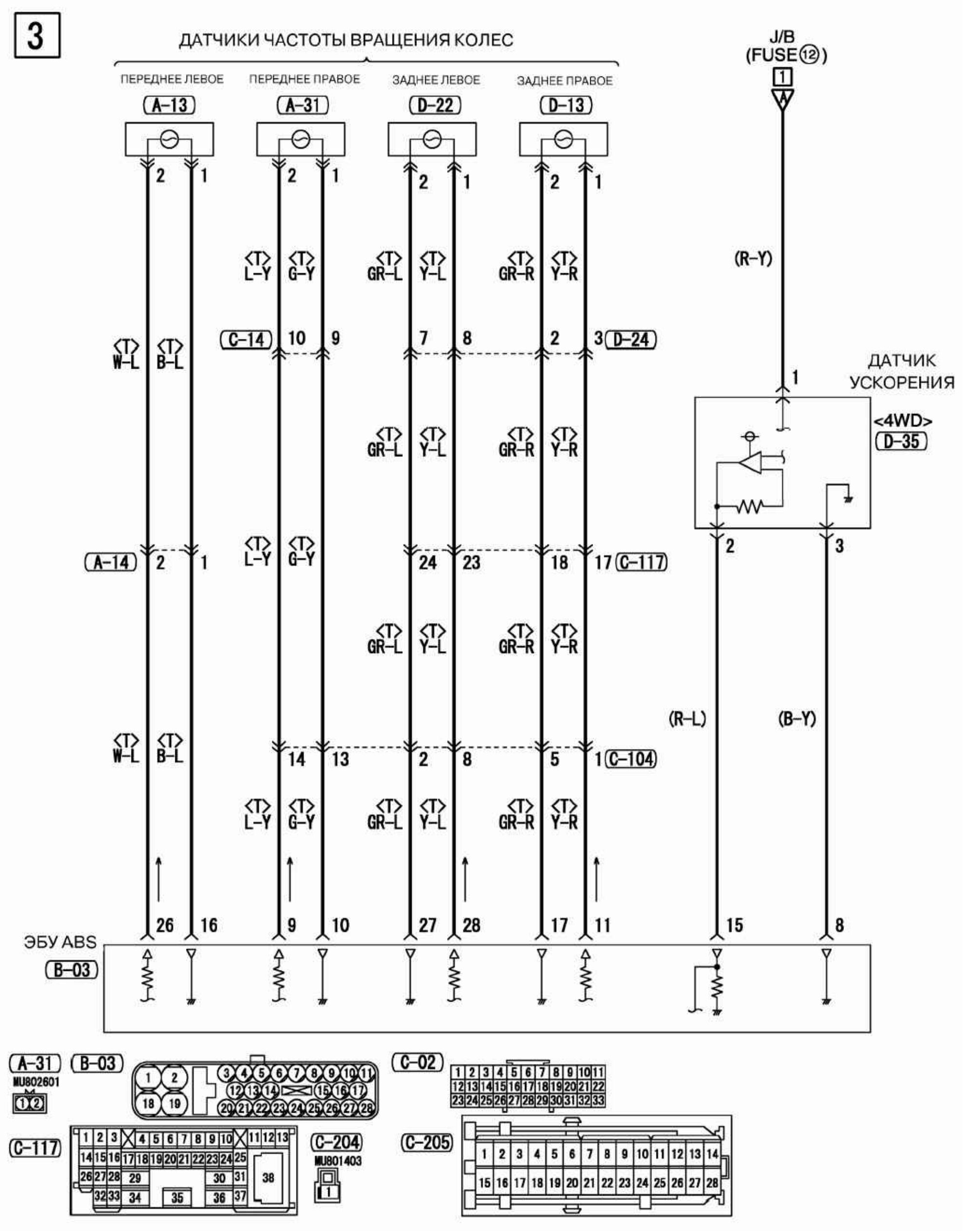
Схема датчиков частоты вращения колёс авто


РЕМОНТ АВТОЭЛЕКТРОНИКИ ЗАРЯДНЫЕ УСТРОЙСТВА ДЛЯ АКБ

|