Электрооборудование автомобиля Митсубиси L200 - полный сборник схем. Информация нужна для диагностики неисправностей. Представленные электрические схемы упрощают поиск неисправностей в электрооборудовании авто. В отдельные разделы мануала входят инструкция по эксплуатации Mitsubishi L200, рекомендации по техническому обслуживанию и схемы электрооборудования автомобиля. Сборник будет полезен владельцам автомобилей Мицубиси L200, специалистам СТО, ремонтных мастерских и автосервисов. Вторая часть каталога схем.
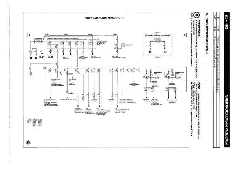
Электросхема распределения питания 12В МИТСУБИСИ Л200



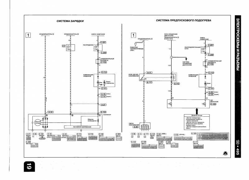
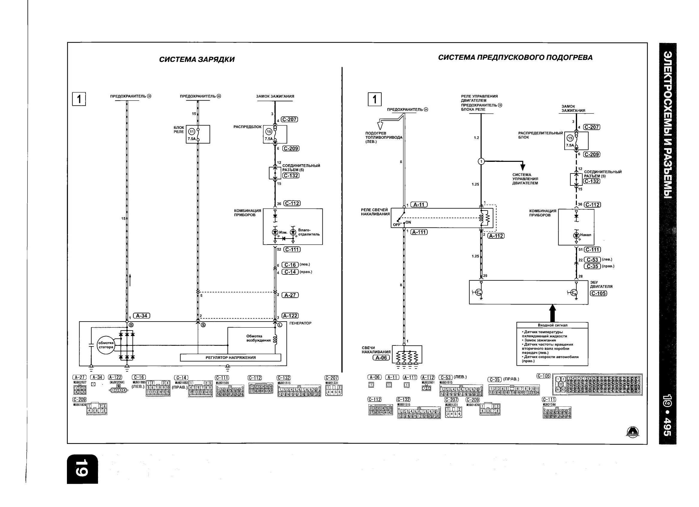
Система зарядки и предпускового подогрева двигателя

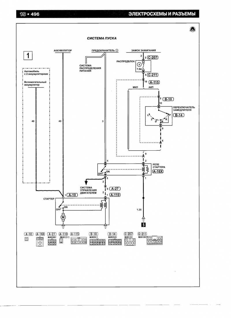
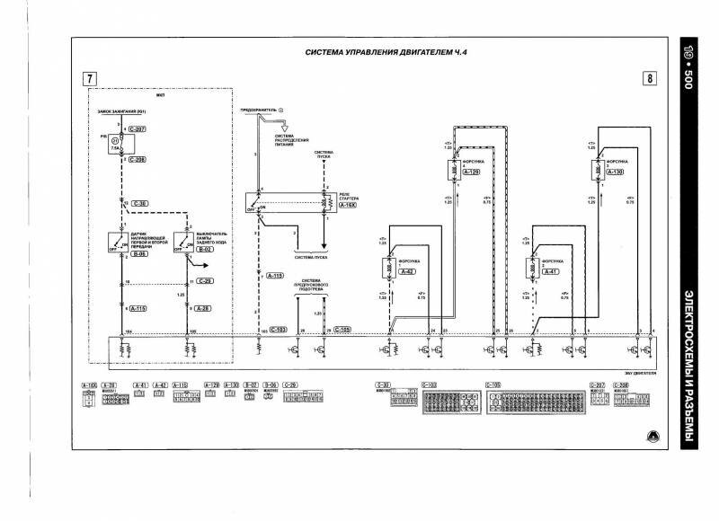
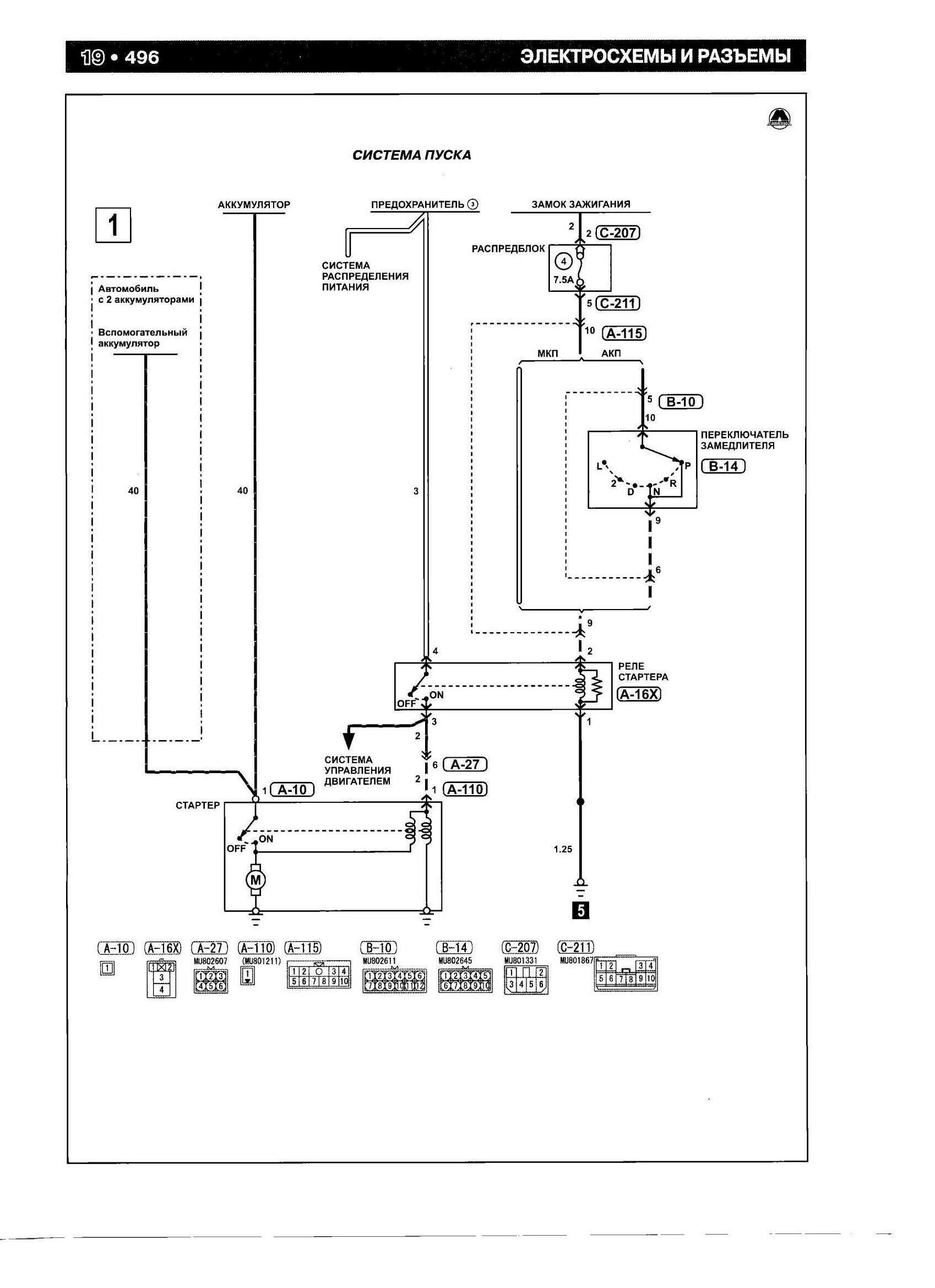
Схема блока пуска авто

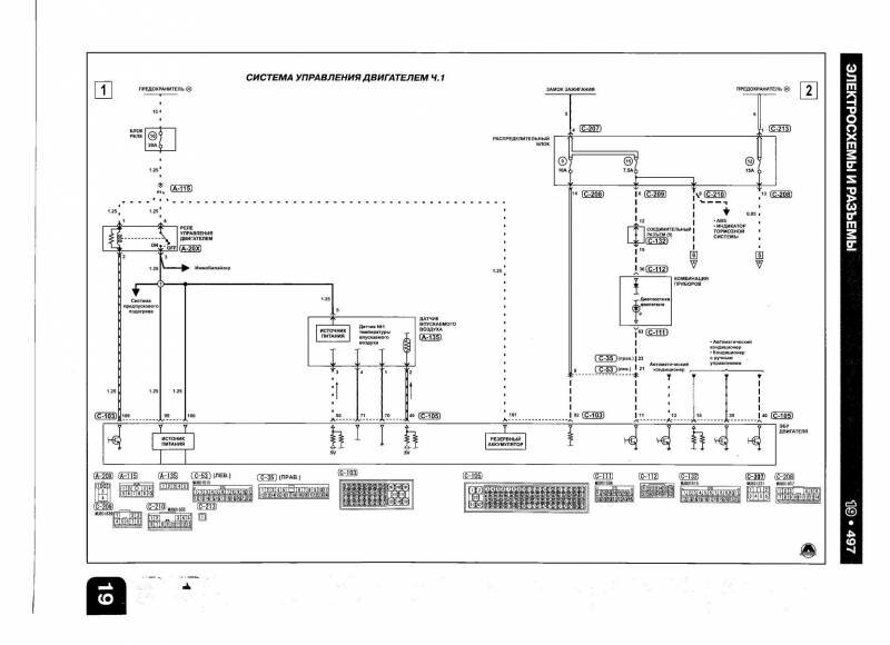
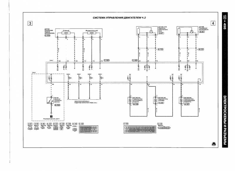
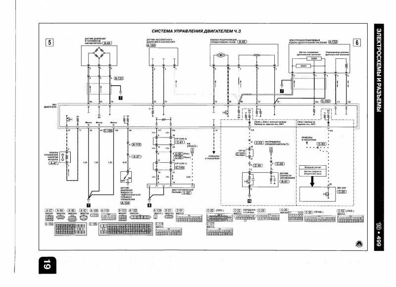
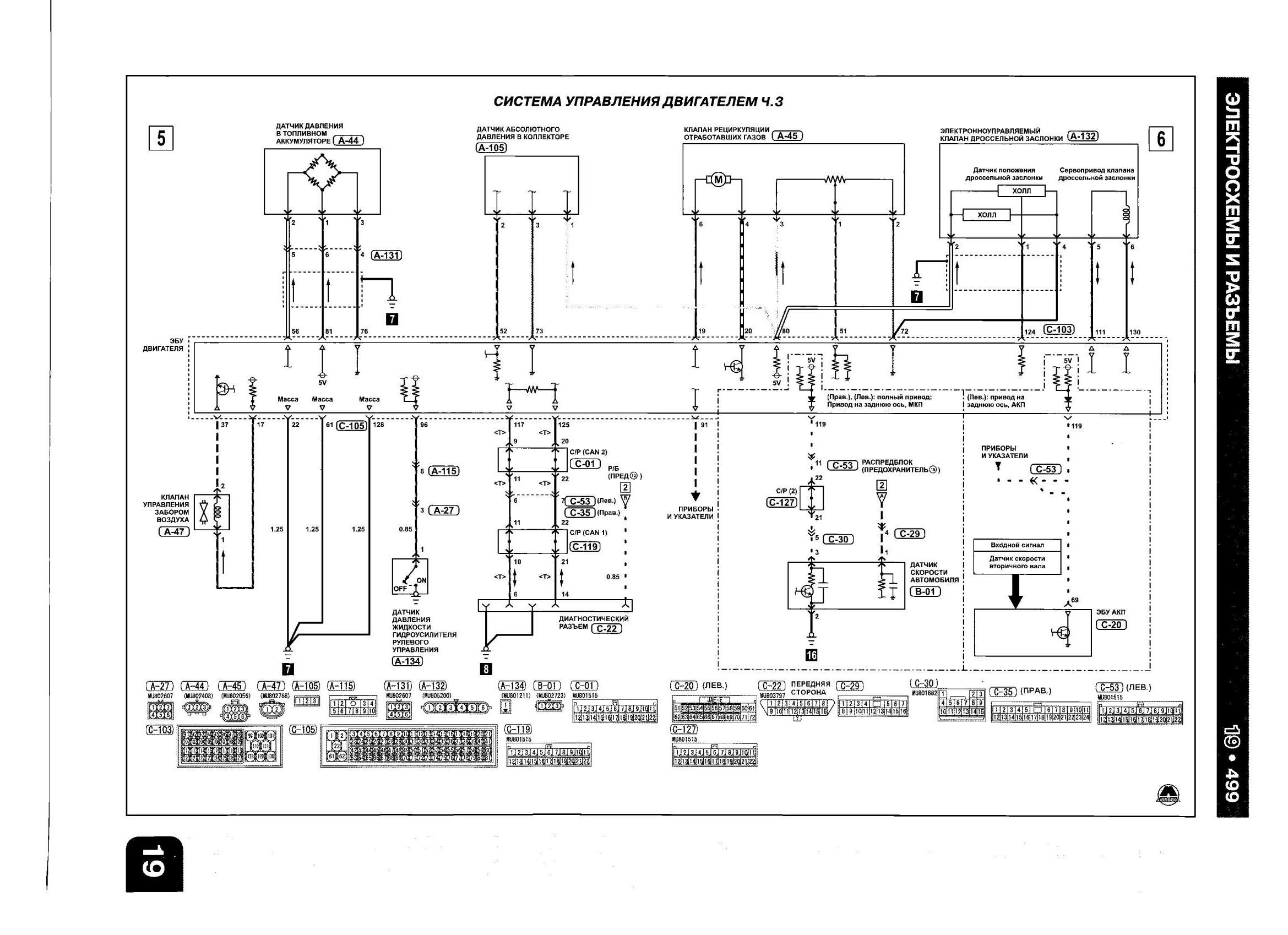
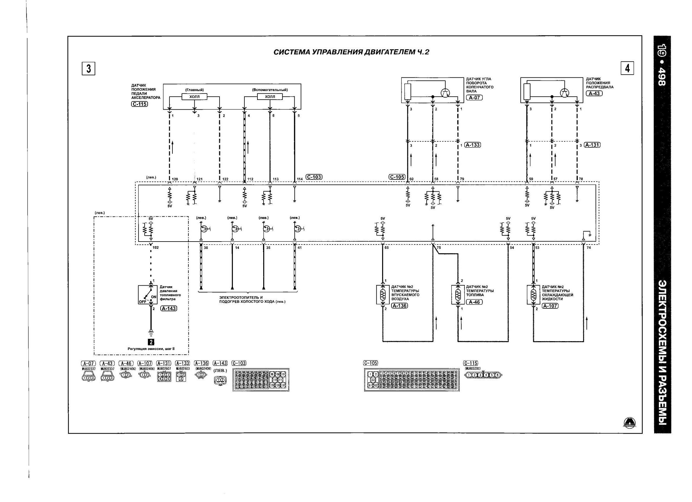
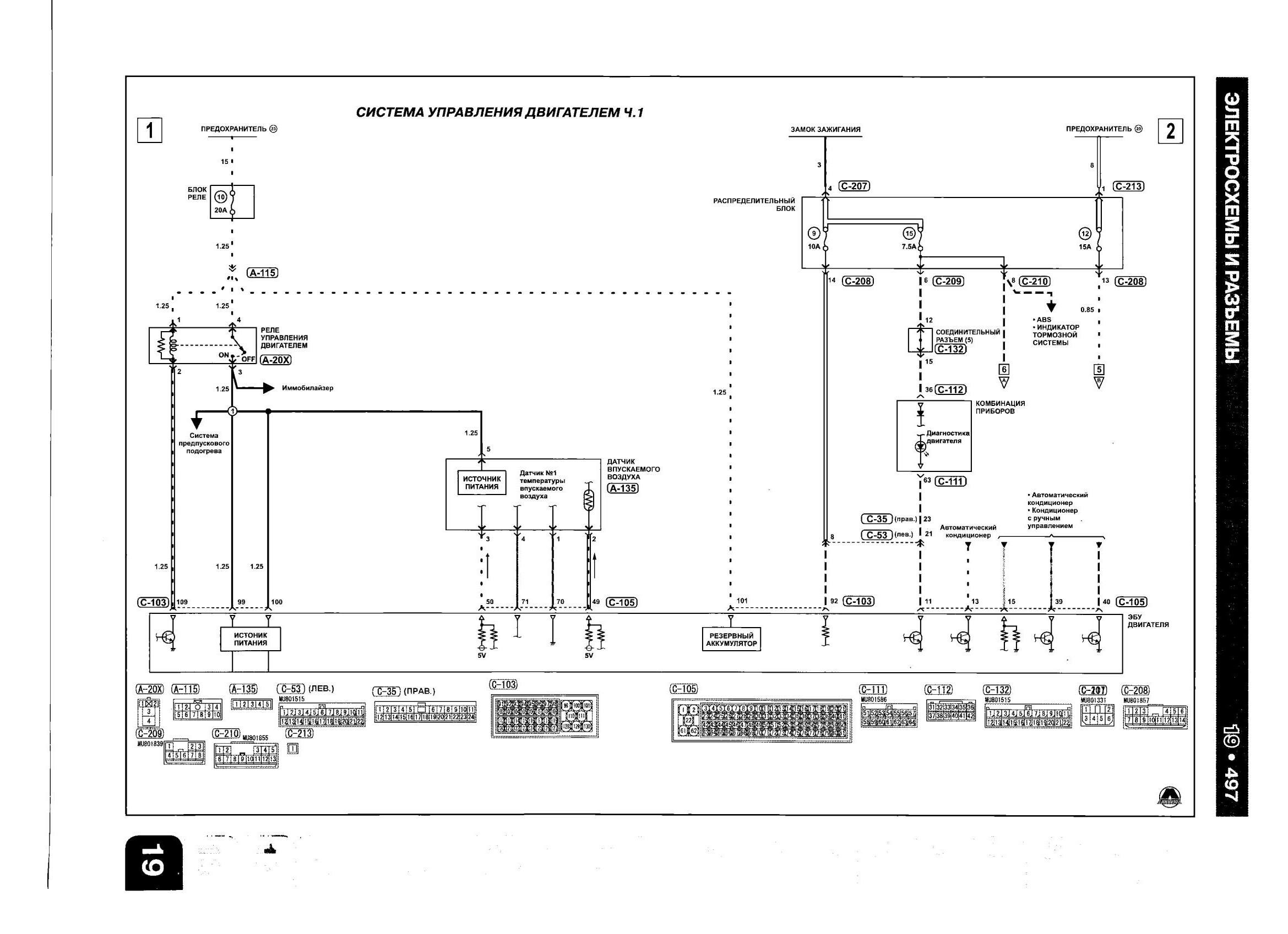
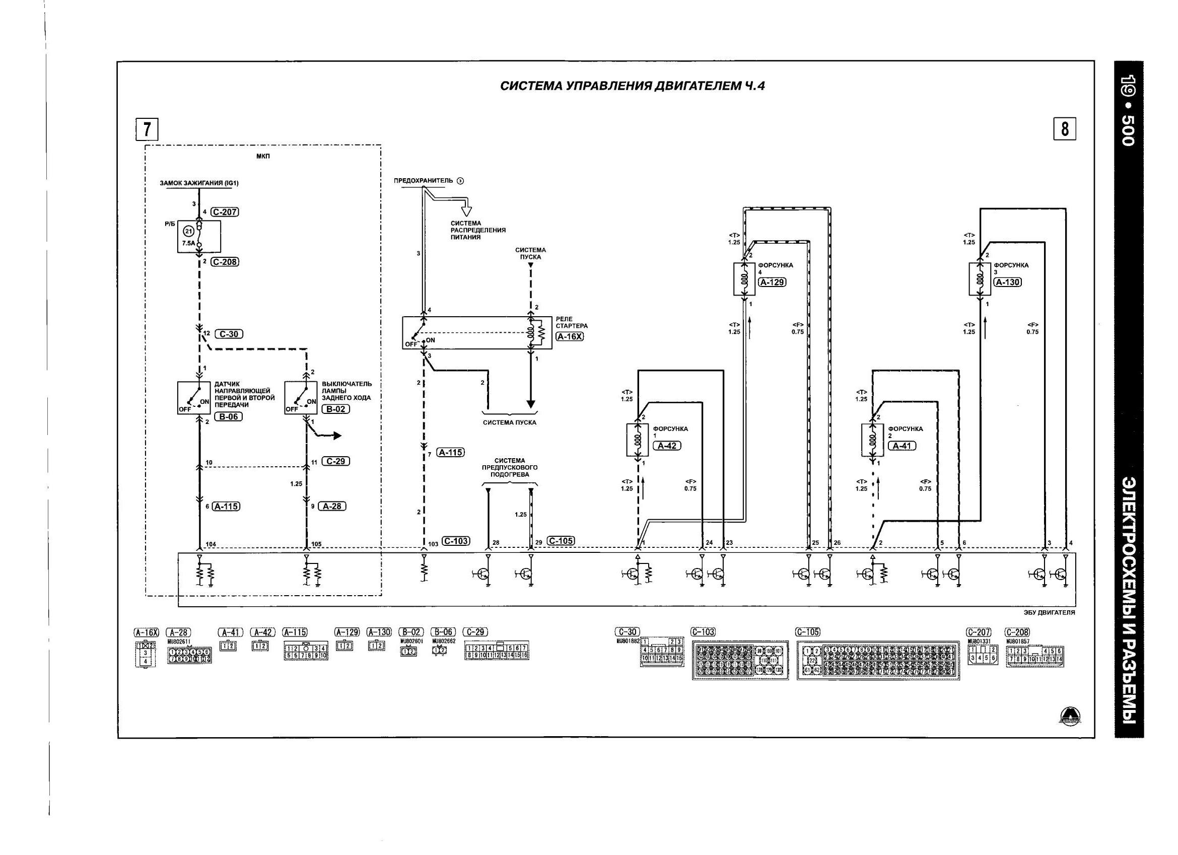
Элетрическая схема системы управления двигателем
(датчики давления в топливном аккумуляторе и абсолютного давления в коллекторе, датчики положения акселератора, поворота угла коленвала и распредвала)




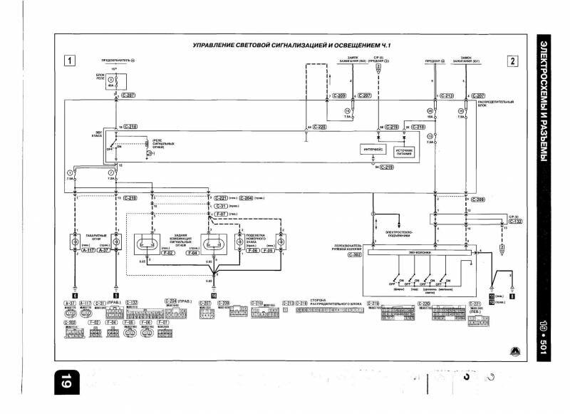
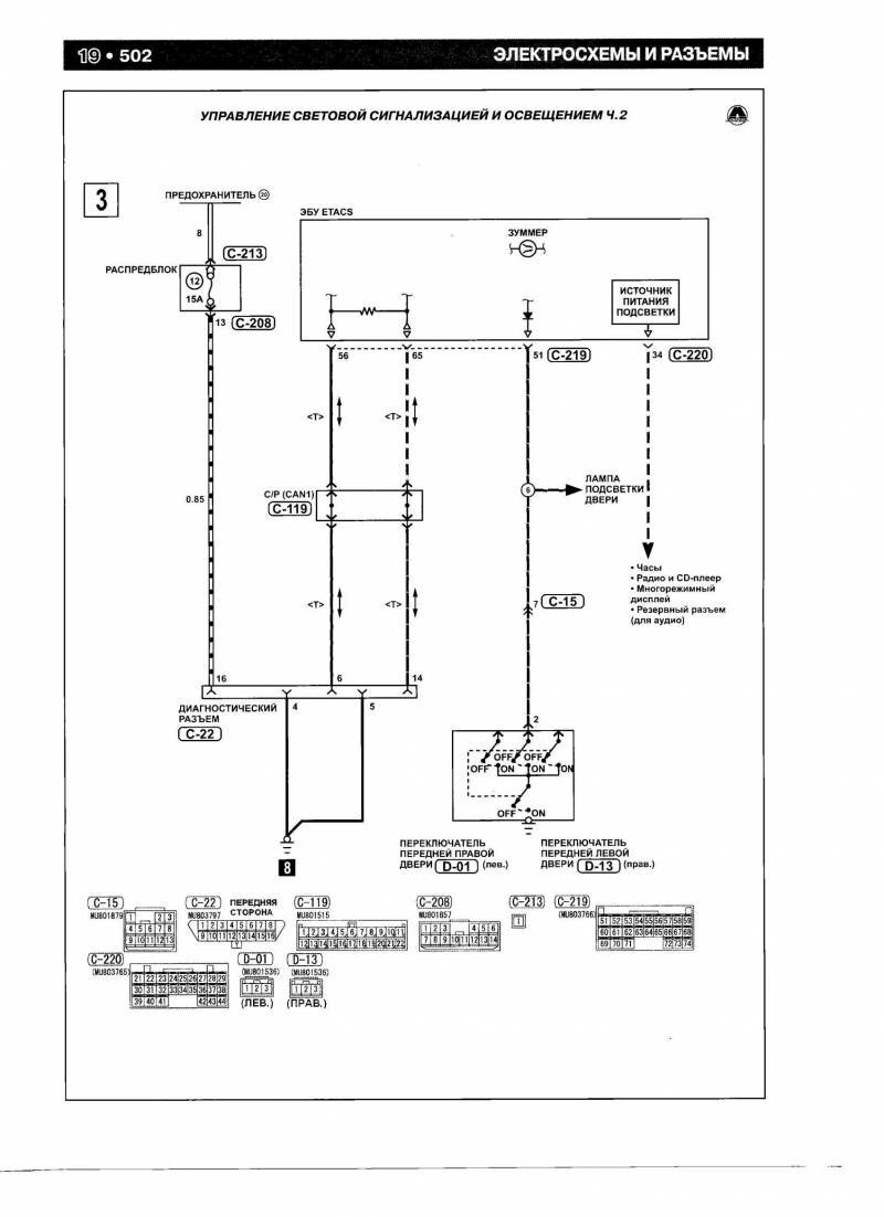
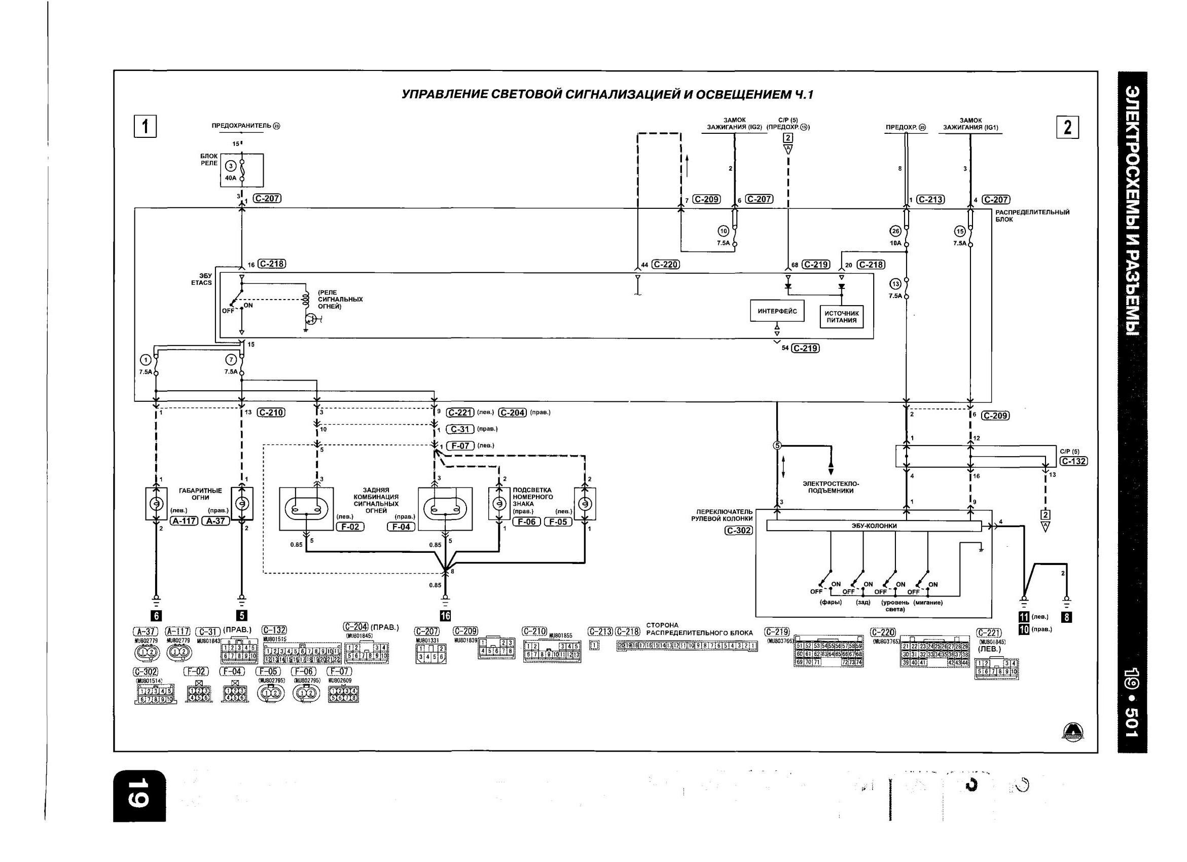
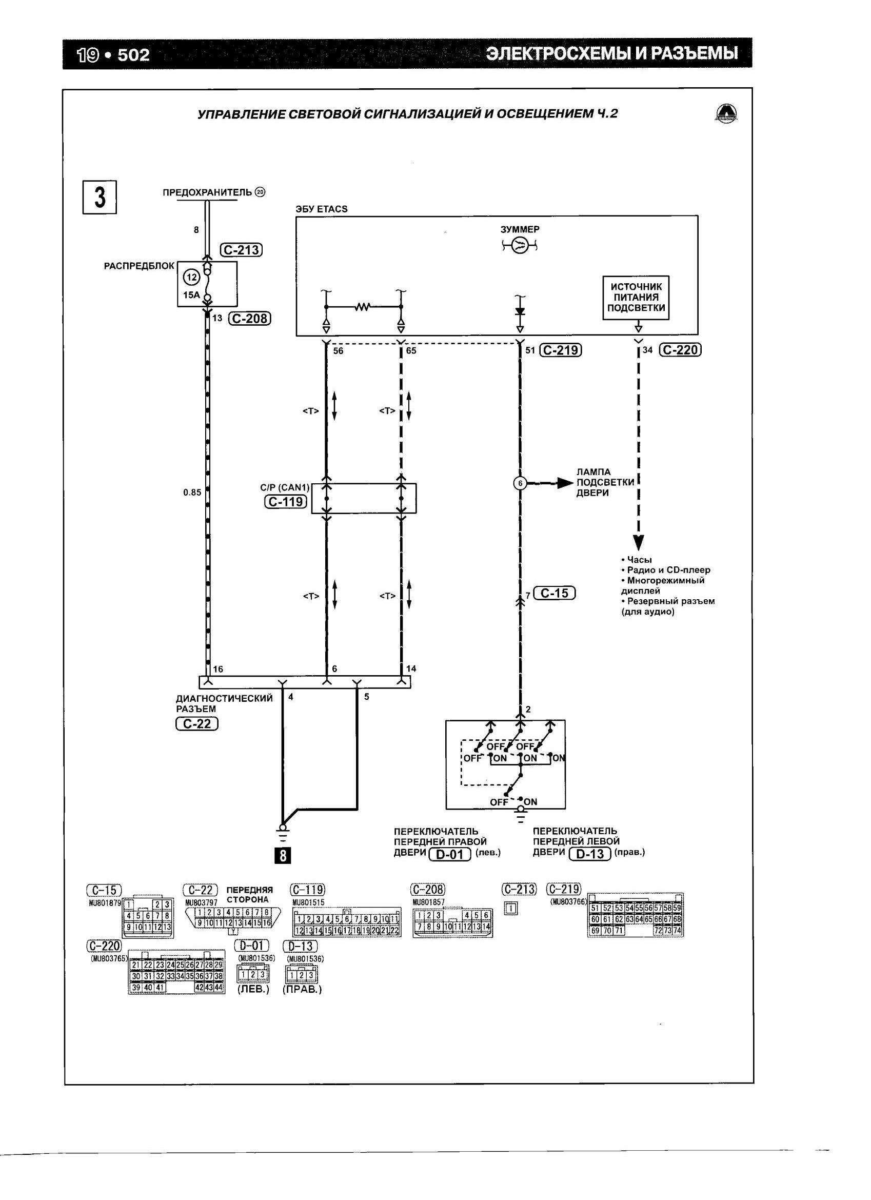
Блок управления световой сигнализацией и освещением - схема


Аудиосистема Mitsubishi L200 - подключение динамиков задних и передних

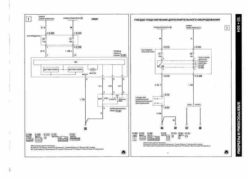
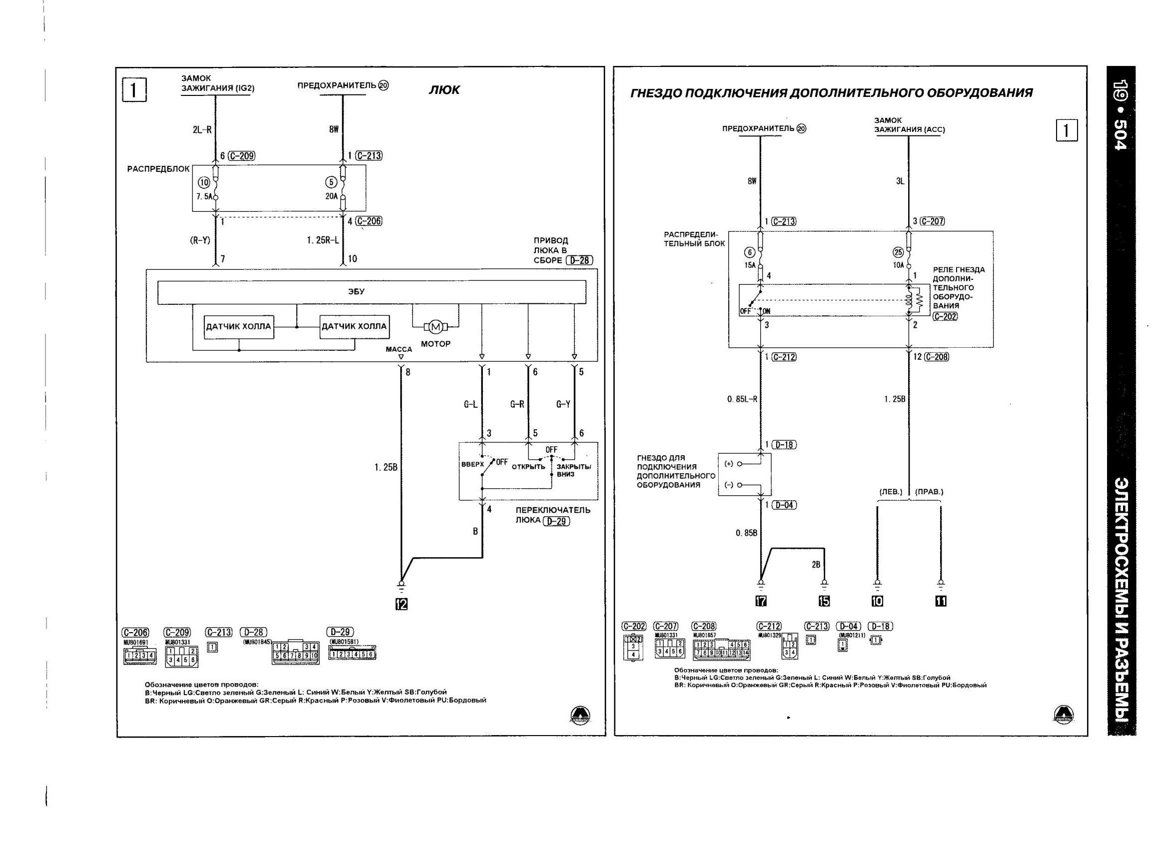
Привод люка и гнездо подключения дополнительного оборудования

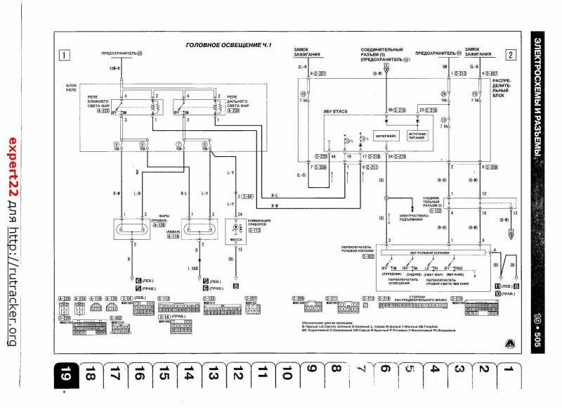
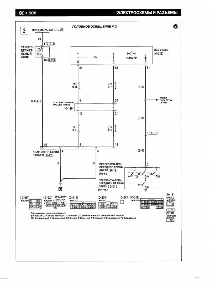
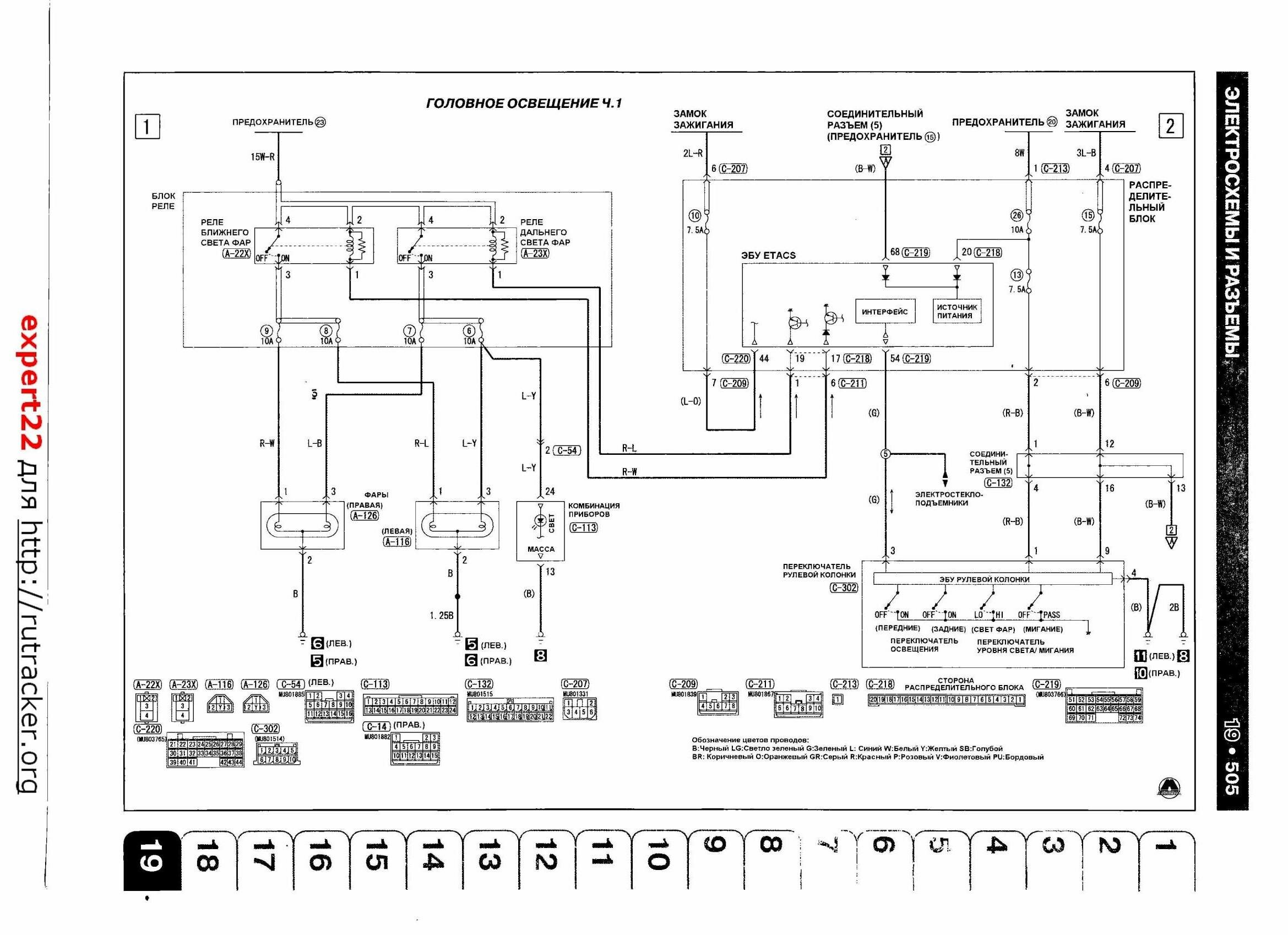
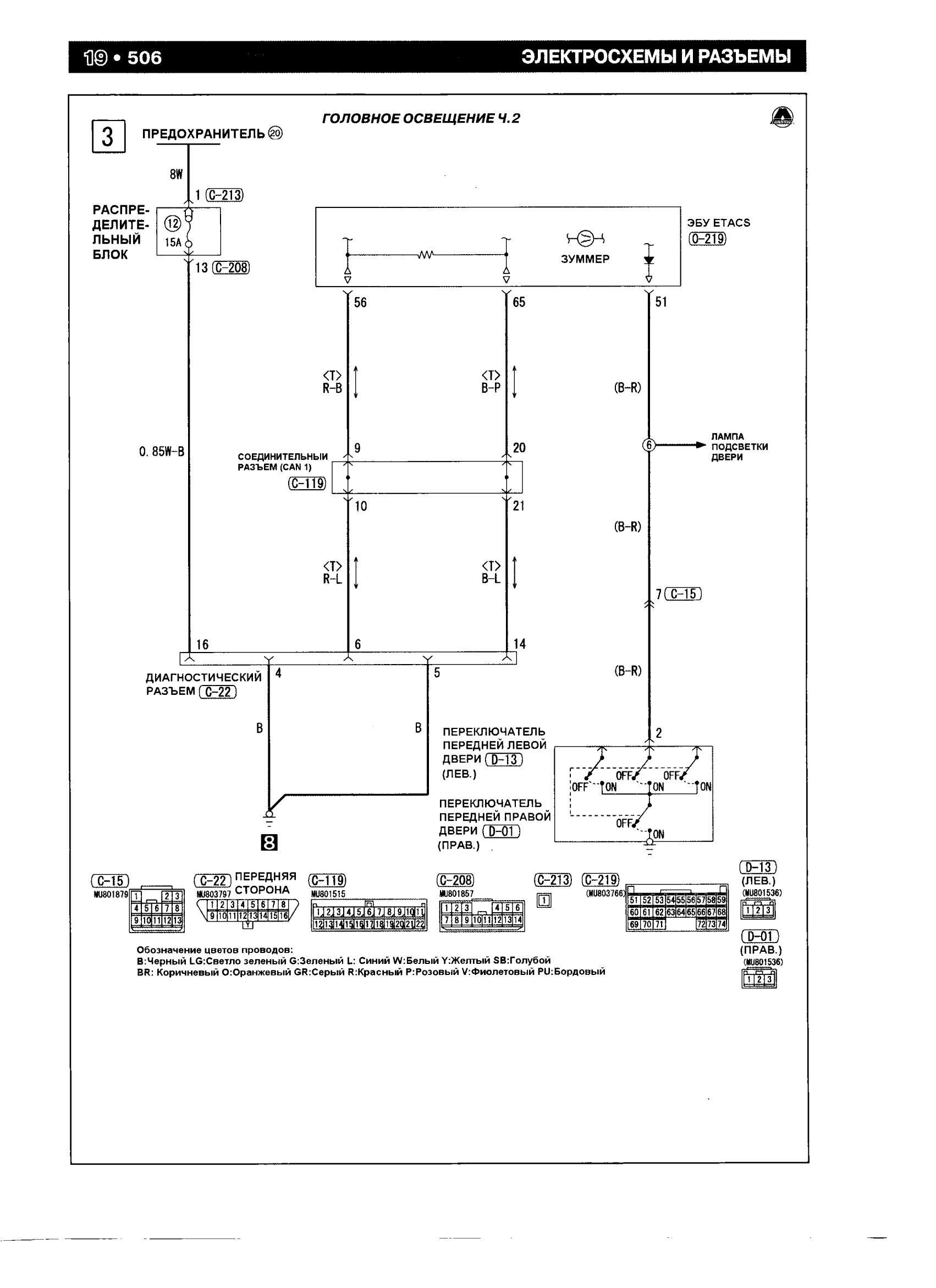
Схема головного освещения автомобиля Мицубиси L200


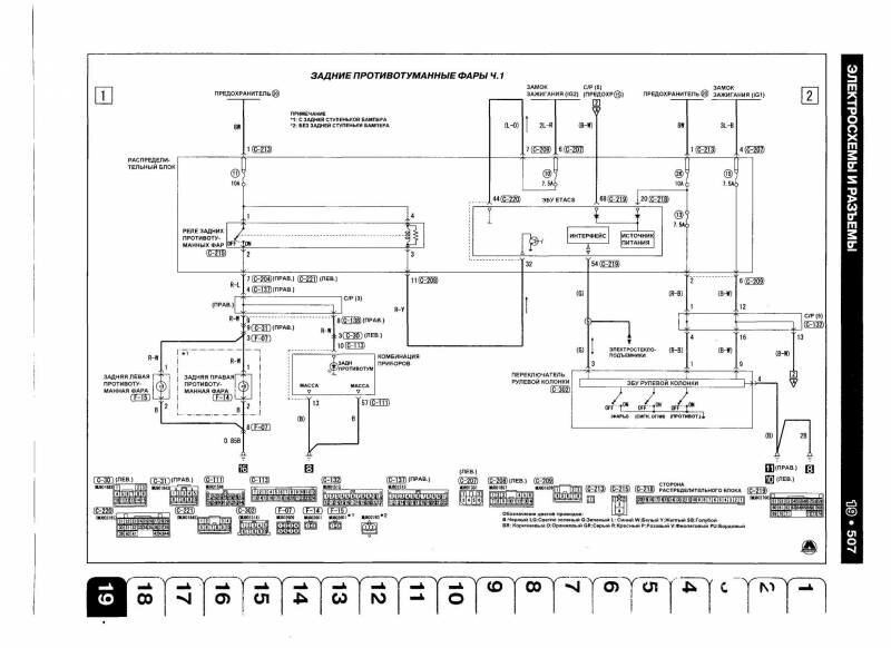
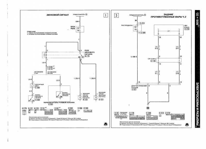
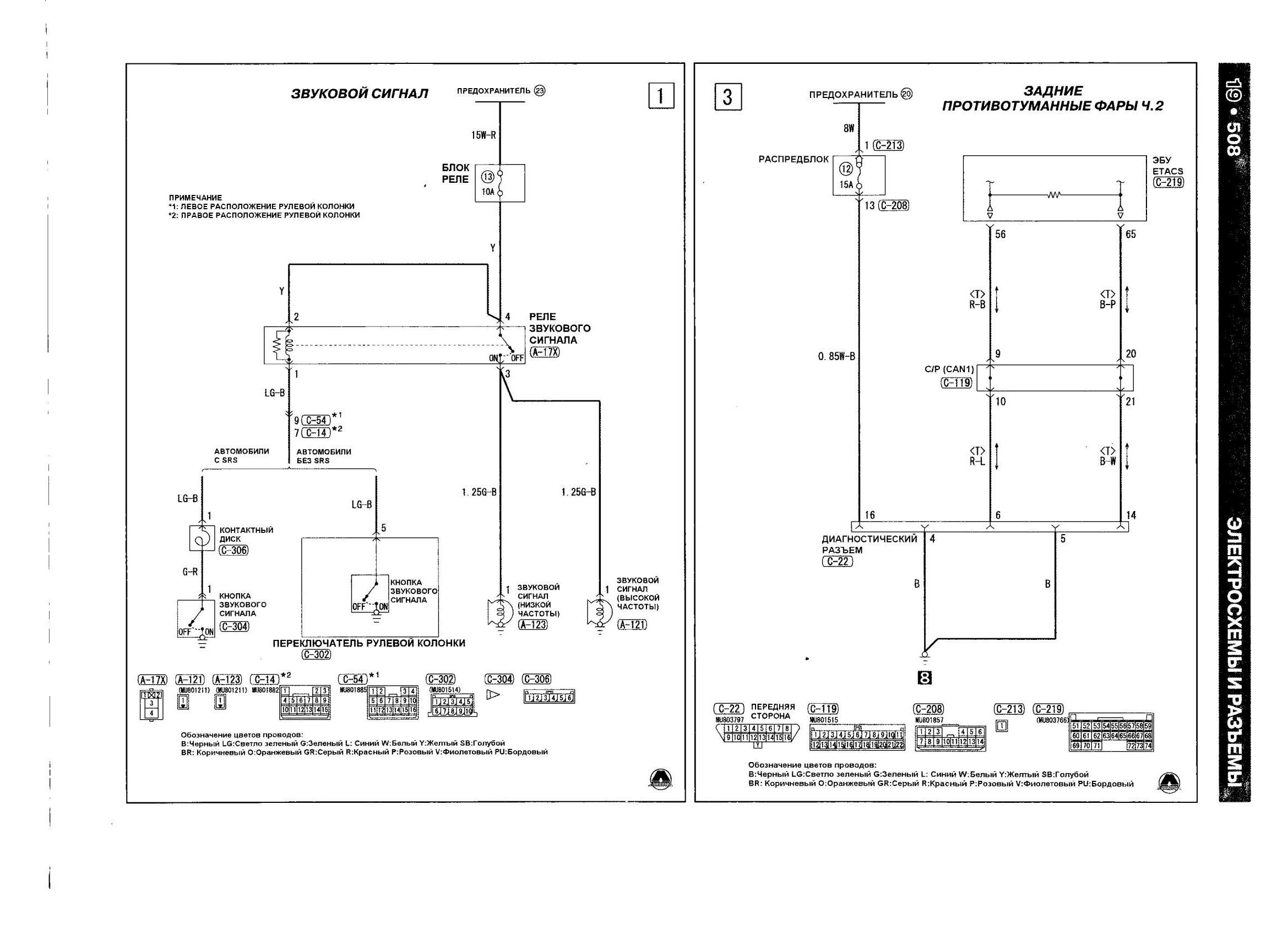
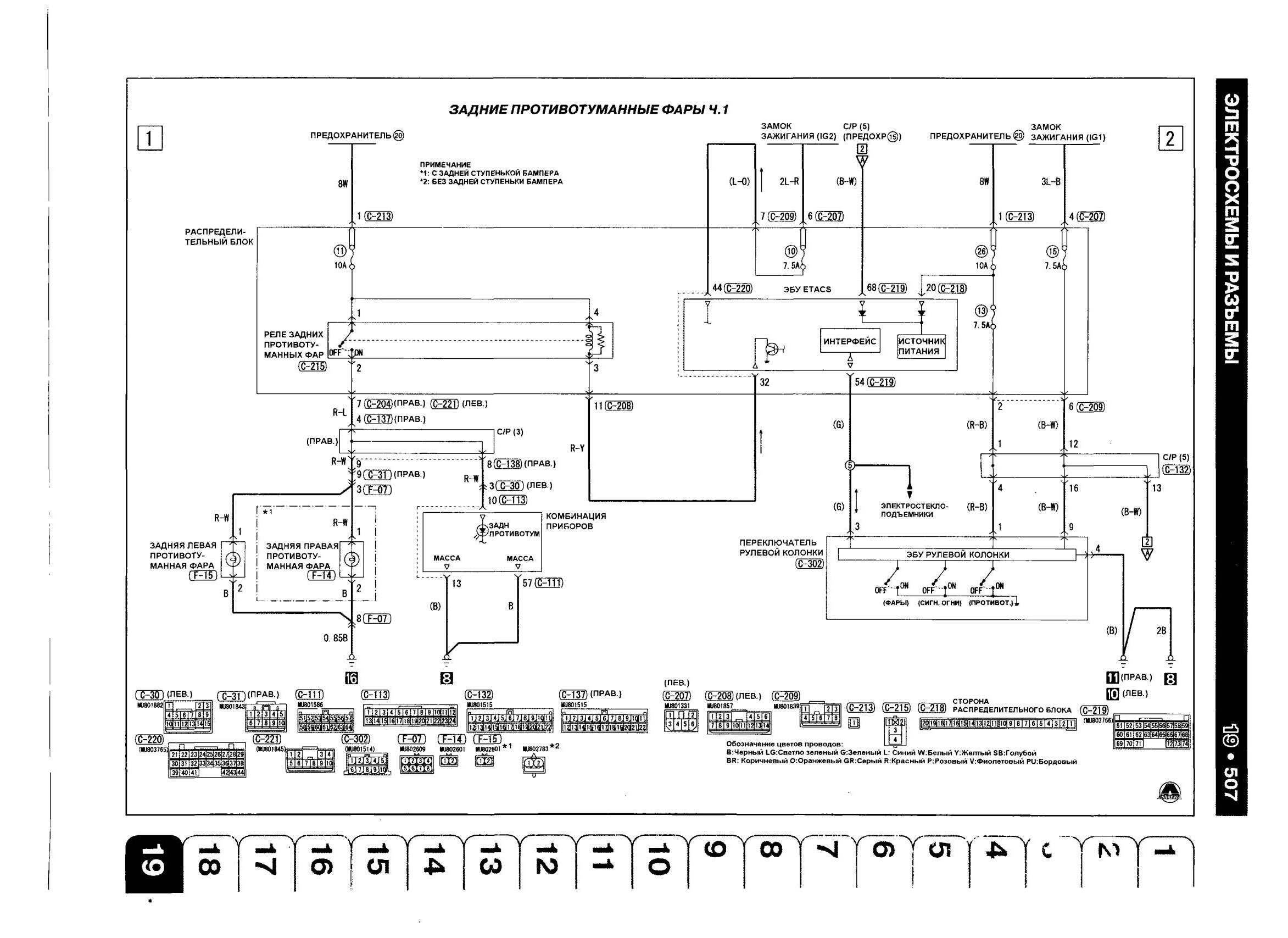
Электросхема подключения задних противотуманок (противотуманных фар)

Схема принципиальная модуля звукового сигнала авто

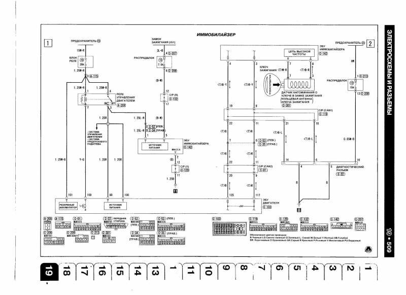
Иммобилайзер - предохранители, ЭБУ двигателя, замок зажигания, распредблок

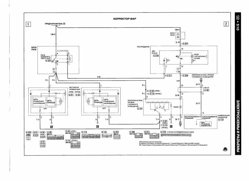
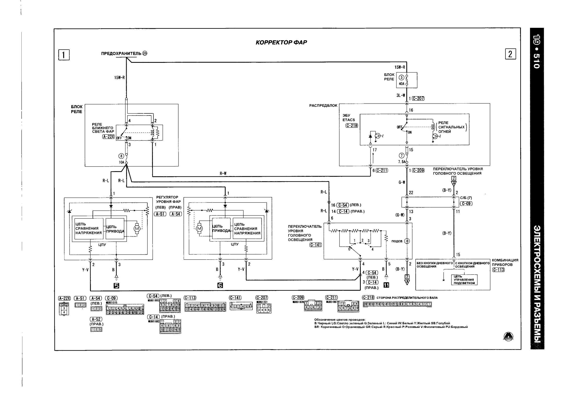
Схема корректора фар автомобиля Митсубиси Л200

РЕМОНТ АВТОЭЛЕКТРОНИКИ ЗАРЯДНЫЕ УСТРОЙСТВА ДЛЯ АКБ

|