Несколько схем электрооборудования отечественного мотоцикла Минск. Все электросхемы представляют собой сканированные мануалы. Вы можете посмотреть такие модели, как Минск M4 200, Минск C4 200 и Минск C 125.
Электросхема Минск M4 200

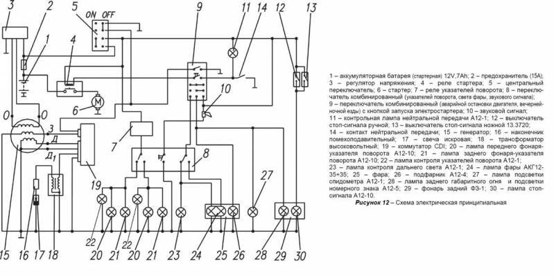
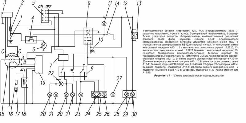
Электросхема Минск C4 200

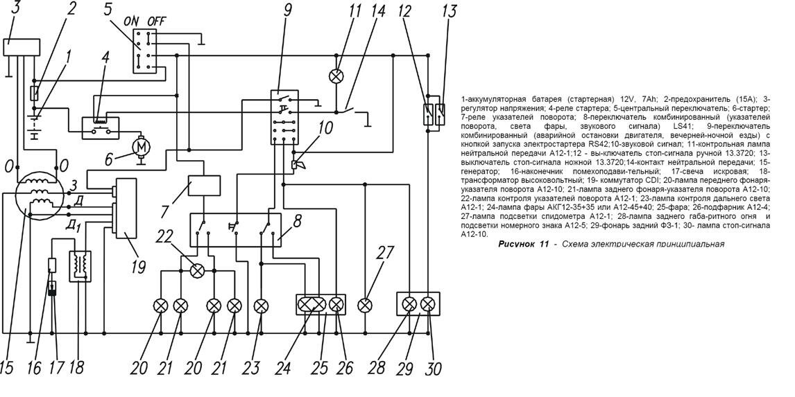
Электросхема мотоцикла Минск C 125

Схема мотоцикла Минск

В систему электрооборудования мотоциклов «Минск» входит зажигание, освещение и сигнализация. Работа системы осуществляется при помощи переменного тока. Источник – ГПТ. Потребляют электроэнергию система зажигания (к ней относятся электронный коммутатор или прерыватель, высоковольтный трансформатор и свеча), освещения (фара, фонари), поворотники, звуковые сигналы. Вспомогательными приборами являются: тумблер сигнала торможения, рычаги переключения дальнего и ближнего света и поворотов, электропрерыватель указателей поворотов, центральный переключатель с встроенным замком зажигания, контрольные фары. Электросеть имеет однопроводную систему, это значит, что от источника к потребителям протянуто по одному проводу, а рама и другие части мотоцикла, состоящие из металла – второй провод. Электронная система зажигания заключается в двух обмотках генератора – освещения и зажигания; трансформатора высокого напряжения, индукционного датчика, электроблока, сопротивления, свечей зажигания, проводов низкого и провода высокого напряжения. Подобные генераторы сейчас на всех выпускаемых мотоциклах «Минск». Еще один несомненный плюс в пользу нынешнего поколения генераторов мотоциклов «Минск» - увеличение мощности электроэнергии
РЕМОНТ АВТОЭЛЕКТРОНИКИ ЗАРЯДНЫЕ УСТРОЙСТВА ДЛЯ АКБ

|