Электросхема автомобиля ниссан микра. Для увеличения схемы кликните на ней. В сборнике представлены схемы распределения питания, системы управления двигателем, схема соединения монтажного блока и другие узлы ниссан микра.
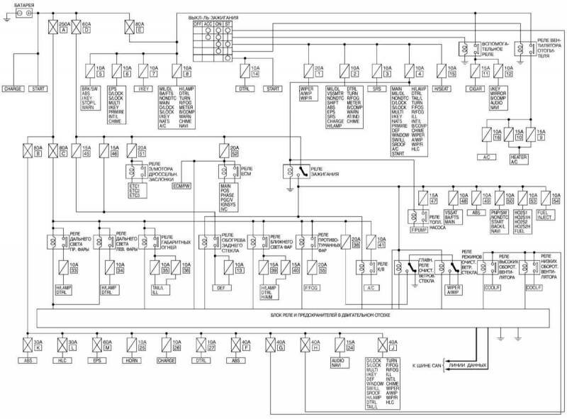
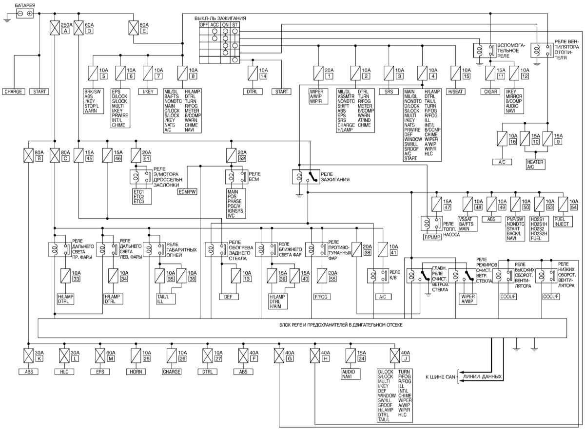
Электросхема распределения питания

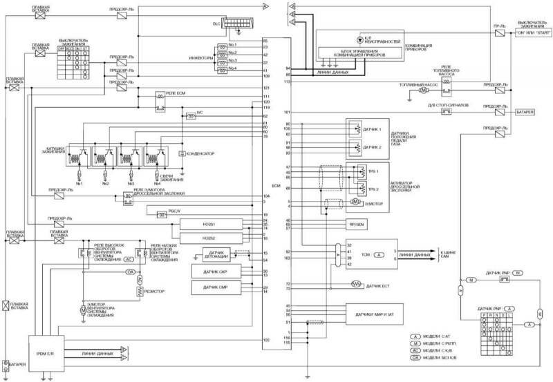
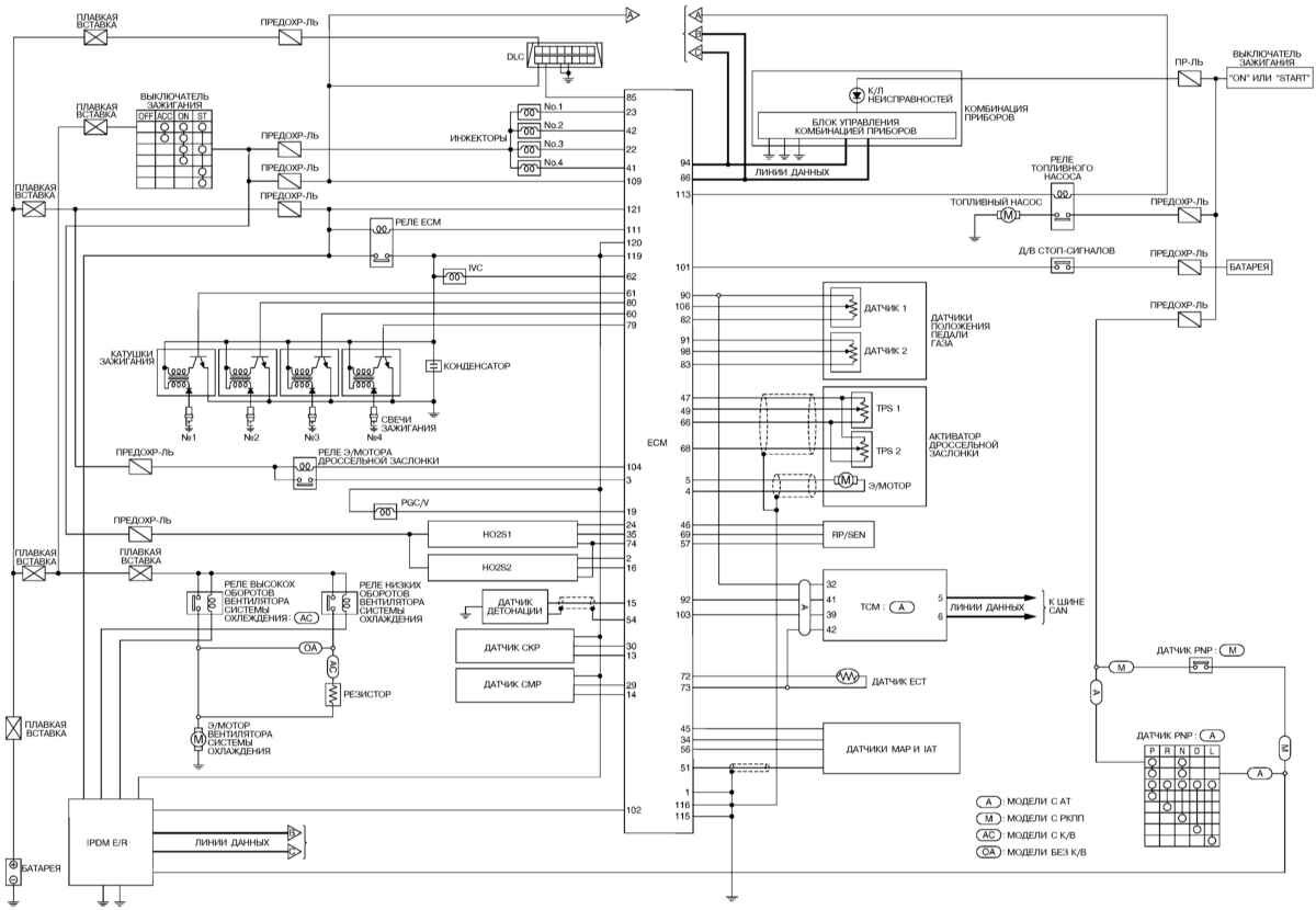
Электросхема системы управления двигателем

Шина передачи данных

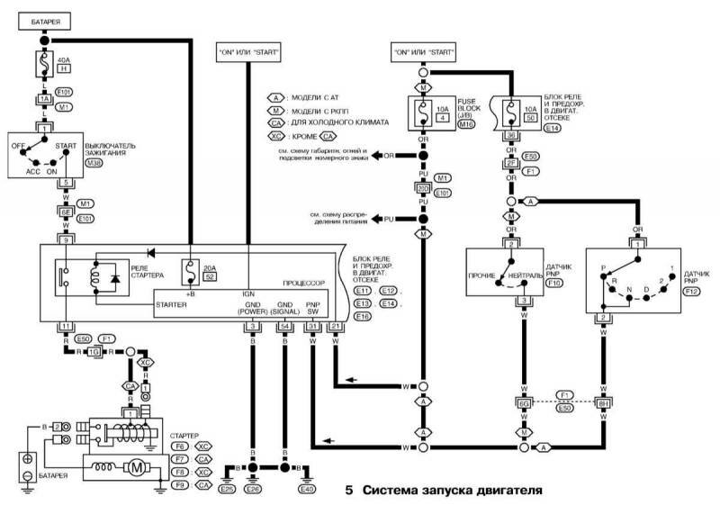
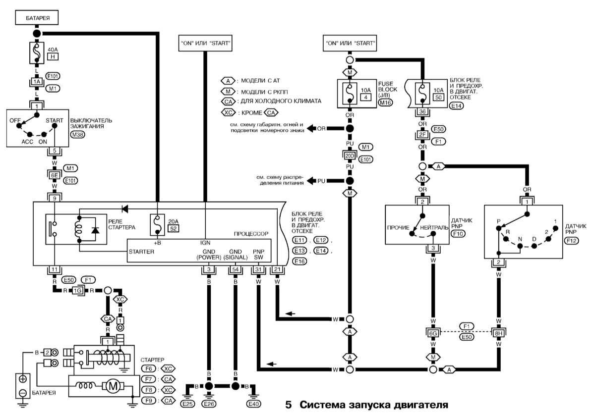
Система запуска двигателя

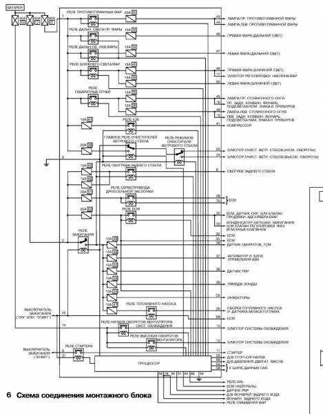
Электросхема соединения монтажного блока

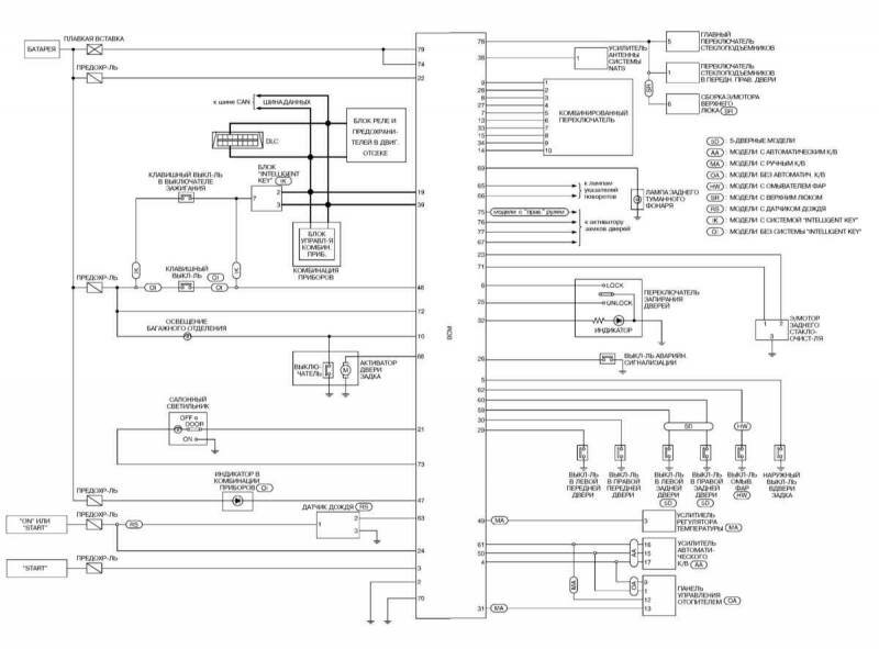
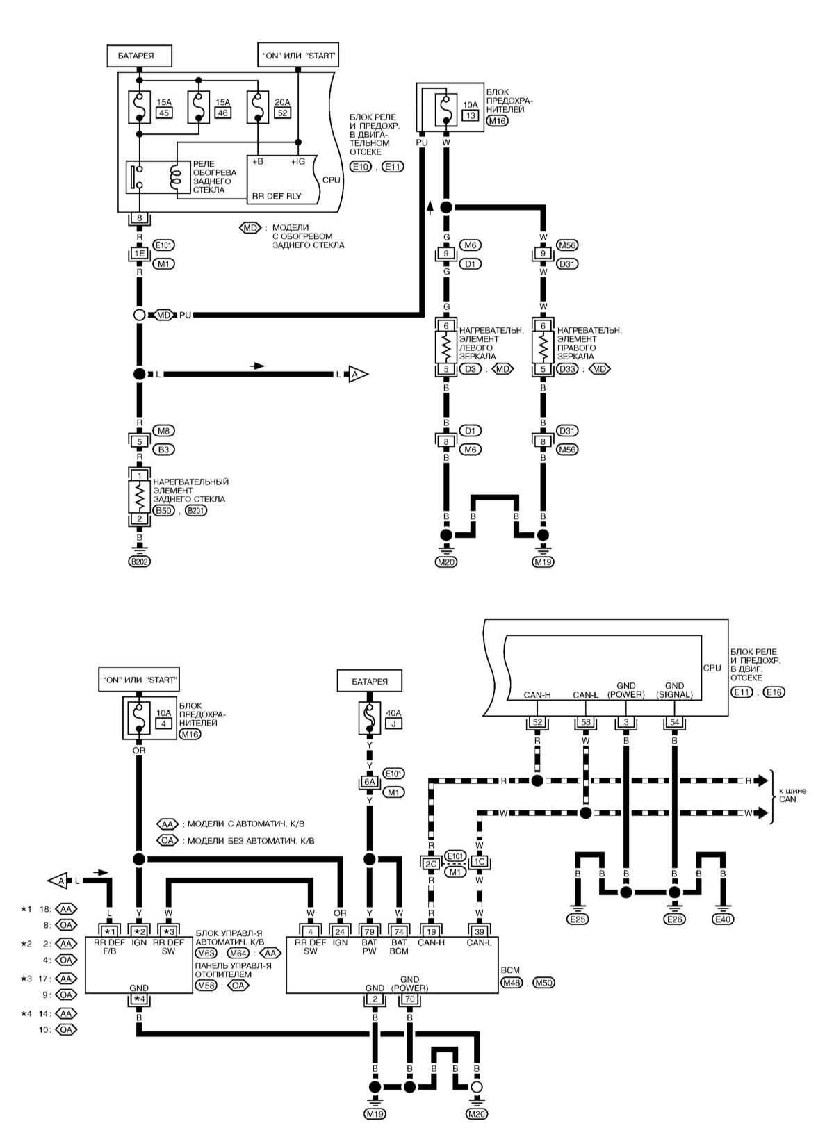
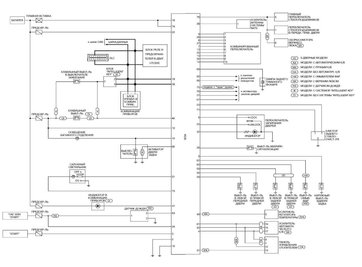
Электросхема бортового блока управления

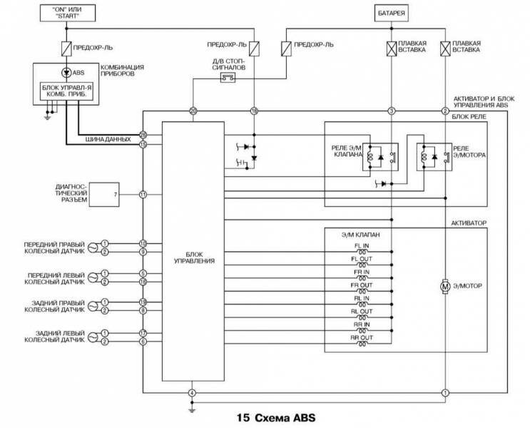
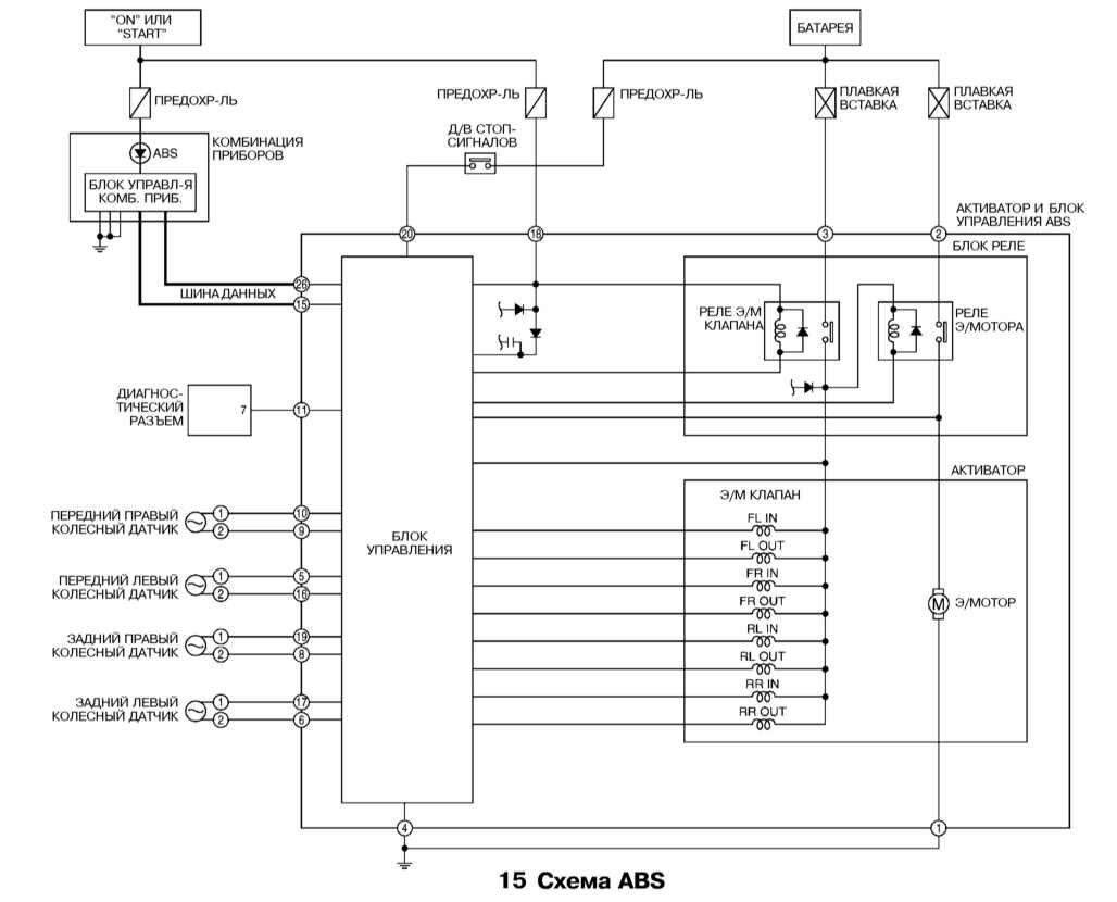
Электросхема ABS

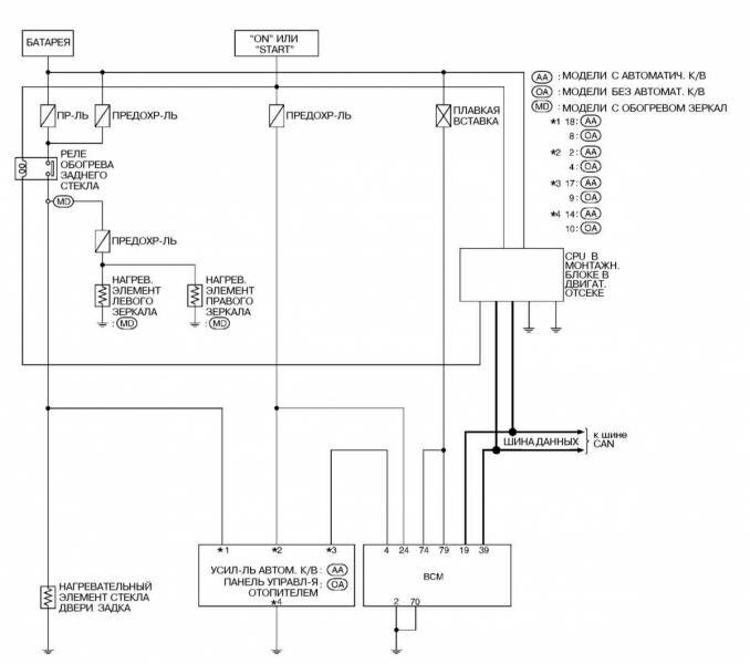
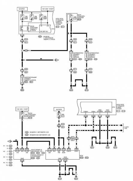
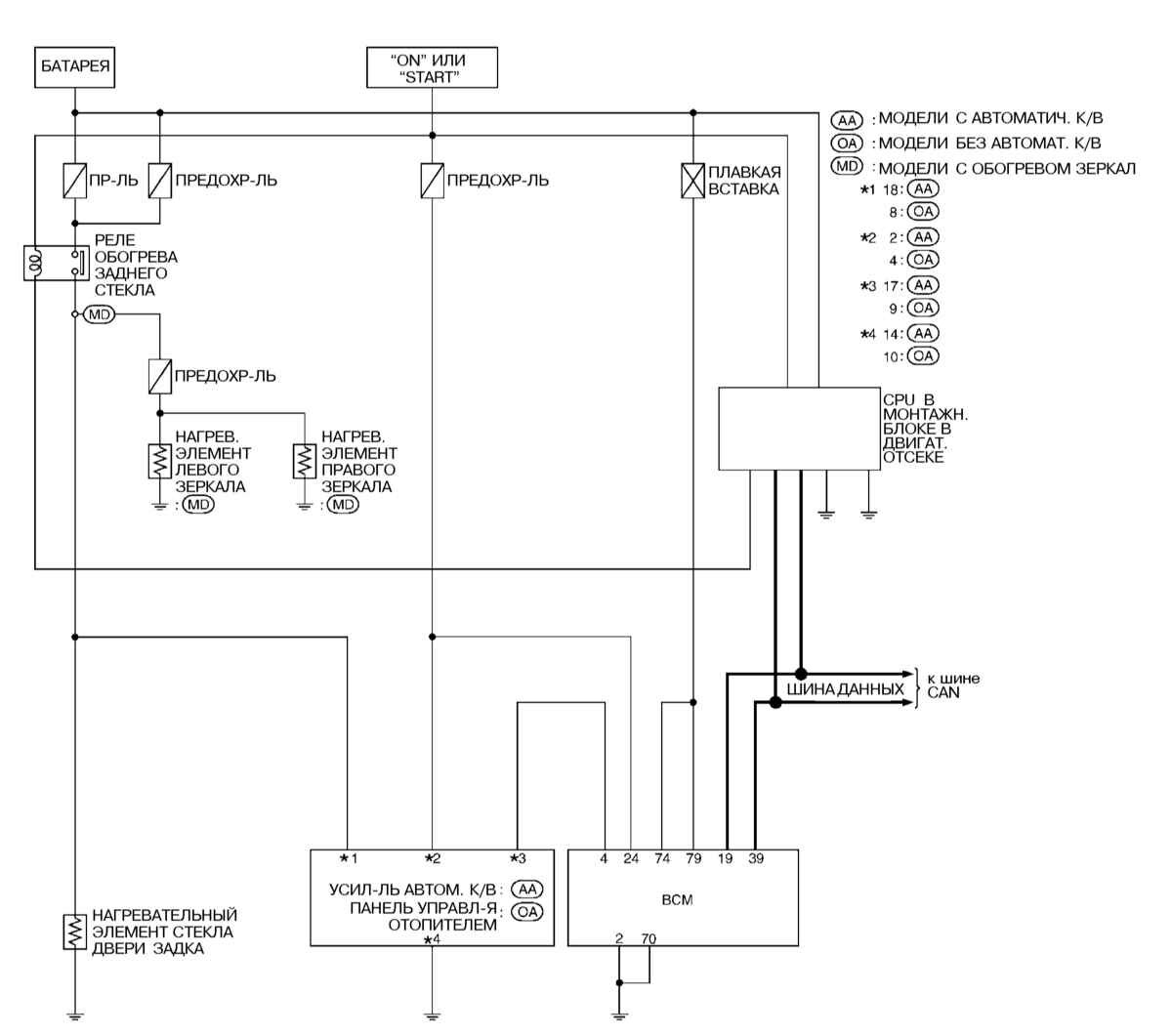
Электросхема обогрева заднего стекла и наружных зеркал

Электросхема обогрева заднего стекла и наружных зеркал заднего вида

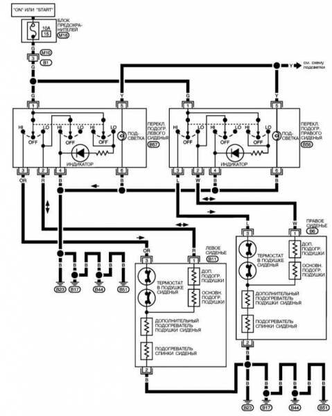
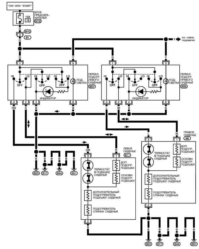
Электросхема подогрева сидений

РЕМОНТ АВТОЭЛЕКТРОНИКИ ЗАРЯДНЫЕ УСТРОЙСТВА ДЛЯ АКБ

|