Сборник жлектрическим схем от автомобиля Опел Корса. В первой части указаны электросхемы таких узлов, как двигатель, топливный насос, cистема охлаждение двигателя. Для увеличения - кликните по схеме. Вторая часть бесплатного каталога электросхем Опель Корса находится тут.
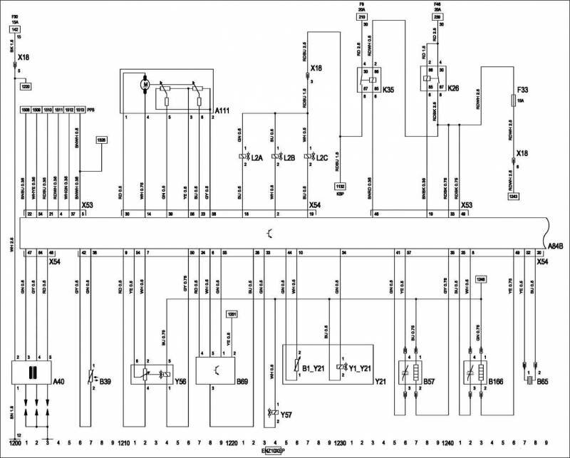
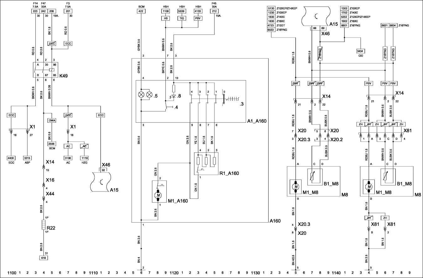
Электросхема двигателя Z10XEP Опель Корса

Компоненты
A40 – катушка зажигания – непосредственное зажигание.
А84В – контроллер – Motronic.
А111 – дроссельная заслонка – задатчик положения.
B1–Y21 – датчик – положение Twinport.
В39 – датчик – температура охлаждающей жидкости.
В57 датчик – кислород, проверка каталитического нейтрализатора.
В65 – датчик – контроль детонации.
В69 – измеритель массового расхода воздуха.
В166 – датчик – кислорода, контроль смеси, нагреваемый.
F3 3 – предохранитель.
К26 – реле – контроллер управления двигателем.
КЗ 5 – реле – топливный насос.
L2A – клапан впрыска – цилиндр 1.
L2B – клапан впрыска – цилиндр 2.
L2C – клапан впрыска – цилиндр 3.
Y1-Y21 – электромагнитный клапан – Twinport.
Y21 – модуль – Twinport.
Y56 – электромагнитный клапан – рециркуляция выхлопных газов.
Y57 – электромагнитный клапан – вентиляция бака.
Разъемы
XI8 – передняя часть кузова и двигатель.
Х54 – двигатель и контроллер – Motronic.
Точки соединения с массой
12 – двигатель Опель Корса.

A84B – контроллер – Motronic.
B30 – импульсный датчик – коленвал.
B18 – датчик – давление, кондиционер.
S87 – выключатель – давление масла.
B28 – датчик – распредвал.
Разъемы
X11 – передняя часть кузова и вентилятор.
X54 – двигатель и контроллер – Motronic.
X53 – передняя часть кузова и контроллер – Motronic.
X102 – двигатель и контроллер – Motronic.
Cокращения
7.5A – 7.5 ампер.
F2 – предохранитель F2.
15 – 12 вольт при включенном зажигании.
F30 – предохранитель F30.
15A – 15 ампер.
GID – графический информационный дисплей.
30–12 вольт.
IMO – иммобилайзер.
ABS – антиблокировочная тормозная система.
KSP – топливный насос.
AC – кондиционер.
MK – охлаждение двигателя.
BCM – модуль управления кузовным оборудованием.
MTA – механическая коробка передач с автоматическим сцеплением.
CLS – переключатель сцепления.
SLS – выключатель стоп-сигнала.
CRC – круиз-контроль.
WEG – сигнал скорости автомобиля.
EPS – рулевое управление с электроусилителем.
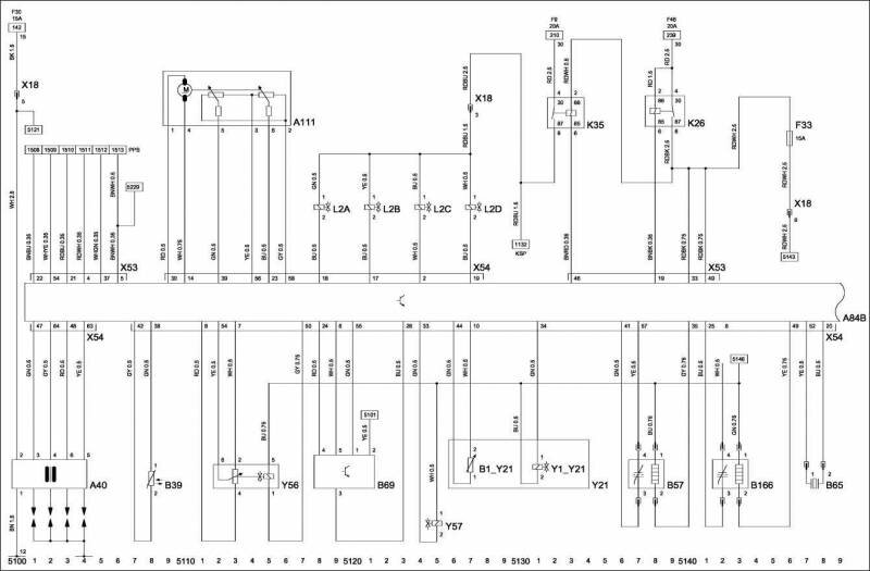
Электросхема двигателя Z12XEP

A40 – катушка зажигания – непосредственное зажигание.
K26 – реле – контроллер управления двигателем.
A84B – контроллер – Motronic.
K35 – реле – топливный насос.
A111 – дроссельная заслонка – задатчик положения.
L2A – клапан впрыска – цилиндр 1.
B1-Y21 – датчик – положение Twinport.
L2B – клапан впрыска – цилиндр 2.
B39 – датчик – температура охлаждающей жидкости.
L2C – клапан впрыска – цилиндр 3.
B57 – датчик – кислород, проверка каталитического нейтрализатора.
L2D – клапан впрыска – цилиндр 4.
B65 – датчик – контроль детонации.
Y1-Y21 – электромагнитный клапан – Twinport.
B69 – измеритель массового расхода воздуха.
Y21 – модуль – Twinport.
B166 – датчик – кислорода, контроль смеси, нагреваемый.
Y56 – электромагнитный клапан – рециркуляция выхлопных газов.
F33 – предохранитель.
Y57 – электромагнитный клапан – вентиляция бака.
Разъемы
X18 – передняя часть кузова и двигатель.
X54 – двигатель и контроллер – Motronic.
X53 – передняя часть кузова и контроллер – Motronic.
Точки соединения с массой
12 – двигатель.
Cокращения
15 – 12 вольт при включенном зажигании.
F30 – предохранитель F30.
15A – 15 ампер.
F46 – предохранитель F46.
20A – 20 ампер.
KSP – топливный насос.
30 – 12 вольт.
PPS – датчик положения педали.
F9 – предохранитель F9.

A84B – контроллер – Motronic.
B30 – импульсный датчик – коленвал.
B18 – датчик – давление, кондиционер.
S87 – выключатель – давление масла.
B28 – датчик – распредвал.
Разъемы
X11 – передняя часть кузова и вентилятор.
X54 – двигатель и контроллер – Motronic.
X53 – передняя часть кузова и контроллер – Motronic.
X102 – двигатель и контроллер – Motronic.
Точки соединения с массой
12 – двигатель
Cокращения
7.5A – 7.5 ампер.
F2 – предохранитель F2.
15 – 12 вольт при включенном зажигании.
F30 – предохранитель F30.
15A – 15 ампер.
GID – графический информационный дисплей.
30 – 12 вольт.
IMO – иммобилайзер.
ABS – антиблокировочная тормозная система.
KSP – топливный насос.
AC – кондиционер.
MK – охлаждение двигателя.
BCM – модуль управления кузовным оборудованием.
MTA – механическая коробка передач с автоматическим сцеплением.
CLS – переключатель сцепления.
SLS – выключатель стоп-сигнала.
CRC – круиз-контроль.
WEG – сигнал скорости автомобиля.
EPS – рулевое управление с электроусилителем.
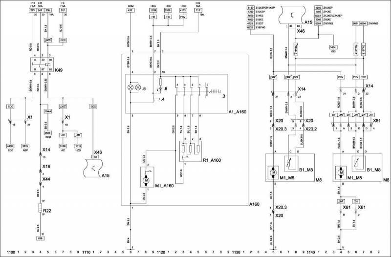
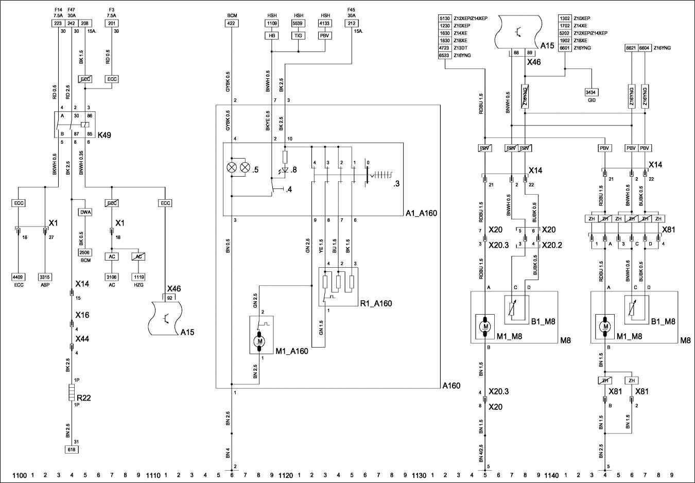
Электросхема топливного насоса Motronic Опель

A1-A160 – органы управления – обогрев.
B1-M8 – датчик – уровень топлива в баке.
A1-A160.3 – выключатель – вентилятор, обогрев.
K49 – реле – обогрев заднего окна.
A1-A160.4 – выключатель – обогрев заднего окна.
M1-A160 – электродвигатель – вентилятор, пассажирский салон.
A1-A160.5 – освещение – органы управления, обогрев.
M1-M8 – насос – топливный.
A1-A160.8 – контрольная лампа – обогрев заднего окна.
M8 – узел – топливный бак.
A15 – модуль управления кузовным оборудованием.
R1-A160 – дополнительный резистор – вентилятор, пассажирский салон.
A160 – узел – обогреватель.
R22 – обогрев заднего окна.
Разъемы
X1 – рриборная панель и передняя часть кузова.
X20.3 – задняя часть кузова, левая и топливный бак.
X14 – передняя часть кузова и задняя часть кузова, левая.
X44 – встроенный разъем – задняя торцевая дверь.
X16 – задняя часть кузова, левая и задняя торцевая дверь.
X46 – передняя часть кузова и модуль управления кузовным оборудованием.
X20 – задняя часть кузова, левая и датчик оборотов / топливный бак.
X81 – задняя часть кузова, левая и топливный бак.
X20.2 – задняя часть кузова, левая и топливный бак.
Cокращения
7.5A – 7.5 ампер.
GID – графический информационный дисплей.
15A. – 12 вольт при включенном зажигании (15A).
HB – хэтчбэк.
30–12 вольт.
HSH – обогрев заднего окна.
30A – 30 ампер.
HZG – обогрев.
31 – масса.
PBV – Combo.
AC – кондиционер.
TIG – Tigra.
ASP – наружное зеркало.
Z10XEP – двигатель Z10XEP.
BCM – модуль управления кузовным оборудованием.
Z12XEP/Z14XEP – двигатель Z12XEP/ Z14XEP.
DWA – система противоугонной сигнализации.
Z13DT – двигатель Z13DT.
ECC – электронное регулирование климата.
Z14XE – двигатель Z14XE.
F3 – предохранитель.
F3 Z16YNG – двигатель Z16YNG.
F14 – предохранитель.
F14 Z18XE – двигатель Z18XE.
F45 – предохранитель.
F45 ZH – дополнительный обогреватель, топливный.
F47 – предохранитель F47.
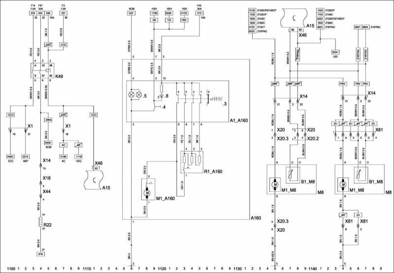
Электросхема топливного насоса Multec S Опель

B1-M8 – датчик – уровень топлива в баке.
A1-A160.3 – выключатель – вентилятор, обогрев.
K49 – реле – обогрев заднего окна.
A1-A160.4 – выключатель – обогрев заднего окна.
M1-A160 – электродвигатель – вентилятор, пассажирский салон.
A1-A160.5 – освещение – органы управления, обогрев.
M1-M8 – насос – топливный.
A1-A160.8 – контрольная лампа – обогрев заднего окна.
M8 – узел – топливный бак.
A15 – модуль управления кузовным оборудованием.
R1-A160 – дополнительный резистор – вентилятор, пассажирский салон.
A160 – узел – обогреватель.
R22 – обогрев заднего окна.
Разъемы
X1 – приборная панель и передняя часть кузова.
X20.3 – задняя часть кузова, левая и топливный бак.
X14 – передняя часть кузова и задняя часть кузова, левая.
X44 – встроенный разъем – задняя торцевая дверь.
X16 – задняя часть кузова, левая и задняя торцевая дверь.
X46 – передняя часть кузова и модуль управления кузовным оборудованием.
X20 – задняя часть кузова, левая и датчик оборотов / топливный бак.
X81 – задняя часть кузова, левая и топливный бак.
X20.2 – задняя часть кузова, левая и топливный бак.
Cокращения
7.5A – 7.5 ампер.
GID – графический информационный дисплей.
15A. – 12 вольт при включенном зажигании (15A).
HB – хэтчбэк.
30 – 12 вольт.
HSH – обогрев заднего окна.
30A – 30 ампер.
HZG – обогрев.
31 – масса.
PBV – Combo.
AC – кондиционер.
TIG – Tigra.
ASP – наружное зеркало.
Z10XEP – двигатель Z10XEP.
BCM – модуль управления кузовным оборудованием.
Z12XEP/Z14XEP – двигатель Z12XEP/Z14XEP.
DWA – система противоугонной сигнализации.
Z13DT – двигатель Z13DT.
ECC – электронное регулирование климата.
Z14XE – двигатель Z14XE.
F3 – предохранитель.
F3 Z16YNG – двигатель Z16YNG.
F14 – предохранитель.
F14 Z18XE – двигатель Z18XE.
F45 – предохранитель.
F45 ZH – дополнительный обогреватель, топливный.
F47 – предохранитель F47.
Схема cистемы охлаждение двигателя Z10XEP

A15 – модуль управления кузовным оборудованием.
K49 – реле – обогрев заднего окна.
K30A – реле – вентилятор радиатора.
M7 – электродвигатель – вентилятор радиатора.
K30B – реле – вентилятор радиатора.
R22 – обогрев заднего окна.
Разъемы
X1 – приборная панель и передняя часть кузова.
X46 – передняя часть кузова и модуль управления кузовным оборудованием.
X11 – передняя часть кузова и вентилятор.
X59 – задняя часть кузова, левая и заднее стекло.
X14 – передняя часть кузова и задняя часть кузова, левая.
Точки соединения с массой
5 – кузов, сзади, слева
8 – шасси
Сокращения
7.5A – 7.5 ампер.
DWA – система противоугонной сигнализации.
15A. – 12 вольт при включенном зажигании (15A).
ECC – электронное регулирование климата.
20A – 20 ампер.
F3 – предохранитель F3.
30–12 вольт.
F14 – предохранитель F14.
40A – 40 ампер.
F18 – предохранитель F18.
AC – кондиционер.
F52 – предохранитель F52.
ASP – наружное зеркало.
HZG – обогрев.
BCM – модуль управления кузовным оборудованием.
Z10XEP – двигатель Z10XEP.
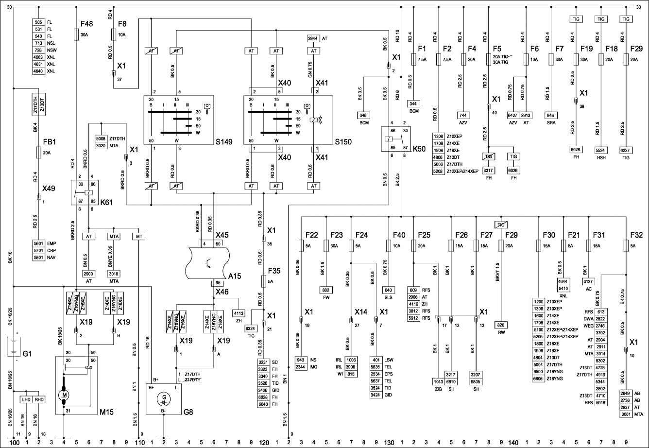
Электросхема запуска и зарядки Опель Корса

A15 – модуль управления кузовным оборудованием.
F27 – предохранитель.
F1 – предохранитель.
F29 – предохранитель.
F2 – предохранитель.
F30 – предохранитель.
F4 – предохранитель.
F31 – предохранитель.
F5 – предохранитель.
F32 – предохранитель.
F6 – предохранитель.
F35 – предохранитель.
F7 – предохранитель.
F40 – предохранитель.
F8 – предохранитель.
F48 – предохранитель.
F18 – предохранитель.
FB1 – предохранитель.
F19 – предохранитель.
G1 – аккумуляторная батарея.
F21 – предохранитель.
G8 – генератор.
F22 – предохранитель.
K50 – реле – вывод 15.
F23 – предохранитель.
K61 – реле – стартер.
F24 – предохранитель.
M15 – стартер.
F25 – предохранитель.
S149 – выключатель – стартер.
F26 – предохранитель.
S150 – переключатель – стартер/подъемный магнит – разблокирование ключа в замке зажигания.
Разъемы
X1 – приборная панель и передняя часть кузова.
X41 – панель приборов и выключатель – стартер.
X14 – передняя часть кузова и задняя часть кузова, левая.
X45 – панель приборов и модуль управления кузовным оборудованием.
X19 – передняя часть кузова и аккумуляторная батарея.
X46 – передняя часть кузова и модуль управления кузовным оборудованием.
X40 – панель приборов и выключатель – стартер.
X49 – приборная панель и передняя часть кузова.
Сокращения
30 – 12 вольт.
NSW – противотуманные фары, передние.
AB – подушка безопасности.
RFS – фонари заднего хода.
AC – кондиционер.
RHD – правостороннее управление.
AT – автоматическая коробка передач.
RW – стеклоочиститель заднего стекла.
AZV – прицепное устройство.
SD – люк в крыше.
BCM – модуль управления кузовным оборудованием.
SH – обогрев сиденья.
CRP – автомобильный телефон.
SLS – выключатель стоп-сигнала.
DWA – система противоугонной сигнализации.
SRA – система омывателей фар.
EMP – радио.
TEL – телефон.
EPS – рулевое управление с электроусилителем.
TID – тройной информационный дисплей.
FH – стеклоподъемники.
TIG – Tigra.
FL – передние лампы.
WEG – сигнал скорости автомобиля.
FW – стеклоочиститель ветрового стекла.
WI – стеклоочиститель.
GID – графический информационный дисплей.
XNL – ксеноновые фары.
HSH – обогрев заднего окна.
Z10XEP – двигатель Z10XEP.
IMO – иммобилайзер.
Z12XEP/Z14XEP – двигатель Z12XEP/Z14XEP.
INS – приборы.
Z13DT – двигатель Z13DT.
IRL – лампа освещения салона.
Z14XE – двигатель Z14XE.
LHD – левостороннее управление.
Z16YNG – двигатель Z16YNG.
LSW – переключатель освещения.
Z17DTH – двигатель Z17DTH.
MT – механическая коробка передач.
Z18XE – двигатель Z18XE.
MTA – механическая коробка передач с автоматическим сцеплением.
ZH – дополнительный обогреватель, топливный.
NAV – система навигации.
ZIG – прикуриватель.
NSL – противотуманные фары, задние.
Схема распределения напряжения

A15 – модуль управления кузовным оборудованием.
F18 – предохранитель.
F3 – предохранитель.
F19 – предохранитель.
F9 – предохранитель.
F34 – предохранитель.
F10 – предохранитель.
F45 – предохранитель.
F11 – предохранитель.
F46 – предохранитель.
F12 – предохранитель.
F47 – предохранитель.
F13 – предохранитель.
F49 – предохранитель.
F14 – предохранитель.
F50 – предохранитель.
F15 – предохранитель.
F51 – предохранитель.
F16 – предохранитель.
K72 – реле – вывод 15a.
F17 – предохранитель.
Разъемы
X1 – приборная панель и передняя часть кузова.
X14 – передняя часть кузова и задняя часть кузова, левая.
X11 – передняя часть кузова и вентилятор.
X46 – передняя часть кузова и модуль управления кузовным оборудованием.
Сокращения
30 – 12 вольт.
HZG – обогрев.
ABS – антиблокировочная тормозная система.
IMO – иммобилайзер.
AC – кондиционер.
INS – приборы.
ASP – наружное зеркало.
IRL – лампа освещения салона.
BCM – модуль управления кузовным оборудованием.
LSL – лампа для чтения – задняя.
CRP – автомобильный телефон.
LSW – переключатель освещения.
D – дизель.
MTA – механическая коробка передач с автоматическим сцеплением.
DAB – радиовещание с оцифровкой звука.
NAV – система навигации.
DIAG – диагностический разъем.
RW – стеклоочиститель заднего стекла.
DWA – система противоугонной сигнализации.
SD – люк в крыше.
ECC – электронное регулирование климата.
SRA – система омывателей фар.
EMP – радио.
TEL – телефон.
EPS – рулевое управление с электроусилителем T.
ID – тройной информационный дисплей.
ESP – электронная система стабилизации.
TIG – Tigra.
FF – рожковый звуковой сигнал.
WA – стеклоомыватель.
FH – стеклоподъемники.
XNL – ксеноновые фары.
FI – бензин.
Z10XEP – двигатель Z10XEP.
FIL – подогрев топливного фильтра.
Z12XEP/Z14XEP – двигатель Z12XEP/Z14XEP.
FL – передние лампы.
Z13DT – двигатель Z13DT.
FW – стеклоочиститель ветрового стекла.
Z14XE – двигатель Z14XE.
GID – графический информационный дисплей.
Z16YNG – двигатель Z16YNG.
HRL – лампа багажника.
Z17DTH – двигатель Z17DTH.
HSH – обогрев заднего окна.
Z18XE – двигатель Z18XE.
HWS – выключатель аварийной сигнализации.
ZH – дополнительный обогреватель, топливный.
РЕМОНТ АВТОЭЛЕКТРОНИКИ ЗАРЯДНЫЕ УСТРОЙСТВА ДЛЯ АКБ

|