Вторая часть сборника качественных цветных электросхем для автомобиля Renault Scenic. Все схемы предоставляются абсолютно бесплатно и без регистрации. Для увеличения - кликните на картинке. В этой части вы найдёте схемы таких модулей, как электропривод зеркал, противотуманные фары, электростеклоподъемники передних дверей, электровентилятор системы отопления и вентиляции салона и другие. Продолжение эл. схем Renault Scenic в первой части. Описание элементов схемы находится в архиве.
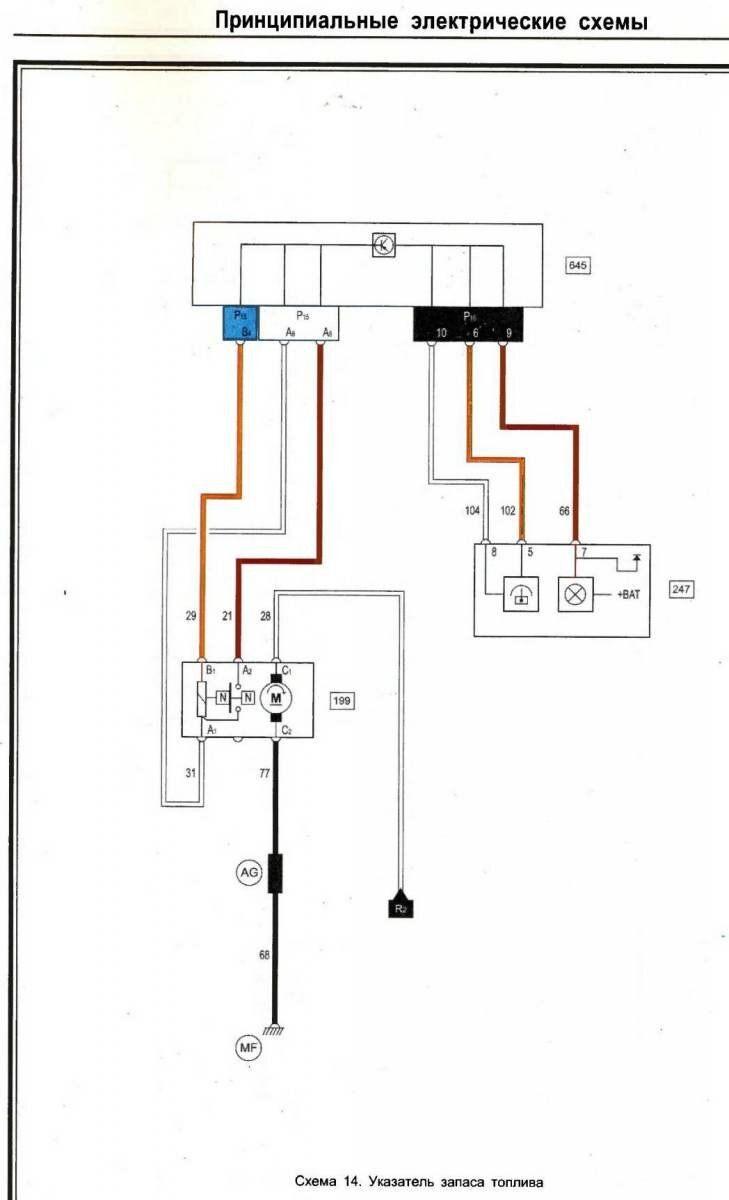
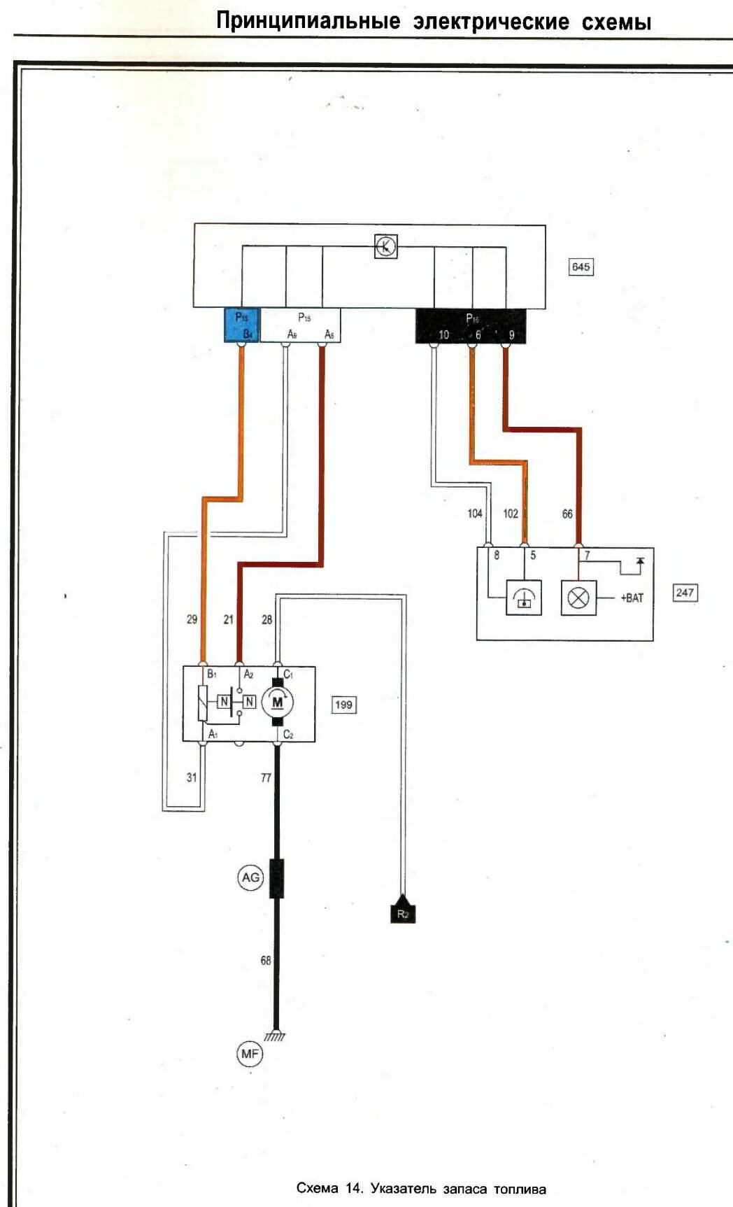
Схема указателя запаса топлива

Подключение вентилятора Renault Scenic

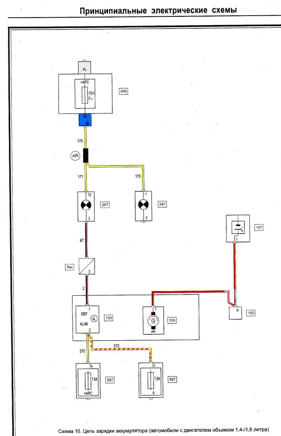
Цепь зарядки аккумулятора авто

Сигнальная лампа давления масла

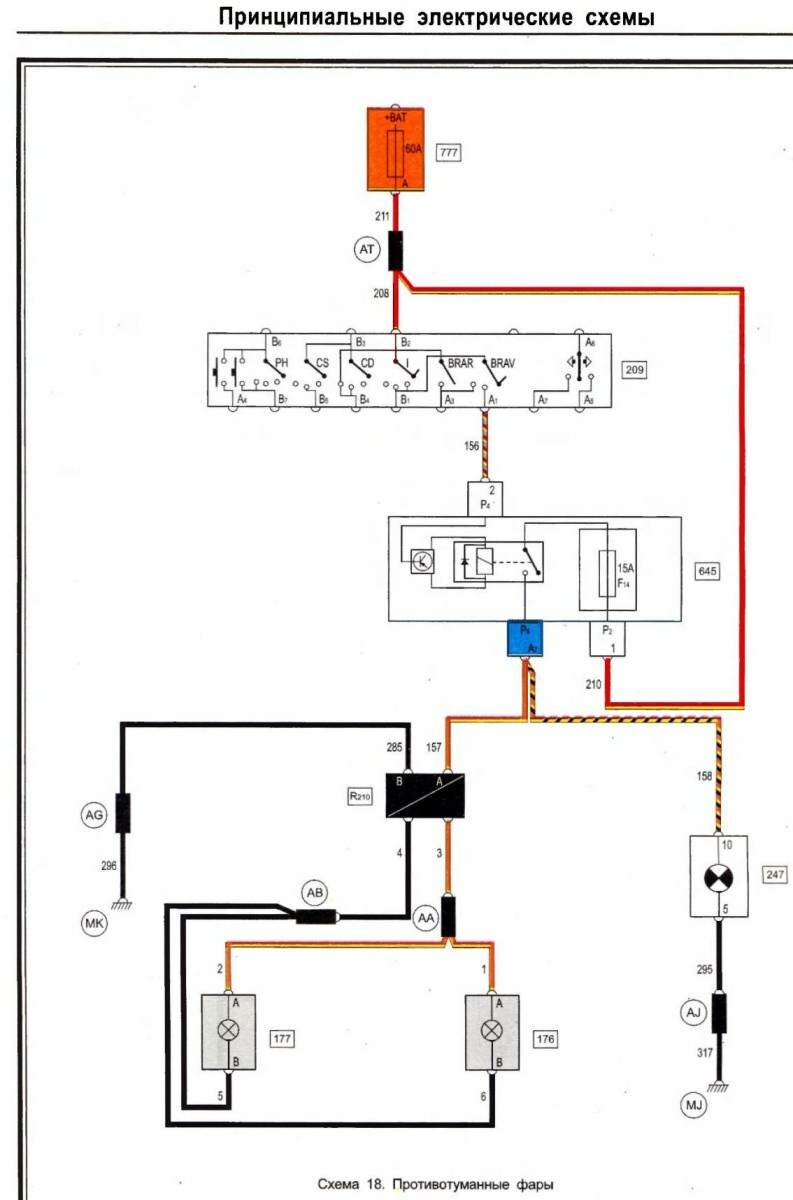
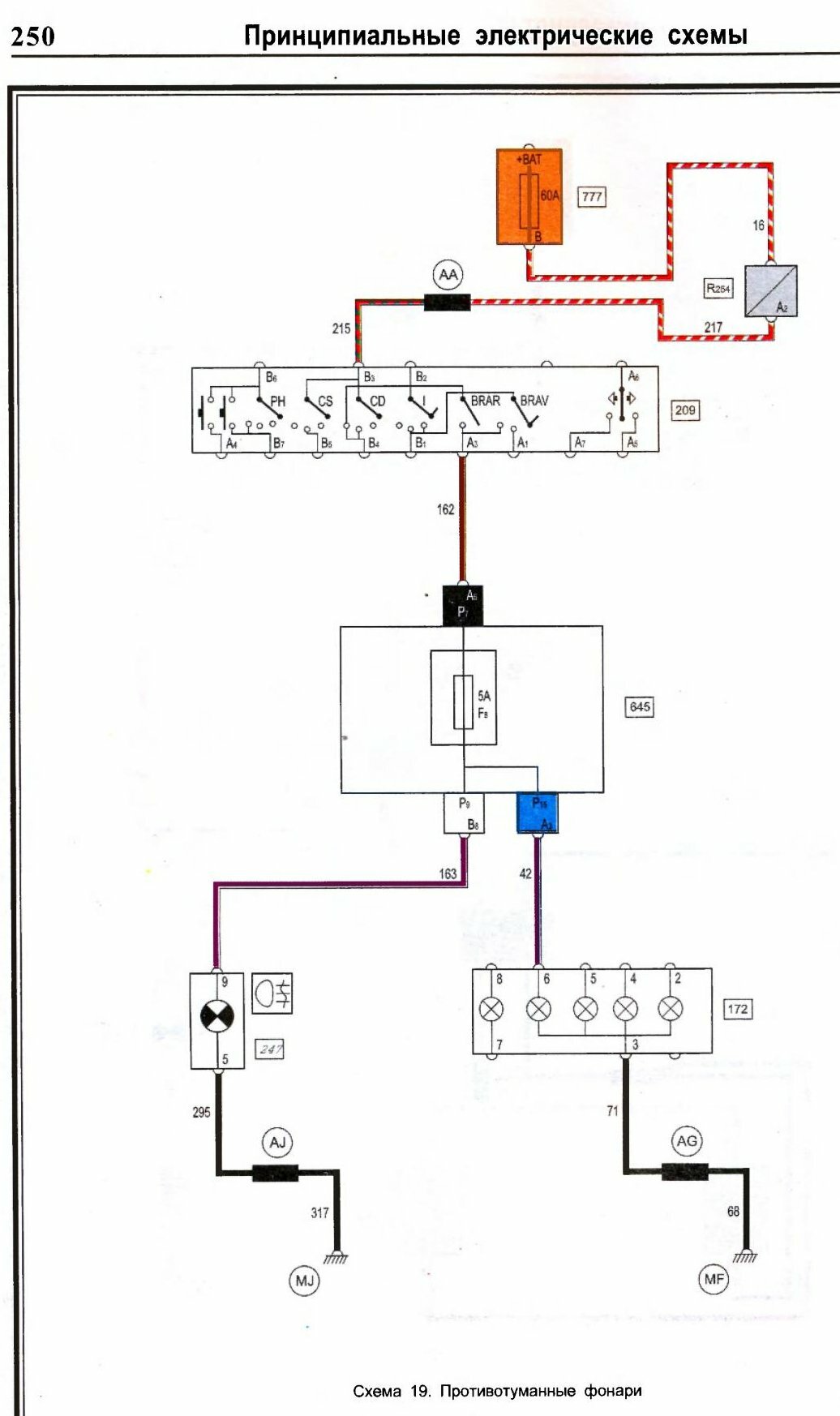
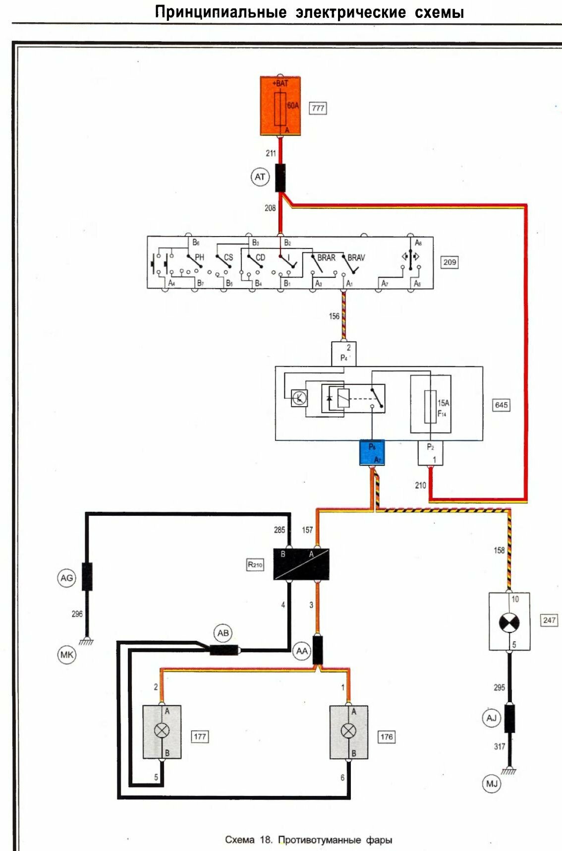
Принципиальная схема противотуманных фар

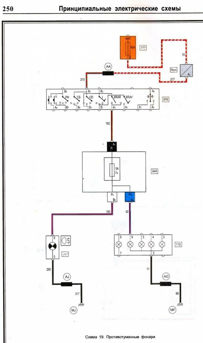
Противотуманные фонари Renault Scenic

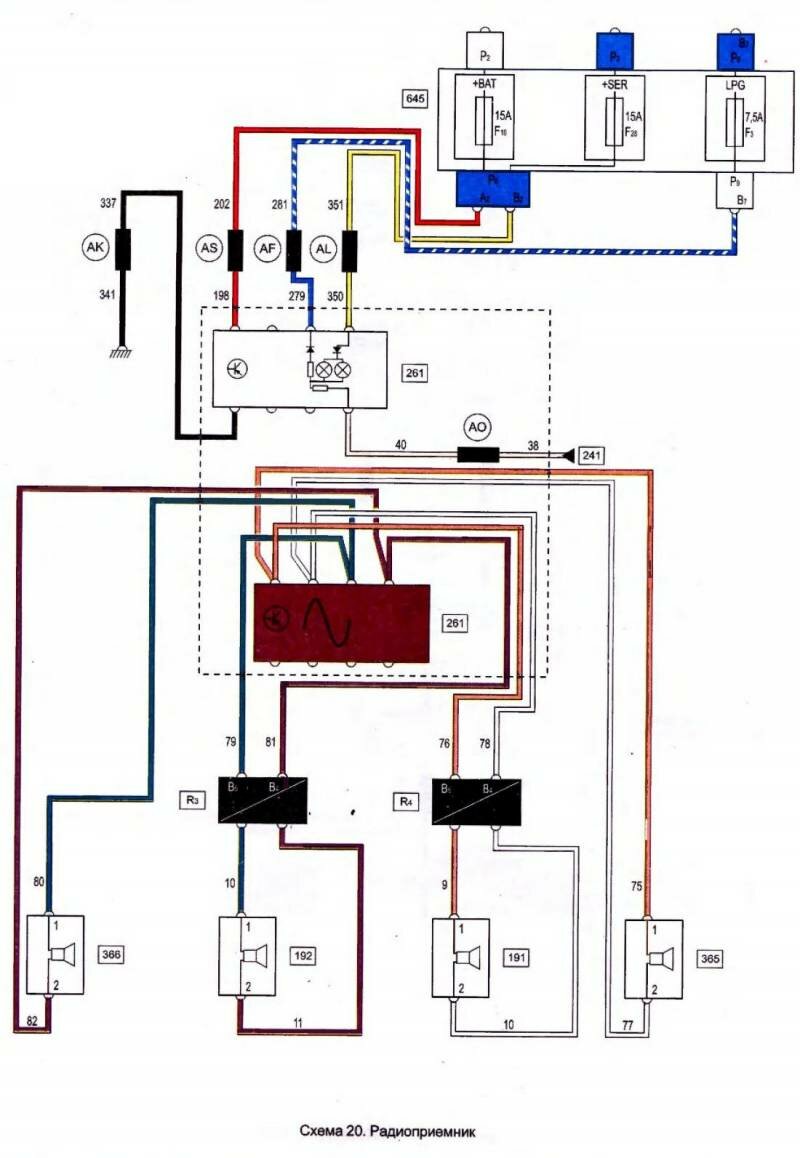
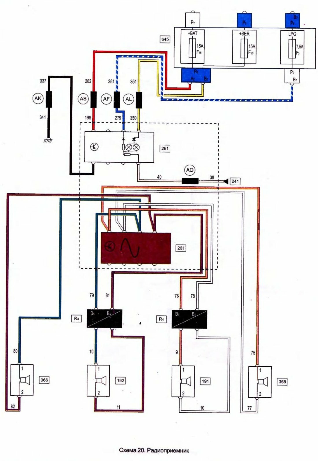
Схема радиоприёмника в салоне

Прикуриватель

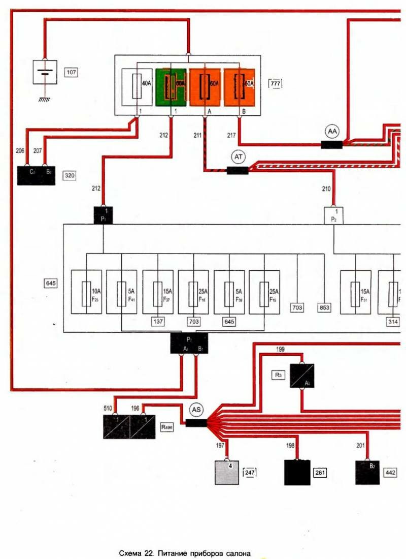
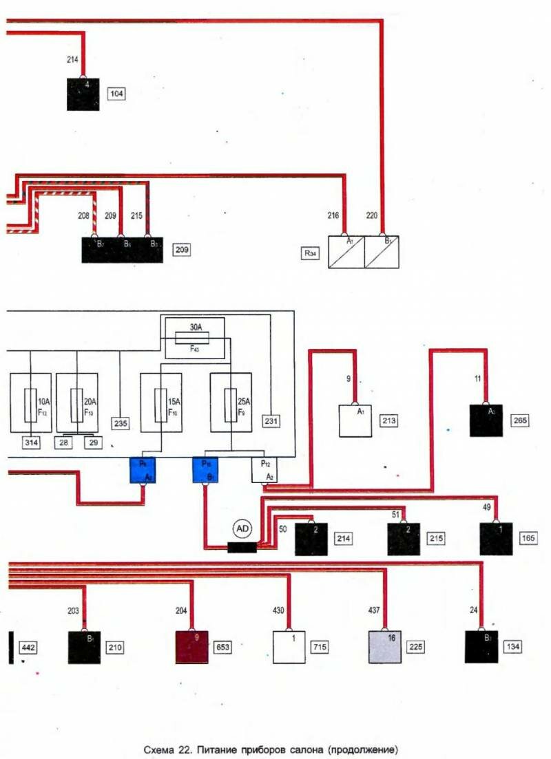
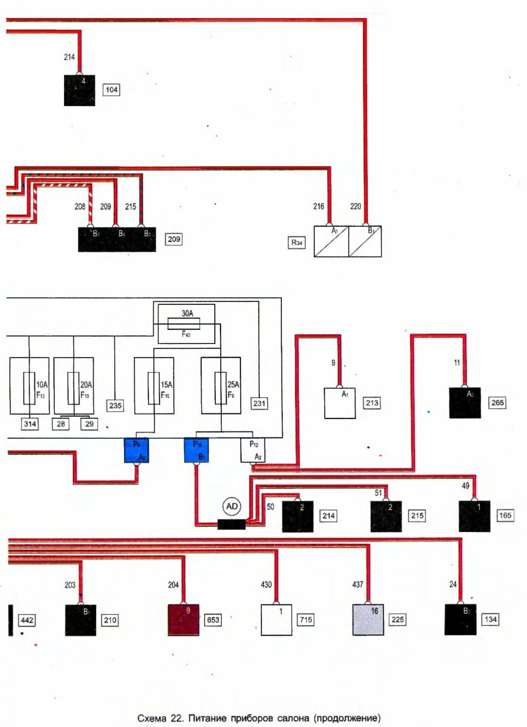
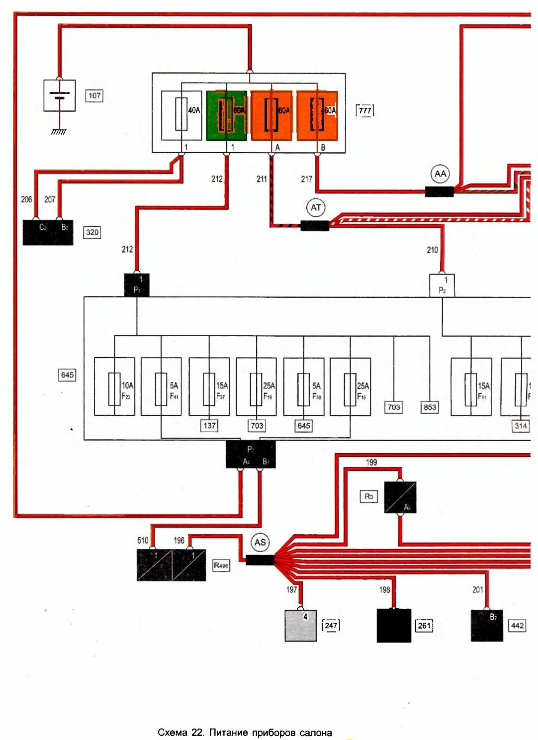
Электросхема питания приборов


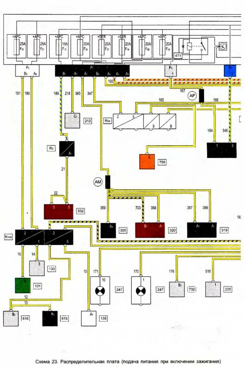
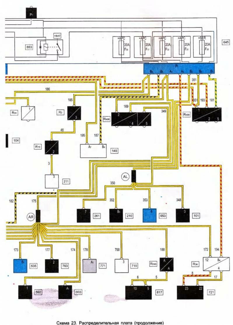
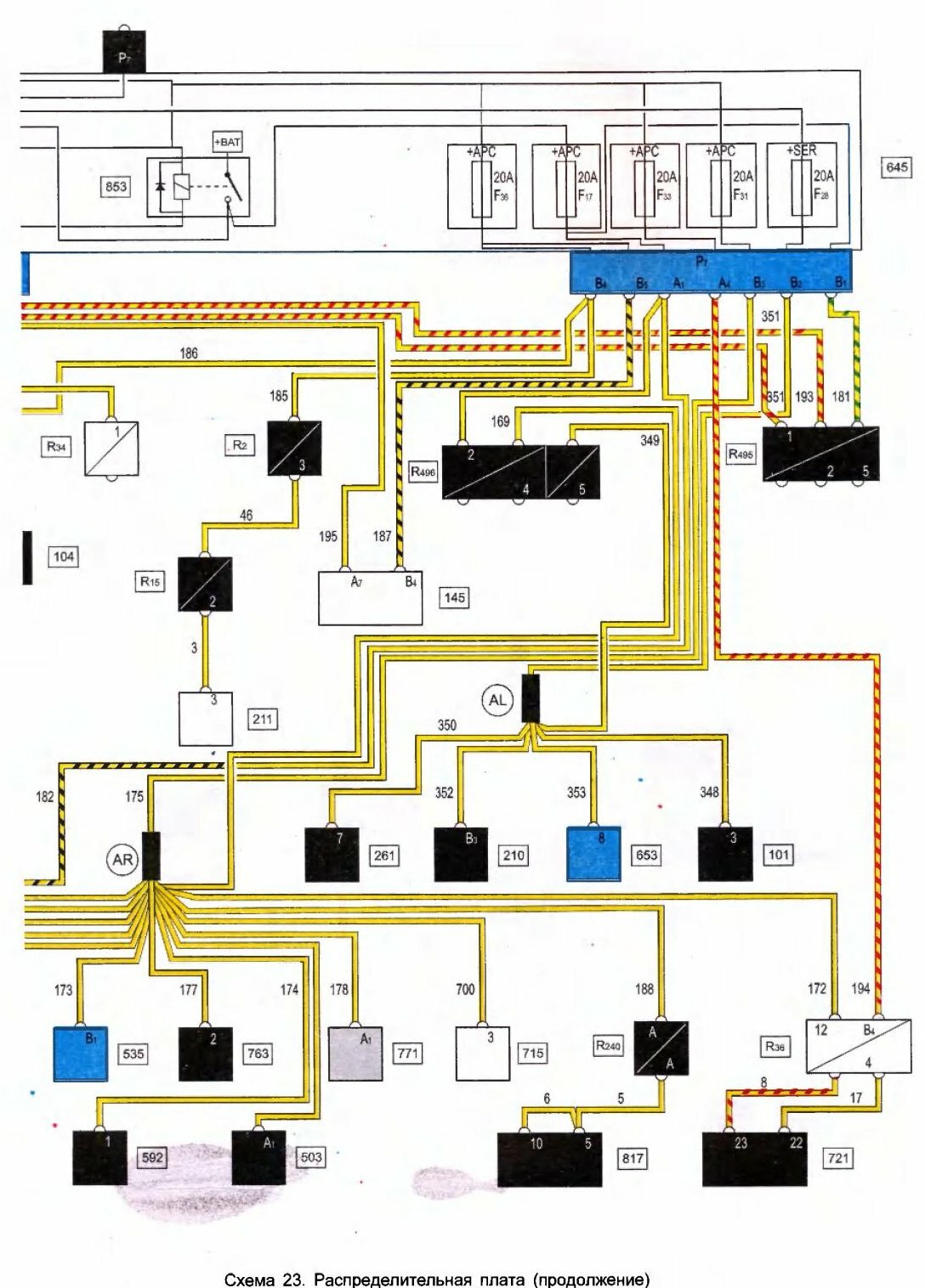
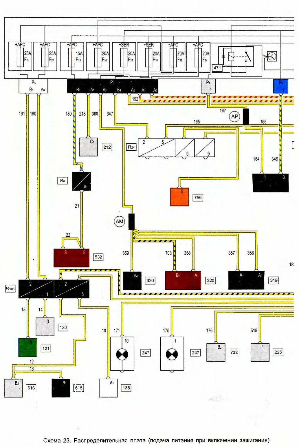
Распределительная плата авто


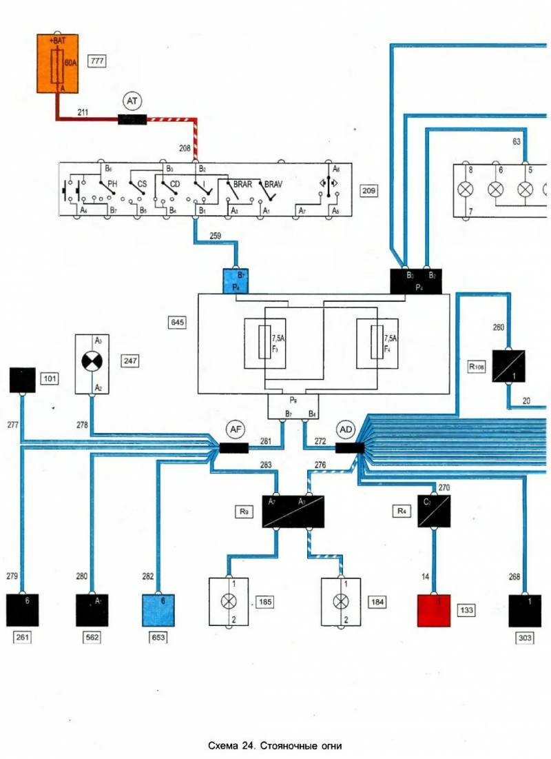
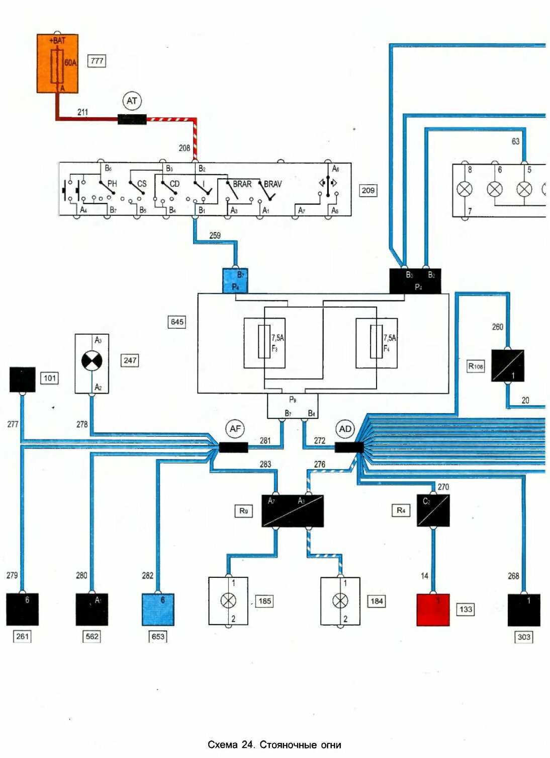
Эл. схема стояночных огней Renault Scenic


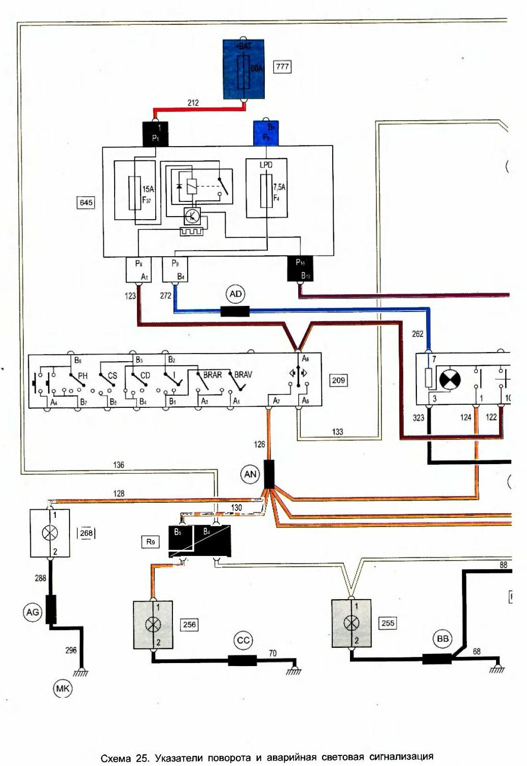
Поворотники и сигнализация Рено

РЕМОНТ АВТОЭЛЕКТРОНИКИ ЗАРЯДНЫЕ УСТРОЙСТВА ДЛЯ АКБ

|