Цветные электросхемы электрооборудования легкового автомобиля Renault Clio Symbol, для моделей выпускаемых с 2001 года. Обозначение всех узлов и элементов схем на русском языке. Также показан блок предохранителей и реле, с обозначением защищаемых узлов и номинального тока потребителей. Информация предназначена для самостоятельного ремонта Рено Симбол и распространяется бесплатно, в случае использования её в некоммерческих целях.
Схема электроники Рено Симбол
Вентилятор системы охлаждения, запуск и заряд АКБ 12 В, диагностический разъём

Электропривод насоса, клаксон, вентилятор отопителя Renault Symbol

Принципиальная схема кондиционера автомобиля

Схема подключения панели приборов Рено Символ

Противотуманки, габаритные огни и система ABS

Задние противотуманные фонари, поворотники и стоп-сигналы авто

Схема омывателя фар, обогрева стекла и освещения салона

Электрооборудование привода люка, центрального замка и подключение аудиосистемы Клио Символ

Управление двигателем (дизель) - схема

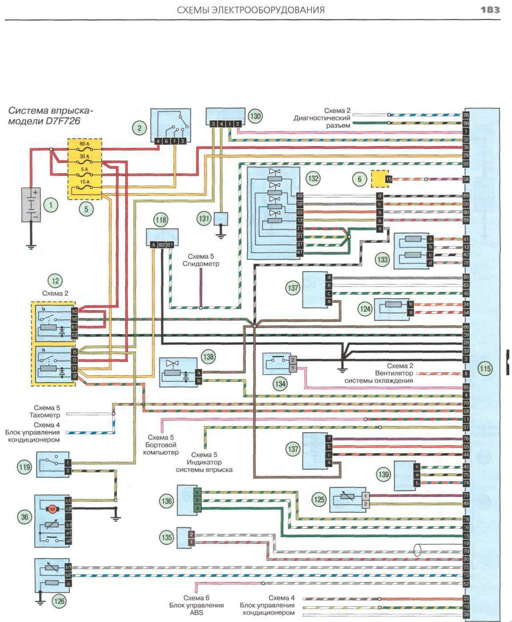
Система впрыска Renault Clio Symbol



Условные обозначения на электрических схемах Рено


Предохранители и реле Renault Clio Symbol





РЕМОНТ АВТОЭЛЕКТРОНИКИ ЗАРЯДНЫЕ УСТРОЙСТВА ДЛЯ АКБ

|