Сборник электросхем узлов автомобиля Шкода Фабиа. Все схемы представлены в уменьшеном виде - кликните на неё для увеличения. Скачать бесплатно могут все посетители нашего сайта. Ниже рассмотрены следующие модули: Замок зажигания, реле для, коробка предохранителей, указатели поворота, аварийная сигнализация, выключатель стояночных фонарей, коробка предохранителей, сигнал торможения, панель приборов, процессор, сигнализаторы, спидометр.
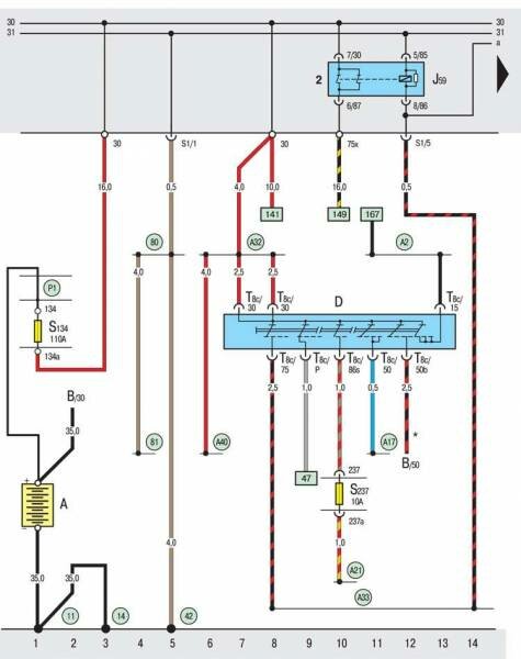
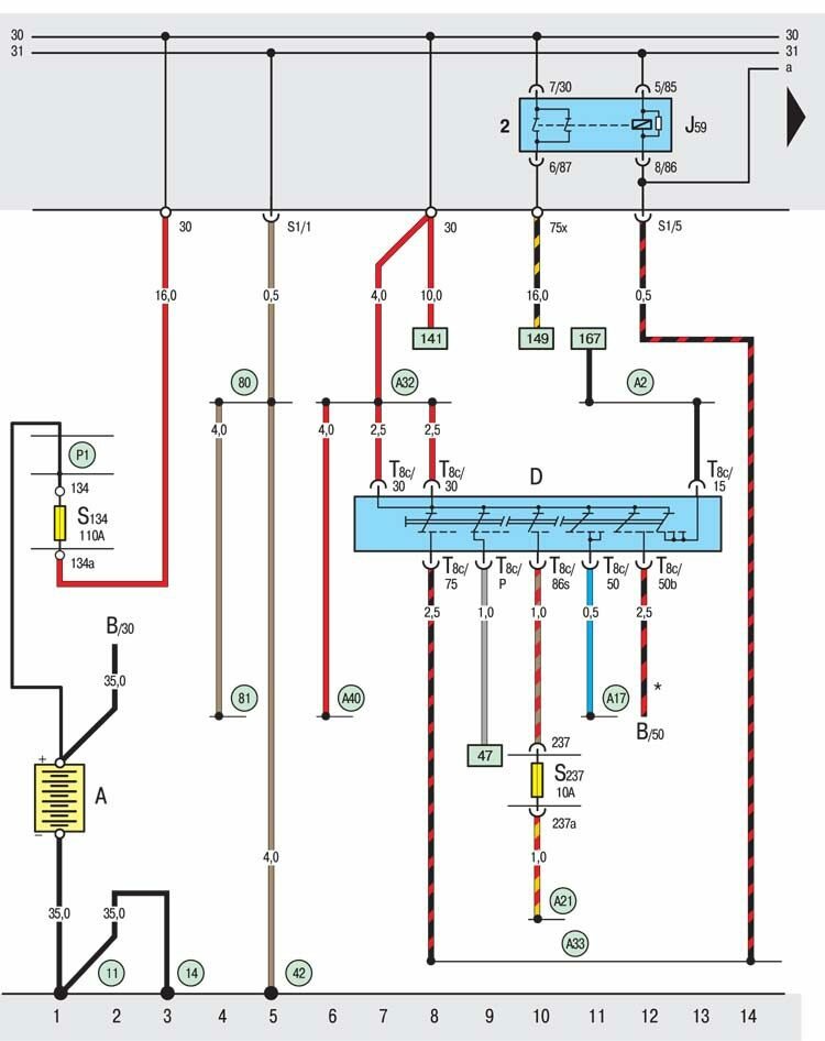
Электросхема на Замок зажигания, коробка предохранителей Шкода

A – аккумуляторная батарея;
B – стартер;
D – замок зажигания;
J59 – коммутационное реле для контакта Х;
S134 – предохранитель в коробке предохранителей на аккумуляторной батарее;
T8c – восьмиконтактный штекерныйразъем, на замке-выключателе зажигания и приборов;
11 – точка соединения на "массу" под аккумуляторной батареей слева;
14 – соединение на "массу" на коробке передач;
42 – точка соединения на "массу" рядом с колонкой рулевого управления;
80 – соединение на "массу" в жгуте проводов позади панели приборов;
81 – соединение на "массу" в жгуте проводов позади панели приборов;
А2 – соединение с положительным полюсом (15) в жгуте проводов позади панели приборов;
А17 – соединение (61) в жгуте проводов позади панели приборов;
А21 – соединение (86s) в жгуте проводов позади панели приборов;
А32 – соединение с положительным полюсом (30) в жгуте проводов позади панели приборов слева;
А33 – соединение (75) в жгуте проводов позади панели приборов слева;
А40 – соединение с положительным полюсом (30) в жгуте проводов позади панели приборов слева;
Р1 – соединение с положительным полюсом (30) в коробке предохранителей на аккумуляторной батареее.
Указатели поворота, аварийная сигнализация Шкода Фабиа

E2 – переключатель фонарей указателя поворота;
E3 – выключатель для системыаварийной светорой сигналазации;
E19 – включатель для стояночных фонарей;
J2 – прерыватель для фонарей системы аварийной световой сигнализации;
K6 – сигнализатор аварийной световой сигнализации;
L35 – лампа накаливания для освещения выключателя системы аварийной световой сигналазации;
M5 – лампа накаливания левого переднего фонаря указателя поворота;
M7 – лампа накаливания правого переднего фонаря указателя поворота;
M18 – лампа накаливания левого бокового повторителя указателя поворота;
M19 – лампа накаливания правого бокового повторителя указателя поворота;
T2j – двухконтактный штекерный разъем, на левом боковом повторителе указателя поворота;
T2k – двухконтактный штекерный разъем, на правом боковом повторителе указателя поворота;
T2l – двухконтактный штекерный разъем, на левом переднем фонаре указателя поворота;
T2m – двухконтактный штекерный разъем, на правом переднем фонаре указателя поворота;
T7a – семиконтактный штекерный разъем, на выключателе для системы аварийной световой сигнализации;
T12a – двенадцатиконтактный штекерный разъем, на переключателе фонарей указателя поворота;
80 – соединение на "массу" в жгуте проводов позади панели приборов;
119 – соединение на "массу" в кабельном жгуте впереди слева;
А5 – соединение с положительным полюсом (правый указатель поворота) в жгуте проводов позади панели щитка приборов слева;
А6 – соединение с положительным полюсом (левый указатель поворота) в жгуте проводов позади панели щитка приборов слева;
А43 – соединение (57L) в жгуте проводов позади панели приборов;
А44 – соединение (57R) в жгуте проводов позади панели приборов.
Схема выключателя сигнала торможения и освещение багажника

E15 – выключатель для обогрева заднего стекла;
F5 – включатель освещения багажника;
K10 – сигнализатор обогрева заднего стекла;
L39 – лампа накаливания для освещения выключателя обогрева заднего стекла;
T2d – двухконтактный штекерный разъем, на освещении номерного знака (левый);
T2e – двухконтактный штекерный разъем, на освещении номерного знака (правый);
T2f – двухконтактный штекерный разъем, на фонаре освещения багажника;
T4c – четырехконтактный штекерный разъем, на включателе освещения багажника;
T5a – пятиконтактный штекерный разъем, на стойке С слева (розовый);
T5b – пятиконтактный штекерный разъем, в крышке багажника слева (коричневый);
T5c – пятиконтактный штекерный разъем, в крышке багажника слева (черный);
T5d – пятиконтактный штекерный разъем, на стойке С слева (черный);
T6h – шестиконтактный штекерный разъем, на выключателе обогрева заднего стекла;
W3 – освещение багажника Шкода Фбиа;
X – освещение номерного знака шкода;
Z1 – обогреваемое заднее стекло;
50 – точка соединения на "массу" в багажнике слева;
80 – соединение на "массу" в жгуте проводов позади панели приборов;
98 – соединение на "массу" в жгуте проводов крышки багажника;
218 – соединение на "массу" в соединительном жгуте проводов крышки багажника;
А4 – соединение с положительным полюсом (58b) в жгуте проводов позади панели приборов;
А23 – соединение с положительным полюсом (30al) в жгуте проводов позади панели приборов слева;
В109 – соединение на "массу" в жгуте проводов позади слева;
W11 – соединение (58) в жгуте проводов крышки багажника.
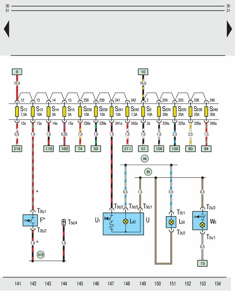
Электросхема коробки предохранителей, сигнал торможения авто

F – выключатель сигнала торможения;
L42 – лампа накаливания для освещения штепсельной розеткаи;
L50 – лампа накаливания для освещения пепельницы сзади;
T2b – двухконтактный штекерный разъем, на выключателе сигнала торможения;
T2t – двухконтактный штекерный разъем, на лампе накаливания для освещения пепельницы сзади;
T2u – двухконтактный штекерный разъем, на фонаре освещения вещевого ящика;
T3d – трехконтактный штекерный разъем, на штепсельной розетке;
T5d – пятиконтактный штекерный разъем, на стойке С слева (черный);
U – штепсельная розетка;
U1 – прикуриватель Шкода;
W6 – освещение вещевого ящика;
80 – соединение на "массу" в жгуте проводов позади панели приборов;
A4 – соединение с положительным полюсом (58b) в жгуте проводов позади панели приборов;
A18 – соединение (54) в жгуте проводов позади щитка приборов слева.
Панель приборов, процессор, сигнализаторы, коробка предохранителей автомобиля

C – трехфазный генератор переменного тока;
J218 – процессор панели приборов;
K – панель приборов;
K1 – сигнализатор дальнего света фар;
K2 – сигнализатор генератора переменного тока;
K4 – сигнализатор габаритных огней;
K13 – сигнализатор задних противотуманных фар;
K17 – сигнализатор передних противотуманных фар;
K18 – сигнализатор указателей поворота прицепа;
K19 – сигнализатор пристегивания ремней безопасности;
K29 – сигнализатор накаливания (предварительного разогрева);
K60 – сигнализатор ближнего света фар;
K65 – сигнализатор левых фонарей указателя поворота;
K94 – сигнализатор правых фонарей указателя поворота;
T2g – двухконтактный штекерный разъем, в держателе на стартере;
T32a – 32-контактный штекерный разъем, на панели приборов (синий);
T32b – 32-контактный штекерный разъем, на панели приборов (зеленый);
80 – соединение на "массу" в жгуте проводов позади панели приборов;
A2 – соединение с положительным полюсом (15) в жгуте проводов позади панели приборов;
A5 – соединение с положительным полюсом (правый указатель поворота) в жгуте проводов позади панели щитка приборов слева;
A6 – соединение с положительным полюсом (левый указатель поворота) в жгуте проводов позади панели щитка приборов слева;
A17 – соединение (61) в жгуте проводов позади панели приборов;
A47 – соединение (55) в жгуте проводов позади панели приборов;
A84 – соединение (58L) в жгуте проводов позади панели приборов слева;
A85 – соединение (58R) в жгуте проводов позади панели приборов слева;
B9 – соединение (56aR) в жгуте проводов позади панели приборов слева.
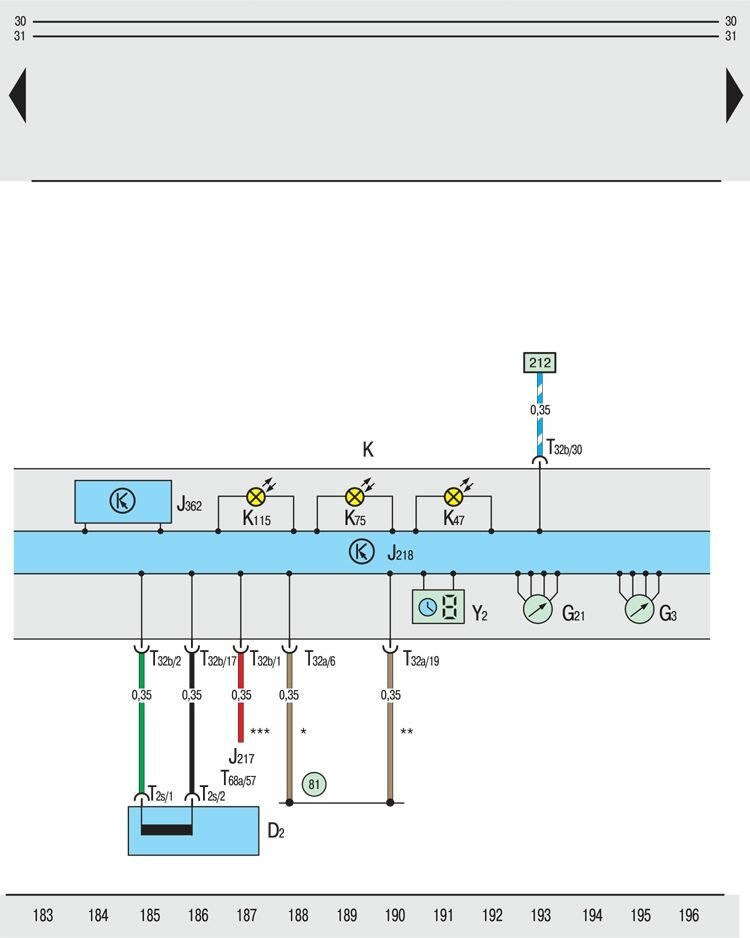
Схема на панель приборов, процессор, сигнализаторы, спидометр

D2 – обмотка считывания иммобилизатора (на замке-выключателе зажигания и приборов);
G3 – указатель температуры охлаждающей жидкости;
G21 – спидометр;
J217 – блок управления АКПП;
J218 – процессор панели приборов;
J362 – блок управления иммобилизатором;
K – панель приборов;
K47 – сигнализатор противоблокировочного устройства тормозной системы "ABS";
K75 – сигнализатор системы надувных подушек безопасности "Airbag";
K115 – сигнализатор иммобилизатора;
T2s – двухконтактный штекерный разъем, на обмотке считывания иммобилизатора;
T32a – 32-контактный штекерный разъем, на панели приборов (синий);
T32b – 32-контактный штекерный разъем, на панели приборов (зеленый);
T68a – 68-контактный штекерный разъем, на блоке управления АКПП;
Y2 – цифровые часы автомобиля.

РЕМОНТ АВТОЭЛЕКТРОНИКИ ЗАРЯДНЫЕ УСТРОЙСТВА ДЛЯ АКБ

|