Сборник электросхем для автомобией Skoda, все схемы имеют стандартные общепринятые обозначения узлов и соединений. Сверху на схемах изображен центральный блок управления. Тонкими линиями показаны внутренние соединения в приборах электрооборудования. Снизу на схемах проходит горизонтальная линия, которая показывает соединение с «массой». Цифры в кружках, стоящие около пересечения вертикальных цепей с горизонтальной линией «массы», указывают на расположение точек «массы» на кузове. Цифра в белом квадрате в конце вертикальной цепи показывает, в какой цепи нужно смотреть продолжение этого провода. Цифра на каждом проводе означает площадь сечения токопроводящей жилы провода в мм2. Цифра в черном квадрате обозначает номер реле в блоке реле. Буква с цифрой или цифра в кружке около провода показывает неразъемное соединение в жгуте проводов. Цифры, стоящие под нижней линией «массы» показывают номер электрической цепи. Подробнее о расшифровке схем читайте здесь. В данной статье представлена первая часть схемы, вторую часть электрооборудования Skoda Fabia смотрите тут.
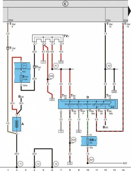
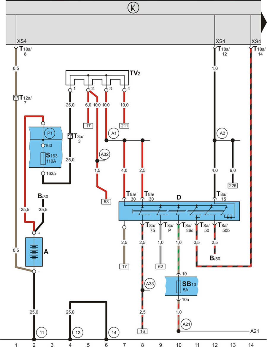
Электросхемы батареи, выключателя зажигания, блока предохранителей Skoda

Hеле контакта X, дополнительный блок предохранителей на аккумуляторе

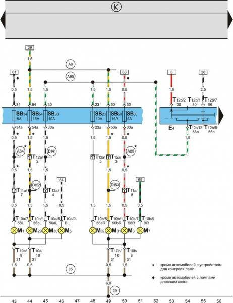
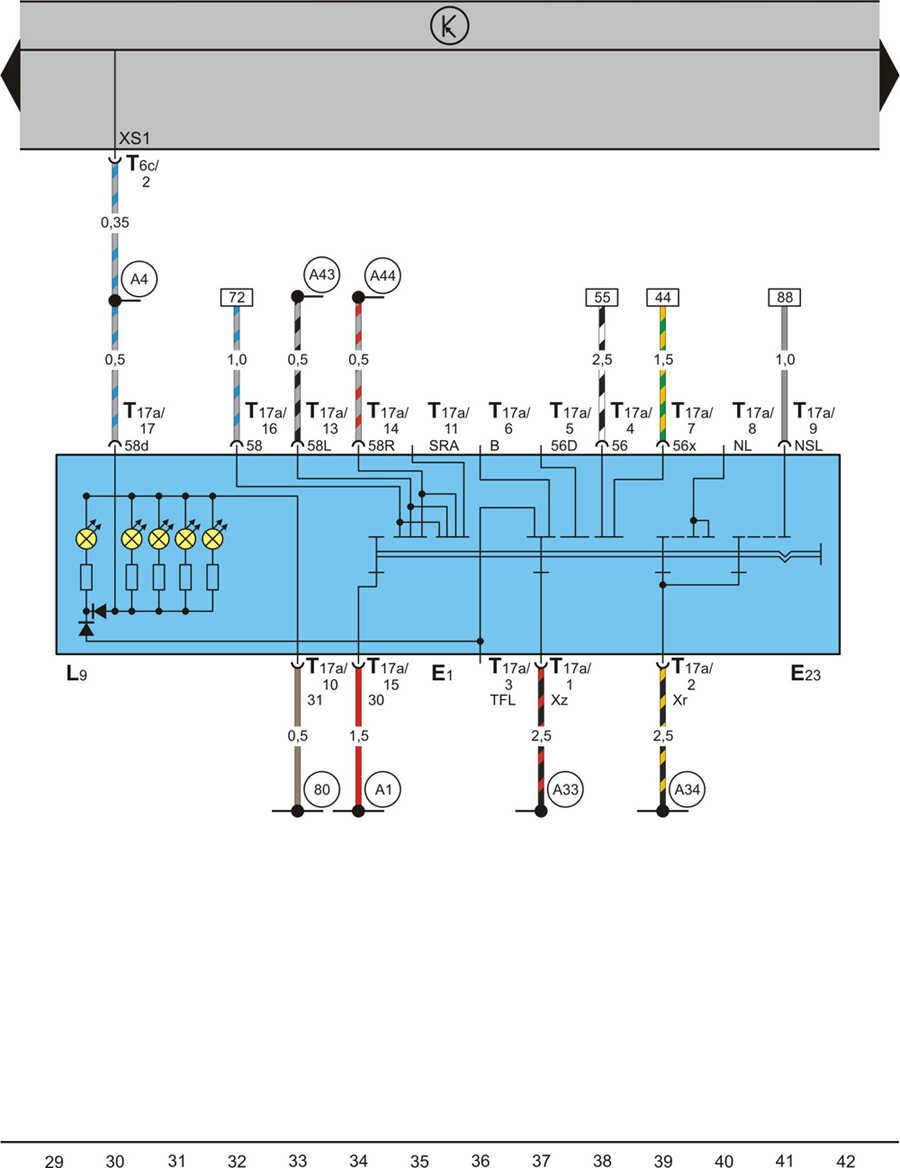
Центральный переключатель света Skoda

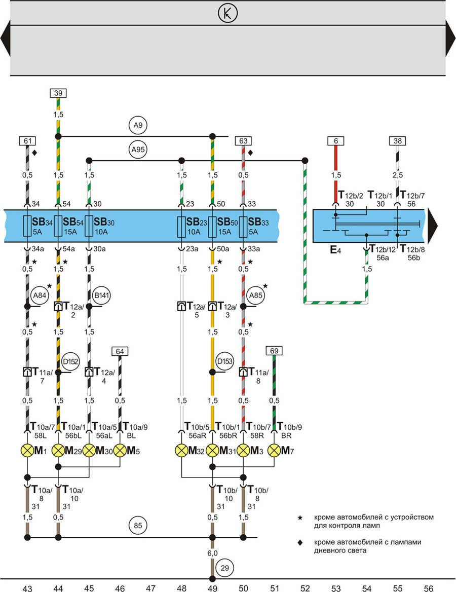
Переключатель поворотов и света фар, так-же блок предохраителей

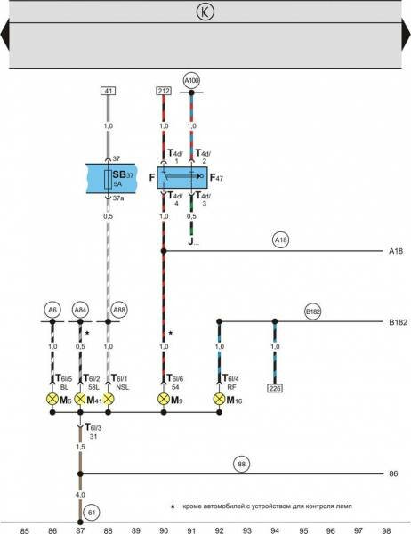
Электросхемы на выключатель стояночного света, выключатель аварийной сигнализации, боковые повторители указателей поворота

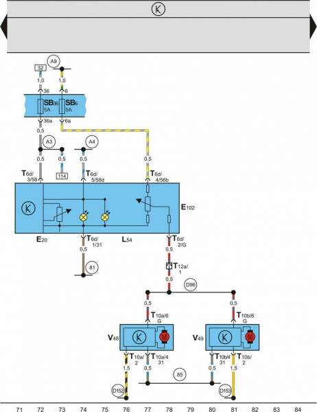
Переключатель подсветки приборов, корректор фар, переключатель корректора фар Skoda

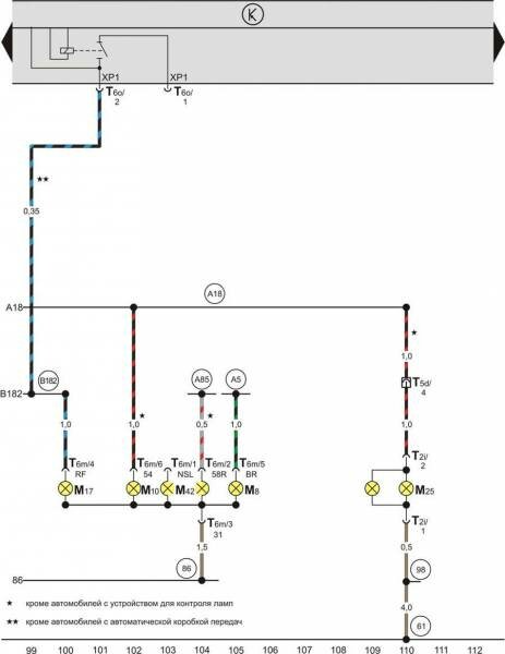
Электрооборудование выключателя фонарей сигнала торможения, левый задний фонарь

Правый задний фонарь, дополнительный сигнал торможения - схема

Освещение вещевого ящика, багажника, номерного знака

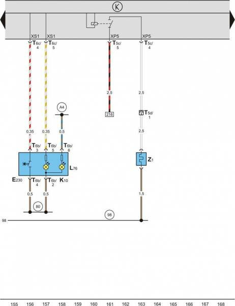
Схема обогрева заднего стекла

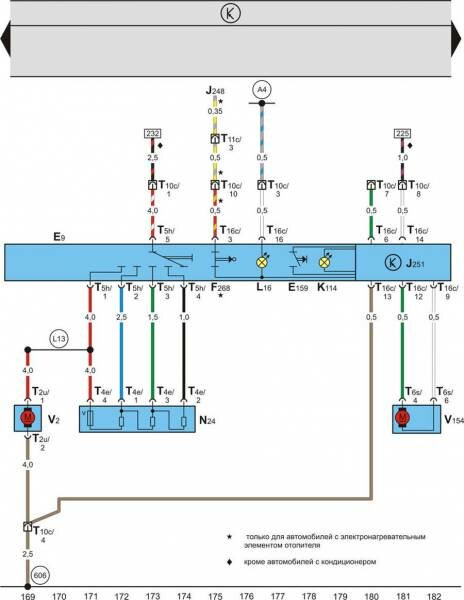
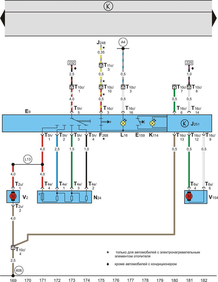
Отопитель автомобиля Skoda

Розетка, прикуриватель, освещение пепельницы

Выключатель фонарей заднего хода авто

Электросхемы на панель приборов, блок управления панелью приборов, часы, контрольные лампы

Блок управления панелью приборов, контрольные лампы, указатель температуры охлаждающей жидкости, тахометр

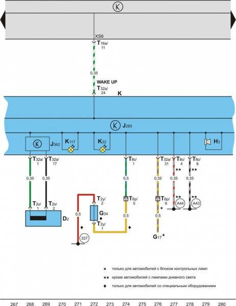
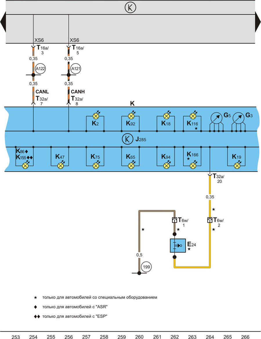
Иммобилайзер, панель приборов, блок управления панелью приборов, контрольные лампы, звуковая сигнализация панели приборов, датчик износа тормозной накладки левого переднего колеса

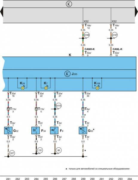
Контакты подсоединения радиоприемника, диагностический разъем авто

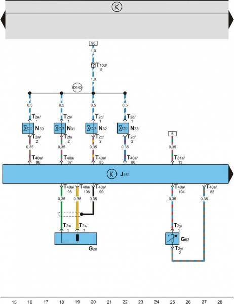
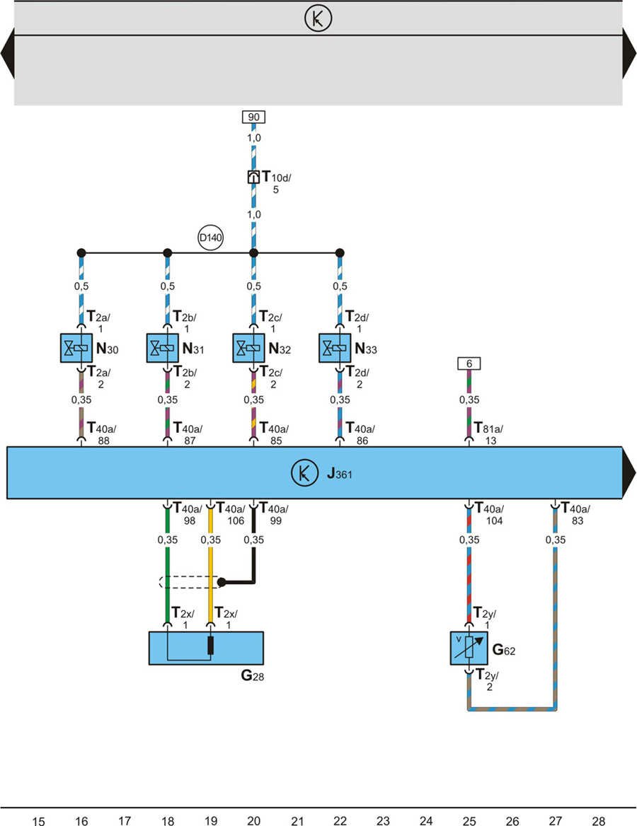
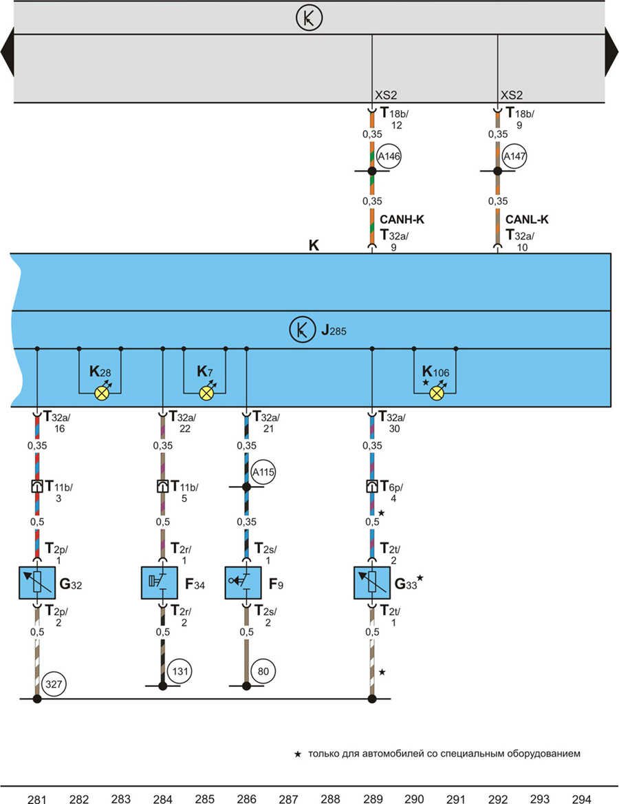
Блок управления панелью приборов, выключатель контрольной лампы стояночной тормозной системы, датчик уровня тормозной жидкости, датчик уровня охлаждающей жидкости, датчик уровня жидкости в бачке стеклоомывателей

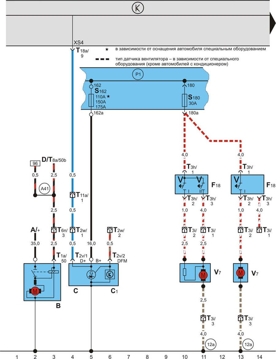
Стартер, генератор, вентилятор радиатора, дополнительный блок предохранителей Skoda

Форсунки, датчик частоты вращения коленчатого вала двигателя, датчик температуры охлаждающей жидкости

РЕМОНТ АВТОЭЛЕКТРОНИКИ ЗАРЯДНЫЕ УСТРОЙСТВА ДЛЯ АКБ

|