Сборник электросхем для скутеров фирмы сузуки. Представлены полные электрические схемы для скутеров сузуки Burgman, Suzuki Katana, Suzuki GN, Suzuki Street Magic и другие популярные модели. Для увеличения картинки - кликните на нужную схему.
Электросхема скутера сузуки Burgman AN400

Электросхема скутера сузуки Burgman AN650

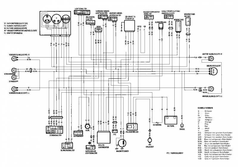
Электросхема скутера сузуки Katana

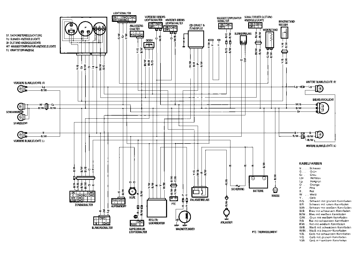
Электросхема скутера сузуки Katana AP50

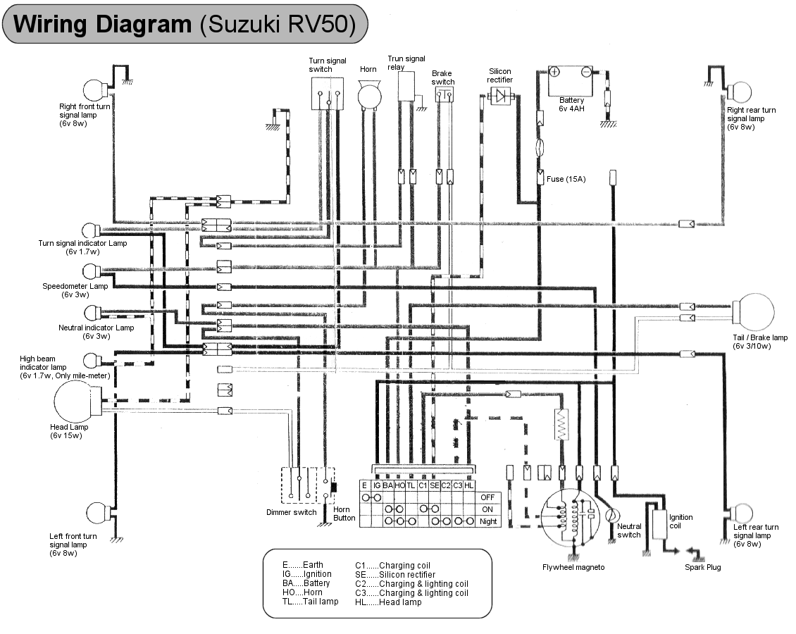
Электросхема скутера Suzuki RV50

Электросхема скутера сузуки Street Magic

РЕМОНТ АВТОЭЛЕКТРОНИКИ ЗАРЯДНЫЕ УСТРОЙСТВА ДЛЯ АКБ

|