Электросхемы автомобиля Тойота Рав 4. Все схемы в высоком качеств и цвете. Скачать электросхемы можно кликнув на кртинке и увеличив её. В этой первой части показаны такие модули авто: система питания, управления двигателем, схема зарядки и климат контроля. Другие модули Тойота Рав 4 показаны тут. При проведении ремонта учтите, что автомобили Toyota Rav4 оборудованы системами безопасности (SRS), включающими подушки безопасности и натяжители ремней безопасности. Перед проведением работ около датчиков удара, панели приборов и рулевой колонки отсоедините сначала отрицательную, а затем положительную клеммы от аккумуляторной батареи и подождите пару минут - это исключит случайное раскрытие подушек безопасности и срабатывание натяжителей ремней безопасности.
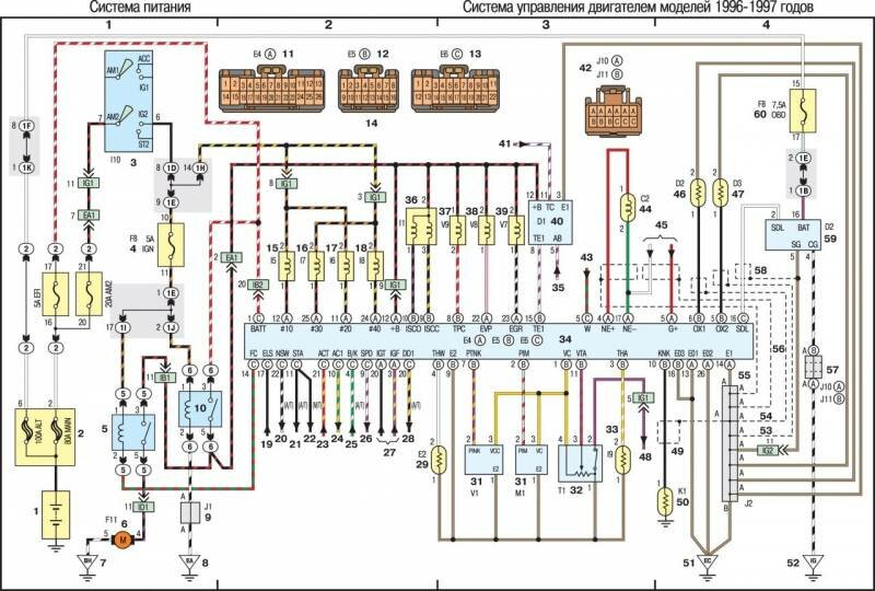
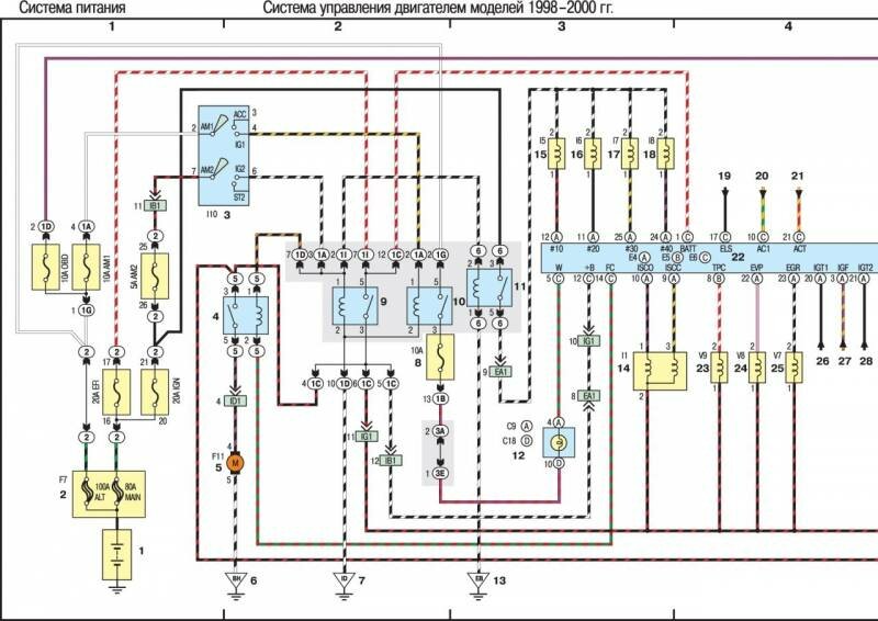
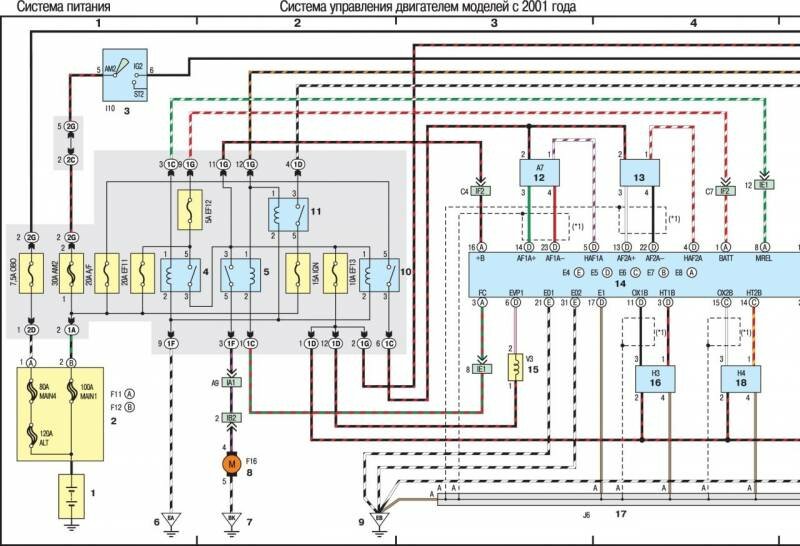
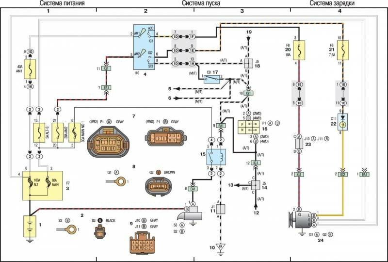
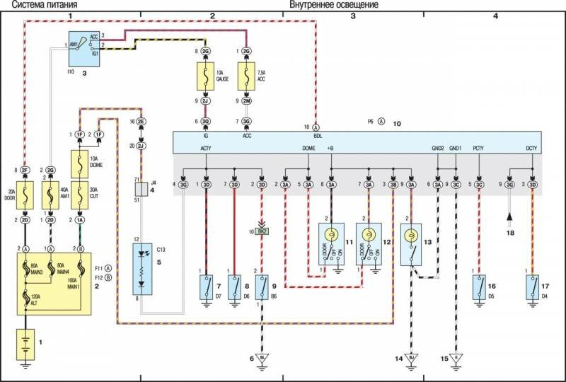
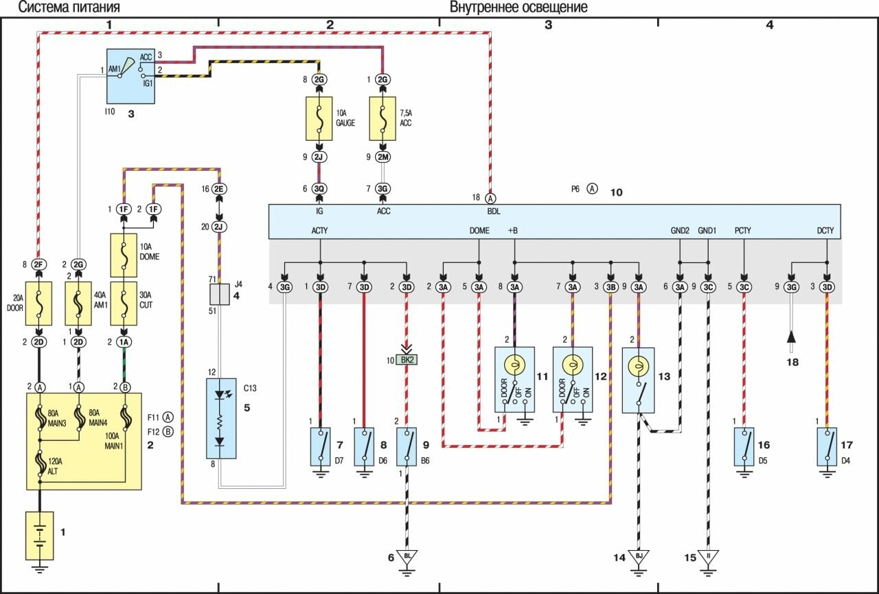
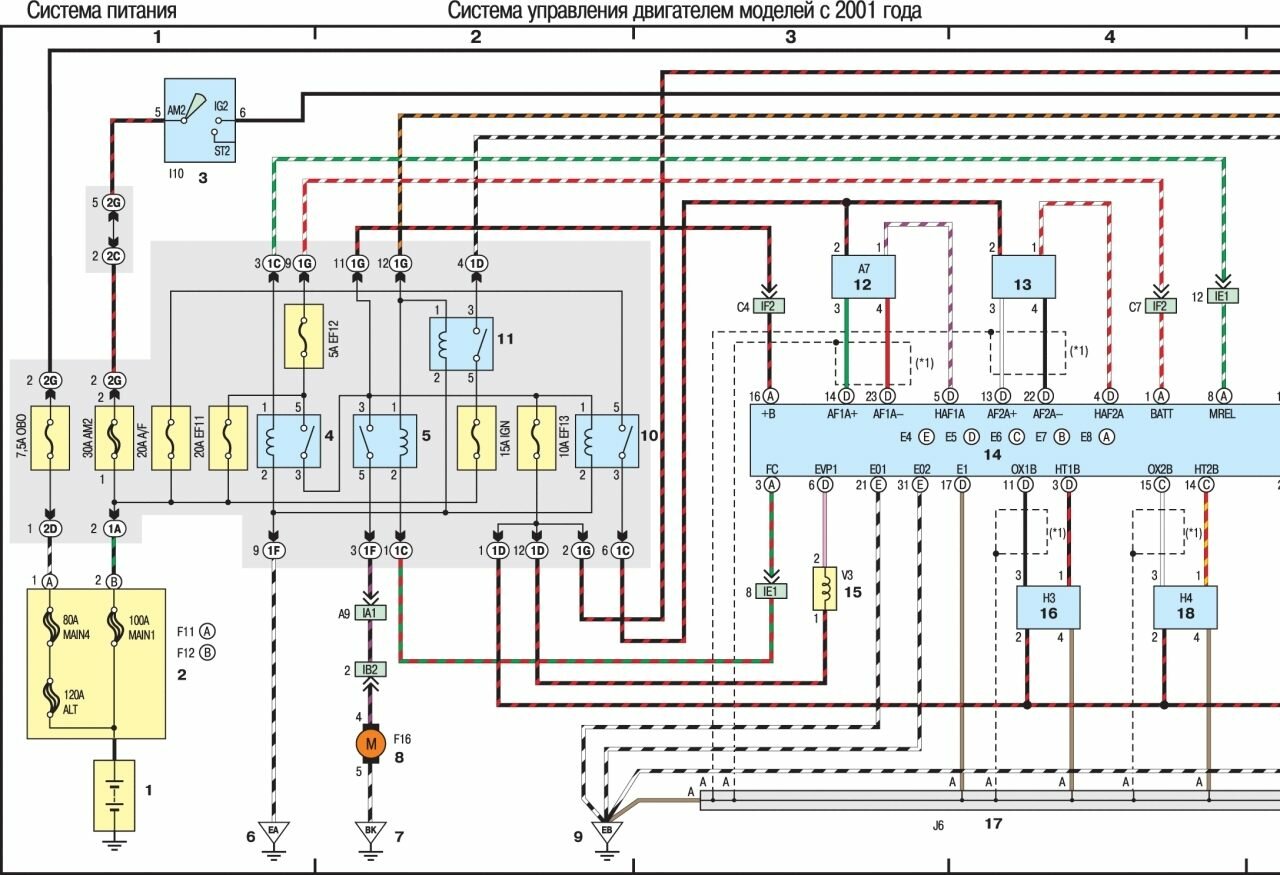
Электросхема системы питания Тойота Рав4

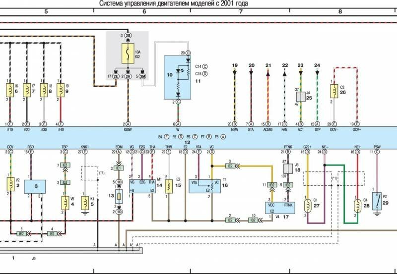
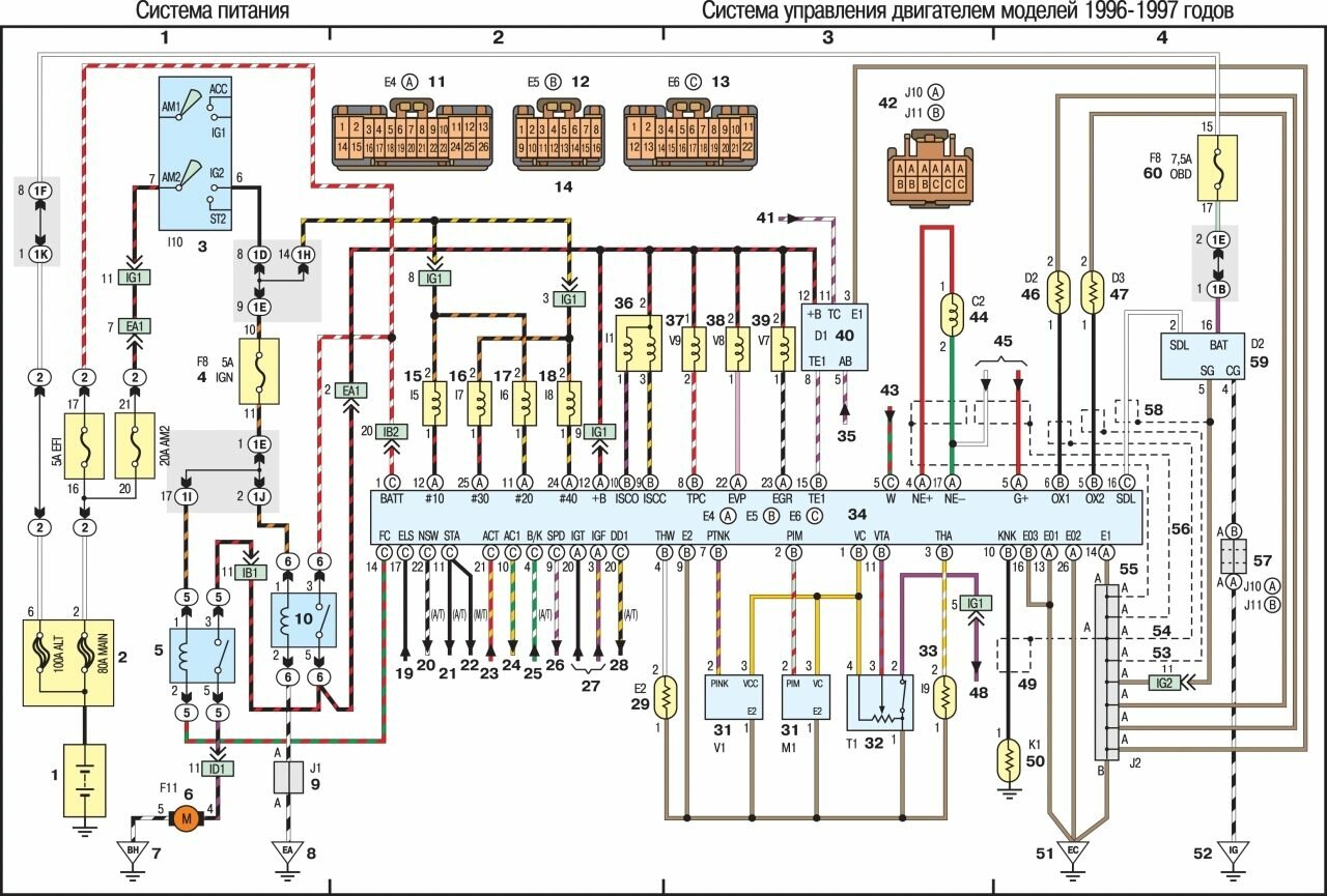
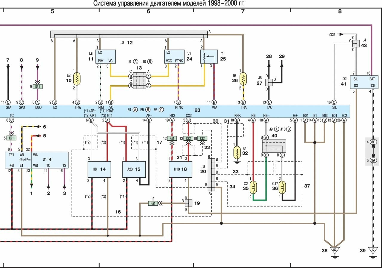
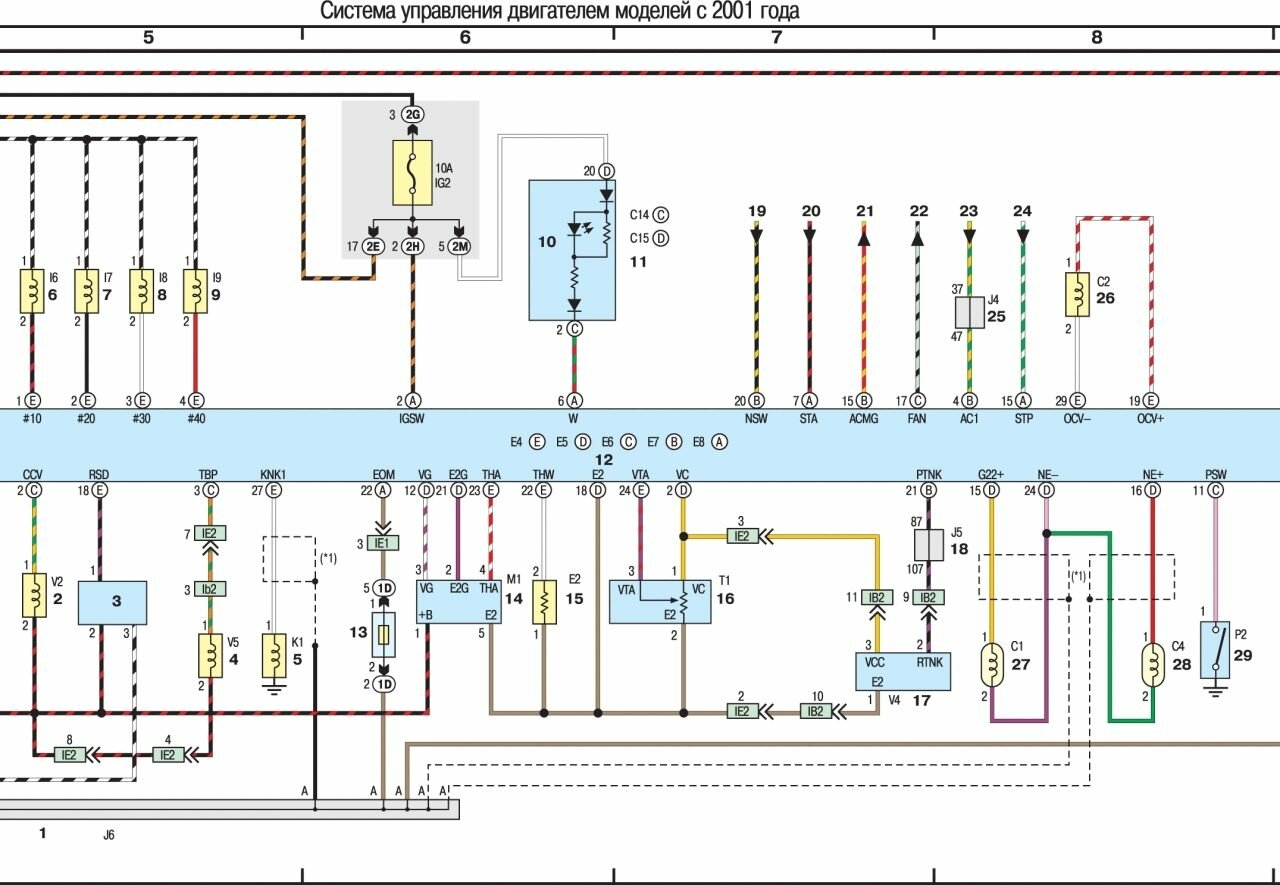
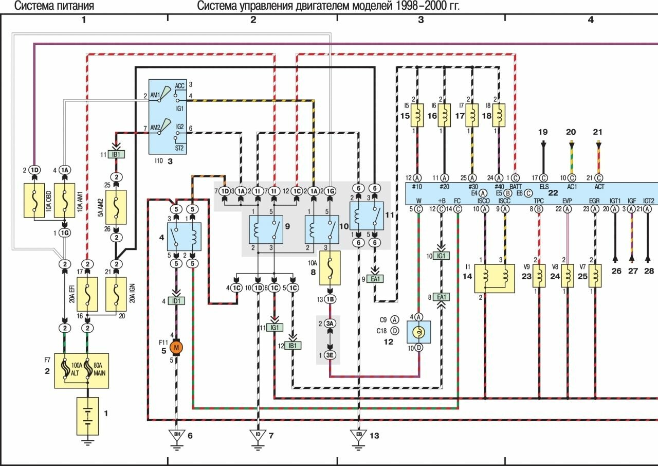
Электросхема системы управления двигателем Тойота Рав4


Управление двигателем с 2001 года



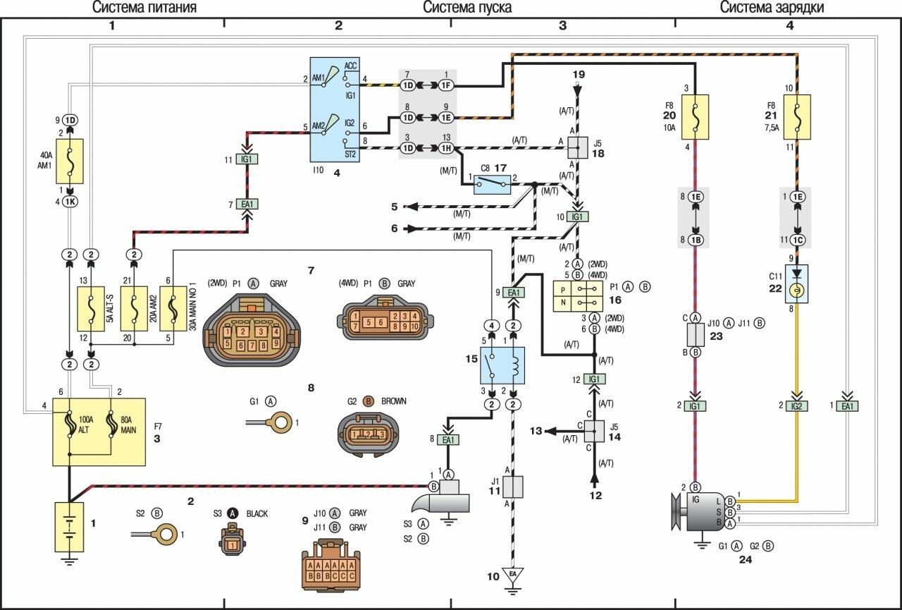
Система пуска и зарядки аккумулятора авто

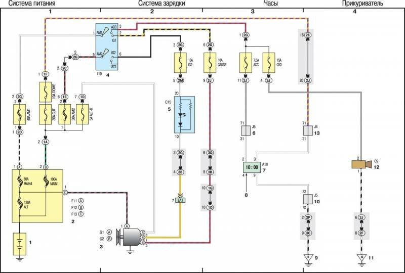
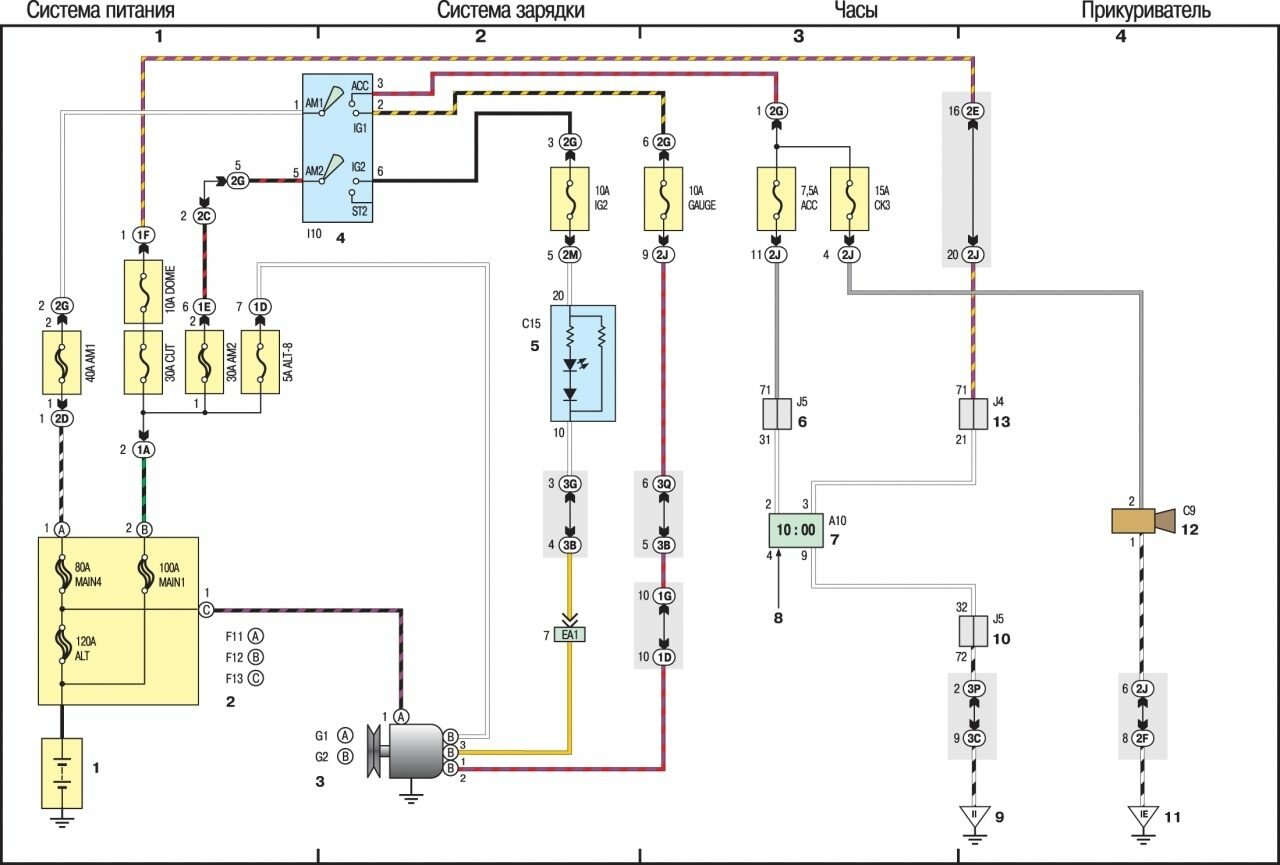
Схема часов и прикуривателя Тойота Рав4

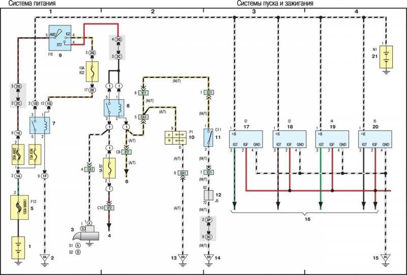
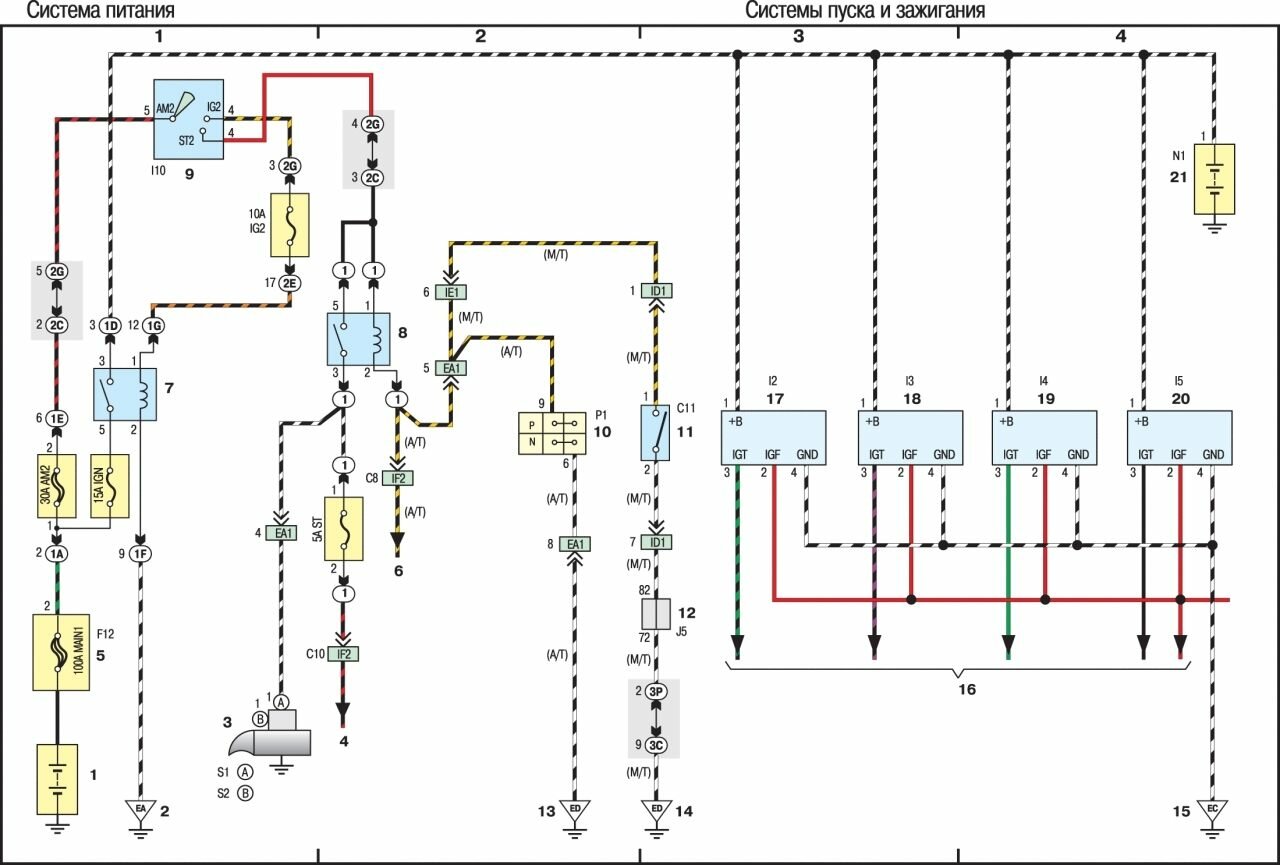
Электросхема пуска и зажигания

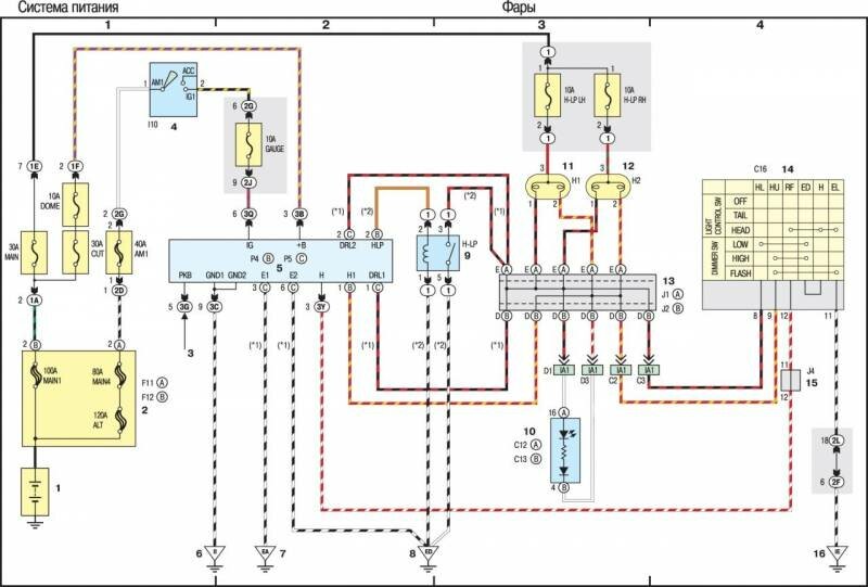
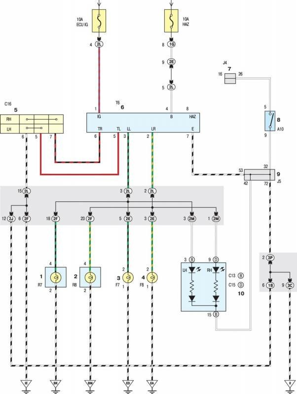
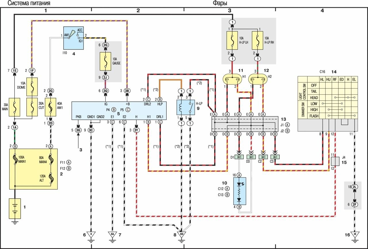
Фары Тойота Рав 4




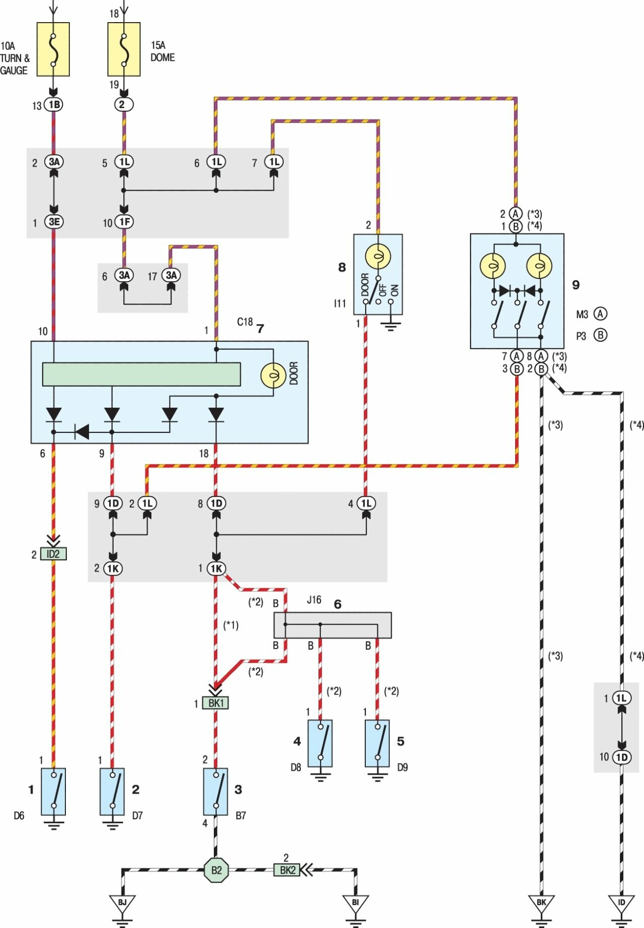
Схема внутреннего освещения салона Рав4



РЕМОНТ АВТОЭЛЕКТРОНИКИ ЗАРЯДНЫЕ УСТРОЙСТВА ДЛЯ АКБ

|