Сборник электросхем от двигателя 1MZ-FE автомобилей Тойота Камри 2001-2005 годов выпуска. Модель Camry обладает прочной внутренней структурой. Конструкция, прекрасно продуманная с точки зрения безопасности и передовых технологий, обеспечит ощущение надежности и всестороннюю заботу о водителе и пассажирах. Автомобиль обладает повышенной прочностью при столкновениях. Передняя и задняя зоны деформации, усиленные стойки и брусья, защищающие от боковых ударов, уменьшают деформацию кабины при столкновении, а также снижают угрозу травмирования людей, находящихся в автомобиле. Для защиты водителя дополнительно предусмотрены убирающийся педальный узел, что сводит к минимуму вероятность травмы ног, и травмобезопасная энергопоглощающая рулевая колонка, которая действует совместно с ремнями безопасности и подушками безопасности, уменьшая риск травмы при столкновениях.
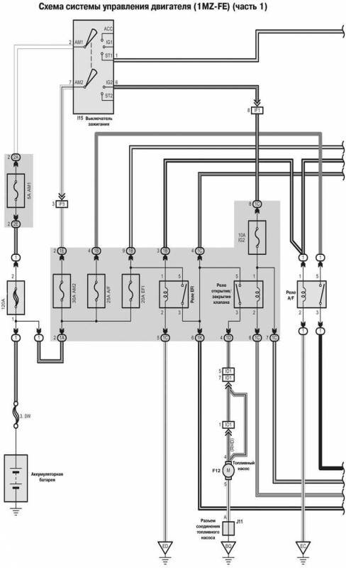
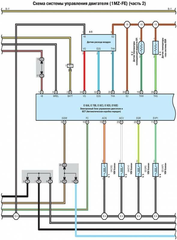
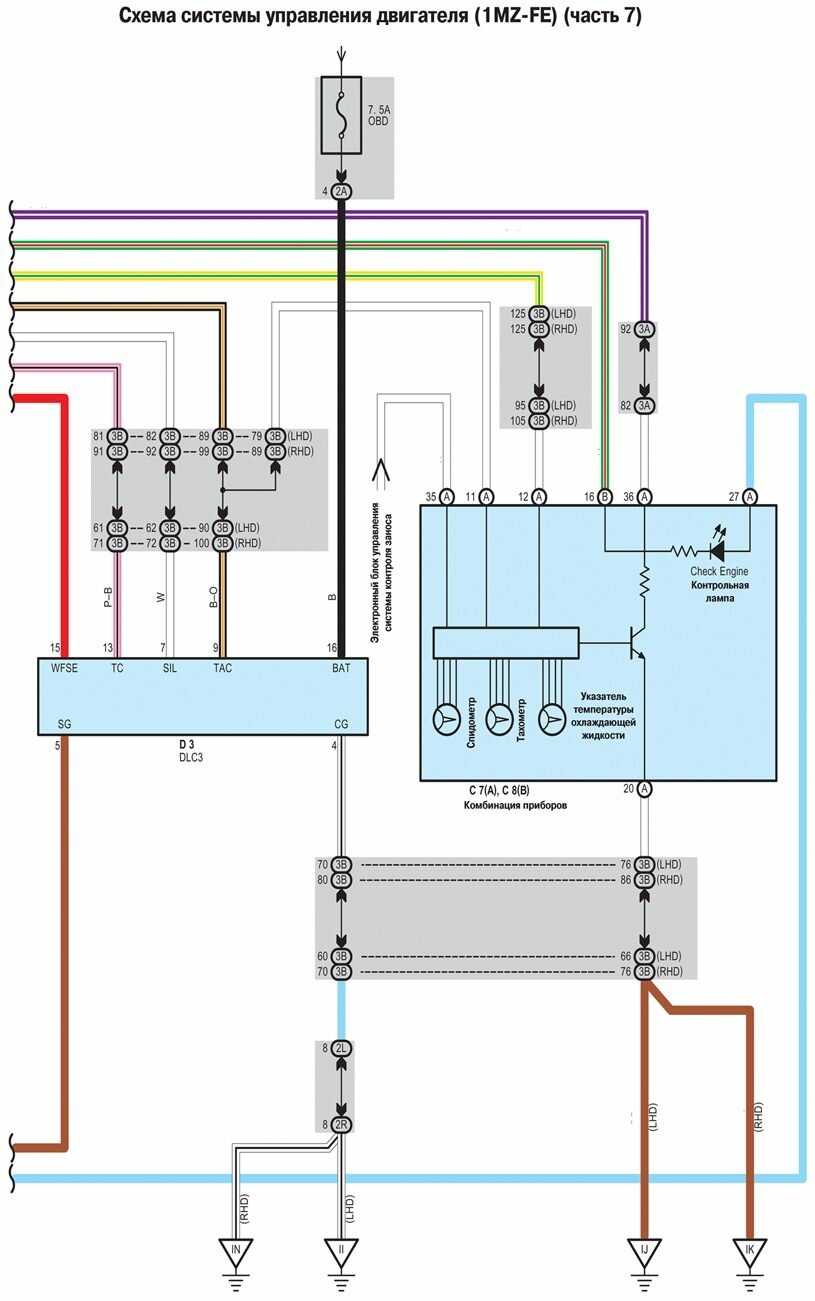
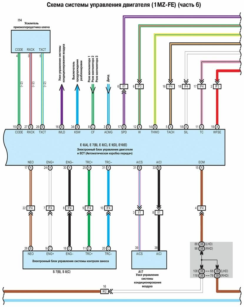
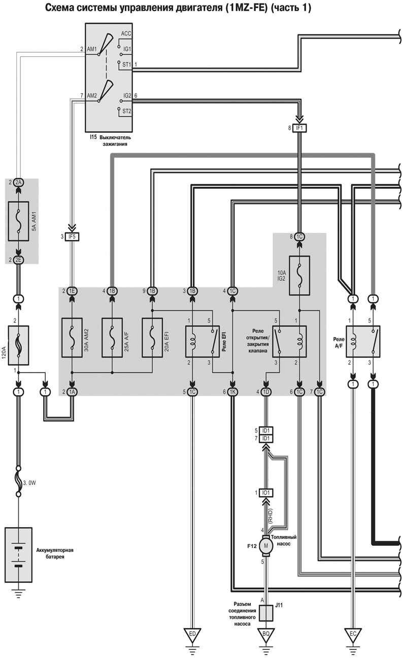
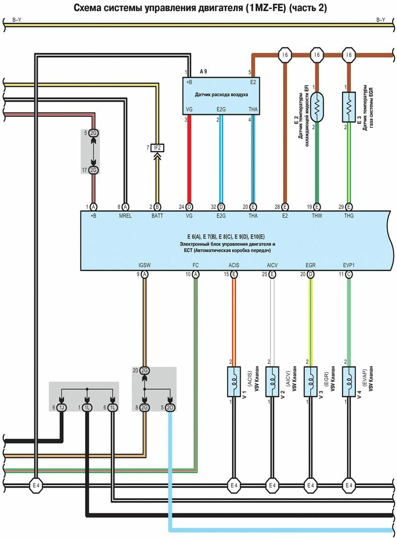
Электросхема системы управления двигателя Toyota Camry







Технические характеристики двигателя 1МZ-FE автомобиля Тойота Камри

Эксплуатационные особенности двигателей 1MZ-FE

РЕМОНТ АВТОЭЛЕКТРОНИКИ ЗАРЯДНЫЕ УСТРОЙСТВА ДЛЯ АКБ

|