Бесплатные, цветные и качественные электросхемы автомобиля Toyota Corolla на русском языке. Представленна вторая часть, содержащая такие узлы: Электропривод зеркал заднего вида и верхнего люка, центральный замок, стеклоподъёмники, омыватели и стеклоочистители, вентилятор охлаждения радиатора и кондиционера Тойота Королла и другие. Первую часть сборника электросхем Toyota Corolla смотрите тут. Для увеличения достаточно кликнуть по схеме.
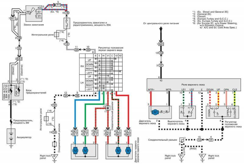
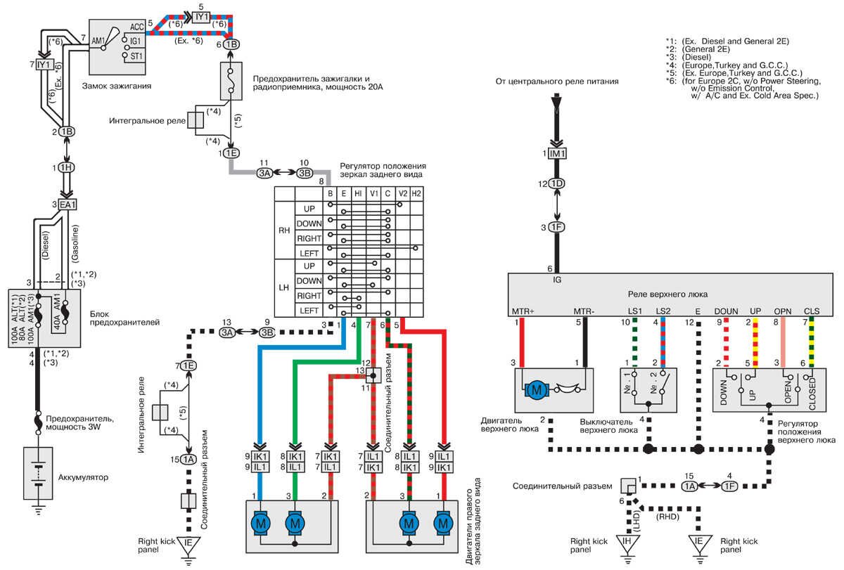
Электропривод зеркал заднего вида и верхнего люка Toyota Corolla

Центральный замок - электросхема

Стеклоподъемники Toyota Corolla

Электросхема системы АБС (ABC)

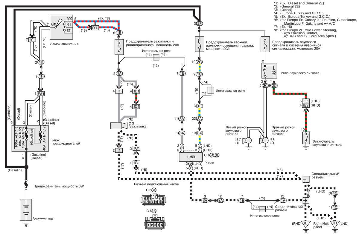
Зажигалка, часы и звуковой сигнал автомобиля

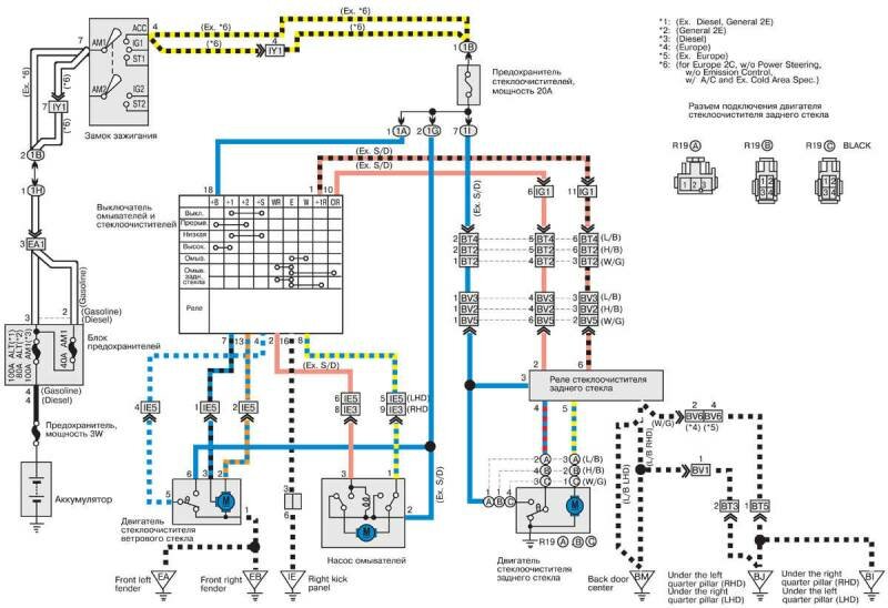
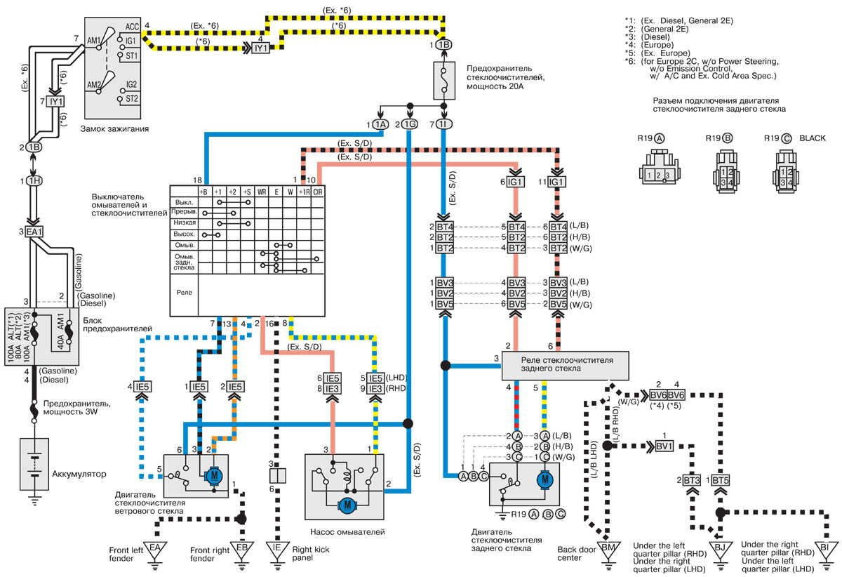
Омыватели и стеклоочистители - принципиальная схема

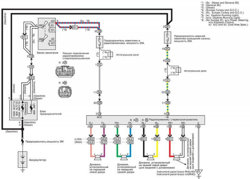
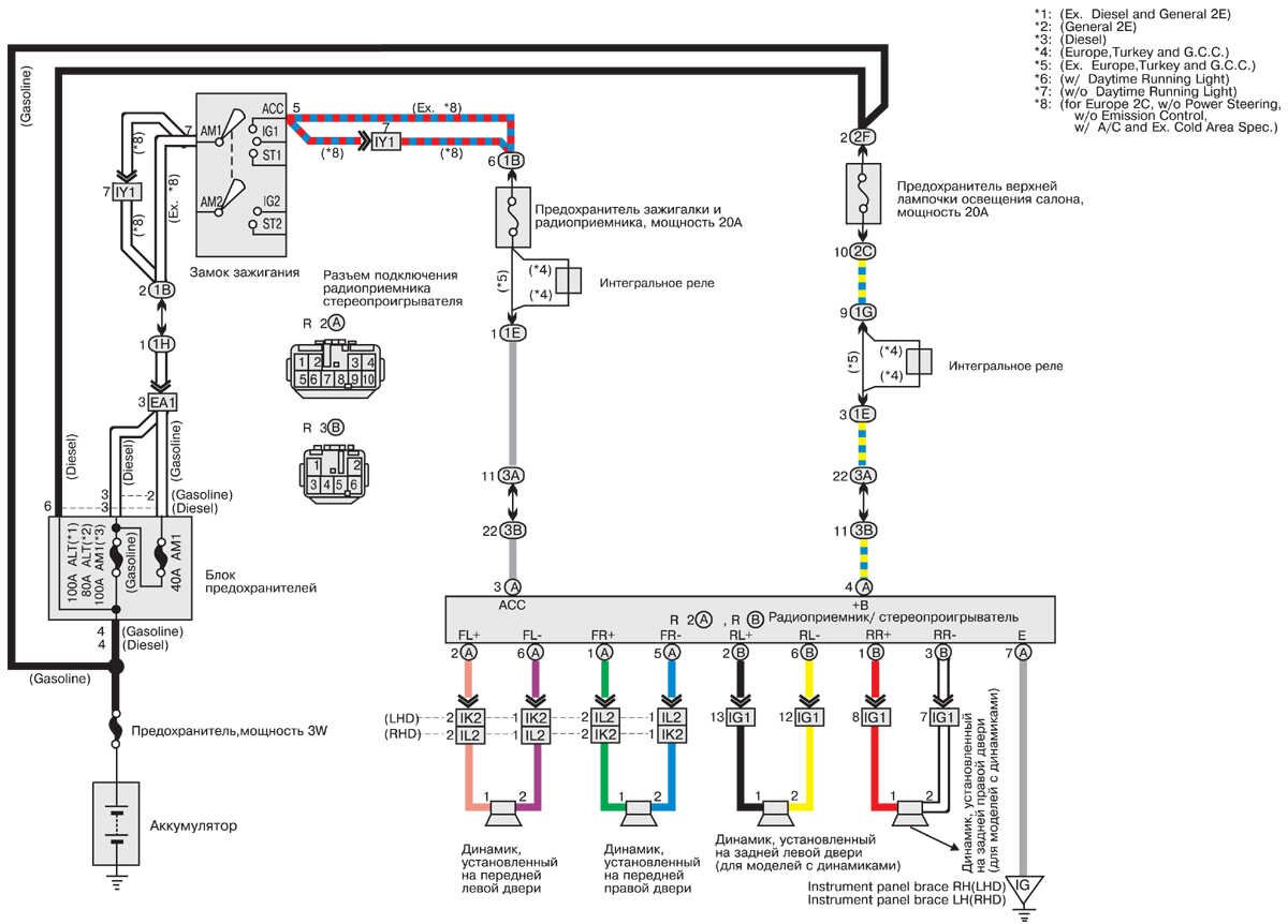
Радиоприемник и стереопроигрыватель Toyota Corolla

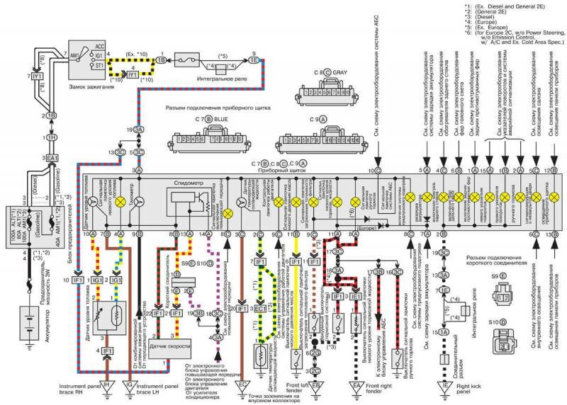
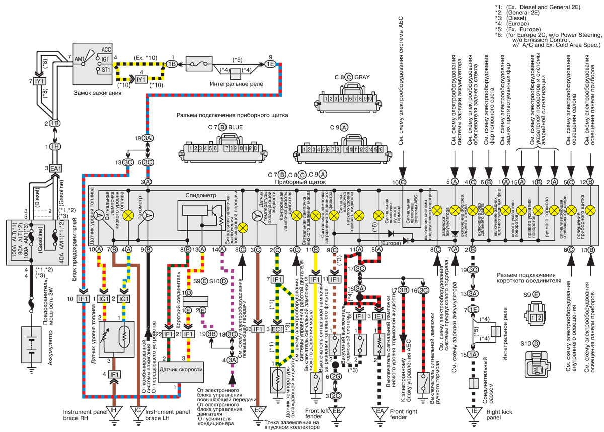
Приборы приборного щитка автомобиля Тойота Королла

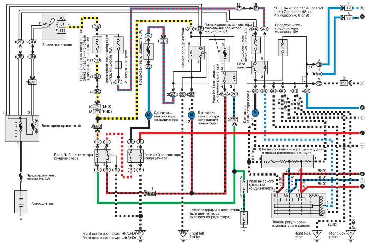
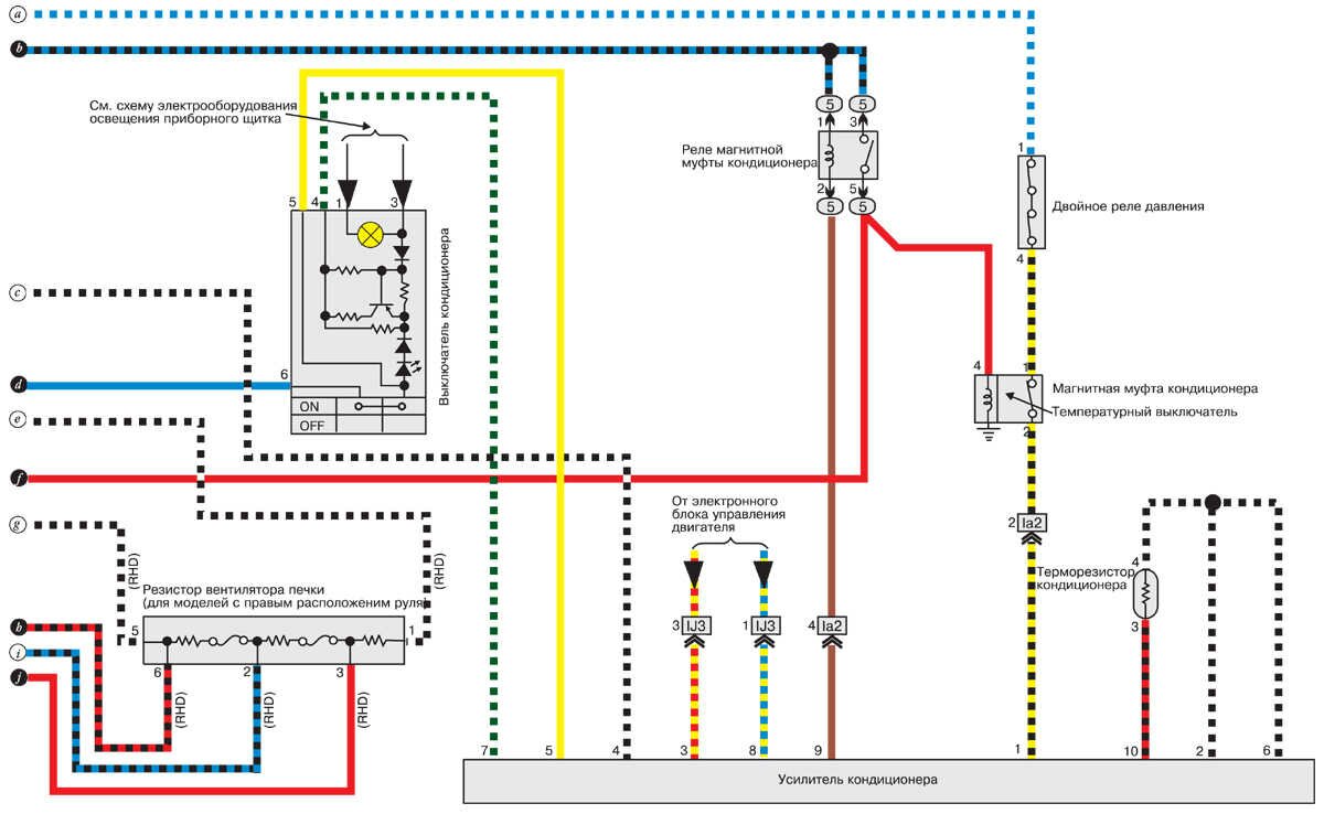
Вентилятор охлаждения радиатора и кондиционера


Схема системы зарядки аккумулятора и запуска двигателя

РЕМОНТ АВТОЭЛЕКТРОНИКИ ЗАРЯДНЫЕ УСТРОЙСТВА ДЛЯ АКБ

|