Предлагаемые схемы расшифровки помогут вам в обслуживании автомобиля ВАЗ 21124. В вариантном исполнении на автомобили с двигателями ВАЗ-21114 и ВАЗ-21124 могут быть установлены стартер и фары производства фирмы Bosch, противотуманные фары, комбинация приборов с жидкокристаллическим дисплеем индикации общего и суточного пробега, бортовой компьютер, электростеклоподъемники в передних или во всех дверях, электроприводы замков дверей и элементы подогрева передних сидений. Системы питания двигателей указанного авто не имеют возвратной топливной магистрали. Модуль электрического топливного насоса установлен в топливном баке и включает в себя электрический топливный насос, сетчатый фильтр, заборную камеру, регулятор давления топлива и датчик указателя уровня топлива. Схема соединений системы управления двигателем ВАЗ-21124 с распределенным впрыском топлива под нормы токсичности Евро-2 (контроллер M7.9.7) и электросхема соединений системы управления двигателем 21124 Евро-3. Описание элементов схемы у обоих вариантов одинаковое.


1 – катушки зажигания
2 – форсунки
3 – контроллер
4 – главное реле
5 – предохранитель, соединенный с главным реле
6 – реле электровентилятора системы охлаждения
7 – предохранитель, соединенный с реле электровентилятора системы охлаждения
8 – реле электрического топливного насоса
9 – предохранитель, соединенный с реле электрического топливного насоса
10 – датчик массового расхода и температуры воздуха
11 – датчик положения дроссельной заслонки
12 – датчик температуры охлаждающей жидкости
13 – электромагнитный клапан продувки адсорбера
14 – датчик кислорода
15 – датчик детонации
16 – датчик положения коленчатого вала
17 – регулятор холостого хода
18 – блок управления иммобилайзера
19 – индикатор состояния иммобилайзера
20 – датчик фаз
21 – датчик скорости автомобиля
22 – модуль электрического топливного насоса с датчиком уровня топлива
23 – датчик контрольной лампы давления масла
24 – датчик указателя температуры охлаждающей жидкости
А – колодка, присоединяемая к жгуту проводов салонной группы АБС
Б – колодка диагностики
В – колодка, присоединямая к жгуту проводов кондиционера
Г – к выводу «+» аккумуляторной батареи
Д – к колодке жгута проводов боковых дверей
Е – колодка, присоединяемая к жгуту проводов панели приборов

Схема электросистемы ВАЗ 21124 в подкапотном пространстве

- электрический вентилятор (№3);
- реле включения электровентилятора (№22);
- датчик температуры охлаждающей жидкости (№7);
- электрический бензонасос с датчиком уровня топлива (№30);
- реле включения бензонасоса (№21);
- электрический подогреватель впускной трубы топливной системы (№4);
- реле включения и предохранитель защиты подогревателя (№23 и 24);
- датчик температуры воздуха идатчик абсолютного давления (№5 и 6);
- контроллер управления работой двигателя (№13);
- блок предохранителей СУД (№20);
- блок предохранителей (№27);
- реле зажигания 21124 (№26);
- свечи зажигания (№28);
- реле стартера авто (№25);
- аккумуляторная батарея (№18).
Схема подачи топлива в двигатель ВАЗ-21124

1 – штуцер для проверки давления в системе питания
2 – топливная рампа
3 – форсунки
4 – топливопровод
5 – топливный бак
6 – модуль топливного насоса (в топливном баке)
7 – топливный фильтр
8 – тройник
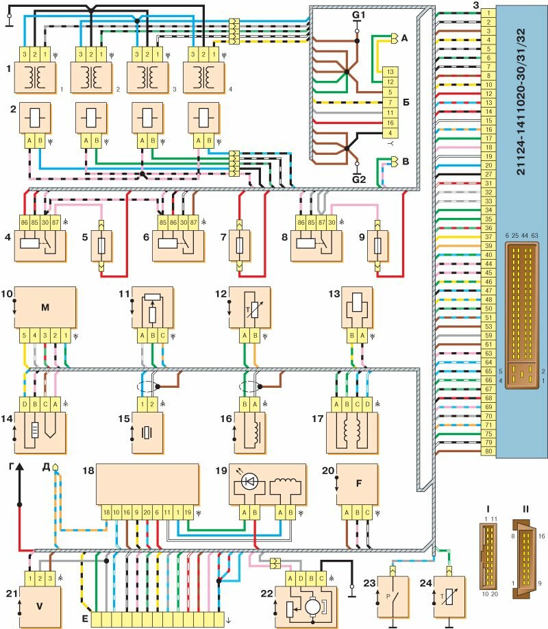
Электрическая схема ЭСУД ВАЗ-21104 с контроллером 21124-1411020-30/31/32

1 - колодка жгута проводов катушек зажигания к жгуту системы зажигания;
2 - колодка жгута системы зажигания к жгуту проводов катушек зажигания;
3 - катушки зажигания;
4 - датчик сигнализатор иммобилизатора;
5 - блок управления иммобилизатора;
6 - свечи зажигания;
7 - форсунки;
8 - колодка диагностики;
9 - колодка жгута системы зажигания к жгуту салонной группы АБС;
10 - контроллер;
11 - электробензонасос;
12 - колодка жгута системы зажигания к жгуту датчика уровня топлива;
13 - колодка жгута датчика уровня топлива к жгуту системы зажигания;
14 - колодка жгута системы зажигания к жгуту форсунок;
15 - колодка жгута форсунок к жгуту системы зажигания;
16 - колодка жгута системы зажигания к жгуту боковых дверей;
17 - датчик скорости;
18 - регулятор холостого хода;
19 - датчик положения дроссельной заслонки;
20 - датчик температуры охлаждающей жидкости;
21 - датчик массового расхода воздуха;
22 - датчик контрольной лампы давления масла;
23 - датчик фаз;
24 - датчик кислорода;
25 - датчик положения коленчатого вала;
26 - датчик детонации;
27 - электромагнитный клапан продувки адсорбера;
28 - датчик уровня масла;
29 - датчик указателя температуры охлаждающей жидкости;
30 - колодка жгута системы зажигания к жгуту панели приборов;
31 - колодка жгута панели приборов к жгуту системы зажигания;
32 - реле зажигания;
33 - предохранитель реле зажигания;
34 - предохранитель цепи питания электробензонасоса;
35 - реле электробензонасоса;
36 - реле электровентилятора;
37 - предохранитель цепи питания контроллера;
38 - колодка жгута системы зажигания к соединителю кондиционера;
39 - комбинация приборов;
40 - выключатель зажигания;
41 - электровентилятор системы охлаждения;
42 - блок бортовой системы контроля;
43 - реле стартера;
44 - контакты 8-клеммных колодок жгута панели приборов и жгута переднего;
45 - контакты 21-клеммных колодок жгута панели приборов и жгута заднего;
46 - маршрутный компьютер;
47 - диагностический разъем.
Предохранители авто - номер, ток и описание

F1 5 Лампы освещения: номеров, приборов, габаритов на приборной панели, левые габариты, подсветка багажника
F2 7,5 Ближний свет в левой фаре
F3 10 Дальний свет в левой фаре
F4 10 Правая передняя противотуманная фара
F5 30 Стеклоподъемники дверей
F6 15 Переносная лампа, прикуриватель
F7 20 Вентилятор радиатора, звуковой сигнал
F8 20 Обогрев заднего стекла
F9 20 Омыватель и очиститель лобового стекла
F10 20 Резервый
F11 5 Габарит с правой стороны
F12 7,5 Ближний свет в правой фаре
F13 10 Дальний свет в правой фаре
F14 10 Противотуманная фара, левая
F15 20 Обогрев сидений 21124
F16 10 Аварийный сигнал, поворотники
F17 7,5 Стоп сигнал, подсветка замка зажигания, освещение салона
F18 25 Прикуриватель, подсветка бардачка, отопитель салона
F19 10 Лампа заднего хода, контроль исправности стоп сигнала
F20 7,5 Задние противотуманные фары.
РЕМОНТ АВТОЭЛЕКТРОНИКИ ЗАРЯДНЫЕ УСТРОЙСТВА ДЛЯ АКБ

|