Представляем бесплатный общедоступный сборник электросхем для Ford Sierra. В первой части показаны схемы электрооборудования на контур дизельного двигателя, зарядки и стартера, комбинации приборов и других узлов автомобиля Ford. Остальные модули и описание реле с предохранителями смотрите во второй части.
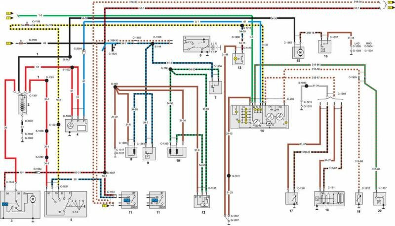
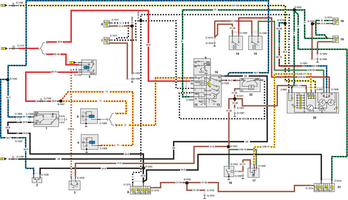
Электросхема зарядки и стартера Ford Sierra

1 – провод с главным предохранителем,
2 – аккумулятор,
3 – стартер Ford Sierra,
4 – генератор с электронным регулятором,
5 – выключатель зажигания,
6 – пусковой выключатель
автоматической коробки передач,
7 – выключатель kick-down
автоматической коробки передач,
8 – датчик блокировки стартера автоматической коробки передач,
9 – вакуумный переключатель,
10 – управление kick-down
автоматической коробки передач, 11 – реле автоматической коробки
передач,
12 – временной элемент kick-down автоматической коробки передач,
13 – контрольная лампочка,
14 – комбинация приборов,
15 – двигатель вентилятора радиатора,
16 – выключатель вентилятора радиатора,
17 – датчик уровня охлаждающей жидкости,
18 – датчик уровня топлива,
19 – датчик температуры охлаждающей жидкости,
20 – датчик давления масла.
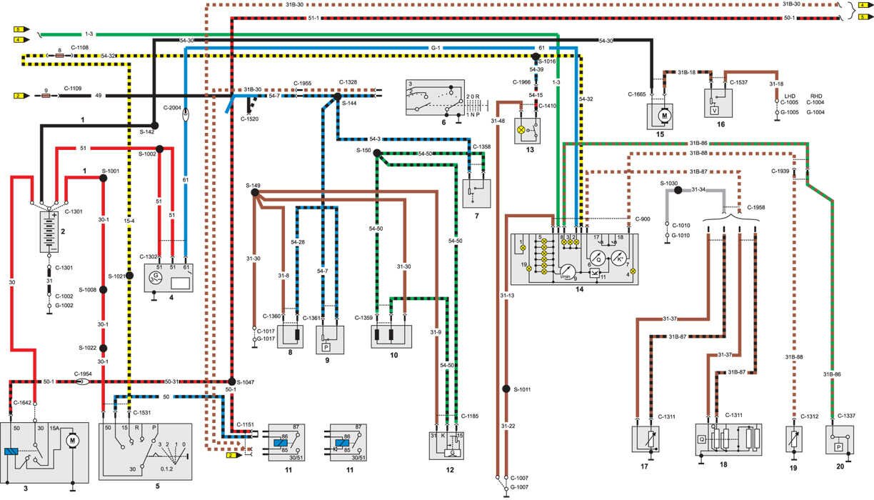
Электросхема дизельного двигателя

1 – провод с главным предохранителем,
2 – аккумулятор,
3 – стартер,
4 – выключатель зажигания,
5 – электромагнитный клапан выключения двигателя (клапан STOP),
6 – выключатель дополнительного вентилятора радиатора,
7 – электромагнитное сцепление дополнительного вентилятора радиатора, 8 – термовыключатель вентилятора радиатора,
9 – контрольные лампочки начального подогрева двигателя и перегорания свечей накала,
10 – реле начального подогрева двигателя,
11 – свечи накаливания,
12 – генератор с электронным регулятором напряжения,
13 – комбинация приборов
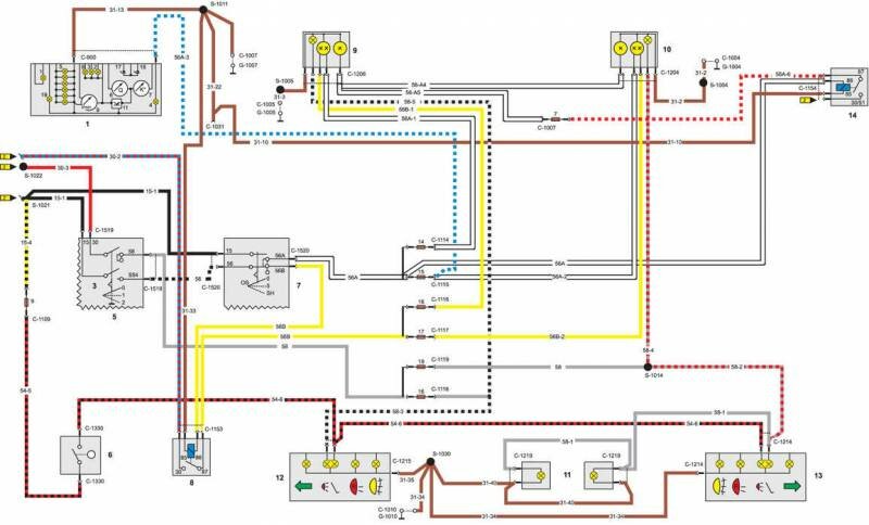
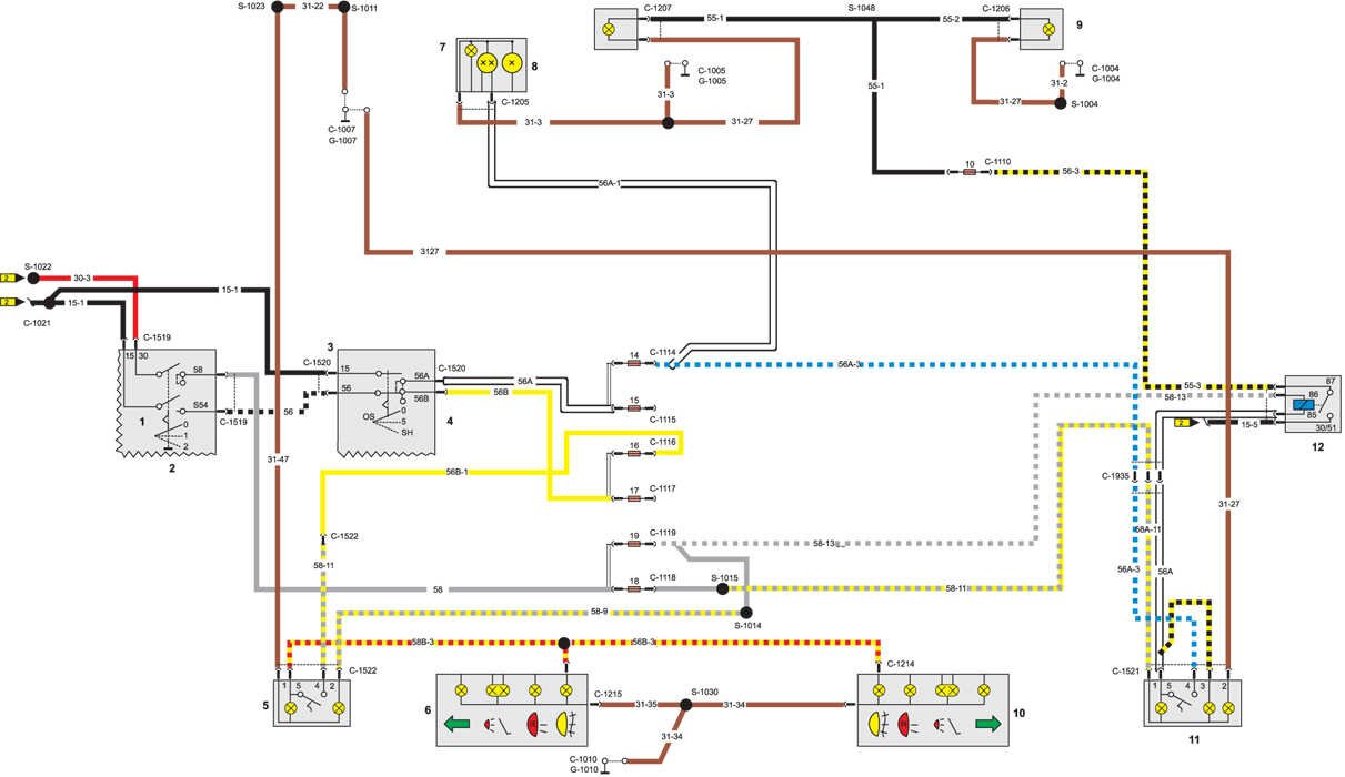
Электросхема наружного освещения

1 – комбинация приборов,
3 – управление наружным освещением,
5 – фрагмент переключателя наружного
освещения и стеклоочистителя ветрового
стекла,
6 – датчик фонарей торможения, 7 – фрагмент
многофункционального
переключателя,
12 – задний левый фонарь,
13 – задний правый фонарь,
14 – реле фар дальнего света
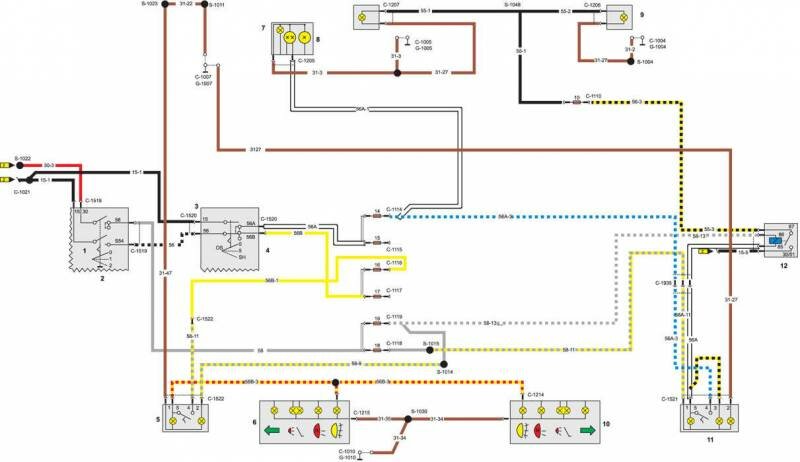
Электросхема противотуманных фар Ford Sierra

1 – управление наружного освещения,
2 – фрагмент переключателя наружного освещения и стеклоочистителя
ветрового стекла,
3 – переключатель фар дальнего и
ближнего света,
4 – фрагмент многофункционального переключателя,
5 – выключатель задних
противотуманных фар, 6 – задний левый фонарь,
7 – левая главная фара Ford Sierra,
8 – левая противотуманная
фара,
9 – правая противотуманная
фара,
10 – задний правый фонарь,
11 – выключатель передних противотуманных фар,
12 – реле противотуманных фар
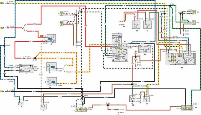
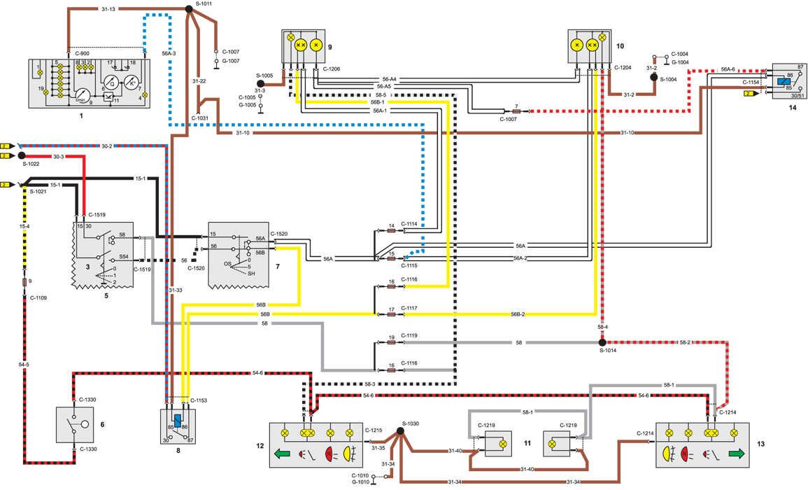
Электросхема комбинации приборов

1 – пусковой выключатель
автоматической коробки передач,
2 – выключатель фонарей заднего хода,
3 – выключатель звуковых сигналов,
4 – звуковые сигналы,
5 – реле звуковых сигналов,
6 – передний левый указатель поворота,
7 – боковой левый указатель поворота,
8 – задний левый фонарь,
9 – переключатель фар дальнего и
ближнего света,
10 – многофункциональный переключатель,
12 – кнопка звукового сигнала, 13 – выключатель аварийных огней,
14 – выкуумный выключатель желтой контрольной лампочки расхода топлива,
15 – вакуумный выключатель красной контрольной лампочки расхода топлива,
16 – датчик затягивания рычага ручного тормоза,
17 – датчиу уровня тормозной жидкости,
18 – передний правый указатель поворота,
19 – боковой правый указатель поворота,
20 – комбинация приборов Ford Sierra,
21 – задний правый фонарь,
22 – реле указателей поворотов.
РЕМОНТ АВТОЭЛЕКТРОНИКИ ЗАРЯДНЫЕ УСТРОЙСТВА ДЛЯ АКБ

|