Вторая часть цветного иллюстрированного сборника электросхем автомобиля Форд Сиерра. Здесь размещены схемы на освещение салона, обогрева, вентиляции, стеклоочистителей авто, а так-же других основных узлов Форда. Начало смотрим здесь.
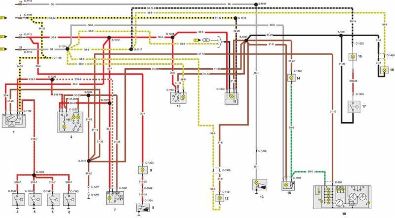
Электросхема освещения салона

1 – временной элемент задержки выключения лампы освещения салона,
2 – лампа освещения салона,
3 – датчик открытия передней левой двери,
4 – датчик открытия задней левой двери,
5 – датчик открытия передней правой двери,
6 – датчик открытия задней правой двери,
7 – задняя лампа освещения салона,
8 – выключатель лампы освещения багажникка,
9 – лампа освещения багажника,
10 – прикуриватель, 11 – освещение часов,
12 – освещение пепельницы,
13 – освещение моторного отсека,
14 – освещение переключателя вентиляции,
15 – освещение комбинации приборов с регулировкой интенсивности,
16 – освещение вещевого ящика,
17 – выключатель освещения вещевого ящика,
18 – комбинация приборов Форд Сиерра,
19 – освещение выключателя
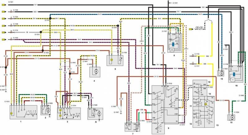
Электросхема обогрева, вентиляции и стеклоочистителей Форд Сиерра

1 – переключатель управления вентиляции,
2 – двигатель вентилятора Форд Сиерра,
3 – выключатель стеклоочистителя и омывателя заднего стекла,
4 – двигатель омывателя заднего и ветрового стекол,
5 – двигатель стеклоочистителя заднего стекла,
6 – программатор прерывистой работы стеклоочистителя,
7 – двигатель стеклоочистителя ветрового стекла,
8 – реле прерывистой работы
стеклоочистителя, 9 – переключатель наружного
освещения и стеклоочистителя ветрового стекла,
10 – переключатель фар ближнего и дальнего света,
11 – кнопка звукового сигнала,
12 – переключатель указателей поворотов,
13 – выключатель аварийных огней,
14 – многофункциональный переключатель,
15 – двигатели стеклоочистителей фар,
16 – реле стеклоочистителей фар
Электросхема центральной блокировки дверей

1 – блокирование передней левой двери,
2 – блокирование задней левой двери Форд Сиерра,
3 – блокирование задней двери кузова (либо крышки багажника),
4 – реле блокирования дверей,
5 – блокирование передней правой двери,
6 – блокирование задней правой двери
Электросхема контура управления стеклами боковых дверей

1 – выключатель управления стеклом задней левой двери,
2 – двигатель управления стеклом задней левой двери,
3 – двигатель управления стеклом передней левой двери,
4 – выключатели управления стеклами боковых дверей,
5 – двигатель управления стеклом передней правой двери,
6 – выключатель управления стеклом задней правой двери,
7 – двигатель управления стеклом задней правой двери.
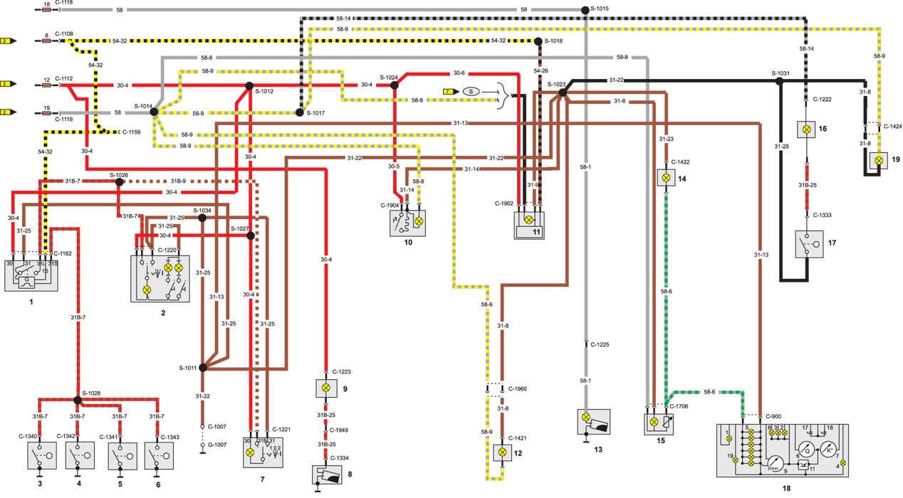
Реле и предохранители авто

В главном блоке могут быть установлены реле:
– N I: безопасного запуска двигателя (блокировки стартера) в автомобилях с автоматической коробкой передач.;
– N II: звукового сигнала;
– N III: фар ближнего света;
– N IV: фар дальнего света;
– N V: передних противотуманных фар;
– N VI: электрического открытия задних дверей кузова;
– N VII: программатора режима работы щеток ветрового стекла;
– N VIII: щеток фар;
– N IX: контрольной лампочки не пристегнутых ремней безопасности;
– N X: выключателя зажигания;
– N XI: программатора режима работы щетки заднего стекла;
– N XII: временного выключателя освещения салона автомобиля;
– N XIII: обогрева заднего стекла и наружного зеркала заднего вида с автоматическим выключением.
В двигательном отсеке в дополнительном блоке реле:
– подогрева впускного коллектора;
– выключения модуля управления зажиганием ESC II и шагового двигателя регулятора холостого хода;
– кондиционерного устройства с предохранителем 15 А.
В блоке под передней панелью с правой стороны могут находиться следующие реле:
– запуска теплого двигателя (двигатели с впрыском);
– контроля свечения лампочек;
– центрального замка;
– предупредительного индикатора указателя.
Около кронштейна рулевой колонки могут находиться следующие предохранители:
– указателей поворота и аварийных огней;
– обогрева передних сидений;
– дополнительного вентилятора радиатора;
– антенны, приводимой в движение электрически;
– электрических подъемников стекол.
РЕМОНТ АВТОЭЛЕКТРОНИКИ ЗАРЯДНЫЕ УСТРОЙСТВА ДЛЯ АКБ

|