Третья, заключительная часть каталога схем электрооборудования для автомобилей марки Skoda. Здесь приводятся схемы на обогрев сиденья водителя, переднего пассажира, блок предохранителей, управления кондиционером, вентилятор отопителя, электродвигатель заслонки рециркуляции воздуха, блок управления дополнительным вентилятором радиатора, датчик давления системы кондиционирования, блок предохранителей на аккумуляторной батарее, радиоприемник, передние громкоговорители, антенна и другие узлы автомобиля Skoda. Начало сборника смотрите тут.
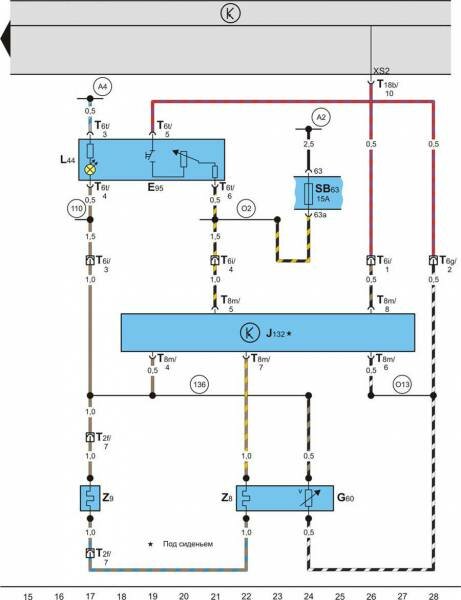
Обогрев сиденья водителя авто Skoda

Схема обогрева сиденья переднего пассажира

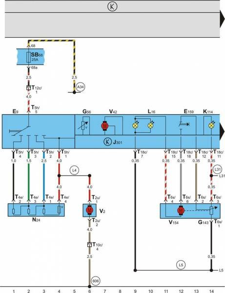
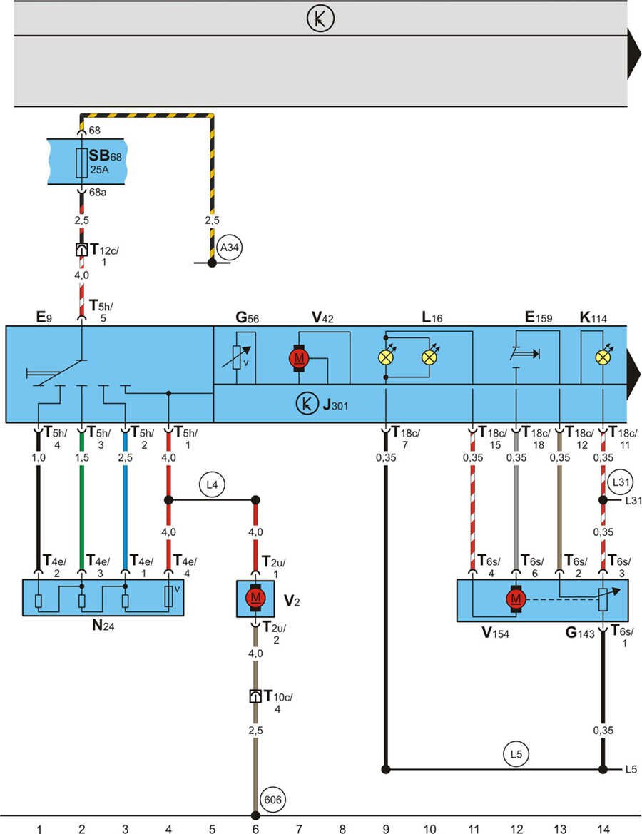
Блок управления кондиционером, вентилятор отопителя, электродвигатель заслонки рециркуляции воздуха

Блок управления кондиционером, электродвигатель температурной заслонки, датчики температуры

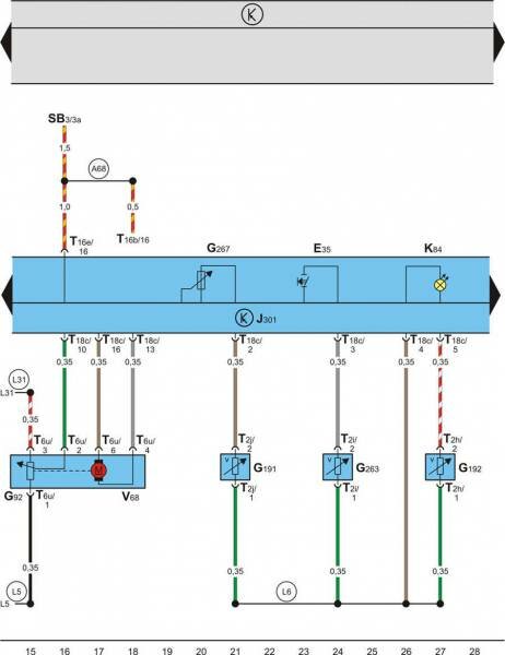
Блок управления кондиционером, регулирующий клапан компрессора кондиционера

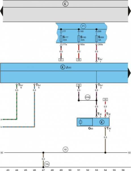
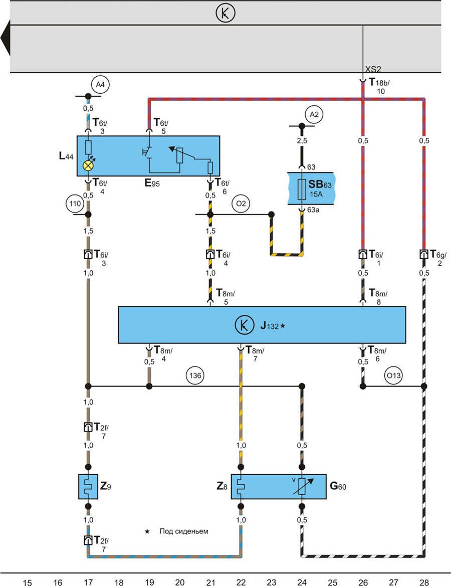
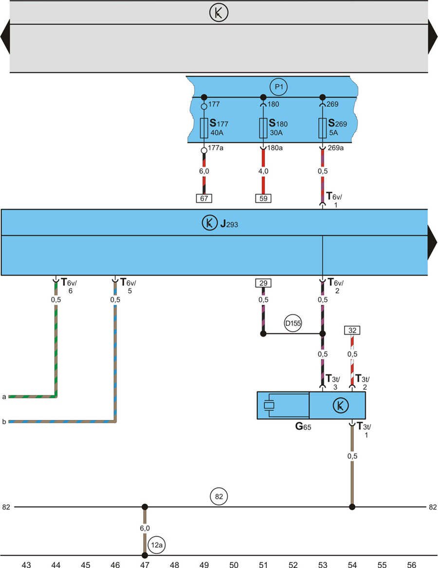
Электросхема модуля управления дополнительным вентилятором радиатора, датчик давления системы кондиционирования, блок предохранителей на аккумуляторной батарее

Блок управления дополнительным вентилятором радиатора, датчик включения вентилятора, вентилятор радиатора

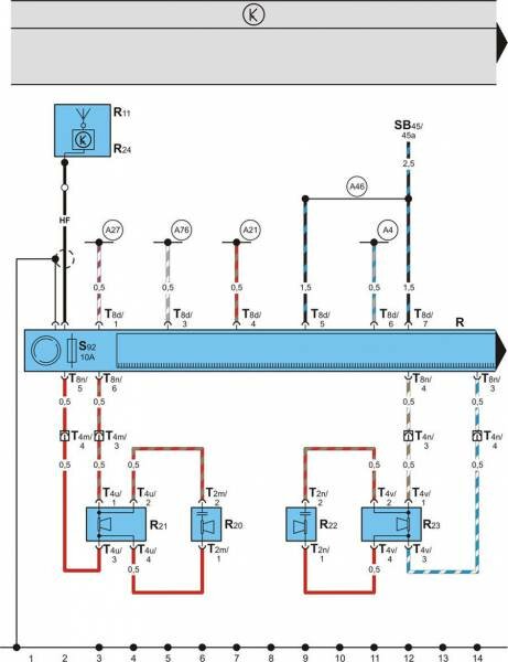
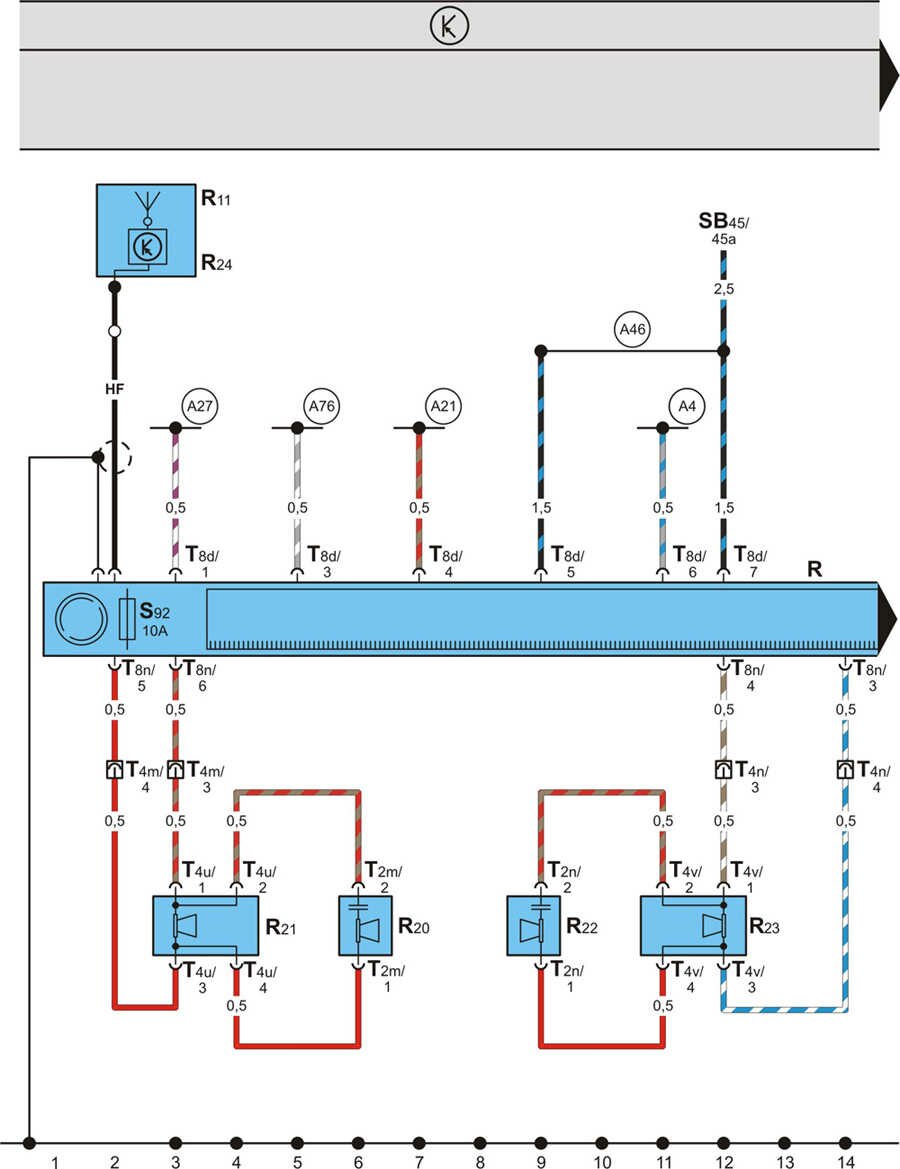
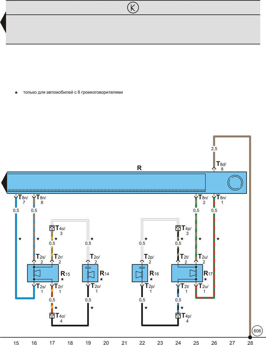
Радиоприемник, передние громкоговорители, антенна автомобиля Skoda 3

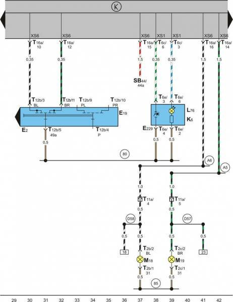
Приемник, задние громкоговорители

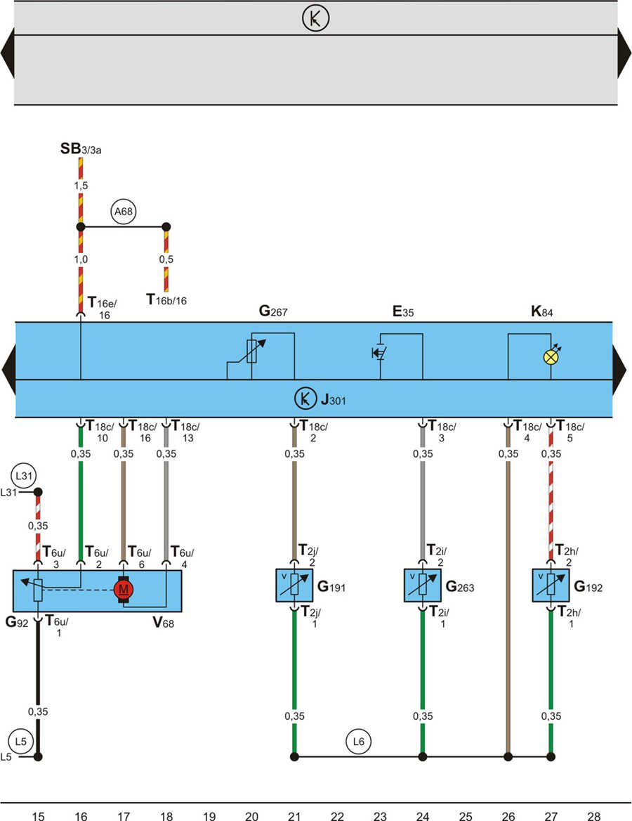
Электросхема сигнализации

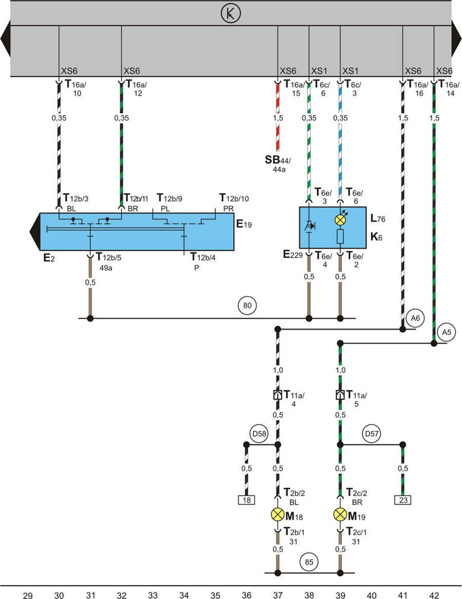
Реле омывателей фар, насос омывателей фар, блок предохранителей Skoda

Жиклеры стеклоомывателя ветрового стекла

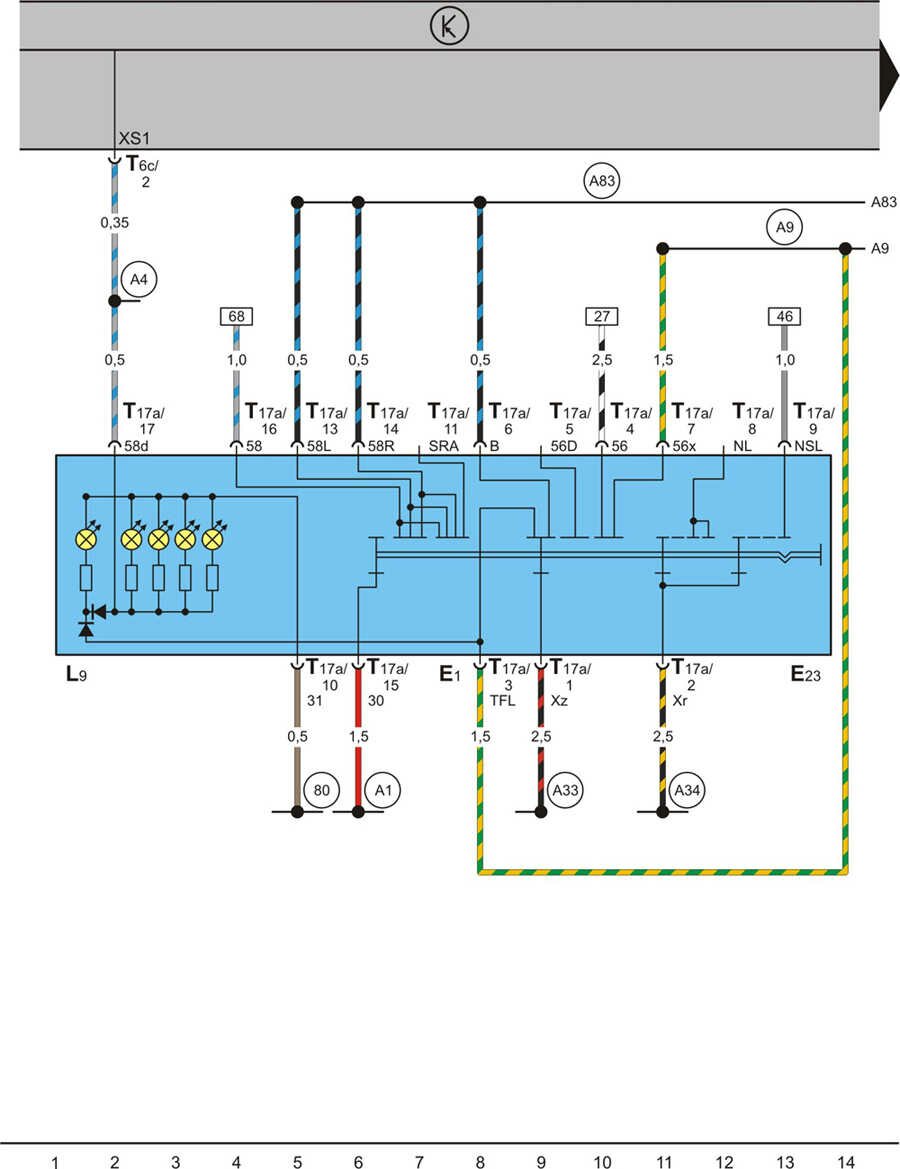
Центральный переключатель света

Переключатель указателей поворота и света фар, выключатель стояночного света, выключатель аварийной сигнализации

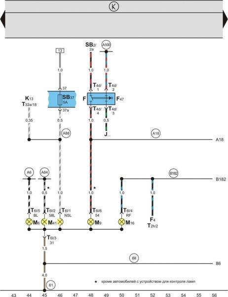
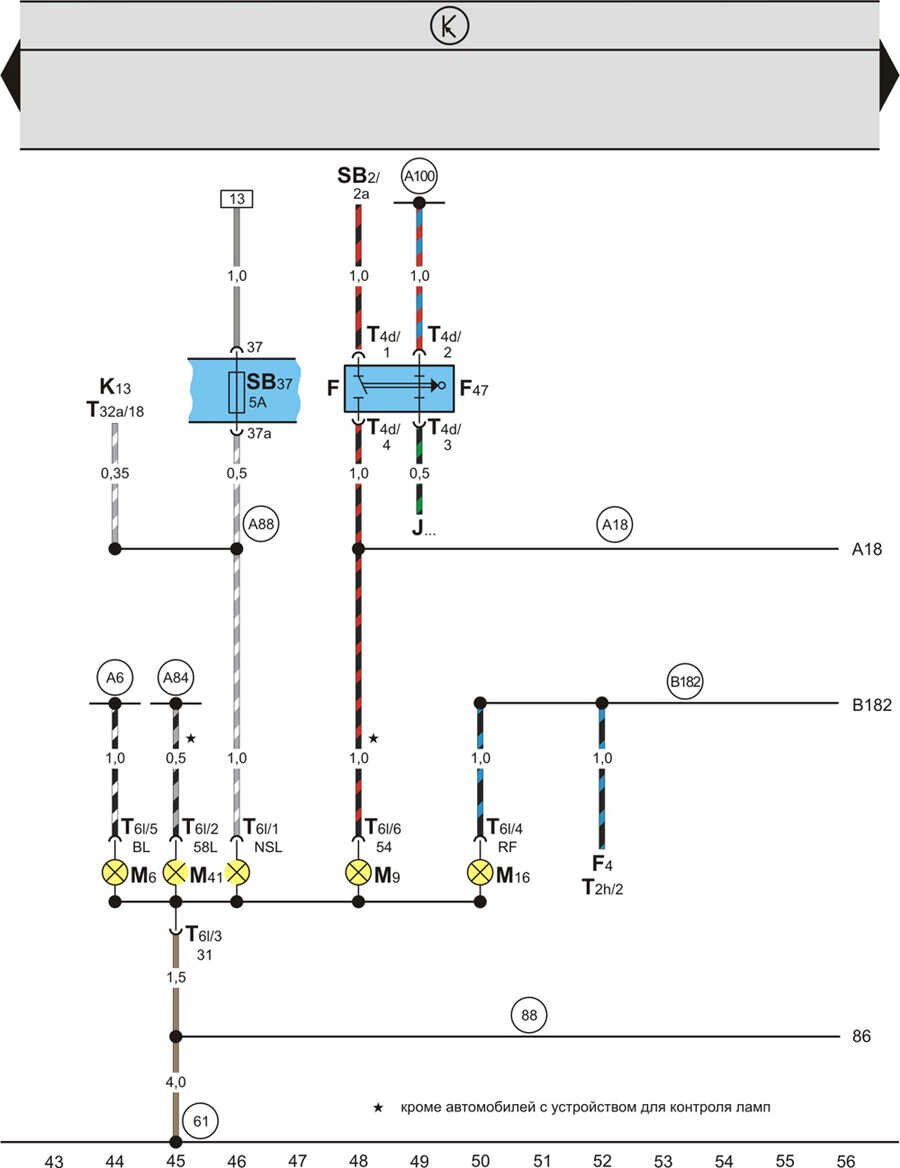
Выключатель фонарей сигнала торможения, левый задний фонарь, блок предохранителей Skoda 3

РЕМОНТ АВТОЭЛЕКТРОНИКИ ЗАРЯДНЫЕ УСТРОЙСТВА ДЛЯ АКБ

|